Excavator Idler Diagram . An excavator undercarriage is a system made up of many moving parts that allow your machine to handle all forms of terrain. 320c/320c l medium hydraulic excavators parts reference guide. Click a part or a label to learn more about the part, its function on an excavator, or to see and search that specific part at h&r. Excavator parts diagram include bucket, arm, boom, cabin, hydraulic pump, main control valve, travel motor, swing motor, engine. Pac, eag protect your investment with genuine. The excavator parts diagram is a clear and concise pictorial representation of an excavator’s major components and accessories. Excavator undercarriage inspection & maintenance. Excavator undercarriage part diagram including idlers, rollers, top carrier rollers, drives, track chain, track adjusters
from www.cnexcavatorparts.com
The excavator parts diagram is a clear and concise pictorial representation of an excavator’s major components and accessories. An excavator undercarriage is a system made up of many moving parts that allow your machine to handle all forms of terrain. Excavator parts diagram include bucket, arm, boom, cabin, hydraulic pump, main control valve, travel motor, swing motor, engine. 320c/320c l medium hydraulic excavators parts reference guide. Pac, eag protect your investment with genuine. Excavator undercarriage part diagram including idlers, rollers, top carrier rollers, drives, track chain, track adjusters Click a part or a label to learn more about the part, its function on an excavator, or to see and search that specific part at h&r. Excavator undercarriage inspection & maintenance.
Excavator idlers
Excavator Idler Diagram An excavator undercarriage is a system made up of many moving parts that allow your machine to handle all forms of terrain. Excavator undercarriage inspection & maintenance. Excavator parts diagram include bucket, arm, boom, cabin, hydraulic pump, main control valve, travel motor, swing motor, engine. Pac, eag protect your investment with genuine. The excavator parts diagram is a clear and concise pictorial representation of an excavator’s major components and accessories. Excavator undercarriage part diagram including idlers, rollers, top carrier rollers, drives, track chain, track adjusters 320c/320c l medium hydraulic excavators parts reference guide. Click a part or a label to learn more about the part, its function on an excavator, or to see and search that specific part at h&r. An excavator undercarriage is a system made up of many moving parts that allow your machine to handle all forms of terrain.
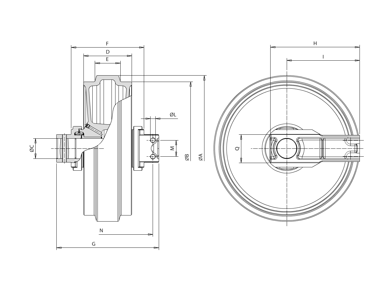
From www.berco.com
Undercarriage Components for medium Excavator Berco Excavator Idler Diagram Excavator parts diagram include bucket, arm, boom, cabin, hydraulic pump, main control valve, travel motor, swing motor, engine. Excavator undercarriage inspection & maintenance. The excavator parts diagram is a clear and concise pictorial representation of an excavator’s major components and accessories. An excavator undercarriage is a system made up of many moving parts that allow your machine to handle all. Excavator Idler Diagram.
From sunoreparts.com
excavator parts diagram 47 parts of the excavator Excavator Idler Diagram Pac, eag protect your investment with genuine. An excavator undercarriage is a system made up of many moving parts that allow your machine to handle all forms of terrain. Excavator undercarriage inspection & maintenance. The excavator parts diagram is a clear and concise pictorial representation of an excavator’s major components and accessories. Excavator undercarriage part diagram including idlers, rollers, top. Excavator Idler Diagram.
From www.alibaba.com
Pc50,Pc50uu1 Excavator Undercarriage Parts Excavator Idler Assembly Excavator Idler Diagram Pac, eag protect your investment with genuine. An excavator undercarriage is a system made up of many moving parts that allow your machine to handle all forms of terrain. Excavator undercarriage part diagram including idlers, rollers, top carrier rollers, drives, track chain, track adjusters The excavator parts diagram is a clear and concise pictorial representation of an excavator’s major components. Excavator Idler Diagram.
From www.okaypart.com
Structural composition of the excavator JEREI OkayParts Excavator Idler Diagram Click a part or a label to learn more about the part, its function on an excavator, or to see and search that specific part at h&r. The excavator parts diagram is a clear and concise pictorial representation of an excavator’s major components and accessories. Excavator undercarriage inspection & maintenance. Excavator undercarriage part diagram including idlers, rollers, top carrier rollers,. Excavator Idler Diagram.
From hetrack.en.made-in-china.com
Idler for Excavator Undercarriage Sections E322 1156337 China Excavator Idler Diagram Excavator undercarriage inspection & maintenance. Excavator parts diagram include bucket, arm, boom, cabin, hydraulic pump, main control valve, travel motor, swing motor, engine. Excavator undercarriage part diagram including idlers, rollers, top carrier rollers, drives, track chain, track adjusters 320c/320c l medium hydraulic excavators parts reference guide. The excavator parts diagram is a clear and concise pictorial representation of an excavator’s. Excavator Idler Diagram.
From www.xtptrack.com
Dozer undercarriage D155 IDLER 17A3000040 D155AX7 D155A12 Excavator Idler Diagram The excavator parts diagram is a clear and concise pictorial representation of an excavator’s major components and accessories. An excavator undercarriage is a system made up of many moving parts that allow your machine to handle all forms of terrain. Excavator undercarriage inspection & maintenance. Excavator undercarriage part diagram including idlers, rollers, top carrier rollers, drives, track chain, track adjusters. Excavator Idler Diagram.
From www.alibaba.com
Mini Excavator Idler Front Idler With Bracket Undercarriage Buy Zx870 Excavator Idler Diagram Click a part or a label to learn more about the part, its function on an excavator, or to see and search that specific part at h&r. The excavator parts diagram is a clear and concise pictorial representation of an excavator’s major components and accessories. Excavator undercarriage inspection & maintenance. Pac, eag protect your investment with genuine. 320c/320c l medium. Excavator Idler Diagram.
From www.feiyueparts.com
excavator front idler, front idler wheel, idler wheel, idler group Excavator Idler Diagram Excavator undercarriage inspection & maintenance. Excavator undercarriage part diagram including idlers, rollers, top carrier rollers, drives, track chain, track adjusters 320c/320c l medium hydraulic excavators parts reference guide. The excavator parts diagram is a clear and concise pictorial representation of an excavator’s major components and accessories. Pac, eag protect your investment with genuine. Excavator parts diagram include bucket, arm, boom,. Excavator Idler Diagram.
From dmcwearparts.com
Excavator Undercarriage Parts DMC Wear Parts Excavator Idler Diagram Excavator parts diagram include bucket, arm, boom, cabin, hydraulic pump, main control valve, travel motor, swing motor, engine. 320c/320c l medium hydraulic excavators parts reference guide. Pac, eag protect your investment with genuine. Excavator undercarriage part diagram including idlers, rollers, top carrier rollers, drives, track chain, track adjusters Click a part or a label to learn more about the part,. Excavator Idler Diagram.
From issuu.com
CAT 345C Excavators Hydraulic System Schematic Manual PDF DOWNLOAD by Excavator Idler Diagram 320c/320c l medium hydraulic excavators parts reference guide. Pac, eag protect your investment with genuine. An excavator undercarriage is a system made up of many moving parts that allow your machine to handle all forms of terrain. Excavator parts diagram include bucket, arm, boom, cabin, hydraulic pump, main control valve, travel motor, swing motor, engine. Excavator undercarriage inspection & maintenance.. Excavator Idler Diagram.
From www.conequip.com
Mining Excavator Undercarriage Parts Diagram ConEquip Parts Excavator Idler Diagram The excavator parts diagram is a clear and concise pictorial representation of an excavator’s major components and accessories. Pac, eag protect your investment with genuine. Excavator undercarriage part diagram including idlers, rollers, top carrier rollers, drives, track chain, track adjusters Excavator undercarriage inspection & maintenance. Excavator parts diagram include bucket, arm, boom, cabin, hydraulic pump, main control valve, travel motor,. Excavator Idler Diagram.
From 777parts.net
Front Idler EXCAVATOR John Deere 27C EXCAVATOR 27C ZTS Excavator Excavator Idler Diagram Excavator parts diagram include bucket, arm, boom, cabin, hydraulic pump, main control valve, travel motor, swing motor, engine. The excavator parts diagram is a clear and concise pictorial representation of an excavator’s major components and accessories. Pac, eag protect your investment with genuine. An excavator undercarriage is a system made up of many moving parts that allow your machine to. Excavator Idler Diagram.
From autoepcservice.com
Sany Hydraulic Excavator Shop Manual and Schematic Diagrams Information Excavator Idler Diagram Excavator parts diagram include bucket, arm, boom, cabin, hydraulic pump, main control valve, travel motor, swing motor, engine. Click a part or a label to learn more about the part, its function on an excavator, or to see and search that specific part at h&r. An excavator undercarriage is a system made up of many moving parts that allow your. Excavator Idler Diagram.
From www.swexcavator.com
Know The Parts of an Excavator and Their Functions ShiWen Excavator Idler Diagram An excavator undercarriage is a system made up of many moving parts that allow your machine to handle all forms of terrain. Pac, eag protect your investment with genuine. Excavator undercarriage inspection & maintenance. The excavator parts diagram is a clear and concise pictorial representation of an excavator’s major components and accessories. 320c/320c l medium hydraulic excavators parts reference guide.. Excavator Idler Diagram.
From mungfali.com
Dozer Undercarriage Diagram Excavator Idler Diagram An excavator undercarriage is a system made up of many moving parts that allow your machine to handle all forms of terrain. Pac, eag protect your investment with genuine. 320c/320c l medium hydraulic excavators parts reference guide. The excavator parts diagram is a clear and concise pictorial representation of an excavator’s major components and accessories. Excavator undercarriage inspection & maintenance.. Excavator Idler Diagram.
From www.indiamart.com
Undercarriage Excavator Idlers and Spring / Track Adjuster, Rs 12500 Excavator Idler Diagram The excavator parts diagram is a clear and concise pictorial representation of an excavator’s major components and accessories. Excavator parts diagram include bucket, arm, boom, cabin, hydraulic pump, main control valve, travel motor, swing motor, engine. 320c/320c l medium hydraulic excavators parts reference guide. Pac, eag protect your investment with genuine. An excavator undercarriage is a system made up of. Excavator Idler Diagram.
From autoepcservice.com
Sany Hydraulic Excavator Shop Manual and Schematic Diagrams Information Excavator Idler Diagram Excavator parts diagram include bucket, arm, boom, cabin, hydraulic pump, main control valve, travel motor, swing motor, engine. Excavator undercarriage inspection & maintenance. 320c/320c l medium hydraulic excavators parts reference guide. Pac, eag protect your investment with genuine. An excavator undercarriage is a system made up of many moving parts that allow your machine to handle all forms of terrain.. Excavator Idler Diagram.
From edtech.engineering.utoronto.ca
Excavator Arm Diagram Education Technology Office (ETO) Excavator Idler Diagram Excavator undercarriage part diagram including idlers, rollers, top carrier rollers, drives, track chain, track adjusters The excavator parts diagram is a clear and concise pictorial representation of an excavator’s major components and accessories. An excavator undercarriage is a system made up of many moving parts that allow your machine to handle all forms of terrain. 320c/320c l medium hydraulic excavators. Excavator Idler Diagram.
From repair-manuals.com
Caterpillar 320C, 330C Excavator Hydraulic & Electrical Full Diagrams Excavator Idler Diagram 320c/320c l medium hydraulic excavators parts reference guide. The excavator parts diagram is a clear and concise pictorial representation of an excavator’s major components and accessories. Click a part or a label to learn more about the part, its function on an excavator, or to see and search that specific part at h&r. Excavator parts diagram include bucket, arm, boom,. Excavator Idler Diagram.
From guidelibmisjoinder.z22.web.core.windows.net
Anatomy Of An Excavator Excavator Idler Diagram Pac, eag protect your investment with genuine. Click a part or a label to learn more about the part, its function on an excavator, or to see and search that specific part at h&r. Excavator undercarriage inspection & maintenance. The excavator parts diagram is a clear and concise pictorial representation of an excavator’s major components and accessories. An excavator undercarriage. Excavator Idler Diagram.
From www.valvehydraulic.info
Komatsu PC01 HYDRAULIC EXCAVATOR Electrical circuit diagram Excavator Idler Diagram Excavator undercarriage part diagram including idlers, rollers, top carrier rollers, drives, track chain, track adjusters Click a part or a label to learn more about the part, its function on an excavator, or to see and search that specific part at h&r. 320c/320c l medium hydraulic excavators parts reference guide. An excavator undercarriage is a system made up of many. Excavator Idler Diagram.
From www.youtube.com
Excavator idler and track tensioner install YouTube Excavator Idler Diagram Excavator undercarriage inspection & maintenance. Excavator undercarriage part diagram including idlers, rollers, top carrier rollers, drives, track chain, track adjusters Pac, eag protect your investment with genuine. 320c/320c l medium hydraulic excavators parts reference guide. Click a part or a label to learn more about the part, its function on an excavator, or to see and search that specific part. Excavator Idler Diagram.
From www.commatech.ro
Idler 1 VOLVO Excavators EC460LC Excavator Idler Diagram Excavator undercarriage inspection & maintenance. Click a part or a label to learn more about the part, its function on an excavator, or to see and search that specific part at h&r. Excavator parts diagram include bucket, arm, boom, cabin, hydraulic pump, main control valve, travel motor, swing motor, engine. 320c/320c l medium hydraulic excavators parts reference guide. Pac, eag. Excavator Idler Diagram.
From avs.parts
35ZTS EXCAVATOR FRONT IDLER EPC John Deere 9154956 AG CF CCE online Excavator Idler Diagram Excavator undercarriage inspection & maintenance. An excavator undercarriage is a system made up of many moving parts that allow your machine to handle all forms of terrain. The excavator parts diagram is a clear and concise pictorial representation of an excavator’s major components and accessories. Excavator parts diagram include bucket, arm, boom, cabin, hydraulic pump, main control valve, travel motor,. Excavator Idler Diagram.
From www.indiamart.com
EARTHMOVING MACHINE Excavators Front Idler at best price in Vadodara Excavator Idler Diagram The excavator parts diagram is a clear and concise pictorial representation of an excavator’s major components and accessories. 320c/320c l medium hydraulic excavators parts reference guide. Excavator undercarriage part diagram including idlers, rollers, top carrier rollers, drives, track chain, track adjusters Pac, eag protect your investment with genuine. Excavator undercarriage inspection & maintenance. Click a part or a label to. Excavator Idler Diagram.
From www.conequip.com
Excavator Part Diagram Excavator Idler Diagram 320c/320c l medium hydraulic excavators parts reference guide. Click a part or a label to learn more about the part, its function on an excavator, or to see and search that specific part at h&r. Pac, eag protect your investment with genuine. Excavator parts diagram include bucket, arm, boom, cabin, hydraulic pump, main control valve, travel motor, swing motor, engine.. Excavator Idler Diagram.
From www.cnexcavatorparts.com
Excavator idlers Excavator Idler Diagram Excavator parts diagram include bucket, arm, boom, cabin, hydraulic pump, main control valve, travel motor, swing motor, engine. 320c/320c l medium hydraulic excavators parts reference guide. The excavator parts diagram is a clear and concise pictorial representation of an excavator’s major components and accessories. An excavator undercarriage is a system made up of many moving parts that allow your machine. Excavator Idler Diagram.
From www.alibaba.com
20010200001a Front Idlers For Doosan Dx300lc Excavator Buy Front Excavator Idler Diagram Excavator undercarriage part diagram including idlers, rollers, top carrier rollers, drives, track chain, track adjusters The excavator parts diagram is a clear and concise pictorial representation of an excavator’s major components and accessories. Excavator parts diagram include bucket, arm, boom, cabin, hydraulic pump, main control valve, travel motor, swing motor, engine. Pac, eag protect your investment with genuine. Excavator undercarriage. Excavator Idler Diagram.
From in.pinterest.com
All type Excavator Idlers Available For More Details XLT ENGINEERS PVT Excavator Idler Diagram Excavator undercarriage inspection & maintenance. Pac, eag protect your investment with genuine. The excavator parts diagram is a clear and concise pictorial representation of an excavator’s major components and accessories. Click a part or a label to learn more about the part, its function on an excavator, or to see and search that specific part at h&r. 320c/320c l medium. Excavator Idler Diagram.
From manual.imagenes4k.com
Hydraulic Circuit Diagram Of Excavator Excavator Hydraulic Controlled Excavator Idler Diagram The excavator parts diagram is a clear and concise pictorial representation of an excavator’s major components and accessories. Excavator undercarriage part diagram including idlers, rollers, top carrier rollers, drives, track chain, track adjusters Click a part or a label to learn more about the part, its function on an excavator, or to see and search that specific part at h&r.. Excavator Idler Diagram.
From landamachinery.com
Home Products Other Excavators Parts Bobcat 331 excavator Excavator Idler Diagram Excavator parts diagram include bucket, arm, boom, cabin, hydraulic pump, main control valve, travel motor, swing motor, engine. Excavator undercarriage inspection & maintenance. The excavator parts diagram is a clear and concise pictorial representation of an excavator’s major components and accessories. An excavator undercarriage is a system made up of many moving parts that allow your machine to handle all. Excavator Idler Diagram.
From www.autorepairmanuals.ws
CAT 320, 320 GC, 323 Excavator Hydraulics System Schematic_UENR8068 Excavator Idler Diagram Excavator undercarriage inspection & maintenance. The excavator parts diagram is a clear and concise pictorial representation of an excavator’s major components and accessories. An excavator undercarriage is a system made up of many moving parts that allow your machine to handle all forms of terrain. 320c/320c l medium hydraulic excavators parts reference guide. Excavator undercarriage part diagram including idlers, rollers,. Excavator Idler Diagram.
From www.alibaba.com
Mini Excavator Idler Front Idler With Bracket Undercarriage Buy Zx870 Excavator Idler Diagram The excavator parts diagram is a clear and concise pictorial representation of an excavator’s major components and accessories. Excavator parts diagram include bucket, arm, boom, cabin, hydraulic pump, main control valve, travel motor, swing motor, engine. Click a part or a label to learn more about the part, its function on an excavator, or to see and search that specific. Excavator Idler Diagram.
From www.hrparts.com
How Does an Excavator Arm Work Basic Details, Images, and Animated Excavator Idler Diagram The excavator parts diagram is a clear and concise pictorial representation of an excavator’s major components and accessories. Click a part or a label to learn more about the part, its function on an excavator, or to see and search that specific part at h&r. Excavator undercarriage part diagram including idlers, rollers, top carrier rollers, drives, track chain, track adjusters. Excavator Idler Diagram.
From www.bigrentz.com
22 Parts of an Excavator BigRentz Excavator Idler Diagram Click a part or a label to learn more about the part, its function on an excavator, or to see and search that specific part at h&r. An excavator undercarriage is a system made up of many moving parts that allow your machine to handle all forms of terrain. Pac, eag protect your investment with genuine. Excavator parts diagram include. Excavator Idler Diagram.