How Does A Voltage Monitor Work . This is, perhaps, the simplest approach to voltage monitoring. This allows you to monitor a voltage within a window, bounded by a lower and upper threshold. A voltage sensor is designed to measure the potential difference between two points in an electrical. A voltage monitoring relay is designed to monitor voltages and provide a safe shutdown of equipment in the event of a. A voltage monitoring relay is a type of monitoring relay used to detect (and react to) voltage changes in an electrical system, both dc and ac networks. Dividing down the voltage by a. They are designed to measure and monitor the amount of voltage flowing through a particular part of an electrical circuit. There are four key methods: Per design, vmon is expected within the. How does a voltage sensor work?
from www.instructables.com
Per design, vmon is expected within the. A voltage sensor is designed to measure the potential difference between two points in an electrical. This allows you to monitor a voltage within a window, bounded by a lower and upper threshold. There are four key methods: Dividing down the voltage by a. A voltage monitoring relay is designed to monitor voltages and provide a safe shutdown of equipment in the event of a. This is, perhaps, the simplest approach to voltage monitoring. How does a voltage sensor work? A voltage monitoring relay is a type of monitoring relay used to detect (and react to) voltage changes in an electrical system, both dc and ac networks. They are designed to measure and monitor the amount of voltage flowing through a particular part of an electrical circuit.
Battery Voltage Monitor 7 Steps (with Pictures) Instructables
How Does A Voltage Monitor Work A voltage monitoring relay is designed to monitor voltages and provide a safe shutdown of equipment in the event of a. There are four key methods: A voltage monitoring relay is designed to monitor voltages and provide a safe shutdown of equipment in the event of a. How does a voltage sensor work? A voltage monitoring relay is a type of monitoring relay used to detect (and react to) voltage changes in an electrical system, both dc and ac networks. This is, perhaps, the simplest approach to voltage monitoring. They are designed to measure and monitor the amount of voltage flowing through a particular part of an electrical circuit. This allows you to monitor a voltage within a window, bounded by a lower and upper threshold. Dividing down the voltage by a. Per design, vmon is expected within the. A voltage sensor is designed to measure the potential difference between two points in an electrical.
From www.wellpcb.com
Voltage Monitoring Circuits A Comprehensive Overview How Does A Voltage Monitor Work This is, perhaps, the simplest approach to voltage monitoring. They are designed to measure and monitor the amount of voltage flowing through a particular part of an electrical circuit. Per design, vmon is expected within the. There are four key methods: A voltage sensor is designed to measure the potential difference between two points in an electrical. Dividing down the. How Does A Voltage Monitor Work.
From makingcircuits.com
Mains AC Voltage Monitor Circuit How Does A Voltage Monitor Work They are designed to measure and monitor the amount of voltage flowing through a particular part of an electrical circuit. There are four key methods: A voltage monitoring relay is designed to monitor voltages and provide a safe shutdown of equipment in the event of a. How does a voltage sensor work? This is, perhaps, the simplest approach to voltage. How Does A Voltage Monitor Work.
From www.youtube.com
Voltage Monitor Circuit YouTube How Does A Voltage Monitor Work There are four key methods: This is, perhaps, the simplest approach to voltage monitoring. This allows you to monitor a voltage within a window, bounded by a lower and upper threshold. A voltage monitoring relay is designed to monitor voltages and provide a safe shutdown of equipment in the event of a. Dividing down the voltage by a. They are. How Does A Voltage Monitor Work.
From www.icmcontrols.com
Three Phase Voltage Monitors ICM CONTROLS How Does A Voltage Monitor Work Dividing down the voltage by a. They are designed to measure and monitor the amount of voltage flowing through a particular part of an electrical circuit. There are four key methods: How does a voltage sensor work? Per design, vmon is expected within the. A voltage monitoring relay is a type of monitoring relay used to detect (and react to). How Does A Voltage Monitor Work.
From www.youtube.com
How to build a trailer voltage monitor YouTube How Does A Voltage Monitor Work A voltage monitoring relay is designed to monitor voltages and provide a safe shutdown of equipment in the event of a. This allows you to monitor a voltage within a window, bounded by a lower and upper threshold. Dividing down the voltage by a. How does a voltage sensor work? They are designed to measure and monitor the amount of. How Does A Voltage Monitor Work.
From waterheatertimer.org
How to wire phase monitor How Does A Voltage Monitor Work Dividing down the voltage by a. They are designed to measure and monitor the amount of voltage flowing through a particular part of an electrical circuit. A voltage sensor is designed to measure the potential difference between two points in an electrical. There are four key methods: A voltage monitoring relay is a type of monitoring relay used to detect. How Does A Voltage Monitor Work.
From plus.fluke.com
How to measure ac voltage Fluke How Does A Voltage Monitor Work Per design, vmon is expected within the. This allows you to monitor a voltage within a window, bounded by a lower and upper threshold. They are designed to measure and monitor the amount of voltage flowing through a particular part of an electrical circuit. A voltage monitoring relay is designed to monitor voltages and provide a safe shutdown of equipment. How Does A Voltage Monitor Work.
From www.instructables.com
Battery Voltage Monitor 7 Steps (with Pictures) Instructables How Does A Voltage Monitor Work Per design, vmon is expected within the. A voltage sensor is designed to measure the potential difference between two points in an electrical. How does a voltage sensor work? Dividing down the voltage by a. A voltage monitoring relay is designed to monitor voltages and provide a safe shutdown of equipment in the event of a. They are designed to. How Does A Voltage Monitor Work.
From www.electricalknowledge.com
How Does a Non Contact Voltage Tester Work? Electrical Knowledge How Does A Voltage Monitor Work Dividing down the voltage by a. There are four key methods: A voltage monitoring relay is designed to monitor voltages and provide a safe shutdown of equipment in the event of a. A voltage sensor is designed to measure the potential difference between two points in an electrical. This is, perhaps, the simplest approach to voltage monitoring. How does a. How Does A Voltage Monitor Work.
From www.qsl.net
VE3EG/VE3HHT Voltage Monitor How Does A Voltage Monitor Work How does a voltage sensor work? A voltage monitoring relay is designed to monitor voltages and provide a safe shutdown of equipment in the event of a. Dividing down the voltage by a. This allows you to monitor a voltage within a window, bounded by a lower and upper threshold. This is, perhaps, the simplest approach to voltage monitoring. They. How Does A Voltage Monitor Work.
From www.electronicproducts.com
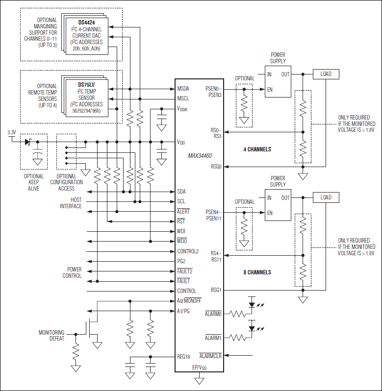
PMBus 12Channel Voltage Monitor and Sequencer Electronic Products How Does A Voltage Monitor Work There are four key methods: A voltage monitoring relay is designed to monitor voltages and provide a safe shutdown of equipment in the event of a. This allows you to monitor a voltage within a window, bounded by a lower and upper threshold. A voltage monitoring relay is a type of monitoring relay used to detect (and react to) voltage. How Does A Voltage Monitor Work.
From www.electroniclinic.com
Wireless battery voltage monitor using Arduino and Bluetooth How Does A Voltage Monitor Work This is, perhaps, the simplest approach to voltage monitoring. A voltage monitoring relay is designed to monitor voltages and provide a safe shutdown of equipment in the event of a. There are four key methods: This allows you to monitor a voltage within a window, bounded by a lower and upper threshold. A voltage sensor is designed to measure the. How Does A Voltage Monitor Work.
From www.electronics-lab.com
12V Lead Acid Battery Voltage Monitor How Does A Voltage Monitor Work How does a voltage sensor work? A voltage sensor is designed to measure the potential difference between two points in an electrical. There are four key methods: This allows you to monitor a voltage within a window, bounded by a lower and upper threshold. A voltage monitoring relay is designed to monitor voltages and provide a safe shutdown of equipment. How Does A Voltage Monitor Work.
From itecnotes.com
Electronic arduino Raise input for a voltage monitor IC Valuable How Does A Voltage Monitor Work They are designed to measure and monitor the amount of voltage flowing through a particular part of an electrical circuit. A voltage monitoring relay is designed to monitor voltages and provide a safe shutdown of equipment in the event of a. How does a voltage sensor work? This is, perhaps, the simplest approach to voltage monitoring. A voltage monitoring relay. How Does A Voltage Monitor Work.
From www.icmcontrols.com
Installation of the ICM493 singlephase line voltage monitor ICM Controls How Does A Voltage Monitor Work A voltage monitoring relay is a type of monitoring relay used to detect (and react to) voltage changes in an electrical system, both dc and ac networks. How does a voltage sensor work? They are designed to measure and monitor the amount of voltage flowing through a particular part of an electrical circuit. Per design, vmon is expected within the.. How Does A Voltage Monitor Work.
From gpzweb.s3-website-us-east-1.amazonaws.com
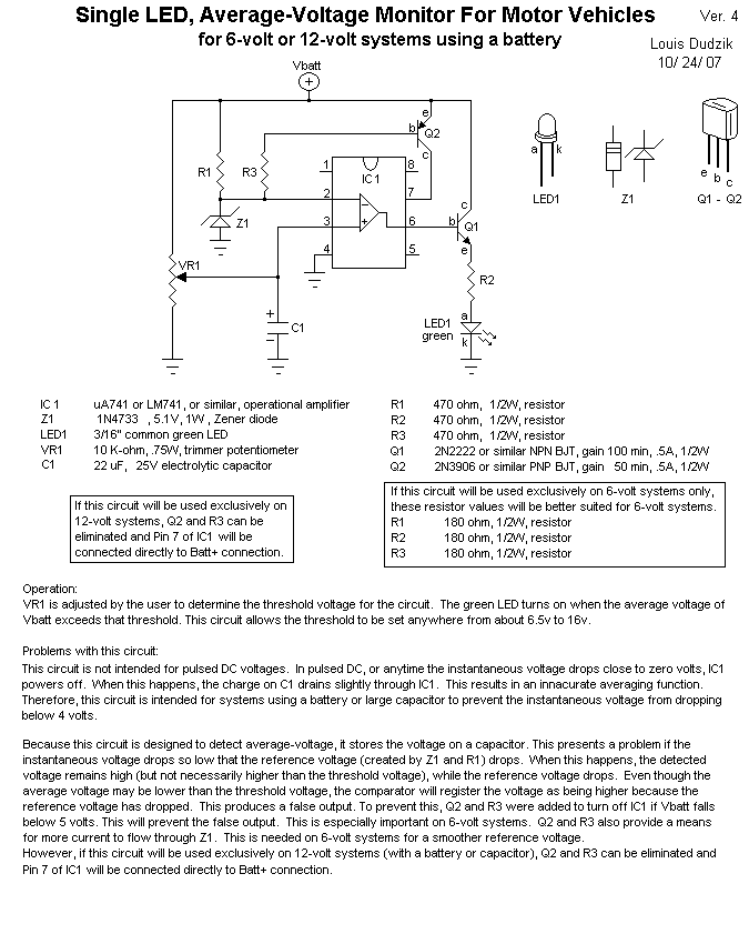
1 LED Voltage Monitor 6v/12v How Does A Voltage Monitor Work Per design, vmon is expected within the. How does a voltage sensor work? A voltage monitoring relay is a type of monitoring relay used to detect (and react to) voltage changes in an electrical system, both dc and ac networks. A voltage sensor is designed to measure the potential difference between two points in an electrical. Dividing down the voltage. How Does A Voltage Monitor Work.
From www.youtube.com
How to Connect Voltage Monitor 2022 YouTube How Does A Voltage Monitor Work A voltage sensor is designed to measure the potential difference between two points in an electrical. A voltage monitoring relay is a type of monitoring relay used to detect (and react to) voltage changes in an electrical system, both dc and ac networks. Dividing down the voltage by a. Per design, vmon is expected within the. There are four key. How Does A Voltage Monitor Work.
From www.climatedoctors.com
ICM492 Single Phase Digital Line Voltage Monitor Climatedoctors How Does A Voltage Monitor Work A voltage monitoring relay is a type of monitoring relay used to detect (and react to) voltage changes in an electrical system, both dc and ac networks. A voltage monitoring relay is designed to monitor voltages and provide a safe shutdown of equipment in the event of a. There are four key methods: A voltage sensor is designed to measure. How Does A Voltage Monitor Work.
From makingcircuits.com
LED Voltage Monitor Circuit How Does A Voltage Monitor Work They are designed to measure and monitor the amount of voltage flowing through a particular part of an electrical circuit. There are four key methods: A voltage sensor is designed to measure the potential difference between two points in an electrical. How does a voltage sensor work? Dividing down the voltage by a. This is, perhaps, the simplest approach to. How Does A Voltage Monitor Work.
From www.seekic.com
System_voltage_monitor Electrical_Equipment_Circuit Circuit Diagram How Does A Voltage Monitor Work There are four key methods: This allows you to monitor a voltage within a window, bounded by a lower and upper threshold. How does a voltage sensor work? They are designed to measure and monitor the amount of voltage flowing through a particular part of an electrical circuit. A voltage monitoring relay is a type of monitoring relay used to. How Does A Voltage Monitor Work.
From www.advantageengineering.com
ICM 450 Three Phase Motor Protector & Power Monitor How Does A Voltage Monitor Work There are four key methods: This is, perhaps, the simplest approach to voltage monitoring. Dividing down the voltage by a. A voltage monitoring relay is a type of monitoring relay used to detect (and react to) voltage changes in an electrical system, both dc and ac networks. A voltage sensor is designed to measure the potential difference between two points. How Does A Voltage Monitor Work.
From www.learningelectronics.net
Mains Voltage Monitor Circuit Diagram How Does A Voltage Monitor Work They are designed to measure and monitor the amount of voltage flowing through a particular part of an electrical circuit. This is, perhaps, the simplest approach to voltage monitoring. There are four key methods: A voltage monitoring relay is designed to monitor voltages and provide a safe shutdown of equipment in the event of a. Per design, vmon is expected. How Does A Voltage Monitor Work.
From freeelectricalsandtools.blogspot.com
Free Schematic Diagram 9V Battery Voltage Monitor Circuit How Does A Voltage Monitor Work Dividing down the voltage by a. They are designed to measure and monitor the amount of voltage flowing through a particular part of an electrical circuit. How does a voltage sensor work? This is, perhaps, the simplest approach to voltage monitoring. A voltage monitoring relay is a type of monitoring relay used to detect (and react to) voltage changes in. How Does A Voltage Monitor Work.
From www.instructables.com
Battery Voltage Monitor 7 Steps (with Pictures) How Does A Voltage Monitor Work How does a voltage sensor work? This allows you to monitor a voltage within a window, bounded by a lower and upper threshold. They are designed to measure and monitor the amount of voltage flowing through a particular part of an electrical circuit. A voltage monitoring relay is a type of monitoring relay used to detect (and react to) voltage. How Does A Voltage Monitor Work.
From www.climatedoctors.com
ICM450A ThreePhase Line Voltage Monitor Climatedoctors How Does A Voltage Monitor Work How does a voltage sensor work? A voltage monitoring relay is designed to monitor voltages and provide a safe shutdown of equipment in the event of a. Dividing down the voltage by a. They are designed to measure and monitor the amount of voltage flowing through a particular part of an electrical circuit. This allows you to monitor a voltage. How Does A Voltage Monitor Work.
From www.youtube.com
How To Use The Basic Meter Function (Types of Voltage Selection) YouTube How Does A Voltage Monitor Work This allows you to monitor a voltage within a window, bounded by a lower and upper threshold. This is, perhaps, the simplest approach to voltage monitoring. A voltage sensor is designed to measure the potential difference between two points in an electrical. A voltage monitoring relay is a type of monitoring relay used to detect (and react to) voltage changes. How Does A Voltage Monitor Work.
From www.rectorseal.com.au
Voltage Range Monitor How Does A Voltage Monitor Work Per design, vmon is expected within the. This allows you to monitor a voltage within a window, bounded by a lower and upper threshold. How does a voltage sensor work? Dividing down the voltage by a. This is, perhaps, the simplest approach to voltage monitoring. They are designed to measure and monitor the amount of voltage flowing through a particular. How Does A Voltage Monitor Work.
From www.instructables.com
Battery Voltage Monitor 7 Steps (with Pictures) Instructables How Does A Voltage Monitor Work They are designed to measure and monitor the amount of voltage flowing through a particular part of an electrical circuit. A voltage sensor is designed to measure the potential difference between two points in an electrical. A voltage monitoring relay is a type of monitoring relay used to detect (and react to) voltage changes in an electrical system, both dc. How Does A Voltage Monitor Work.
From www.climatedoctors.com
ICM491 SinglePhase Line Voltage Monitor Climatedoctors How Does A Voltage Monitor Work Per design, vmon is expected within the. A voltage sensor is designed to measure the potential difference between two points in an electrical. A voltage monitoring relay is a type of monitoring relay used to detect (and react to) voltage changes in an electrical system, both dc and ac networks. They are designed to measure and monitor the amount of. How Does A Voltage Monitor Work.
From kingstechnics.blogspot.com
kings technics Battery voltage monitor How Does A Voltage Monitor Work A voltage monitoring relay is a type of monitoring relay used to detect (and react to) voltage changes in an electrical system, both dc and ac networks. A voltage sensor is designed to measure the potential difference between two points in an electrical. Per design, vmon is expected within the. Dividing down the voltage by a. This allows you to. How Does A Voltage Monitor Work.
From how2electronics.com
AC Voltage Protection & Monitoring System using Arduino How Does A Voltage Monitor Work There are four key methods: A voltage monitoring relay is designed to monitor voltages and provide a safe shutdown of equipment in the event of a. They are designed to measure and monitor the amount of voltage flowing through a particular part of an electrical circuit. This is, perhaps, the simplest approach to voltage monitoring. This allows you to monitor. How Does A Voltage Monitor Work.
From store.ncd.io
Dual 120VAC Mains Voltage Monitor with IoT Interface store.ncd.io How Does A Voltage Monitor Work Per design, vmon is expected within the. There are four key methods: A voltage sensor is designed to measure the potential difference between two points in an electrical. They are designed to measure and monitor the amount of voltage flowing through a particular part of an electrical circuit. Dividing down the voltage by a. This allows you to monitor a. How Does A Voltage Monitor Work.
From www.youtube.com
Arduino AC Power Monitor Tutorial Part Two Voltage Divider Circuit How Does A Voltage Monitor Work Per design, vmon is expected within the. This allows you to monitor a voltage within a window, bounded by a lower and upper threshold. A voltage sensor is designed to measure the potential difference between two points in an electrical. There are four key methods: A voltage monitoring relay is designed to monitor voltages and provide a safe shutdown of. How Does A Voltage Monitor Work.
From www.electroniclinic.com
12v Battery Voltage Monitor using LEDs and LM339 comparator How Does A Voltage Monitor Work Per design, vmon is expected within the. Dividing down the voltage by a. A voltage monitoring relay is designed to monitor voltages and provide a safe shutdown of equipment in the event of a. How does a voltage sensor work? This is, perhaps, the simplest approach to voltage monitoring. A voltage sensor is designed to measure the potential difference between. How Does A Voltage Monitor Work.
From www.electronics-lab.com
Under Voltage and Over Voltage Monitor for 5V How Does A Voltage Monitor Work A voltage monitoring relay is designed to monitor voltages and provide a safe shutdown of equipment in the event of a. A voltage sensor is designed to measure the potential difference between two points in an electrical. There are four key methods: How does a voltage sensor work? This allows you to monitor a voltage within a window, bounded by. How Does A Voltage Monitor Work.