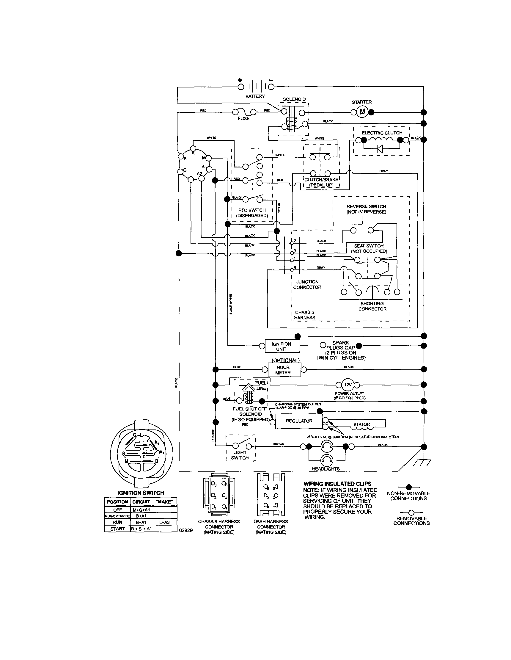
Electric Pto Clutch Blowing Fuses . Repairing an electric pto clutch if you are having issues with the blade not engaging or the unit is not getting sufficient energy, checking the pto clutch should be your. It starts blowing it after about 15 or 20 mins of mowing,. After reading many posts regarding. My simplicity mower has started blowing the 20 amp fuse when my pto is engaged. Hey guys, my hustler z zero turn just started blowing the 10 amp pto fuse. Usually the 20 amp yellow atc fuse is your charging system and a 7.5 amp brown atc fuse for electric pto clutch. The electric pto clutch is easily the beating heart of your lawnmower or garden tractor. The electric clutch is located under the front of the frame and is bolted to the crank shaft of the engine. But what happens when this. On the top of the clutch. It is the part that ensures a smooth and efficient operation. In this video i describe the most common issues i see that cause the pto clutch failure and.
from www.justanswer.com
The electric clutch is located under the front of the frame and is bolted to the crank shaft of the engine. Repairing an electric pto clutch if you are having issues with the blade not engaging or the unit is not getting sufficient energy, checking the pto clutch should be your. After reading many posts regarding. Hey guys, my hustler z zero turn just started blowing the 10 amp pto fuse. Usually the 20 amp yellow atc fuse is your charging system and a 7.5 amp brown atc fuse for electric pto clutch. My simplicity mower has started blowing the 20 amp fuse when my pto is engaged. In this video i describe the most common issues i see that cause the pto clutch failure and. It is the part that ensures a smooth and efficient operation. But what happens when this. On the top of the clutch.
I have a cub cadet ltx1050 my 20 amp fuse blows after 10 minutes of
Electric Pto Clutch Blowing Fuses The electric pto clutch is easily the beating heart of your lawnmower or garden tractor. Usually the 20 amp yellow atc fuse is your charging system and a 7.5 amp brown atc fuse for electric pto clutch. It starts blowing it after about 15 or 20 mins of mowing,. Hey guys, my hustler z zero turn just started blowing the 10 amp pto fuse. The electric clutch is located under the front of the frame and is bolted to the crank shaft of the engine. But what happens when this. My simplicity mower has started blowing the 20 amp fuse when my pto is engaged. It is the part that ensures a smooth and efficient operation. The electric pto clutch is easily the beating heart of your lawnmower or garden tractor. On the top of the clutch. After reading many posts regarding. In this video i describe the most common issues i see that cause the pto clutch failure and. Repairing an electric pto clutch if you are having issues with the blade not engaging or the unit is not getting sufficient energy, checking the pto clutch should be your.
From www.youtube.com
420cc cub cadet original repower update pto clutch YouTube Electric Pto Clutch Blowing Fuses Repairing an electric pto clutch if you are having issues with the blade not engaging or the unit is not getting sufficient energy, checking the pto clutch should be your. My simplicity mower has started blowing the 20 amp fuse when my pto is engaged. It is the part that ensures a smooth and efficient operation. After reading many posts. Electric Pto Clutch Blowing Fuses.
From www.diychatroom.com
Cub Cadet LT1045 PTO Issue w/ Pics DIY Home Improvement Forum Electric Pto Clutch Blowing Fuses Repairing an electric pto clutch if you are having issues with the blade not engaging or the unit is not getting sufficient energy, checking the pto clutch should be your. After reading many posts regarding. In this video i describe the most common issues i see that cause the pto clutch failure and. Hey guys, my hustler z zero turn. Electric Pto Clutch Blowing Fuses.
From www.justanswer.com
I have a cub cadet ltx1050 my 20 amp fuse blows after 10 minutes of Electric Pto Clutch Blowing Fuses Usually the 20 amp yellow atc fuse is your charging system and a 7.5 amp brown atc fuse for electric pto clutch. After reading many posts regarding. The electric pto clutch is easily the beating heart of your lawnmower or garden tractor. Hey guys, my hustler z zero turn just started blowing the 10 amp pto fuse. Repairing an electric. Electric Pto Clutch Blowing Fuses.
From www.lawnsite.com
pto clutch bolt loose...blowing fuses LawnSite™ is the largest and Electric Pto Clutch Blowing Fuses It is the part that ensures a smooth and efficient operation. Usually the 20 amp yellow atc fuse is your charging system and a 7.5 amp brown atc fuse for electric pto clutch. The electric pto clutch is easily the beating heart of your lawnmower or garden tractor. Repairing an electric pto clutch if you are having issues with the. Electric Pto Clutch Blowing Fuses.
From www.youtube.com
How to Find the Cause of a Blown Fuse on Riding Lawn Mower YouTube Electric Pto Clutch Blowing Fuses After reading many posts regarding. Repairing an electric pto clutch if you are having issues with the blade not engaging or the unit is not getting sufficient energy, checking the pto clutch should be your. Usually the 20 amp yellow atc fuse is your charging system and a 7.5 amp brown atc fuse for electric pto clutch. My simplicity mower. Electric Pto Clutch Blowing Fuses.
From www.youtube.com
Zero turn mower electrical troubleshooting YouTube Electric Pto Clutch Blowing Fuses Repairing an electric pto clutch if you are having issues with the blade not engaging or the unit is not getting sufficient energy, checking the pto clutch should be your. My simplicity mower has started blowing the 20 amp fuse when my pto is engaged. On the top of the clutch. But what happens when this. The electric pto clutch. Electric Pto Clutch Blowing Fuses.
From www.wiringdraw.com
john deere l130 pto wiring Wiring Draw And Schematic Electric Pto Clutch Blowing Fuses Hey guys, my hustler z zero turn just started blowing the 10 amp pto fuse. Usually the 20 amp yellow atc fuse is your charging system and a 7.5 amp brown atc fuse for electric pto clutch. It starts blowing it after about 15 or 20 mins of mowing,. On the top of the clutch. But what happens when this.. Electric Pto Clutch Blowing Fuses.
From manual.imagenes4k.com
Electric Pto Clutch Wiring Diagram Pto Installation And Applications Electric Pto Clutch Blowing Fuses The electric clutch is located under the front of the frame and is bolted to the crank shaft of the engine. My simplicity mower has started blowing the 20 amp fuse when my pto is engaged. It starts blowing it after about 15 or 20 mins of mowing,. But what happens when this. Usually the 20 amp yellow atc fuse. Electric Pto Clutch Blowing Fuses.
From www.lawnsite.com
pto clutch bolt loose...blowing fuses Lawn Care Forum Electric Pto Clutch Blowing Fuses The electric clutch is located under the front of the frame and is bolted to the crank shaft of the engine. My simplicity mower has started blowing the 20 amp fuse when my pto is engaged. After reading many posts regarding. On the top of the clutch. It starts blowing it after about 15 or 20 mins of mowing,. In. Electric Pto Clutch Blowing Fuses.
From www.justanswer.com
2004 dodge ram 1500 ac clutch fuse blowing Electric Pto Clutch Blowing Fuses Hey guys, my hustler z zero turn just started blowing the 10 amp pto fuse. Repairing an electric pto clutch if you are having issues with the blade not engaging or the unit is not getting sufficient energy, checking the pto clutch should be your. In this video i describe the most common issues i see that cause the pto. Electric Pto Clutch Blowing Fuses.
From www.justanswer.com
Tractor blowing fuses when engaging clutch. What should I do? Electric Pto Clutch Blowing Fuses Repairing an electric pto clutch if you are having issues with the blade not engaging or the unit is not getting sufficient energy, checking the pto clutch should be your. Usually the 20 amp yellow atc fuse is your charging system and a 7.5 amp brown atc fuse for electric pto clutch. My simplicity mower has started blowing the 20. Electric Pto Clutch Blowing Fuses.
From www.greentractortalk.com
John Deere 332 PTO switch / 25 amp fuse problems Green Tractor Talk Electric Pto Clutch Blowing Fuses After reading many posts regarding. In this video i describe the most common issues i see that cause the pto clutch failure and. The electric clutch is located under the front of the frame and is bolted to the crank shaft of the engine. It starts blowing it after about 15 or 20 mins of mowing,. Repairing an electric pto. Electric Pto Clutch Blowing Fuses.
From www.youtube.com
Zero Turn Mower Blowing Fuse YouTube Electric Pto Clutch Blowing Fuses It is the part that ensures a smooth and efficient operation. My simplicity mower has started blowing the 20 amp fuse when my pto is engaged. But what happens when this. The electric clutch is located under the front of the frame and is bolted to the crank shaft of the engine. It starts blowing it after about 15 or. Electric Pto Clutch Blowing Fuses.
From www.justanswer.com
John Deere 717A PTO Clutch Issues & 20A Fuse Blowing Solutions Expert Q&A Electric Pto Clutch Blowing Fuses My simplicity mower has started blowing the 20 amp fuse when my pto is engaged. The electric pto clutch is easily the beating heart of your lawnmower or garden tractor. Hey guys, my hustler z zero turn just started blowing the 10 amp pto fuse. It is the part that ensures a smooth and efficient operation. Usually the 20 amp. Electric Pto Clutch Blowing Fuses.
From www.justanswer.com
I am blowing my 20amp fuse when I engage the pto on my turf tiger Electric Pto Clutch Blowing Fuses But what happens when this. After reading many posts regarding. My simplicity mower has started blowing the 20 amp fuse when my pto is engaged. In this video i describe the most common issues i see that cause the pto clutch failure and. Hey guys, my hustler z zero turn just started blowing the 10 amp pto fuse. It is. Electric Pto Clutch Blowing Fuses.
From tractorproblems.com
Bad Boy Mower Electrical Problems Tractor Problems Electric Pto Clutch Blowing Fuses On the top of the clutch. After reading many posts regarding. The electric pto clutch is easily the beating heart of your lawnmower or garden tractor. But what happens when this. The electric clutch is located under the front of the frame and is bolted to the crank shaft of the engine. It starts blowing it after about 15 or. Electric Pto Clutch Blowing Fuses.
From www.justanswer.com
I am blowing my 20amp fuse when I engage the pto on my turf tiger Electric Pto Clutch Blowing Fuses Repairing an electric pto clutch if you are having issues with the blade not engaging or the unit is not getting sufficient energy, checking the pto clutch should be your. Hey guys, my hustler z zero turn just started blowing the 10 amp pto fuse. My simplicity mower has started blowing the 20 amp fuse when my pto is engaged.. Electric Pto Clutch Blowing Fuses.
From www.youtube.com
Troubleshoot Replace mower PTO CLUTCH YouTube Electric Pto Clutch Blowing Fuses On the top of the clutch. The electric clutch is located under the front of the frame and is bolted to the crank shaft of the engine. The electric pto clutch is easily the beating heart of your lawnmower or garden tractor. But what happens when this. Usually the 20 amp yellow atc fuse is your charging system and a. Electric Pto Clutch Blowing Fuses.
From manual.imagenes4k.com
Electric Pto Clutch Wiring Diagram Pto Installation And Applications Electric Pto Clutch Blowing Fuses It starts blowing it after about 15 or 20 mins of mowing,. The electric pto clutch is easily the beating heart of your lawnmower or garden tractor. Usually the 20 amp yellow atc fuse is your charging system and a 7.5 amp brown atc fuse for electric pto clutch. Hey guys, my hustler z zero turn just started blowing the. Electric Pto Clutch Blowing Fuses.
From farmergrows.com
9 Ways To Fix John Deere PTO Problems Farmer Grows Electric Pto Clutch Blowing Fuses Repairing an electric pto clutch if you are having issues with the blade not engaging or the unit is not getting sufficient energy, checking the pto clutch should be your. Usually the 20 amp yellow atc fuse is your charging system and a 7.5 amp brown atc fuse for electric pto clutch. On the top of the clutch. After reading. Electric Pto Clutch Blowing Fuses.
From manual.imagenes4k.com
Electric Pto Clutch Wiring Diagram Pto Installation And Applications Electric Pto Clutch Blowing Fuses The electric clutch is located under the front of the frame and is bolted to the crank shaft of the engine. On the top of the clutch. It is the part that ensures a smooth and efficient operation. Repairing an electric pto clutch if you are having issues with the blade not engaging or the unit is not getting sufficient. Electric Pto Clutch Blowing Fuses.
From www.vrogue.co
My Deere 445 All Wheel Steer Keeps Blowing The Main F vrogue.co Electric Pto Clutch Blowing Fuses It is the part that ensures a smooth and efficient operation. The electric clutch is located under the front of the frame and is bolted to the crank shaft of the engine. Usually the 20 amp yellow atc fuse is your charging system and a 7.5 amp brown atc fuse for electric pto clutch. In this video i describe the. Electric Pto Clutch Blowing Fuses.
From www.justanswer.com
I am blowing my 20amp fuse when I engage the pto on my turf tiger Electric Pto Clutch Blowing Fuses Repairing an electric pto clutch if you are having issues with the blade not engaging or the unit is not getting sufficient energy, checking the pto clutch should be your. The electric pto clutch is easily the beating heart of your lawnmower or garden tractor. It is the part that ensures a smooth and efficient operation. In this video i. Electric Pto Clutch Blowing Fuses.
From manual.imagenes4k.com
Electric Pto Clutch Wiring Diagram Pto Installation And Applications Electric Pto Clutch Blowing Fuses Usually the 20 amp yellow atc fuse is your charging system and a 7.5 amp brown atc fuse for electric pto clutch. The electric clutch is located under the front of the frame and is bolted to the crank shaft of the engine. In this video i describe the most common issues i see that cause the pto clutch failure. Electric Pto Clutch Blowing Fuses.
From psychoautos.com
Burning Questions Why Does My AC Clutch Fuse Keep Blowing In My Car? Electric Pto Clutch Blowing Fuses Repairing an electric pto clutch if you are having issues with the blade not engaging or the unit is not getting sufficient energy, checking the pto clutch should be your. The electric clutch is located under the front of the frame and is bolted to the crank shaft of the engine. But what happens when this. My simplicity mower has. Electric Pto Clutch Blowing Fuses.
From www.justanswer.com
I am blowing my 20amp fuse when I engage the pto on my turf tiger Electric Pto Clutch Blowing Fuses It starts blowing it after about 15 or 20 mins of mowing,. The electric pto clutch is easily the beating heart of your lawnmower or garden tractor. On the top of the clutch. Usually the 20 amp yellow atc fuse is your charging system and a 7.5 amp brown atc fuse for electric pto clutch. Repairing an electric pto clutch. Electric Pto Clutch Blowing Fuses.
From wiringdiagram.2bitboer.com
Exmark Pto Switch Wiring Diagram Wiring Diagram Electric Pto Clutch Blowing Fuses It is the part that ensures a smooth and efficient operation. Usually the 20 amp yellow atc fuse is your charging system and a 7.5 amp brown atc fuse for electric pto clutch. But what happens when this. Repairing an electric pto clutch if you are having issues with the blade not engaging or the unit is not getting sufficient. Electric Pto Clutch Blowing Fuses.
From manual.imagenes4k.com
Electric Pto Clutch Wiring Diagram Pto Installation And Applications Electric Pto Clutch Blowing Fuses The electric pto clutch is easily the beating heart of your lawnmower or garden tractor. The electric clutch is located under the front of the frame and is bolted to the crank shaft of the engine. After reading many posts regarding. Hey guys, my hustler z zero turn just started blowing the 10 amp pto fuse. It is the part. Electric Pto Clutch Blowing Fuses.
From psychoautos.com
Burning Questions Why Does My AC Clutch Fuse Keep Blowing In My Car? Electric Pto Clutch Blowing Fuses After reading many posts regarding. Repairing an electric pto clutch if you are having issues with the blade not engaging or the unit is not getting sufficient energy, checking the pto clutch should be your. It is the part that ensures a smooth and efficient operation. Hey guys, my hustler z zero turn just started blowing the 10 amp pto. Electric Pto Clutch Blowing Fuses.
From www.lawnsite.com
pto clutch bolt loose...blowing fuses LawnSite™ is the largest and Electric Pto Clutch Blowing Fuses But what happens when this. Hey guys, my hustler z zero turn just started blowing the 10 amp pto fuse. The electric clutch is located under the front of the frame and is bolted to the crank shaft of the engine. On the top of the clutch. Repairing an electric pto clutch if you are having issues with the blade. Electric Pto Clutch Blowing Fuses.
From psychoautos.com
Burning Questions Why Does My AC Clutch Fuse Keep Blowing In My Car? Electric Pto Clutch Blowing Fuses Hey guys, my hustler z zero turn just started blowing the 10 amp pto fuse. It is the part that ensures a smooth and efficient operation. In this video i describe the most common issues i see that cause the pto clutch failure and. But what happens when this. My simplicity mower has started blowing the 20 amp fuse when. Electric Pto Clutch Blowing Fuses.
From www.justanswer.com
When I engage the blades the pto fuse blows I burst 10 fuses. 30317 Electric Pto Clutch Blowing Fuses It starts blowing it after about 15 or 20 mins of mowing,. The electric pto clutch is easily the beating heart of your lawnmower or garden tractor. After reading many posts regarding. Hey guys, my hustler z zero turn just started blowing the 10 amp pto fuse. On the top of the clutch. In this video i describe the most. Electric Pto Clutch Blowing Fuses.
From www.jackssmallengines.com
Simplicity 269145501 Regent, 23 Gross HP B&S Hydro and 42 Electric Pto Clutch Blowing Fuses My simplicity mower has started blowing the 20 amp fuse when my pto is engaged. But what happens when this. On the top of the clutch. In this video i describe the most common issues i see that cause the pto clutch failure and. Hey guys, my hustler z zero turn just started blowing the 10 amp pto fuse. Usually. Electric Pto Clutch Blowing Fuses.
From manual.imagenes4k.com
Electric Pto Clutch Wiring Diagram Pto Installation And Applications Electric Pto Clutch Blowing Fuses On the top of the clutch. But what happens when this. The electric clutch is located under the front of the frame and is bolted to the crank shaft of the engine. It is the part that ensures a smooth and efficient operation. Repairing an electric pto clutch if you are having issues with the blade not engaging or the. Electric Pto Clutch Blowing Fuses.
From psychoautos.com
Burning Questions Why Does My AC Clutch Fuse Keep Blowing In My Car? Electric Pto Clutch Blowing Fuses My simplicity mower has started blowing the 20 amp fuse when my pto is engaged. On the top of the clutch. Repairing an electric pto clutch if you are having issues with the blade not engaging or the unit is not getting sufficient energy, checking the pto clutch should be your. In this video i describe the most common issues. Electric Pto Clutch Blowing Fuses.