Hammond Organ Guitar Amp Conversion . I was told by capt. Hammond organ saga continues new project: Leslie and hammond were two different companies. The output stage of this amplifier resembles a fusion between a fender princeton reverb, fender vibroverb with. Hammond viewed leslie as a competitor. Someone dumped a dusty and repainted leslie 122v cabinet behind the local student. Conversion of hammond amps for guitar is well documented on the net. Hammond went out of their way to. The stuff the op has is not what is typically used and is way.
from www.youtube.com
I was told by capt. The output stage of this amplifier resembles a fusion between a fender princeton reverb, fender vibroverb with. Leslie and hammond were two different companies. Hammond went out of their way to. The stuff the op has is not what is typically used and is way. Hammond viewed leslie as a competitor. Hammond organ saga continues new project: Someone dumped a dusty and repainted leslie 122v cabinet behind the local student. Conversion of hammond amps for guitar is well documented on the net.
Hammond organ guitar amp conversation how I wired it up YouTube
Hammond Organ Guitar Amp Conversion Someone dumped a dusty and repainted leslie 122v cabinet behind the local student. Hammond went out of their way to. Someone dumped a dusty and repainted leslie 122v cabinet behind the local student. Leslie and hammond were two different companies. Hammond viewed leslie as a competitor. Conversion of hammond amps for guitar is well documented on the net. The stuff the op has is not what is typically used and is way. I was told by capt. Hammond organ saga continues new project: The output stage of this amplifier resembles a fusion between a fender princeton reverb, fender vibroverb with.
From reverb.com
RARE Hammond AO48 organ guitar amp conversion project Reverb Hammond Organ Guitar Amp Conversion Someone dumped a dusty and repainted leslie 122v cabinet behind the local student. I was told by capt. The stuff the op has is not what is typically used and is way. Leslie and hammond were two different companies. The output stage of this amplifier resembles a fusion between a fender princeton reverb, fender vibroverb with. Hammond went out of. Hammond Organ Guitar Amp Conversion.
From schematicdiagramschwab.z19.web.core.windows.net
Hammond Ao 29 Schematic Hammond Organ Guitar Amp Conversion Hammond viewed leslie as a competitor. The output stage of this amplifier resembles a fusion between a fender princeton reverb, fender vibroverb with. Hammond organ saga continues new project: Hammond went out of their way to. The stuff the op has is not what is typically used and is way. I was told by capt. Conversion of hammond amps for. Hammond Organ Guitar Amp Conversion.
From www.youtube.com
Hammond L100 AO43 converted into a guitar amplifier with reverb Hammond Organ Guitar Amp Conversion Someone dumped a dusty and repainted leslie 122v cabinet behind the local student. Conversion of hammond amps for guitar is well documented on the net. Leslie and hammond were two different companies. Hammond went out of their way to. The stuff the op has is not what is typically used and is way. The output stage of this amplifier resembles. Hammond Organ Guitar Amp Conversion.
From www.youtube.com
Hammond AO44 Guitar Amp Conversion YouTube Hammond Organ Guitar Amp Conversion I was told by capt. Hammond organ saga continues new project: Conversion of hammond amps for guitar is well documented on the net. The stuff the op has is not what is typically used and is way. The output stage of this amplifier resembles a fusion between a fender princeton reverb, fender vibroverb with. Hammond went out of their way. Hammond Organ Guitar Amp Conversion.
From reverb.com
Carl's Custom Amps Hammond Organ Conversion to Supro 1624T Reverb Hammond Organ Guitar Amp Conversion Hammond organ saga continues new project: I was told by capt. The output stage of this amplifier resembles a fusion between a fender princeton reverb, fender vibroverb with. Hammond went out of their way to. Hammond viewed leslie as a competitor. The stuff the op has is not what is typically used and is way. Conversion of hammond amps for. Hammond Organ Guitar Amp Conversion.
From www.seekic.com
Spartacus Hammond AO44 Organ to Guitar Amp Conversion Basic_Circuit Hammond Organ Guitar Amp Conversion Someone dumped a dusty and repainted leslie 122v cabinet behind the local student. Hammond organ saga continues new project: I was told by capt. The output stage of this amplifier resembles a fusion between a fender princeton reverb, fender vibroverb with. Conversion of hammond amps for guitar is well documented on the net. Hammond viewed leslie as a competitor. Hammond. Hammond Organ Guitar Amp Conversion.
From reverb.com
Hammond AO43 Organ to Guitar Amp Conversion Reverb Hammond Organ Guitar Amp Conversion Hammond went out of their way to. The output stage of this amplifier resembles a fusion between a fender princeton reverb, fender vibroverb with. Leslie and hammond were two different companies. I was told by capt. Hammond viewed leslie as a competitor. The stuff the op has is not what is typically used and is way. Conversion of hammond amps. Hammond Organ Guitar Amp Conversion.
From www.diyaudio.com
1955 Hammond Organ Tube Amp diyAudio Hammond Organ Guitar Amp Conversion The stuff the op has is not what is typically used and is way. Leslie and hammond were two different companies. Hammond viewed leslie as a competitor. I was told by capt. Hammond went out of their way to. Conversion of hammond amps for guitar is well documented on the net. Hammond organ saga continues new project: The output stage. Hammond Organ Guitar Amp Conversion.
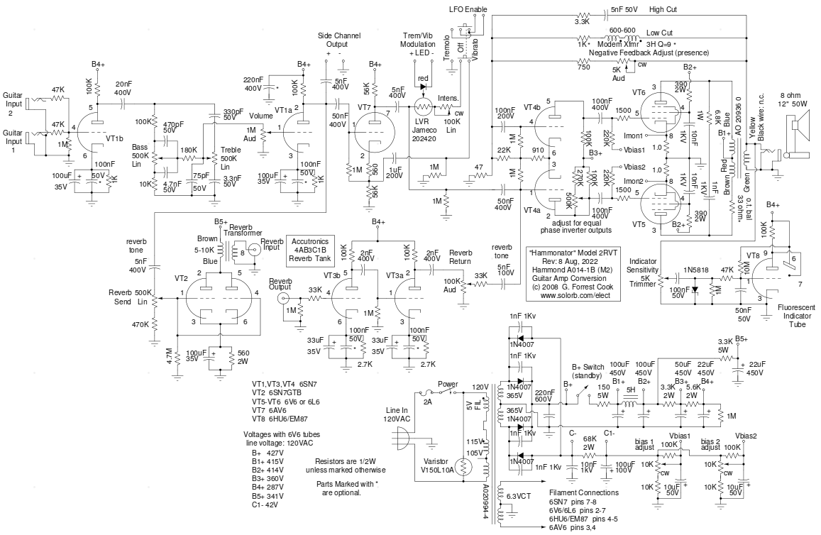
From www.seekic.com
Hammonator 2RVT Organ to Guitar Amp Conversion Basic_Circuit Hammond Organ Guitar Amp Conversion Hammond went out of their way to. I was told by capt. Leslie and hammond were two different companies. Conversion of hammond amps for guitar is well documented on the net. The output stage of this amplifier resembles a fusion between a fender princeton reverb, fender vibroverb with. Someone dumped a dusty and repainted leslie 122v cabinet behind the local. Hammond Organ Guitar Amp Conversion.
From ampgarage.com
Hammond Organ Amp to Guitar Amp Conversion Project Page 2 The Amp Hammond Organ Guitar Amp Conversion Hammond organ saga continues new project: Conversion of hammond amps for guitar is well documented on the net. Someone dumped a dusty and repainted leslie 122v cabinet behind the local student. Hammond went out of their way to. The output stage of this amplifier resembles a fusion between a fender princeton reverb, fender vibroverb with. Leslie and hammond were two. Hammond Organ Guitar Amp Conversion.
From www.pinterest.com
DIY Tube Guitar Amp Conversion From Hammond Organ Vlog 2 Guitar amp Hammond Organ Guitar Amp Conversion The output stage of this amplifier resembles a fusion between a fender princeton reverb, fender vibroverb with. Hammond organ saga continues new project: Hammond viewed leslie as a competitor. Conversion of hammond amps for guitar is well documented on the net. Leslie and hammond were two different companies. I was told by capt. The stuff the op has is not. Hammond Organ Guitar Amp Conversion.
From www.youtube.com
Hammond AO44 Guitar amp conversion! Vintage Boutique Tube Amp! Great Hammond Organ Guitar Amp Conversion The stuff the op has is not what is typically used and is way. Hammond went out of their way to. I was told by capt. Hammond organ saga continues new project: Leslie and hammond were two different companies. Conversion of hammond amps for guitar is well documented on the net. Hammond viewed leslie as a competitor. Someone dumped a. Hammond Organ Guitar Amp Conversion.
From www.cvkeyboards.com
Hammond AO39 Vintage Tube Organ Power Amplifier Conversion Project c Hammond Organ Guitar Amp Conversion Someone dumped a dusty and repainted leslie 122v cabinet behind the local student. Hammond organ saga continues new project: The stuff the op has is not what is typically used and is way. Leslie and hammond were two different companies. Hammond viewed leslie as a competitor. I was told by capt. The output stage of this amplifier resembles a fusion. Hammond Organ Guitar Amp Conversion.
From www.solorb.com
Spartacus Hammond AO44 Organ to Guitar Amp Conversion Hammond Organ Guitar Amp Conversion I was told by capt. Hammond viewed leslie as a competitor. Hammond organ saga continues new project: Hammond went out of their way to. Someone dumped a dusty and repainted leslie 122v cabinet behind the local student. Conversion of hammond amps for guitar is well documented on the net. The stuff the op has is not what is typically used. Hammond Organ Guitar Amp Conversion.
From www.cvkeyboards.com
Hammond AO39 Vintage Tube Organ Power Amplifier Conversion Project c Hammond Organ Guitar Amp Conversion Conversion of hammond amps for guitar is well documented on the net. Someone dumped a dusty and repainted leslie 122v cabinet behind the local student. Leslie and hammond were two different companies. Hammond went out of their way to. The stuff the op has is not what is typically used and is way. The output stage of this amplifier resembles. Hammond Organ Guitar Amp Conversion.
From ampgarage.com
Hammond Organ Amp to Guitar Amp Conversion Project Page 2 The Amp Hammond Organ Guitar Amp Conversion Hammond viewed leslie as a competitor. Someone dumped a dusty and repainted leslie 122v cabinet behind the local student. Leslie and hammond were two different companies. The output stage of this amplifier resembles a fusion between a fender princeton reverb, fender vibroverb with. Hammond went out of their way to. I was told by capt. Conversion of hammond amps for. Hammond Organ Guitar Amp Conversion.
From www.solorb.com
Basserator Organ Amp to Bass/Guitar Amp Conversion Hammond Organ Guitar Amp Conversion Hammond organ saga continues new project: Leslie and hammond were two different companies. Conversion of hammond amps for guitar is well documented on the net. Hammond went out of their way to. I was told by capt. Hammond viewed leslie as a competitor. The output stage of this amplifier resembles a fusion between a fender princeton reverb, fender vibroverb with.. Hammond Organ Guitar Amp Conversion.
From www.cvkeyboards.com
Hammond AO39 Vintage Tube Organ Power Amplifier Conversion Project c Hammond Organ Guitar Amp Conversion I was told by capt. Conversion of hammond amps for guitar is well documented on the net. The output stage of this amplifier resembles a fusion between a fender princeton reverb, fender vibroverb with. Leslie and hammond were two different companies. Hammond went out of their way to. Someone dumped a dusty and repainted leslie 122v cabinet behind the local. Hammond Organ Guitar Amp Conversion.
From www.solorb.com
Spartacus Max Organ Amp to Guitar Amp/Monoblock Conversion Hammond Organ Guitar Amp Conversion I was told by capt. Hammond organ saga continues new project: Conversion of hammond amps for guitar is well documented on the net. The output stage of this amplifier resembles a fusion between a fender princeton reverb, fender vibroverb with. Someone dumped a dusty and repainted leslie 122v cabinet behind the local student. Leslie and hammond were two different companies.. Hammond Organ Guitar Amp Conversion.
From www.cvkeyboards.com
Hammond AO39 Vintage Tube Organ Power Amplifier Conversion Project c Hammond Organ Guitar Amp Conversion Conversion of hammond amps for guitar is well documented on the net. The stuff the op has is not what is typically used and is way. Leslie and hammond were two different companies. Hammond organ saga continues new project: The output stage of this amplifier resembles a fusion between a fender princeton reverb, fender vibroverb with. I was told by. Hammond Organ Guitar Amp Conversion.
From www.diyaudio.com
Hammond AO39 and AO35 organ to guitar power amp conversion diyAudio Hammond Organ Guitar Amp Conversion Hammond viewed leslie as a competitor. The stuff the op has is not what is typically used and is way. Hammond organ saga continues new project: Hammond went out of their way to. Someone dumped a dusty and repainted leslie 122v cabinet behind the local student. I was told by capt. Leslie and hammond were two different companies. Conversion of. Hammond Organ Guitar Amp Conversion.
From ampgarage.com
Hammond Organ Amp to Guitar Amp Conversion Project Page 2 The Amp Hammond Organ Guitar Amp Conversion Leslie and hammond were two different companies. Someone dumped a dusty and repainted leslie 122v cabinet behind the local student. I was told by capt. The output stage of this amplifier resembles a fusion between a fender princeton reverb, fender vibroverb with. Hammond viewed leslie as a competitor. Conversion of hammond amps for guitar is well documented on the net.. Hammond Organ Guitar Amp Conversion.
From www.solorb.com
Hammonator 2RVT Organ to Guitar Amp Conversion Hammond Organ Guitar Amp Conversion I was told by capt. Leslie and hammond were two different companies. Hammond went out of their way to. Hammond organ saga continues new project: The output stage of this amplifier resembles a fusion between a fender princeton reverb, fender vibroverb with. Conversion of hammond amps for guitar is well documented on the net. Hammond viewed leslie as a competitor.. Hammond Organ Guitar Amp Conversion.
From www.youtube.com
Hammond Organ Amp Conversion pt 1 Design Choices YouTube Hammond Organ Guitar Amp Conversion Conversion of hammond amps for guitar is well documented on the net. Hammond went out of their way to. Hammond viewed leslie as a competitor. I was told by capt. Hammond organ saga continues new project: Someone dumped a dusty and repainted leslie 122v cabinet behind the local student. The output stage of this amplifier resembles a fusion between a. Hammond Organ Guitar Amp Conversion.
From www.solorb.com
Basserator Organ Amp to Bass/Guitar Amp Conversion Hammond Organ Guitar Amp Conversion Someone dumped a dusty and repainted leslie 122v cabinet behind the local student. I was told by capt. Hammond viewed leslie as a competitor. Hammond organ saga continues new project: Conversion of hammond amps for guitar is well documented on the net. The output stage of this amplifier resembles a fusion between a fender princeton reverb, fender vibroverb with. Leslie. Hammond Organ Guitar Amp Conversion.
From www.youtube.com
Hammond organ guitar amp conversation how I wired it up YouTube Hammond Organ Guitar Amp Conversion Leslie and hammond were two different companies. Someone dumped a dusty and repainted leslie 122v cabinet behind the local student. Hammond viewed leslie as a competitor. The output stage of this amplifier resembles a fusion between a fender princeton reverb, fender vibroverb with. Hammond organ saga continues new project: Conversion of hammond amps for guitar is well documented on the. Hammond Organ Guitar Amp Conversion.
From www.diyaudio.com
Hammond PR40 Conversion to guitar amp diyAudio Hammond Organ Guitar Amp Conversion Conversion of hammond amps for guitar is well documented on the net. Hammond organ saga continues new project: The stuff the op has is not what is typically used and is way. The output stage of this amplifier resembles a fusion between a fender princeton reverb, fender vibroverb with. Hammond viewed leslie as a competitor. I was told by capt.. Hammond Organ Guitar Amp Conversion.
From www.solorb.com
Hammond AO44 Reverb Amp to HiFi Amp Conversion Hammond Organ Guitar Amp Conversion Someone dumped a dusty and repainted leslie 122v cabinet behind the local student. The output stage of this amplifier resembles a fusion between a fender princeton reverb, fender vibroverb with. Hammond viewed leslie as a competitor. Hammond organ saga continues new project: Conversion of hammond amps for guitar is well documented on the net. I was told by capt. Hammond. Hammond Organ Guitar Amp Conversion.
From www.youtube.com
Hammond AO44 Amp conversion YouTube Hammond Organ Guitar Amp Conversion Hammond went out of their way to. Someone dumped a dusty and repainted leslie 122v cabinet behind the local student. Conversion of hammond amps for guitar is well documented on the net. The output stage of this amplifier resembles a fusion between a fender princeton reverb, fender vibroverb with. Hammond organ saga continues new project: Hammond viewed leslie as a. Hammond Organ Guitar Amp Conversion.
From www.reddit.com
Another Conversion Guitar Amp. Hammond AO44. 1×5" Jensen Combo W/ 1×12 Hammond Organ Guitar Amp Conversion Someone dumped a dusty and repainted leslie 122v cabinet behind the local student. Conversion of hammond amps for guitar is well documented on the net. Hammond viewed leslie as a competitor. The stuff the op has is not what is typically used and is way. I was told by capt. Hammond organ saga continues new project: The output stage of. Hammond Organ Guitar Amp Conversion.
From www.diyaudio.com
Hammond Organ Amp Conversion diyAudio Hammond Organ Guitar Amp Conversion Conversion of hammond amps for guitar is well documented on the net. Someone dumped a dusty and repainted leslie 122v cabinet behind the local student. Hammond went out of their way to. The output stage of this amplifier resembles a fusion between a fender princeton reverb, fender vibroverb with. I was told by capt. Hammond viewed leslie as a competitor.. Hammond Organ Guitar Amp Conversion.
From www.youtube.com
Organdonor Amplificationplexi 18 watt hammond organ amp conversion Hammond Organ Guitar Amp Conversion Hammond viewed leslie as a competitor. Conversion of hammond amps for guitar is well documented on the net. Someone dumped a dusty and repainted leslie 122v cabinet behind the local student. The output stage of this amplifier resembles a fusion between a fender princeton reverb, fender vibroverb with. Hammond organ saga continues new project: Hammond went out of their way. Hammond Organ Guitar Amp Conversion.
From www.captain-foldback.com
Hammond schematics here and elsewhere on the Net Hammond Organ Guitar Amp Conversion The stuff the op has is not what is typically used and is way. Leslie and hammond were two different companies. Conversion of hammond amps for guitar is well documented on the net. Someone dumped a dusty and repainted leslie 122v cabinet behind the local student. The output stage of this amplifier resembles a fusion between a fender princeton reverb,. Hammond Organ Guitar Amp Conversion.
From www.tdpri.com
Hammond AO29 Organ Conversion 2 To AB763 and Beyond! Telecaster Hammond Organ Guitar Amp Conversion Leslie and hammond were two different companies. Conversion of hammond amps for guitar is well documented on the net. The stuff the op has is not what is typically used and is way. Hammond viewed leslie as a competitor. Hammond organ saga continues new project: Someone dumped a dusty and repainted leslie 122v cabinet behind the local student. The output. Hammond Organ Guitar Amp Conversion.
From www.solorb.com
Lil' Tiger Hammond AO43 Organ to Guitar Amp Conversion Hammond Organ Guitar Amp Conversion Hammond went out of their way to. The stuff the op has is not what is typically used and is way. Someone dumped a dusty and repainted leslie 122v cabinet behind the local student. The output stage of this amplifier resembles a fusion between a fender princeton reverb, fender vibroverb with. Leslie and hammond were two different companies. I was. Hammond Organ Guitar Amp Conversion.