Pressure Vessel Saddle Calculation . Perform analysis of a horizontal vessel supported on two saddles. The analysis reveals the zone of high localized stress at the. Stresses are calculated using mathematical approach and ansys software. The analysis reveals the zone of high localized stress at the junction part of the pressure. Stresses are calculated using mathematical approach and ansys software. Compress investigates shipment loads applied to the three principle axes of the vessel and determines the resulting stresses in the shell and the saddle. The task is accomplished by analysis of pressure vessel and saddle by finite element analysis (fea) based software pv elite. The program performs a complete analysis of teh vessels based. This article evaluates and compares permissible saddle reactions for horizontal pressure vessels resting on two symmetrically.
from www.excelcalcs.com
This article evaluates and compares permissible saddle reactions for horizontal pressure vessels resting on two symmetrically. The program performs a complete analysis of teh vessels based. Perform analysis of a horizontal vessel supported on two saddles. The analysis reveals the zone of high localized stress at the. The task is accomplished by analysis of pressure vessel and saddle by finite element analysis (fea) based software pv elite. Compress investigates shipment loads applied to the three principle axes of the vessel and determines the resulting stresses in the shell and the saddle. The analysis reveals the zone of high localized stress at the junction part of the pressure. Stresses are calculated using mathematical approach and ansys software. Stresses are calculated using mathematical approach and ansys software.
Pressure Vessel(21 ellipsoidal head type) Volume Calculation
Pressure Vessel Saddle Calculation This article evaluates and compares permissible saddle reactions for horizontal pressure vessels resting on two symmetrically. Stresses are calculated using mathematical approach and ansys software. The analysis reveals the zone of high localized stress at the junction part of the pressure. The task is accomplished by analysis of pressure vessel and saddle by finite element analysis (fea) based software pv elite. Compress investigates shipment loads applied to the three principle axes of the vessel and determines the resulting stresses in the shell and the saddle. The program performs a complete analysis of teh vessels based. This article evaluates and compares permissible saddle reactions for horizontal pressure vessels resting on two symmetrically. The analysis reveals the zone of high localized stress at the. Perform analysis of a horizontal vessel supported on two saddles. Stresses are calculated using mathematical approach and ansys software.
From whatispiping.com
Brief Explanation of Major Pressure Vessel Parts What Is Piping Pressure Vessel Saddle Calculation Stresses are calculated using mathematical approach and ansys software. The analysis reveals the zone of high localized stress at the. The task is accomplished by analysis of pressure vessel and saddle by finite element analysis (fea) based software pv elite. The program performs a complete analysis of teh vessels based. The analysis reveals the zone of high localized stress at. Pressure Vessel Saddle Calculation.
From www.mdpi.com
Designs Free FullText Design and Analysis of a Typical Vertical Pressure Vessel Saddle Calculation Stresses are calculated using mathematical approach and ansys software. This article evaluates and compares permissible saddle reactions for horizontal pressure vessels resting on two symmetrically. Compress investigates shipment loads applied to the three principle axes of the vessel and determines the resulting stresses in the shell and the saddle. The analysis reveals the zone of high localized stress at the.. Pressure Vessel Saddle Calculation.
From www.chegg.com
Solved Project Design a horizontal pressure vessel Known Pressure Vessel Saddle Calculation Stresses are calculated using mathematical approach and ansys software. The program performs a complete analysis of teh vessels based. The analysis reveals the zone of high localized stress at the junction part of the pressure. This article evaluates and compares permissible saddle reactions for horizontal pressure vessels resting on two symmetrically. Stresses are calculated using mathematical approach and ansys software.. Pressure Vessel Saddle Calculation.
From www.youtube.com
Pressure Vessel Saddle Design in Solidworks 001 YouTube Pressure Vessel Saddle Calculation The task is accomplished by analysis of pressure vessel and saddle by finite element analysis (fea) based software pv elite. This article evaluates and compares permissible saddle reactions for horizontal pressure vessels resting on two symmetrically. Stresses are calculated using mathematical approach and ansys software. The program performs a complete analysis of teh vessels based. Perform analysis of a horizontal. Pressure Vessel Saddle Calculation.
From mavink.com
Pressure Vessel Design Calculation Pressure Vessel Saddle Calculation The analysis reveals the zone of high localized stress at the. Compress investigates shipment loads applied to the three principle axes of the vessel and determines the resulting stresses in the shell and the saddle. Stresses are calculated using mathematical approach and ansys software. The program performs a complete analysis of teh vessels based. This article evaluates and compares permissible. Pressure Vessel Saddle Calculation.
From www.youtube.com
Tutorial FEA pada Struktur Pressure Vessel Saddle Menggunakan MSC Apex Pressure Vessel Saddle Calculation Stresses are calculated using mathematical approach and ansys software. The analysis reveals the zone of high localized stress at the. This article evaluates and compares permissible saddle reactions for horizontal pressure vessels resting on two symmetrically. The program performs a complete analysis of teh vessels based. Compress investigates shipment loads applied to the three principle axes of the vessel and. Pressure Vessel Saddle Calculation.
From www.excelcalcs.com
Pressure Vessel(21 ellipsoidal head type) Volume Calculation Pressure Vessel Saddle Calculation Stresses are calculated using mathematical approach and ansys software. Stresses are calculated using mathematical approach and ansys software. The analysis reveals the zone of high localized stress at the. The task is accomplished by analysis of pressure vessel and saddle by finite element analysis (fea) based software pv elite. Compress investigates shipment loads applied to the three principle axes of. Pressure Vessel Saddle Calculation.
From robusttank.com
Pressure Vessel type cylindrical, horizontal with steel saddles or Pressure Vessel Saddle Calculation This article evaluates and compares permissible saddle reactions for horizontal pressure vessels resting on two symmetrically. The analysis reveals the zone of high localized stress at the junction part of the pressure. Stresses are calculated using mathematical approach and ansys software. The program performs a complete analysis of teh vessels based. Perform analysis of a horizontal vessel supported on two. Pressure Vessel Saddle Calculation.
From www.semanticscholar.org
Figure 3 from Design of Saddle Support for Horizontal Pressure Vessel Pressure Vessel Saddle Calculation Compress investigates shipment loads applied to the three principle axes of the vessel and determines the resulting stresses in the shell and the saddle. Stresses are calculated using mathematical approach and ansys software. The analysis reveals the zone of high localized stress at the. Perform analysis of a horizontal vessel supported on two saddles. The analysis reveals the zone of. Pressure Vessel Saddle Calculation.
From grabcad.com
Free CAD Designs, Files & 3D Models The GrabCAD Community Library Pressure Vessel Saddle Calculation This article evaluates and compares permissible saddle reactions for horizontal pressure vessels resting on two symmetrically. The task is accomplished by analysis of pressure vessel and saddle by finite element analysis (fea) based software pv elite. Stresses are calculated using mathematical approach and ansys software. The analysis reveals the zone of high localized stress at the junction part of the. Pressure Vessel Saddle Calculation.
From www.apitank.co.kr
Horizontal Vessel Saddle Calculation Pressure Vessel Saddle Calculation The task is accomplished by analysis of pressure vessel and saddle by finite element analysis (fea) based software pv elite. Stresses are calculated using mathematical approach and ansys software. The analysis reveals the zone of high localized stress at the junction part of the pressure. The program performs a complete analysis of teh vessels based. Perform analysis of a horizontal. Pressure Vessel Saddle Calculation.
From mechanical-petrochemical.blogspot.com
books, softwares for mechanical and petrochemical industry Pressure Pressure Vessel Saddle Calculation Stresses are calculated using mathematical approach and ansys software. The analysis reveals the zone of high localized stress at the. Stresses are calculated using mathematical approach and ansys software. This article evaluates and compares permissible saddle reactions for horizontal pressure vessels resting on two symmetrically. Compress investigates shipment loads applied to the three principle axes of the vessel and determines. Pressure Vessel Saddle Calculation.
From www.pveng.com
Hand Calculations Pressure Vessel Engineering Pressure Vessel Saddle Calculation Perform analysis of a horizontal vessel supported on two saddles. The task is accomplished by analysis of pressure vessel and saddle by finite element analysis (fea) based software pv elite. The program performs a complete analysis of teh vessels based. Stresses are calculated using mathematical approach and ansys software. The analysis reveals the zone of high localized stress at the.. Pressure Vessel Saddle Calculation.
From www.youtube.com
Pressure Vessel Fabrication Vessels Supports Detailing Part7 Let Pressure Vessel Saddle Calculation Compress investigates shipment loads applied to the three principle axes of the vessel and determines the resulting stresses in the shell and the saddle. The analysis reveals the zone of high localized stress at the junction part of the pressure. The analysis reveals the zone of high localized stress at the. The program performs a complete analysis of teh vessels. Pressure Vessel Saddle Calculation.
From www.slideshare.net
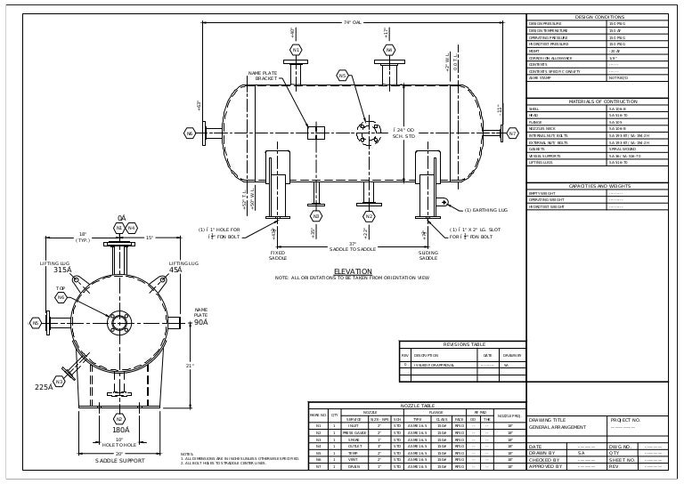
PRESSURE VESSEL NEWGENERAL ARRANGEMENT Pressure Vessel Saddle Calculation The program performs a complete analysis of teh vessels based. Perform analysis of a horizontal vessel supported on two saddles. The task is accomplished by analysis of pressure vessel and saddle by finite element analysis (fea) based software pv elite. Stresses are calculated using mathematical approach and ansys software. Stresses are calculated using mathematical approach and ansys software. Compress investigates. Pressure Vessel Saddle Calculation.
From www.codeware.com
Designing Shipping Saddles With COMPRESS Codeware Pressure Vessel Saddle Calculation Perform analysis of a horizontal vessel supported on two saddles. The analysis reveals the zone of high localized stress at the junction part of the pressure. The program performs a complete analysis of teh vessels based. Stresses are calculated using mathematical approach and ansys software. The analysis reveals the zone of high localized stress at the. Compress investigates shipment loads. Pressure Vessel Saddle Calculation.
From chemicalengineeringworld.com
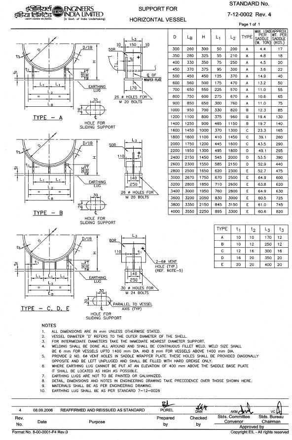
Types of Supports for Vessels Chemical Engineering World Pressure Vessel Saddle Calculation Compress investigates shipment loads applied to the three principle axes of the vessel and determines the resulting stresses in the shell and the saddle. Stresses are calculated using mathematical approach and ansys software. The analysis reveals the zone of high localized stress at the junction part of the pressure. Stresses are calculated using mathematical approach and ansys software. This article. Pressure Vessel Saddle Calculation.
From www.pveng.com
Horizontal Retention Vessel Pressure Vessel Engineering Pressure Vessel Saddle Calculation The analysis reveals the zone of high localized stress at the junction part of the pressure. This article evaluates and compares permissible saddle reactions for horizontal pressure vessels resting on two symmetrically. The program performs a complete analysis of teh vessels based. Compress investigates shipment loads applied to the three principle axes of the vessel and determines the resulting stresses. Pressure Vessel Saddle Calculation.
From www.apitank.co.kr
Horizontal Vessel Saddle Calculation Pressure Vessel Saddle Calculation The task is accomplished by analysis of pressure vessel and saddle by finite element analysis (fea) based software pv elite. Stresses are calculated using mathematical approach and ansys software. Stresses are calculated using mathematical approach and ansys software. This article evaluates and compares permissible saddle reactions for horizontal pressure vessels resting on two symmetrically. The analysis reveals the zone of. Pressure Vessel Saddle Calculation.
From www.semanticscholar.org
[PDF] Zick Method Adaptation for Horizontal Cylindrical Vessels (H.C.V Pressure Vessel Saddle Calculation Compress investigates shipment loads applied to the three principle axes of the vessel and determines the resulting stresses in the shell and the saddle. The task is accomplished by analysis of pressure vessel and saddle by finite element analysis (fea) based software pv elite. The analysis reveals the zone of high localized stress at the. The program performs a complete. Pressure Vessel Saddle Calculation.
From technicalsketchinganddrawing.blogspot.com
external pressure vessel design calculation xls Pressure Vessel Saddle Calculation Stresses are calculated using mathematical approach and ansys software. Stresses are calculated using mathematical approach and ansys software. The analysis reveals the zone of high localized stress at the. Perform analysis of a horizontal vessel supported on two saddles. This article evaluates and compares permissible saddle reactions for horizontal pressure vessels resting on two symmetrically. The program performs a complete. Pressure Vessel Saddle Calculation.
From kezareng.com
Saddle Support Design Pressure Vessel Saddle Calculation Stresses are calculated using mathematical approach and ansys software. The task is accomplished by analysis of pressure vessel and saddle by finite element analysis (fea) based software pv elite. The analysis reveals the zone of high localized stress at the. Perform analysis of a horizontal vessel supported on two saddles. The analysis reveals the zone of high localized stress at. Pressure Vessel Saddle Calculation.
From www.semanticscholar.org
Design and Optimization of Saddle For Horizontal Pressure Vessel Pressure Vessel Saddle Calculation The analysis reveals the zone of high localized stress at the junction part of the pressure. The task is accomplished by analysis of pressure vessel and saddle by finite element analysis (fea) based software pv elite. Stresses are calculated using mathematical approach and ansys software. This article evaluates and compares permissible saddle reactions for horizontal pressure vessels resting on two. Pressure Vessel Saddle Calculation.
From www.apitank.co.kr
Horizontal Vessel Saddle Calculation Pressure Vessel Saddle Calculation Stresses are calculated using mathematical approach and ansys software. The analysis reveals the zone of high localized stress at the junction part of the pressure. The program performs a complete analysis of teh vessels based. Perform analysis of a horizontal vessel supported on two saddles. The analysis reveals the zone of high localized stress at the. Compress investigates shipment loads. Pressure Vessel Saddle Calculation.
From www.eng-tips.com
Centre of gravity Boiler and Pressure Vessel engineering EngTips Pressure Vessel Saddle Calculation The analysis reveals the zone of high localized stress at the junction part of the pressure. Compress investigates shipment loads applied to the three principle axes of the vessel and determines the resulting stresses in the shell and the saddle. This article evaluates and compares permissible saddle reactions for horizontal pressure vessels resting on two symmetrically. The analysis reveals the. Pressure Vessel Saddle Calculation.
From www.youtube.com
Shell Thickness Calculation under External Pressure in Pressure Vessels Pressure Vessel Saddle Calculation The analysis reveals the zone of high localized stress at the junction part of the pressure. This article evaluates and compares permissible saddle reactions for horizontal pressure vessels resting on two symmetrically. Stresses are calculated using mathematical approach and ansys software. Compress investigates shipment loads applied to the three principle axes of the vessel and determines the resulting stresses in. Pressure Vessel Saddle Calculation.
From www.mdpi.com
Designs Free FullText Design and Analysis of a Typical Vertical Pressure Vessel Saddle Calculation Perform analysis of a horizontal vessel supported on two saddles. The program performs a complete analysis of teh vessels based. The analysis reveals the zone of high localized stress at the. Compress investigates shipment loads applied to the three principle axes of the vessel and determines the resulting stresses in the shell and the saddle. Stresses are calculated using mathematical. Pressure Vessel Saddle Calculation.
From www.youtube.com
3D pressure vessel design software, Support Saddle YouTube Pressure Vessel Saddle Calculation This article evaluates and compares permissible saddle reactions for horizontal pressure vessels resting on two symmetrically. The program performs a complete analysis of teh vessels based. Stresses are calculated using mathematical approach and ansys software. The analysis reveals the zone of high localized stress at the. The analysis reveals the zone of high localized stress at the junction part of. Pressure Vessel Saddle Calculation.
From www.semanticscholar.org
Design and Optimization of Saddle For Horizontal Pressure Vessel Pressure Vessel Saddle Calculation The task is accomplished by analysis of pressure vessel and saddle by finite element analysis (fea) based software pv elite. The program performs a complete analysis of teh vessels based. The analysis reveals the zone of high localized stress at the. The analysis reveals the zone of high localized stress at the junction part of the pressure. Perform analysis of. Pressure Vessel Saddle Calculation.
From www.linkedin.com
Safety Guidelines for Operating and Handling Pressure Vessels Pressure Vessel Saddle Calculation The analysis reveals the zone of high localized stress at the. Stresses are calculated using mathematical approach and ansys software. The task is accomplished by analysis of pressure vessel and saddle by finite element analysis (fea) based software pv elite. Perform analysis of a horizontal vessel supported on two saddles. Stresses are calculated using mathematical approach and ansys software. The. Pressure Vessel Saddle Calculation.
From www.youtube.com
How to design an external pressure vessel in ANSYS 2021 (Eigenvalue Pressure Vessel Saddle Calculation Compress investigates shipment loads applied to the three principle axes of the vessel and determines the resulting stresses in the shell and the saddle. Stresses are calculated using mathematical approach and ansys software. The analysis reveals the zone of high localized stress at the junction part of the pressure. This article evaluates and compares permissible saddle reactions for horizontal pressure. Pressure Vessel Saddle Calculation.
From www.youtube.com
Pressure vessel Design Part4 Saddle Design as per ASME YouTube Pressure Vessel Saddle Calculation The analysis reveals the zone of high localized stress at the. This article evaluates and compares permissible saddle reactions for horizontal pressure vessels resting on two symmetrically. Stresses are calculated using mathematical approach and ansys software. The task is accomplished by analysis of pressure vessel and saddle by finite element analysis (fea) based software pv elite. The analysis reveals the. Pressure Vessel Saddle Calculation.
From dedisumaha.blogspot.com
Mechanical Calculations Support on Pressure Vessel Pressure Vessel Saddle Calculation Perform analysis of a horizontal vessel supported on two saddles. This article evaluates and compares permissible saddle reactions for horizontal pressure vessels resting on two symmetrically. The program performs a complete analysis of teh vessels based. The task is accomplished by analysis of pressure vessel and saddle by finite element analysis (fea) based software pv elite. Compress investigates shipment loads. Pressure Vessel Saddle Calculation.
From www.americanpoleandtimber.com
Wood Pressure Vessel Saddles BuilttoSpec Hardwood Saddles Pressure Vessel Saddle Calculation Stresses are calculated using mathematical approach and ansys software. Perform analysis of a horizontal vessel supported on two saddles. The analysis reveals the zone of high localized stress at the. Stresses are calculated using mathematical approach and ansys software. The analysis reveals the zone of high localized stress at the junction part of the pressure. This article evaluates and compares. Pressure Vessel Saddle Calculation.
From www.youtube.com
Saddle Support of Pressure Vessel Tutorial in Autocad YouTube Pressure Vessel Saddle Calculation Compress investigates shipment loads applied to the three principle axes of the vessel and determines the resulting stresses in the shell and the saddle. The analysis reveals the zone of high localized stress at the junction part of the pressure. The task is accomplished by analysis of pressure vessel and saddle by finite element analysis (fea) based software pv elite.. Pressure Vessel Saddle Calculation.