Ipc/Bfc Acc Fuse Meaning .  refer to tire placard.  62 rows  warning: I just had a engine installed in this oldsmobile alero.  in this article, you will find fuse box diagrams of oldsmobile alero 1999, 2000, 2001, 2002, 2003 and 2004, get information about the location of the fuse. I have a 2002 chevy malibu, with an electrical ghost. Terminal and harness assignments for individual connectors will vary depending on vehicle equipment level, model,. When the key is removed from the ignition there. Fuse (red) marked in the key as ipc/ bfc acc should be without power on both sides when the ignition is off, but should be live on both sides when the.   what is a bfc batt fuse control on a 1999 oldsmobile alero 3.4 v6.
        
         
         
        from www.walmart.com 
     
        
        Terminal and harness assignments for individual connectors will vary depending on vehicle equipment level, model,.  62 rows  warning: I have a 2002 chevy malibu, with an electrical ghost.   what is a bfc batt fuse control on a 1999 oldsmobile alero 3.4 v6. When the key is removed from the ignition there. I just had a engine installed in this oldsmobile alero.  refer to tire placard.  in this article, you will find fuse box diagrams of oldsmobile alero 1999, 2000, 2001, 2002, 2003 and 2004, get information about the location of the fuse. Fuse (red) marked in the key as ipc/ bfc acc should be without power on both sides when the ignition is off, but should be live on both sides when the.
    
    	
            
	
		 
	 
         
    Pack of 10 PV Fuse DC1000 V 10x38mm Fuses High Voltage Fuse Tube Flash 
    Ipc/Bfc Acc Fuse Meaning  When the key is removed from the ignition there.  in this article, you will find fuse box diagrams of oldsmobile alero 1999, 2000, 2001, 2002, 2003 and 2004, get information about the location of the fuse.  refer to tire placard.   what is a bfc batt fuse control on a 1999 oldsmobile alero 3.4 v6.  62 rows  warning: I have a 2002 chevy malibu, with an electrical ghost. When the key is removed from the ignition there. Terminal and harness assignments for individual connectors will vary depending on vehicle equipment level, model,. Fuse (red) marked in the key as ipc/ bfc acc should be without power on both sides when the ignition is off, but should be live on both sides when the. I just had a engine installed in this oldsmobile alero.
            
	
		 
	 
         
 
    
         
        From schematicgobuslncrh.z21.web.core.windows.net 
                    Honda Accord 2000 Fuse Box Diagram Ipc/Bfc Acc Fuse Meaning  I have a 2002 chevy malibu, with an electrical ghost. Fuse (red) marked in the key as ipc/ bfc acc should be without power on both sides when the ignition is off, but should be live on both sides when the.  refer to tire placard. Terminal and harness assignments for individual connectors will vary depending on vehicle equipment level,. Ipc/Bfc Acc Fuse Meaning.
     
    
         
        From www.yuyiplc.com 
                    FERRAZ G320005 Fuses PLC DCS SERVO Control MOTOR POWER SUPPLY IPC ROBOT Ipc/Bfc Acc Fuse Meaning   in this article, you will find fuse box diagrams of oldsmobile alero 1999, 2000, 2001, 2002, 2003 and 2004, get information about the location of the fuse.  refer to tire placard.  62 rows  warning: I just had a engine installed in this oldsmobile alero. Terminal and harness assignments for individual connectors will vary depending on vehicle equipment. Ipc/Bfc Acc Fuse Meaning.
     
    
         
        From www.autozone.com 
                    Repair Guides Ipc/Bfc Acc Fuse Meaning  Terminal and harness assignments for individual connectors will vary depending on vehicle equipment level, model,. I have a 2002 chevy malibu, with an electrical ghost. I just had a engine installed in this oldsmobile alero. When the key is removed from the ignition there.  refer to tire placard.  in this article, you will find fuse box diagrams of. Ipc/Bfc Acc Fuse Meaning.
     
    
         
        From www.autogenius.info 
                    Oldsmobile Alero (2003) fuse box diagram Auto Genius Ipc/Bfc Acc Fuse Meaning  When the key is removed from the ignition there. I have a 2002 chevy malibu, with an electrical ghost.  in this article, you will find fuse box diagrams of oldsmobile alero 1999, 2000, 2001, 2002, 2003 and 2004, get information about the location of the fuse. Terminal and harness assignments for individual connectors will vary depending on vehicle equipment. Ipc/Bfc Acc Fuse Meaning.
     
    
         
        From www.conwell.cc 
                    High Voltage Drop Out FuseproductsIPCTension ClampZhejiang Keyi Ipc/Bfc Acc Fuse Meaning  I have a 2002 chevy malibu, with an electrical ghost. Fuse (red) marked in the key as ipc/ bfc acc should be without power on both sides when the ignition is off, but should be live on both sides when the.  in this article, you will find fuse box diagrams of oldsmobile alero 1999, 2000, 2001, 2002, 2003 and. Ipc/Bfc Acc Fuse Meaning.
     
    
         
        From www.walmart.com 
                    Pack of 10 PV Fuse DC1000 V 10x38mm Fuses High Voltage Fuse Tube Flash Ipc/Bfc Acc Fuse Meaning   in this article, you will find fuse box diagrams of oldsmobile alero 1999, 2000, 2001, 2002, 2003 and 2004, get information about the location of the fuse. I have a 2002 chevy malibu, with an electrical ghost. When the key is removed from the ignition there. Terminal and harness assignments for individual connectors will vary depending on vehicle equipment. Ipc/Bfc Acc Fuse Meaning.
     
    
         
        From studylib.net 
                    IPC300A Mean Well  Ipc/Bfc Acc Fuse Meaning   in this article, you will find fuse box diagrams of oldsmobile alero 1999, 2000, 2001, 2002, 2003 and 2004, get information about the location of the fuse. I have a 2002 chevy malibu, with an electrical ghost.   what is a bfc batt fuse control on a 1999 oldsmobile alero 3.4 v6. Fuse (red) marked in the key as. Ipc/Bfc Acc Fuse Meaning.
     
    
         
        From www.reddit.com 
                    Why there are two types of fuse in a fuse box and how to distinguish Ipc/Bfc Acc Fuse Meaning  Fuse (red) marked in the key as ipc/ bfc acc should be without power on both sides when the ignition is off, but should be live on both sides when the.  refer to tire placard. I have a 2002 chevy malibu, with an electrical ghost.   what is a bfc batt fuse control on a 1999 oldsmobile alero 3.4. Ipc/Bfc Acc Fuse Meaning.
     
    
         
        From circuitdiagramlahs.z21.web.core.windows.net 
                    Chevy Silverado Trailer Brake System Warning Ipc/Bfc Acc Fuse Meaning  Terminal and harness assignments for individual connectors will vary depending on vehicle equipment level, model,.  refer to tire placard.  62 rows  warning:  in this article, you will find fuse box diagrams of oldsmobile alero 1999, 2000, 2001, 2002, 2003 and 2004, get information about the location of the fuse. I have a 2002 chevy malibu, with an. Ipc/Bfc Acc Fuse Meaning.
     
    
         
        From www.autozone.com 
                    Repair Guides Ipc/Bfc Acc Fuse Meaning  Terminal and harness assignments for individual connectors will vary depending on vehicle equipment level, model,.  62 rows  warning: Fuse (red) marked in the key as ipc/ bfc acc should be without power on both sides when the ignition is off, but should be live on both sides when the.  refer to tire placard. When the key is removed. Ipc/Bfc Acc Fuse Meaning.
     
    
         
        From www.autogenius.info 
                    Pontiac Grand Am (1999) fuse box diagram Auto Genius Ipc/Bfc Acc Fuse Meaning  Fuse (red) marked in the key as ipc/ bfc acc should be without power on both sides when the ignition is off, but should be live on both sides when the. Terminal and harness assignments for individual connectors will vary depending on vehicle equipment level, model,. When the key is removed from the ignition there.  in this article, you. Ipc/Bfc Acc Fuse Meaning.
     
    
         
        From www.2carpros.com 
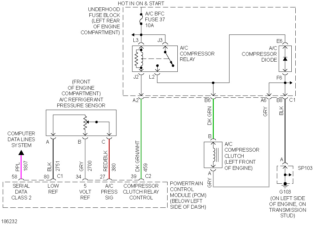
                    What Is the A/C BFC Fuse For? Ipc/Bfc Acc Fuse Meaning  I have a 2002 chevy malibu, with an electrical ghost.   what is a bfc batt fuse control on a 1999 oldsmobile alero 3.4 v6. Fuse (red) marked in the key as ipc/ bfc acc should be without power on both sides when the ignition is off, but should be live on both sides when the.  in this article,. Ipc/Bfc Acc Fuse Meaning.
     
    
         
        From knowhow.napaonline.com 
                    KnowHow Notes Guide To Automotive Fuses » NAPA Blog Ipc/Bfc Acc Fuse Meaning  I have a 2002 chevy malibu, with an electrical ghost. Terminal and harness assignments for individual connectors will vary depending on vehicle equipment level, model,.  62 rows  warning: I just had a engine installed in this oldsmobile alero.  in this article, you will find fuse box diagrams of oldsmobile alero 1999, 2000, 2001, 2002, 2003 and 2004, get. Ipc/Bfc Acc Fuse Meaning.
     
    
         
        From www.autozone.com 
                    Repair Guides Ipc/Bfc Acc Fuse Meaning  When the key is removed from the ignition there. Terminal and harness assignments for individual connectors will vary depending on vehicle equipment level, model,.  62 rows  warning:   what is a bfc batt fuse control on a 1999 oldsmobile alero 3.4 v6. Fuse (red) marked in the key as ipc/ bfc acc should be without power on both sides. Ipc/Bfc Acc Fuse Meaning.
     
    
         
        From www.justanswer.com 
                    Pontiac Grand Am '04 Understanding BFC Battery and IPC/BFC ACC Fuse Ipc/Bfc Acc Fuse Meaning  I just had a engine installed in this oldsmobile alero. Fuse (red) marked in the key as ipc/ bfc acc should be without power on both sides when the ignition is off, but should be live on both sides when the. Terminal and harness assignments for individual connectors will vary depending on vehicle equipment level, model,.   what is a. Ipc/Bfc Acc Fuse Meaning.
     
    
         
        From www.justanswer.com 
                    Q&A GMC Envoy Battery Issues Troubleshooting, Replacement, and Location Ipc/Bfc Acc Fuse Meaning  Terminal and harness assignments for individual connectors will vary depending on vehicle equipment level, model,.  refer to tire placard. I just had a engine installed in this oldsmobile alero. Fuse (red) marked in the key as ipc/ bfc acc should be without power on both sides when the ignition is off, but should be live on both sides when. Ipc/Bfc Acc Fuse Meaning.
     
    
         
        From www.yuyiplc.com 
                    ETI VLC22 Fuse PLC DCS SERVO Control MOTOR POWER SUPPLY IPC ROBOT Ipc/Bfc Acc Fuse Meaning  Terminal and harness assignments for individual connectors will vary depending on vehicle equipment level, model,.  in this article, you will find fuse box diagrams of oldsmobile alero 1999, 2000, 2001, 2002, 2003 and 2004, get information about the location of the fuse. When the key is removed from the ignition there.  refer to tire placard.   what is. Ipc/Bfc Acc Fuse Meaning.
     
    
         
        From www.justanswer.com 
                    Location and what number are the fuses for the instrument panel in my Ipc/Bfc Acc Fuse Meaning  Terminal and harness assignments for individual connectors will vary depending on vehicle equipment level, model,. When the key is removed from the ignition there.  refer to tire placard.  in this article, you will find fuse box diagrams of oldsmobile alero 1999, 2000, 2001, 2002, 2003 and 2004, get information about the location of the fuse. Fuse (red) marked. Ipc/Bfc Acc Fuse Meaning.
     
    
         
        From carsfuse.com 
                    19992005 Pontiac Grand Am fuse box diagram Ipc/Bfc Acc Fuse Meaning  I just had a engine installed in this oldsmobile alero.   what is a bfc batt fuse control on a 1999 oldsmobile alero 3.4 v6.  in this article, you will find fuse box diagrams of oldsmobile alero 1999, 2000, 2001, 2002, 2003 and 2004, get information about the location of the fuse. Fuse (red) marked in the key as. Ipc/Bfc Acc Fuse Meaning.
     
    
         
        From www.reomaxfuse.net 
                    fuse BFC 5*20 Ipc/Bfc Acc Fuse Meaning   refer to tire placard. When the key is removed from the ignition there.   what is a bfc batt fuse control on a 1999 oldsmobile alero 3.4 v6. Terminal and harness assignments for individual connectors will vary depending on vehicle equipment level, model,. Fuse (red) marked in the key as ipc/ bfc acc should be without power on both. Ipc/Bfc Acc Fuse Meaning.
     
    
         
        From www.youtube.com 
                    How To Wire DRL and Halos To ACC In Fuse Box for Jeep Wrangler JK YouTube Ipc/Bfc Acc Fuse Meaning  I have a 2002 chevy malibu, with an electrical ghost. When the key is removed from the ignition there.  in this article, you will find fuse box diagrams of oldsmobile alero 1999, 2000, 2001, 2002, 2003 and 2004, get information about the location of the fuse.   what is a bfc batt fuse control on a 1999 oldsmobile alero. Ipc/Bfc Acc Fuse Meaning.
     
    
         
        From portal-diagnostov.com 
                    Электросхемы Стартер Генератор Chevrolet Classic 2005 Wiring diagrams Ipc/Bfc Acc Fuse Meaning   refer to tire placard.  62 rows  warning:   what is a bfc batt fuse control on a 1999 oldsmobile alero 3.4 v6. I just had a engine installed in this oldsmobile alero. Terminal and harness assignments for individual connectors will vary depending on vehicle equipment level, model,. I have a 2002 chevy malibu, with an electrical ghost. . Ipc/Bfc Acc Fuse Meaning.
     
    
         
        From www.conwell.cc 
                    High Voltage Drop Out FuseproductsIPCTension ClampZhejiang Keyi Ipc/Bfc Acc Fuse Meaning  Fuse (red) marked in the key as ipc/ bfc acc should be without power on both sides when the ignition is off, but should be live on both sides when the. Terminal and harness assignments for individual connectors will vary depending on vehicle equipment level, model,.  in this article, you will find fuse box diagrams of oldsmobile alero 1999,. Ipc/Bfc Acc Fuse Meaning.
     
    
         
        From www.2carpros.com 
                    A/C BFC 10 Amp Fuse Constantly Blowing Ipc/Bfc Acc Fuse Meaning  When the key is removed from the ignition there.  refer to tire placard. Terminal and harness assignments for individual connectors will vary depending on vehicle equipment level, model,.   what is a bfc batt fuse control on a 1999 oldsmobile alero 3.4 v6.  in this article, you will find fuse box diagrams of oldsmobile alero 1999, 2000, 2001,. Ipc/Bfc Acc Fuse Meaning.
     
    
         
        From www.carfuseholders.com 
                    Types of Bolt car fuses Knowledge Ipc/Bfc Acc Fuse Meaning   refer to tire placard. I just had a engine installed in this oldsmobile alero.   what is a bfc batt fuse control on a 1999 oldsmobile alero 3.4 v6. Fuse (red) marked in the key as ipc/ bfc acc should be without power on both sides when the ignition is off, but should be live on both sides when. Ipc/Bfc Acc Fuse Meaning.
     
    
         
        From www.yuyiplc.com 
                    ETI VLC22 Fuse PLC DCS SERVO Control MOTOR POWER SUPPLY IPC ROBOT Ipc/Bfc Acc Fuse Meaning    what is a bfc batt fuse control on a 1999 oldsmobile alero 3.4 v6.  62 rows  warning: Terminal and harness assignments for individual connectors will vary depending on vehicle equipment level, model,.  in this article, you will find fuse box diagrams of oldsmobile alero 1999, 2000, 2001, 2002, 2003 and 2004, get information about the location of. Ipc/Bfc Acc Fuse Meaning.
     
    
         
        From www.bolidenforum.de 
                    Belegung Sicherungskasten Oldsmobile Alero (19992004) Sicherungen und Ipc/Bfc Acc Fuse Meaning  I have a 2002 chevy malibu, with an electrical ghost.  62 rows  warning:  refer to tire placard.  in this article, you will find fuse box diagrams of oldsmobile alero 1999, 2000, 2001, 2002, 2003 and 2004, get information about the location of the fuse. When the key is removed from the ignition there. Fuse (red) marked in. Ipc/Bfc Acc Fuse Meaning.
     
    
         
        From electronicshacks.com 
                    IPC Class Definitions for Class 1, 2, and 3 Electronics ElectronicsHacks Ipc/Bfc Acc Fuse Meaning  Fuse (red) marked in the key as ipc/ bfc acc should be without power on both sides when the ignition is off, but should be live on both sides when the. I have a 2002 chevy malibu, with an electrical ghost.   what is a bfc batt fuse control on a 1999 oldsmobile alero 3.4 v6.  in this article,. Ipc/Bfc Acc Fuse Meaning.
     
    
         
        From hillmancurtis.com 
                    IPCA610H Understanding the Acceptability of Electronic Assemblies Ipc/Bfc Acc Fuse Meaning  Terminal and harness assignments for individual connectors will vary depending on vehicle equipment level, model,. When the key is removed from the ignition there. Fuse (red) marked in the key as ipc/ bfc acc should be without power on both sides when the ignition is off, but should be live on both sides when the.  62 rows  warning: . Ipc/Bfc Acc Fuse Meaning.
     
    
         
        From www.youtube.com 
                    How to Find the ACC 12V Power Source in Fuse Box YouTube Ipc/Bfc Acc Fuse Meaning   refer to tire placard. I just had a engine installed in this oldsmobile alero.  62 rows  warning: Terminal and harness assignments for individual connectors will vary depending on vehicle equipment level, model,. Fuse (red) marked in the key as ipc/ bfc acc should be without power on both sides when the ignition is off, but should be live. Ipc/Bfc Acc Fuse Meaning.
     
    
         
        From www.2carpros.com 
                    A/C BFC 10 Amp Fuse Constantly Blowing Ipc/Bfc Acc Fuse Meaning  I just had a engine installed in this oldsmobile alero.  in this article, you will find fuse box diagrams of oldsmobile alero 1999, 2000, 2001, 2002, 2003 and 2004, get information about the location of the fuse.   what is a bfc batt fuse control on a 1999 oldsmobile alero 3.4 v6. I have a 2002 chevy malibu, with. Ipc/Bfc Acc Fuse Meaning.
     
    
         
        From 7esl.com 
                    BFC Meaning What Does the Slang Acronym "BFC" Stand For? • 7ESL Ipc/Bfc Acc Fuse Meaning    what is a bfc batt fuse control on a 1999 oldsmobile alero 3.4 v6. When the key is removed from the ignition there.  refer to tire placard.  62 rows  warning: I have a 2002 chevy malibu, with an electrical ghost.  in this article, you will find fuse box diagrams of oldsmobile alero 1999, 2000, 2001, 2002,. Ipc/Bfc Acc Fuse Meaning.
     
    
         
        From wiringwiringfred.z4.web.core.windows.net 
                    Ac Fuses Diagram Ipc/Bfc Acc Fuse Meaning   in this article, you will find fuse box diagrams of oldsmobile alero 1999, 2000, 2001, 2002, 2003 and 2004, get information about the location of the fuse.  refer to tire placard. I have a 2002 chevy malibu, with an electrical ghost. Fuse (red) marked in the key as ipc/ bfc acc should be without power on both sides. Ipc/Bfc Acc Fuse Meaning.
     
    
         
        From www.autozone.com 
                    Repair Guides Ipc/Bfc Acc Fuse Meaning  I have a 2002 chevy malibu, with an electrical ghost. When the key is removed from the ignition there. Fuse (red) marked in the key as ipc/ bfc acc should be without power on both sides when the ignition is off, but should be live on both sides when the.   what is a bfc batt fuse control on a. Ipc/Bfc Acc Fuse Meaning.
     
    
         
        From portal-diagnostov.com 
                    All Wiring Diagrams for Chevrolet Classic 2005 model Wiring diagrams Ipc/Bfc Acc Fuse Meaning   refer to tire placard. I have a 2002 chevy malibu, with an electrical ghost. Fuse (red) marked in the key as ipc/ bfc acc should be without power on both sides when the ignition is off, but should be live on both sides when the. When the key is removed from the ignition there. Terminal and harness assignments for. Ipc/Bfc Acc Fuse Meaning.