Linear Recirculating Roller Bearing Unit . rus26126 linear recirculating roller bearing unit at schaeffler medias view all product data here & buy online. linear recirculating roller bearing and guideway assemblies are suitable for acceleration values up to 100 m/s2,. In combination with schneeberger type r. high clamping force with simple fitting within the design envelope of a linear roller bearing and guideway assembly. at schaeffler medias you will find a large selection of linear recirculating roller bearing units: Search for the right product. the recirculating unit type sr has rollers arranged crosswise and is suitable for medium to high loads.
from medias.schaeffler.us
at schaeffler medias you will find a large selection of linear recirculating roller bearing units: In combination with schneeberger type r. high clamping force with simple fitting within the design envelope of a linear roller bearing and guideway assembly. the recirculating unit type sr has rollers arranged crosswise and is suitable for medium to high loads. linear recirculating roller bearing and guideway assemblies are suitable for acceleration values up to 100 m/s2,. rus26126 linear recirculating roller bearing unit at schaeffler medias view all product data here & buy online. Search for the right product.
RUSV60134KS Linear recirculating roller bearing unit inform yourself
Linear Recirculating Roller Bearing Unit linear recirculating roller bearing and guideway assemblies are suitable for acceleration values up to 100 m/s2,. high clamping force with simple fitting within the design envelope of a linear roller bearing and guideway assembly. the recirculating unit type sr has rollers arranged crosswise and is suitable for medium to high loads. In combination with schneeberger type r. linear recirculating roller bearing and guideway assemblies are suitable for acceleration values up to 100 m/s2,. Search for the right product. at schaeffler medias you will find a large selection of linear recirculating roller bearing units: rus26126 linear recirculating roller bearing unit at schaeffler medias view all product data here & buy online.
From www.alibaba.com
Germany Linear Recirculating Roller Bearing Unit Linear Roller Bearing Linear Recirculating Roller Bearing Unit the recirculating unit type sr has rollers arranged crosswise and is suitable for medium to high loads. In combination with schneeberger type r. rus26126 linear recirculating roller bearing unit at schaeffler medias view all product data here & buy online. at schaeffler medias you will find a large selection of linear recirculating roller bearing units: linear. Linear Recirculating Roller Bearing Unit.
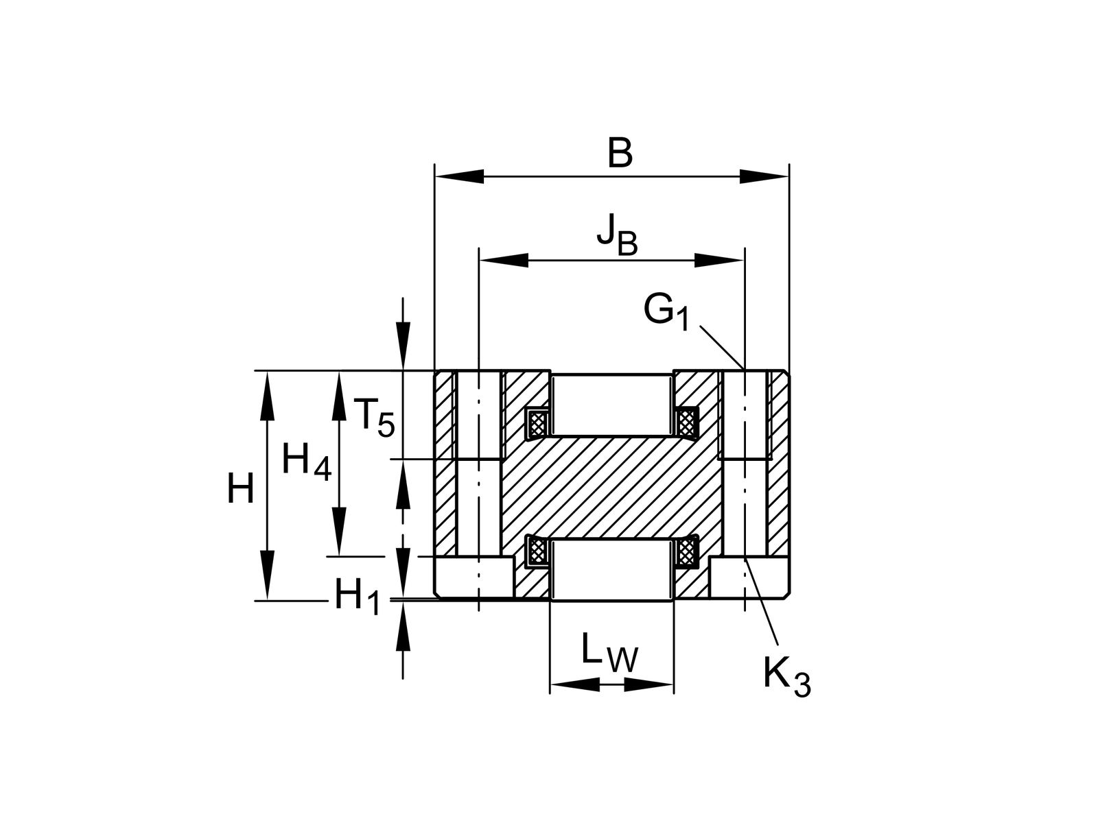
From www.schaeffler.us
Linear recirculating roller bearing and guideway assemblies Linear Recirculating Roller Bearing Unit the recirculating unit type sr has rollers arranged crosswise and is suitable for medium to high loads. at schaeffler medias you will find a large selection of linear recirculating roller bearing units: Search for the right product. linear recirculating roller bearing and guideway assemblies are suitable for acceleration values up to 100 m/s2,. In combination with schneeberger. Linear Recirculating Roller Bearing Unit.
From www.nskbearingcatalogue.com
RUS19069 GR3 Linear bearing units RUS series Linear recirculating Linear Recirculating Roller Bearing Unit at schaeffler medias you will find a large selection of linear recirculating roller bearing units: rus26126 linear recirculating roller bearing unit at schaeffler medias view all product data here & buy online. In combination with schneeberger type r. linear recirculating roller bearing and guideway assemblies are suitable for acceleration values up to 100 m/s2,. the recirculating. Linear Recirculating Roller Bearing Unit.
From ehandel.mw.dk
INA RUS38134GR3/1015 LINEAR RECIRCULATING ROLLER BEARING UNIT M Linear Recirculating Roller Bearing Unit the recirculating unit type sr has rollers arranged crosswise and is suitable for medium to high loads. rus26126 linear recirculating roller bearing unit at schaeffler medias view all product data here & buy online. In combination with schneeberger type r. high clamping force with simple fitting within the design envelope of a linear roller bearing and guideway. Linear Recirculating Roller Bearing Unit.
From www.linearmotiontips.com
What are recirculating linear bearings? Linear Recirculating Roller Bearing Unit In combination with schneeberger type r. the recirculating unit type sr has rollers arranged crosswise and is suitable for medium to high loads. rus26126 linear recirculating roller bearing unit at schaeffler medias view all product data here & buy online. at schaeffler medias you will find a large selection of linear recirculating roller bearing units: high. Linear Recirculating Roller Bearing Unit.
From ehandel.mw.dk
INA RUS38134GR3/1015 LINEAR RECIRCULATING ROLLER BEARING UNIT M Linear Recirculating Roller Bearing Unit the recirculating unit type sr has rollers arranged crosswise and is suitable for medium to high loads. high clamping force with simple fitting within the design envelope of a linear roller bearing and guideway assembly. linear recirculating roller bearing and guideway assemblies are suitable for acceleration values up to 100 m/s2,. at schaeffler medias you will. Linear Recirculating Roller Bearing Unit.
From ehandel.mw.dk
INA RUS19069 LINEAR RECIRCULATING ROLLER BEARING UNIT M. Wilhelmsen A/S Linear Recirculating Roller Bearing Unit high clamping force with simple fitting within the design envelope of a linear roller bearing and guideway assembly. rus26126 linear recirculating roller bearing unit at schaeffler medias view all product data here & buy online. linear recirculating roller bearing and guideway assemblies are suitable for acceleration values up to 100 m/s2,. the recirculating unit type sr. Linear Recirculating Roller Bearing Unit.
From www.alibaba.com
Schneeberger Linear Recirculating Roller Bearing Unit Nrt38144 Buy Linear Recirculating Roller Bearing Unit rus26126 linear recirculating roller bearing unit at schaeffler medias view all product data here & buy online. In combination with schneeberger type r. the recirculating unit type sr has rollers arranged crosswise and is suitable for medium to high loads. Search for the right product. high clamping force with simple fitting within the design envelope of a. Linear Recirculating Roller Bearing Unit.
From medias.schaeffler.us
RUSV60134KS Linear recirculating roller bearing unit inform yourself Linear Recirculating Roller Bearing Unit rus26126 linear recirculating roller bearing unit at schaeffler medias view all product data here & buy online. In combination with schneeberger type r. the recirculating unit type sr has rollers arranged crosswise and is suitable for medium to high loads. high clamping force with simple fitting within the design envelope of a linear roller bearing and guideway. Linear Recirculating Roller Bearing Unit.
From www.indiamart.com
Stainless Steel RUS 26102 LINEAR RECIRCULATING ROLLER BEARING UNIT at Linear Recirculating Roller Bearing Unit at schaeffler medias you will find a large selection of linear recirculating roller bearing units: Search for the right product. In combination with schneeberger type r. rus26126 linear recirculating roller bearing unit at schaeffler medias view all product data here & buy online. the recirculating unit type sr has rollers arranged crosswise and is suitable for medium. Linear Recirculating Roller Bearing Unit.
From medias-at.schaeffler.com
RUS85280 Linear recirculating roller bearing unit inform yourself Linear Recirculating Roller Bearing Unit rus26126 linear recirculating roller bearing unit at schaeffler medias view all product data here & buy online. at schaeffler medias you will find a large selection of linear recirculating roller bearing units: In combination with schneeberger type r. linear recirculating roller bearing and guideway assemblies are suitable for acceleration values up to 100 m/s2,. high clamping. Linear Recirculating Roller Bearing Unit.
From www.directindustry.com
Fourrow recirculating roller bearing linear guide RG/QR series Linear Recirculating Roller Bearing Unit Search for the right product. the recirculating unit type sr has rollers arranged crosswise and is suitable for medium to high loads. In combination with schneeberger type r. rus26126 linear recirculating roller bearing unit at schaeffler medias view all product data here & buy online. at schaeffler medias you will find a large selection of linear recirculating. Linear Recirculating Roller Bearing Unit.
From ehandel.mw.dk
INA RUS19069 LINEAR RECIRCULATING ROLLER BEARING UNIT M. Wilhelmsen A/S Linear Recirculating Roller Bearing Unit the recirculating unit type sr has rollers arranged crosswise and is suitable for medium to high loads. Search for the right product. high clamping force with simple fitting within the design envelope of a linear roller bearing and guideway assembly. In combination with schneeberger type r. rus26126 linear recirculating roller bearing unit at schaeffler medias view all. Linear Recirculating Roller Bearing Unit.
From www.nskbearingcatalogue.com
RUS19069 GR3 Linear bearing units RUS series Linear recirculating Linear Recirculating Roller Bearing Unit high clamping force with simple fitting within the design envelope of a linear roller bearing and guideway assembly. Search for the right product. the recirculating unit type sr has rollers arranged crosswise and is suitable for medium to high loads. rus26126 linear recirculating roller bearing unit at schaeffler medias view all product data here & buy online.. Linear Recirculating Roller Bearing Unit.
From www.alibaba.com
Rus26126ks Linear Recirculating Roller Bearing Unit Rus26126gr31015 Linear Recirculating Roller Bearing Unit Search for the right product. linear recirculating roller bearing and guideway assemblies are suitable for acceleration values up to 100 m/s2,. the recirculating unit type sr has rollers arranged crosswise and is suitable for medium to high loads. In combination with schneeberger type r. rus26126 linear recirculating roller bearing unit at schaeffler medias view all product data. Linear Recirculating Roller Bearing Unit.
From medias.schaeffler.it
RUSV30105KS Linear recirculating roller bearing unit inform yourself Linear Recirculating Roller Bearing Unit high clamping force with simple fitting within the design envelope of a linear roller bearing and guideway assembly. Search for the right product. rus26126 linear recirculating roller bearing unit at schaeffler medias view all product data here & buy online. In combination with schneeberger type r. linear recirculating roller bearing and guideway assemblies are suitable for acceleration. Linear Recirculating Roller Bearing Unit.
From www.alibaba.com
Germany Linear Recirculating Roller Bearing Unit Linear Roller Bearing Linear Recirculating Roller Bearing Unit Search for the right product. the recirculating unit type sr has rollers arranged crosswise and is suitable for medium to high loads. rus26126 linear recirculating roller bearing unit at schaeffler medias view all product data here & buy online. linear recirculating roller bearing and guideway assemblies are suitable for acceleration values up to 100 m/s2,. high. Linear Recirculating Roller Bearing Unit.
From www.schaeffler.us
Linear recirculating ball bearing units Schaeffler Group USA Inc. Linear Recirculating Roller Bearing Unit at schaeffler medias you will find a large selection of linear recirculating roller bearing units: rus26126 linear recirculating roller bearing unit at schaeffler medias view all product data here & buy online. linear recirculating roller bearing and guideway assemblies are suitable for acceleration values up to 100 m/s2,. high clamping force with simple fitting within the. Linear Recirculating Roller Bearing Unit.
From www.nskbearingcatalogue.com
RUS19069 GR3 Linear bearing units RUS series Linear recirculating Linear Recirculating Roller Bearing Unit the recirculating unit type sr has rollers arranged crosswise and is suitable for medium to high loads. rus26126 linear recirculating roller bearing unit at schaeffler medias view all product data here & buy online. Search for the right product. linear recirculating roller bearing and guideway assemblies are suitable for acceleration values up to 100 m/s2,. In combination. Linear Recirculating Roller Bearing Unit.
From www.uniquebearing.com
RUS26126KS Linear Recirculating Roller Bearing Unit Manufacturers Linear Recirculating Roller Bearing Unit rus26126 linear recirculating roller bearing unit at schaeffler medias view all product data here & buy online. linear recirculating roller bearing and guideway assemblies are suitable for acceleration values up to 100 m/s2,. the recirculating unit type sr has rollers arranged crosswise and is suitable for medium to high loads. Search for the right product. In combination. Linear Recirculating Roller Bearing Unit.
From www.uniquebearing.com
RUS26126KS Linear Recirculating Roller Bearing Unit Manufacturers Linear Recirculating Roller Bearing Unit at schaeffler medias you will find a large selection of linear recirculating roller bearing units: the recirculating unit type sr has rollers arranged crosswise and is suitable for medium to high loads. linear recirculating roller bearing and guideway assemblies are suitable for acceleration values up to 100 m/s2,. In combination with schneeberger type r. rus26126 linear. Linear Recirculating Roller Bearing Unit.
From www.researchgate.net
Schematic of recirculating linear roller bearing guideway. Download Linear Recirculating Roller Bearing Unit high clamping force with simple fitting within the design envelope of a linear roller bearing and guideway assembly. Search for the right product. In combination with schneeberger type r. at schaeffler medias you will find a large selection of linear recirculating roller bearing units: the recirculating unit type sr has rollers arranged crosswise and is suitable for. Linear Recirculating Roller Bearing Unit.
From medias.schaeffler.it
RUSV30105KS Linear recirculating roller bearing unit inform yourself Linear Recirculating Roller Bearing Unit In combination with schneeberger type r. rus26126 linear recirculating roller bearing unit at schaeffler medias view all product data here & buy online. the recirculating unit type sr has rollers arranged crosswise and is suitable for medium to high loads. Search for the right product. at schaeffler medias you will find a large selection of linear recirculating. Linear Recirculating Roller Bearing Unit.
From medias.schaeffler.co.in
PR14089PP Linear recirculating roller bearing unit inform yourself Linear Recirculating Roller Bearing Unit rus26126 linear recirculating roller bearing unit at schaeffler medias view all product data here & buy online. at schaeffler medias you will find a large selection of linear recirculating roller bearing units: the recirculating unit type sr has rollers arranged crosswise and is suitable for medium to high loads. In combination with schneeberger type r. linear. Linear Recirculating Roller Bearing Unit.
From medias.schaeffler.co.in
PR14089PP Linear recirculating roller bearing unit inform yourself Linear Recirculating Roller Bearing Unit the recirculating unit type sr has rollers arranged crosswise and is suitable for medium to high loads. Search for the right product. high clamping force with simple fitting within the design envelope of a linear roller bearing and guideway assembly. at schaeffler medias you will find a large selection of linear recirculating roller bearing units: In combination. Linear Recirculating Roller Bearing Unit.
From medias-at.schaeffler.com
RUS85280 Linear recirculating roller bearing unit inform yourself Linear Recirculating Roller Bearing Unit In combination with schneeberger type r. at schaeffler medias you will find a large selection of linear recirculating roller bearing units: the recirculating unit type sr has rollers arranged crosswise and is suitable for medium to high loads. high clamping force with simple fitting within the design envelope of a linear roller bearing and guideway assembly. Search. Linear Recirculating Roller Bearing Unit.
From www.uniquebearing.com
RUS26126KS Linear Recirculating Roller Bearing Unit Manufacturers Linear Recirculating Roller Bearing Unit Search for the right product. In combination with schneeberger type r. high clamping force with simple fitting within the design envelope of a linear roller bearing and guideway assembly. at schaeffler medias you will find a large selection of linear recirculating roller bearing units: the recirculating unit type sr has rollers arranged crosswise and is suitable for. Linear Recirculating Roller Bearing Unit.
From www.alibaba.com
High Quality Rus 26102 Gr3 Linear Roller Block Bearing Rus26102 Buy Linear Recirculating Roller Bearing Unit Search for the right product. rus26126 linear recirculating roller bearing unit at schaeffler medias view all product data here & buy online. In combination with schneeberger type r. at schaeffler medias you will find a large selection of linear recirculating roller bearing units: the recirculating unit type sr has rollers arranged crosswise and is suitable for medium. Linear Recirculating Roller Bearing Unit.
From www.hojebearings.com
INA RUS 26126 (RUS26126KS) Linear recirculating roller bearing units Linear Recirculating Roller Bearing Unit rus26126 linear recirculating roller bearing unit at schaeffler medias view all product data here & buy online. Search for the right product. the recirculating unit type sr has rollers arranged crosswise and is suitable for medium to high loads. high clamping force with simple fitting within the design envelope of a linear roller bearing and guideway assembly.. Linear Recirculating Roller Bearing Unit.
From www.researchgate.net
Schematic of recirculating linear roller bearing guideway. Download Linear Recirculating Roller Bearing Unit In combination with schneeberger type r. the recirculating unit type sr has rollers arranged crosswise and is suitable for medium to high loads. rus26126 linear recirculating roller bearing unit at schaeffler medias view all product data here & buy online. at schaeffler medias you will find a large selection of linear recirculating roller bearing units: linear. Linear Recirculating Roller Bearing Unit.
From www.nskbearingcatalogue.com
RUS19069 GR3 Linear bearing units RUS series Linear recirculating Linear Recirculating Roller Bearing Unit at schaeffler medias you will find a large selection of linear recirculating roller bearing units: rus26126 linear recirculating roller bearing unit at schaeffler medias view all product data here & buy online. the recirculating unit type sr has rollers arranged crosswise and is suitable for medium to high loads. In combination with schneeberger type r. Search for. Linear Recirculating Roller Bearing Unit.
From www.schaeffler.co.jp
Linear recirculating ball bearing units Schaeffler Japan Linear Recirculating Roller Bearing Unit linear recirculating roller bearing and guideway assemblies are suitable for acceleration values up to 100 m/s2,. high clamping force with simple fitting within the design envelope of a linear roller bearing and guideway assembly. In combination with schneeberger type r. Search for the right product. rus26126 linear recirculating roller bearing unit at schaeffler medias view all product. Linear Recirculating Roller Bearing Unit.
From medias.schaeffler.it
RUSV30105KS Linear recirculating roller bearing unit inform yourself Linear Recirculating Roller Bearing Unit high clamping force with simple fitting within the design envelope of a linear roller bearing and guideway assembly. at schaeffler medias you will find a large selection of linear recirculating roller bearing units: rus26126 linear recirculating roller bearing unit at schaeffler medias view all product data here & buy online. linear recirculating roller bearing and guideway. Linear Recirculating Roller Bearing Unit.
From www.ebay.com
3 X INA RUS 26102 GR3 LINEAR RECIRCULATING ROLLER BEARING UNIT eBay Linear Recirculating Roller Bearing Unit high clamping force with simple fitting within the design envelope of a linear roller bearing and guideway assembly. Search for the right product. linear recirculating roller bearing and guideway assemblies are suitable for acceleration values up to 100 m/s2,. at schaeffler medias you will find a large selection of linear recirculating roller bearing units: the recirculating. Linear Recirculating Roller Bearing Unit.
From www.nskbearingcatalogue.com
RUS19069 GR3 Linear bearing units RUS series Linear recirculating Linear Recirculating Roller Bearing Unit the recirculating unit type sr has rollers arranged crosswise and is suitable for medium to high loads. linear recirculating roller bearing and guideway assemblies are suitable for acceleration values up to 100 m/s2,. rus26126 linear recirculating roller bearing unit at schaeffler medias view all product data here & buy online. at schaeffler medias you will find. Linear Recirculating Roller Bearing Unit.