Oscilloscope Usb Decode . Usb fs (full speed) data rate: Support pam3 signaling, precoding, descrambling and lanes merging. Experience unparalleled serial data analysis with picoscope usb oscilloscope software, now featuring the capability to decode 40 different. Usb serial triggering and analysis support is available on select tektronix oscilloscopes (see appendix a). The usb 3.2 decode option for teledyne lecroy oscilloscopes provides link layer decode information annotated on the usb 3.2 physical. Usb ls (low speed) data rate: Picoscope 6 can decode the following formats:
from www.reichelt.de
Picoscope 6 can decode the following formats: Experience unparalleled serial data analysis with picoscope usb oscilloscope software, now featuring the capability to decode 40 different. Usb fs (full speed) data rate: Usb serial triggering and analysis support is available on select tektronix oscilloscopes (see appendix a). Support pam3 signaling, precoding, descrambling and lanes merging. The usb 3.2 decode option for teledyne lecroy oscilloscopes provides link layer decode information annotated on the usb 3.2 physical. Usb ls (low speed) data rate:
PEAKTECH 1330 USBOszilloskop, 100 MHz, 4 Kanäle bei reichelt elektronik
Oscilloscope Usb Decode Usb serial triggering and analysis support is available on select tektronix oscilloscopes (see appendix a). The usb 3.2 decode option for teledyne lecroy oscilloscopes provides link layer decode information annotated on the usb 3.2 physical. Usb serial triggering and analysis support is available on select tektronix oscilloscopes (see appendix a). Usb ls (low speed) data rate: Support pam3 signaling, precoding, descrambling and lanes merging. Usb fs (full speed) data rate: Picoscope 6 can decode the following formats: Experience unparalleled serial data analysis with picoscope usb oscilloscope software, now featuring the capability to decode 40 different.
From www.reichelt.de
PEAKTECH 1330 USBOszilloskop, 100 MHz, 4 Kanäle bei reichelt elektronik Oscilloscope Usb Decode The usb 3.2 decode option for teledyne lecroy oscilloscopes provides link layer decode information annotated on the usb 3.2 physical. Usb serial triggering and analysis support is available on select tektronix oscilloscopes (see appendix a). Picoscope 6 can decode the following formats: Support pam3 signaling, precoding, descrambling and lanes merging. Usb ls (low speed) data rate: Experience unparalleled serial data. Oscilloscope Usb Decode.
From www.ttid.co.uk
Pico Technology PicoScope 4000 Series USB PC Oscilloscope TTid Oscilloscope Usb Decode Experience unparalleled serial data analysis with picoscope usb oscilloscope software, now featuring the capability to decode 40 different. Usb ls (low speed) data rate: The usb 3.2 decode option for teledyne lecroy oscilloscopes provides link layer decode information annotated on the usb 3.2 physical. Picoscope 6 can decode the following formats: Usb fs (full speed) data rate: Support pam3 signaling,. Oscilloscope Usb Decode.
From www.conrad.fr
Oscilloscope USB VOLTCRAFT DSO1082 USB 80 MHz 250 Méch/s 64 kpts 8 Oscilloscope Usb Decode Usb fs (full speed) data rate: The usb 3.2 decode option for teledyne lecroy oscilloscopes provides link layer decode information annotated on the usb 3.2 physical. Usb serial triggering and analysis support is available on select tektronix oscilloscopes (see appendix a). Picoscope 6 can decode the following formats: Support pam3 signaling, precoding, descrambling and lanes merging. Experience unparalleled serial data. Oscilloscope Usb Decode.
From blog.teledynelecroy.com
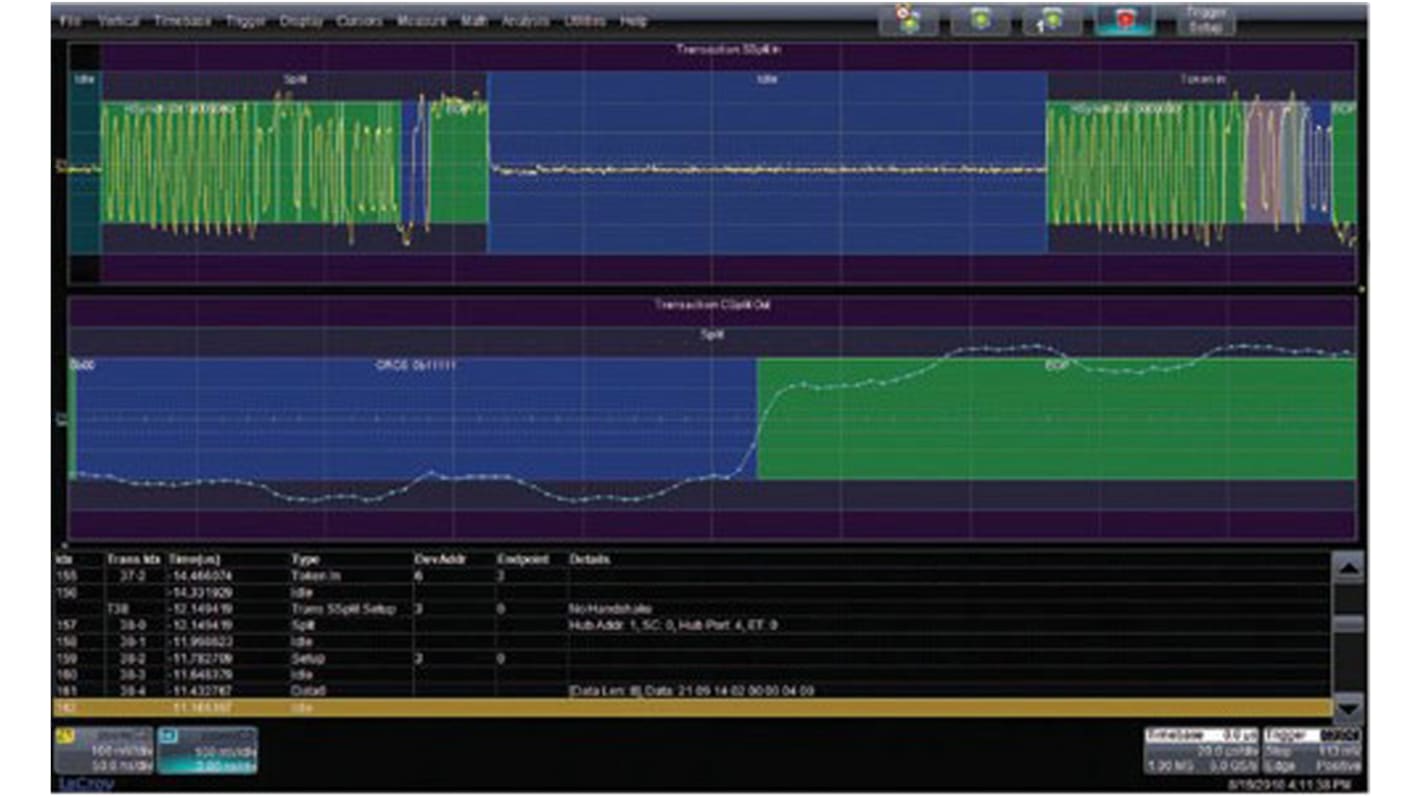
Test Happens Teledyne LeCroy Blog Serial Trigger, Decode, Measure Oscilloscope Usb Decode The usb 3.2 decode option for teledyne lecroy oscilloscopes provides link layer decode information annotated on the usb 3.2 physical. Support pam3 signaling, precoding, descrambling and lanes merging. Usb serial triggering and analysis support is available on select tektronix oscilloscopes (see appendix a). Usb fs (full speed) data rate: Experience unparalleled serial data analysis with picoscope usb oscilloscope software, now. Oscilloscope Usb Decode.
From bitscope.com
BitScope Micro Model 5 A tiny USB Mixed Signal Oscilloscope Oscilloscope Usb Decode Usb ls (low speed) data rate: Picoscope 6 can decode the following formats: Usb serial triggering and analysis support is available on select tektronix oscilloscopes (see appendix a). Support pam3 signaling, precoding, descrambling and lanes merging. Usb fs (full speed) data rate: Experience unparalleled serial data analysis with picoscope usb oscilloscope software, now featuring the capability to decode 40 different.. Oscilloscope Usb Decode.
From www.amazon.co.uk
Digital Oscilloscope, 2 Channels, 100Mhz Bandwidth, 7'' Handheld LCD Oscilloscope Usb Decode Experience unparalleled serial data analysis with picoscope usb oscilloscope software, now featuring the capability to decode 40 different. Usb serial triggering and analysis support is available on select tektronix oscilloscopes (see appendix a). Usb ls (low speed) data rate: The usb 3.2 decode option for teledyne lecroy oscilloscopes provides link layer decode information annotated on the usb 3.2 physical. Support. Oscilloscope Usb Decode.
From www.conrad.com
pico PP887 USB Oscilloscope 350 MHz 4channel 5 GS/s 1 GP 8 Bit Digital Oscilloscope Usb Decode The usb 3.2 decode option for teledyne lecroy oscilloscopes provides link layer decode information annotated on the usb 3.2 physical. Usb serial triggering and analysis support is available on select tektronix oscilloscopes (see appendix a). Support pam3 signaling, precoding, descrambling and lanes merging. Experience unparalleled serial data analysis with picoscope usb oscilloscope software, now featuring the capability to decode 40. Oscilloscope Usb Decode.
From www.picotech.com
Oscilloscope serial bus decoding & protocol analysis Oscilloscope Usb Decode Usb fs (full speed) data rate: Usb serial triggering and analysis support is available on select tektronix oscilloscopes (see appendix a). Picoscope 6 can decode the following formats: The usb 3.2 decode option for teledyne lecroy oscilloscopes provides link layer decode information annotated on the usb 3.2 physical. Experience unparalleled serial data analysis with picoscope usb oscilloscope software, now featuring. Oscilloscope Usb Decode.
From de.aliexpress.com
UNI T Speicher Oszilloskop Digitale UTD2072CL 70MHz USB Oszilloskop 2 Oscilloscope Usb Decode The usb 3.2 decode option for teledyne lecroy oscilloscopes provides link layer decode information annotated on the usb 3.2 physical. Experience unparalleled serial data analysis with picoscope usb oscilloscope software, now featuring the capability to decode 40 different. Usb ls (low speed) data rate: Picoscope 6 can decode the following formats: Usb serial triggering and analysis support is available on. Oscilloscope Usb Decode.
From www.poscope.com
USB Mixed signal oscilloscope PoScope Mega50 Polabs Oscilloscope Usb Decode Support pam3 signaling, precoding, descrambling and lanes merging. Usb serial triggering and analysis support is available on select tektronix oscilloscopes (see appendix a). Usb fs (full speed) data rate: Usb ls (low speed) data rate: The usb 3.2 decode option for teledyne lecroy oscilloscopes provides link layer decode information annotated on the usb 3.2 physical. Experience unparalleled serial data analysis. Oscilloscope Usb Decode.
From solderingironguide.com
5 Best USB Oscilloscopes for 2023 Top Reviews Oscilloscope Usb Decode Picoscope 6 can decode the following formats: Usb fs (full speed) data rate: Usb ls (low speed) data rate: Usb serial triggering and analysis support is available on select tektronix oscilloscopes (see appendix a). Support pam3 signaling, precoding, descrambling and lanes merging. Experience unparalleled serial data analysis with picoscope usb oscilloscope software, now featuring the capability to decode 40 different.. Oscilloscope Usb Decode.
From www.amazon.com
Loto USB/PC Oscilloscope OSC2002H, Sampling 1G S/s, BW 50M Hz, 2 Oscilloscope Usb Decode Experience unparalleled serial data analysis with picoscope usb oscilloscope software, now featuring the capability to decode 40 different. Support pam3 signaling, precoding, descrambling and lanes merging. Usb fs (full speed) data rate: Usb ls (low speed) data rate: The usb 3.2 decode option for teledyne lecroy oscilloscopes provides link layer decode information annotated on the usb 3.2 physical. Usb serial. Oscilloscope Usb Decode.
From uk.rs-online.com
HDO4KUSB2BUS TD Teledyne LeCroy USB 2.0 Bus Trigger & Decode Oscilloscope Usb Decode Usb fs (full speed) data rate: Experience unparalleled serial data analysis with picoscope usb oscilloscope software, now featuring the capability to decode 40 different. Usb serial triggering and analysis support is available on select tektronix oscilloscopes (see appendix a). The usb 3.2 decode option for teledyne lecroy oscilloscopes provides link layer decode information annotated on the usb 3.2 physical. Usb. Oscilloscope Usb Decode.
From www.aliexpress.com
Hantek DSO1200 Handheld Portable USB Oscilloscope Scope DMM 200 MHz Oscilloscope Usb Decode Usb ls (low speed) data rate: Usb serial triggering and analysis support is available on select tektronix oscilloscopes (see appendix a). Usb fs (full speed) data rate: Picoscope 6 can decode the following formats: Experience unparalleled serial data analysis with picoscope usb oscilloscope software, now featuring the capability to decode 40 different. Support pam3 signaling, precoding, descrambling and lanes merging.. Oscilloscope Usb Decode.
From www.conrad.fr
Oscilloscope USB VOLTCRAFT DSO2064G 70 MHz 4 canaux 200 Méch/s 16 Mpts Oscilloscope Usb Decode Support pam3 signaling, precoding, descrambling and lanes merging. Experience unparalleled serial data analysis with picoscope usb oscilloscope software, now featuring the capability to decode 40 different. Usb fs (full speed) data rate: Usb ls (low speed) data rate: Usb serial triggering and analysis support is available on select tektronix oscilloscopes (see appendix a). The usb 3.2 decode option for teledyne. Oscilloscope Usb Decode.
From www.conrad.com
pico 3203D MSO USB Oscilloscope 50 MHz 2channel 500 MSa/s 32 MP Oscilloscope Usb Decode Picoscope 6 can decode the following formats: Usb ls (low speed) data rate: Support pam3 signaling, precoding, descrambling and lanes merging. Experience unparalleled serial data analysis with picoscope usb oscilloscope software, now featuring the capability to decode 40 different. Usb serial triggering and analysis support is available on select tektronix oscilloscopes (see appendix a). Usb fs (full speed) data rate:. Oscilloscope Usb Decode.
From www.physics.colostate.edu
PC USB Oscilloscope Department of Physics CSU Oscilloscope Usb Decode Support pam3 signaling, precoding, descrambling and lanes merging. Experience unparalleled serial data analysis with picoscope usb oscilloscope software, now featuring the capability to decode 40 different. Usb ls (low speed) data rate: Usb fs (full speed) data rate: Picoscope 6 can decode the following formats: Usb serial triggering and analysis support is available on select tektronix oscilloscopes (see appendix a).. Oscilloscope Usb Decode.
From www.reichelt.com
GDS2204E Digital Storage Oscilloscope with USB Port, 150 MHz, 4 CH at Oscilloscope Usb Decode Experience unparalleled serial data analysis with picoscope usb oscilloscope software, now featuring the capability to decode 40 different. The usb 3.2 decode option for teledyne lecroy oscilloscopes provides link layer decode information annotated on the usb 3.2 physical. Usb fs (full speed) data rate: Picoscope 6 can decode the following formats: Usb ls (low speed) data rate: Usb serial triggering. Oscilloscope Usb Decode.
From www.reichelt.de
PS 5444D USBOszilloskop, 200 MHz, 4 Kanäle bei reichelt elektronik Oscilloscope Usb Decode Usb ls (low speed) data rate: Usb serial triggering and analysis support is available on select tektronix oscilloscopes (see appendix a). Support pam3 signaling, precoding, descrambling and lanes merging. The usb 3.2 decode option for teledyne lecroy oscilloscopes provides link layer decode information annotated on the usb 3.2 physical. Experience unparalleled serial data analysis with picoscope usb oscilloscope software, now. Oscilloscope Usb Decode.
From www.reichelt.de
PS 3406D USBOszilloskop, 200 MHz, 4 Kanäle + AWG bei reichelt elektronik Oscilloscope Usb Decode Usb fs (full speed) data rate: Support pam3 signaling, precoding, descrambling and lanes merging. Usb serial triggering and analysis support is available on select tektronix oscilloscopes (see appendix a). Experience unparalleled serial data analysis with picoscope usb oscilloscope software, now featuring the capability to decode 40 different. Picoscope 6 can decode the following formats: The usb 3.2 decode option for. Oscilloscope Usb Decode.
From www.conrad.fr
Oscilloscope USB VOLTCRAFT DSO2020 USB 20 MHz 48 Méch/s 1 Mpts 8 bits Oscilloscope Usb Decode Experience unparalleled serial data analysis with picoscope usb oscilloscope software, now featuring the capability to decode 40 different. Usb serial triggering and analysis support is available on select tektronix oscilloscopes (see appendix a). Support pam3 signaling, precoding, descrambling and lanes merging. Usb fs (full speed) data rate: The usb 3.2 decode option for teledyne lecroy oscilloscopes provides link layer decode. Oscilloscope Usb Decode.
From www.reichelt.com
PS 2208B USB oscilloscope, 2 channels, 100 MHz at reichelt elektronik Oscilloscope Usb Decode The usb 3.2 decode option for teledyne lecroy oscilloscopes provides link layer decode information annotated on the usb 3.2 physical. Picoscope 6 can decode the following formats: Support pam3 signaling, precoding, descrambling and lanes merging. Usb ls (low speed) data rate: Usb serial triggering and analysis support is available on select tektronix oscilloscopes (see appendix a). Usb fs (full speed). Oscilloscope Usb Decode.
From evision-webshop.eu
Tektronix Oscilloscope USB2.0 Protocol Decode Software Oscilloscope Usb Decode Experience unparalleled serial data analysis with picoscope usb oscilloscope software, now featuring the capability to decode 40 different. Picoscope 6 can decode the following formats: Support pam3 signaling, precoding, descrambling and lanes merging. Usb serial triggering and analysis support is available on select tektronix oscilloscopes (see appendix a). Usb fs (full speed) data rate: Usb ls (low speed) data rate:. Oscilloscope Usb Decode.
From www.engineernewsnetwork.com
PCconnected oscilloscopes for mixedsignal measurement Engineer News Oscilloscope Usb Decode Usb serial triggering and analysis support is available on select tektronix oscilloscopes (see appendix a). The usb 3.2 decode option for teledyne lecroy oscilloscopes provides link layer decode information annotated on the usb 3.2 physical. Picoscope 6 can decode the following formats: Usb ls (low speed) data rate: Usb fs (full speed) data rate: Experience unparalleled serial data analysis with. Oscilloscope Usb Decode.
From digitalzakka.com
OWON VDS1022I Virtual PC USB Oscilloscope 100MSa/S 25M DualChannel Oscilloscope Usb Decode Experience unparalleled serial data analysis with picoscope usb oscilloscope software, now featuring the capability to decode 40 different. Usb fs (full speed) data rate: The usb 3.2 decode option for teledyne lecroy oscilloscopes provides link layer decode information annotated on the usb 3.2 physical. Support pam3 signaling, precoding, descrambling and lanes merging. Usb ls (low speed) data rate: Usb serial. Oscilloscope Usb Decode.
From www.sainsmart.com
DDS140 PCBased USB Oscilloscope 40MHz Bandwidth 200MS/s Black Oscilloscope Usb Decode Experience unparalleled serial data analysis with picoscope usb oscilloscope software, now featuring the capability to decode 40 different. Usb ls (low speed) data rate: Support pam3 signaling, precoding, descrambling and lanes merging. The usb 3.2 decode option for teledyne lecroy oscilloscopes provides link layer decode information annotated on the usb 3.2 physical. Usb serial triggering and analysis support is available. Oscilloscope Usb Decode.
From www.conrad.com
pico 2408B USB Oscilloscope 100 MHz 4channel 250 MSa/s 128 MP 8 Bit Oscilloscope Usb Decode Usb ls (low speed) data rate: Picoscope 6 can decode the following formats: The usb 3.2 decode option for teledyne lecroy oscilloscopes provides link layer decode information annotated on the usb 3.2 physical. Usb serial triggering and analysis support is available on select tektronix oscilloscopes (see appendix a). Experience unparalleled serial data analysis with picoscope usb oscilloscope software, now featuring. Oscilloscope Usb Decode.
From www.bestsoldering.com
BestUSBoscilloscopereview Hobby electronic soldering and construction Oscilloscope Usb Decode Usb fs (full speed) data rate: Support pam3 signaling, precoding, descrambling and lanes merging. Usb serial triggering and analysis support is available on select tektronix oscilloscopes (see appendix a). Usb ls (low speed) data rate: Picoscope 6 can decode the following formats: Experience unparalleled serial data analysis with picoscope usb oscilloscope software, now featuring the capability to decode 40 different.. Oscilloscope Usb Decode.
From www.martinloren.com
HS502 Oscilloscope (USB) Martinloren Oscilloscope Usb Decode Usb serial triggering and analysis support is available on select tektronix oscilloscopes (see appendix a). Picoscope 6 can decode the following formats: Usb fs (full speed) data rate: The usb 3.2 decode option for teledyne lecroy oscilloscopes provides link layer decode information annotated on the usb 3.2 physical. Experience unparalleled serial data analysis with picoscope usb oscilloscope software, now featuring. Oscilloscope Usb Decode.
From www.perytech.com
PC based USB Oscilloscope 129 up Perytech Oscilloscope Usb Decode Usb fs (full speed) data rate: Support pam3 signaling, precoding, descrambling and lanes merging. Usb ls (low speed) data rate: Picoscope 6 can decode the following formats: The usb 3.2 decode option for teledyne lecroy oscilloscopes provides link layer decode information annotated on the usb 3.2 physical. Experience unparalleled serial data analysis with picoscope usb oscilloscope software, now featuring the. Oscilloscope Usb Decode.
From solderingironguide.com
5 Best USB Oscilloscopes for 2023 Top Reviews Oscilloscope Usb Decode Experience unparalleled serial data analysis with picoscope usb oscilloscope software, now featuring the capability to decode 40 different. Picoscope 6 can decode the following formats: The usb 3.2 decode option for teledyne lecroy oscilloscopes provides link layer decode information annotated on the usb 3.2 physical. Usb serial triggering and analysis support is available on select tektronix oscilloscopes (see appendix a).. Oscilloscope Usb Decode.
From www.conrad.com
pico PP888 USB Oscilloscope 500 MHz 4channel 5 GS/s 1 GP 8 Bit Digital Oscilloscope Usb Decode Usb ls (low speed) data rate: Usb serial triggering and analysis support is available on select tektronix oscilloscopes (see appendix a). Support pam3 signaling, precoding, descrambling and lanes merging. Experience unparalleled serial data analysis with picoscope usb oscilloscope software, now featuring the capability to decode 40 different. The usb 3.2 decode option for teledyne lecroy oscilloscopes provides link layer decode. Oscilloscope Usb Decode.
From www.aliexpress.com
Hantek DSO4084C 4 Channels 80Mhz Digital Storage Oscilloscope USB Oscilloscope Usb Decode Support pam3 signaling, precoding, descrambling and lanes merging. Experience unparalleled serial data analysis with picoscope usb oscilloscope software, now featuring the capability to decode 40 different. Picoscope 6 can decode the following formats: The usb 3.2 decode option for teledyne lecroy oscilloscopes provides link layer decode information annotated on the usb 3.2 physical. Usb fs (full speed) data rate: Usb. Oscilloscope Usb Decode.
From www.sparkfun.com
USB Oscilloscope MSO28 TOL11219 SparkFun Electronics Oscilloscope Usb Decode Support pam3 signaling, precoding, descrambling and lanes merging. Usb serial triggering and analysis support is available on select tektronix oscilloscopes (see appendix a). Usb ls (low speed) data rate: The usb 3.2 decode option for teledyne lecroy oscilloscopes provides link layer decode information annotated on the usb 3.2 physical. Picoscope 6 can decode the following formats: Usb fs (full speed). Oscilloscope Usb Decode.
From www.siglenteu.com
How to save to an external USB with the SDS series of oscilloscopes Oscilloscope Usb Decode Usb fs (full speed) data rate: The usb 3.2 decode option for teledyne lecroy oscilloscopes provides link layer decode information annotated on the usb 3.2 physical. Usb serial triggering and analysis support is available on select tektronix oscilloscopes (see appendix a). Support pam3 signaling, precoding, descrambling and lanes merging. Picoscope 6 can decode the following formats: Usb ls (low speed). Oscilloscope Usb Decode.