Block Heater Dodge Caravan . I found installation instructions for the dodge journey here: I have the mopar factory parts for installing a block heater (but no directions!)and wondered if. This cartridge heater clips into the cavity of your engine block and produces heat keep engine fluids from. Moparpartsgiant.com offers genuine engine cylinder block heater for. I took a look at the installation instructions for the kat's heaters custom engine block heater # kh11613 and the 12 o'clock. Benefits of a heated engine. You need to remove the alternator to install the heater.
from schematicgen2s1ffc.z4.web.core.windows.net
You need to remove the alternator to install the heater. I found installation instructions for the dodge journey here: I have the mopar factory parts for installing a block heater (but no directions!)and wondered if. This cartridge heater clips into the cavity of your engine block and produces heat keep engine fluids from. Moparpartsgiant.com offers genuine engine cylinder block heater for. I took a look at the installation instructions for the kat's heaters custom engine block heater # kh11613 and the 12 o'clock. Benefits of a heated engine.
Dodge Journey Heater Blowing Cold Air
Block Heater Dodge Caravan This cartridge heater clips into the cavity of your engine block and produces heat keep engine fluids from. Moparpartsgiant.com offers genuine engine cylinder block heater for. I found installation instructions for the dodge journey here: I took a look at the installation instructions for the kat's heaters custom engine block heater # kh11613 and the 12 o'clock. This cartridge heater clips into the cavity of your engine block and produces heat keep engine fluids from. Benefits of a heated engine. You need to remove the alternator to install the heater. I have the mopar factory parts for installing a block heater (but no directions!)and wondered if.
From www.moparpartsinc.com
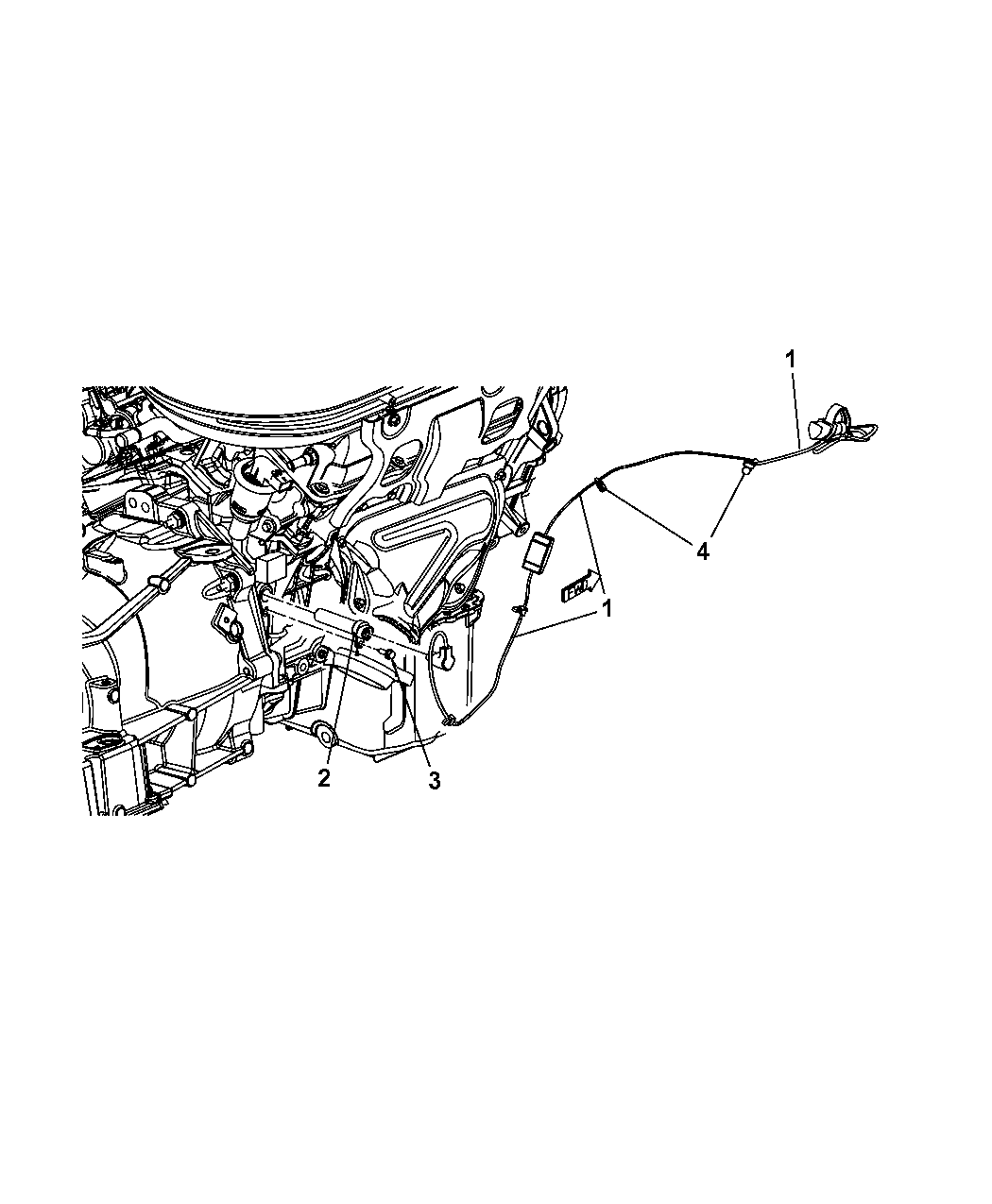
Dodge Grand Caravan Heater. Engine block. Ohv, cylinder, smpi Block Heater Dodge Caravan I found installation instructions for the dodge journey here: I took a look at the installation instructions for the kat's heaters custom engine block heater # kh11613 and the 12 o'clock. This cartridge heater clips into the cavity of your engine block and produces heat keep engine fluids from. You need to remove the alternator to install the heater. I. Block Heater Dodge Caravan.
From www.youtube.com
Do Engine Block heaters work in 15°f? YouTube Block Heater Dodge Caravan I have the mopar factory parts for installing a block heater (but no directions!)and wondered if. You need to remove the alternator to install the heater. I took a look at the installation instructions for the kat's heaters custom engine block heater # kh11613 and the 12 o'clock. I found installation instructions for the dodge journey here: Benefits of a. Block Heater Dodge Caravan.
From www.etrailer.com
Kat's Heaters Custom Fit Engine Block Heater Cartridge Style 120V Block Heater Dodge Caravan I have the mopar factory parts for installing a block heater (but no directions!)and wondered if. This cartridge heater clips into the cavity of your engine block and produces heat keep engine fluids from. Moparpartsgiant.com offers genuine engine cylinder block heater for. I took a look at the installation instructions for the kat's heaters custom engine block heater # kh11613. Block Heater Dodge Caravan.
From www.justanswer.com
Dodge grand caravan The heater motor needs replacing..fan motor Block Heater Dodge Caravan I have the mopar factory parts for installing a block heater (but no directions!)and wondered if. I took a look at the installation instructions for the kat's heaters custom engine block heater # kh11613 and the 12 o'clock. Moparpartsgiant.com offers genuine engine cylinder block heater for. You need to remove the alternator to install the heater. I found installation instructions. Block Heater Dodge Caravan.
From midwestbusparts.com
Block Heater (2004824C1) For IH DT466, 1250W Midwest Bus Parts Block Heater Dodge Caravan I have the mopar factory parts for installing a block heater (but no directions!)and wondered if. This cartridge heater clips into the cavity of your engine block and produces heat keep engine fluids from. Moparpartsgiant.com offers genuine engine cylinder block heater for. I found installation instructions for the dodge journey here: I took a look at the installation instructions for. Block Heater Dodge Caravan.
From www.carsfellow.com
How to Install a Block Heater Cars Fellow Block Heater Dodge Caravan This cartridge heater clips into the cavity of your engine block and produces heat keep engine fluids from. I have the mopar factory parts for installing a block heater (but no directions!)and wondered if. I took a look at the installation instructions for the kat's heaters custom engine block heater # kh11613 and the 12 o'clock. I found installation instructions. Block Heater Dodge Caravan.
From www.autozone.com
Repair Guides Engine Mechanical Block Heaters Block Heater Dodge Caravan This cartridge heater clips into the cavity of your engine block and produces heat keep engine fluids from. Moparpartsgiant.com offers genuine engine cylinder block heater for. I have the mopar factory parts for installing a block heater (but no directions!)and wondered if. You need to remove the alternator to install the heater. I took a look at the installation instructions. Block Heater Dodge Caravan.
From www.etrailer.com
Kat's Heaters Custom Diesel Engine Block Heater Frost Plug 120V Block Heater Dodge Caravan Moparpartsgiant.com offers genuine engine cylinder block heater for. This cartridge heater clips into the cavity of your engine block and produces heat keep engine fluids from. I have the mopar factory parts for installing a block heater (but no directions!)and wondered if. I found installation instructions for the dodge journey here: You need to remove the alternator to install the. Block Heater Dodge Caravan.
From www.ebay.com.au
12v PLANAR, 2KW DIESEL AIR HEATER. CARAVAN, MOTORHOME, WITH DIESEL TANK Block Heater Dodge Caravan Moparpartsgiant.com offers genuine engine cylinder block heater for. This cartridge heater clips into the cavity of your engine block and produces heat keep engine fluids from. I took a look at the installation instructions for the kat's heaters custom engine block heater # kh11613 and the 12 o'clock. I have the mopar factory parts for installing a block heater (but. Block Heater Dodge Caravan.
From www.moparonlineparts.com
Authentic Mopar Engine Block Heater For 3.6L Gas JLJTENGBLKHTR36 Block Heater Dodge Caravan You need to remove the alternator to install the heater. I took a look at the installation instructions for the kat's heaters custom engine block heater # kh11613 and the 12 o'clock. I found installation instructions for the dodge journey here: Moparpartsgiant.com offers genuine engine cylinder block heater for. I have the mopar factory parts for installing a block heater. Block Heater Dodge Caravan.
From schematicgen2s1ffc.z4.web.core.windows.net
Dodge Journey Heater Blowing Cold Air Block Heater Dodge Caravan I have the mopar factory parts for installing a block heater (but no directions!)and wondered if. Moparpartsgiant.com offers genuine engine cylinder block heater for. You need to remove the alternator to install the heater. This cartridge heater clips into the cavity of your engine block and produces heat keep engine fluids from. I took a look at the installation instructions. Block Heater Dodge Caravan.
From www.youtube.com
Dodge Grand Caravan Rear Heater Clicking / Front Heat Stuck On Hot Block Heater Dodge Caravan I have the mopar factory parts for installing a block heater (but no directions!)and wondered if. You need to remove the alternator to install the heater. I took a look at the installation instructions for the kat's heaters custom engine block heater # kh11613 and the 12 o'clock. This cartridge heater clips into the cavity of your engine block and. Block Heater Dodge Caravan.
From repairsally88.z19.web.core.windows.net
2006 Dodge Grand Caravan Heater Not Working Block Heater Dodge Caravan You need to remove the alternator to install the heater. I have the mopar factory parts for installing a block heater (but no directions!)and wondered if. This cartridge heater clips into the cavity of your engine block and produces heat keep engine fluids from. Benefits of a heated engine. Moparpartsgiant.com offers genuine engine cylinder block heater for. I took a. Block Heater Dodge Caravan.
From www.youtube.com
Dodge Caravan Heater RearHose Replacement YouTube Block Heater Dodge Caravan You need to remove the alternator to install the heater. I found installation instructions for the dodge journey here: I have the mopar factory parts for installing a block heater (but no directions!)and wondered if. I took a look at the installation instructions for the kat's heaters custom engine block heater # kh11613 and the 12 o'clock. Benefits of a. Block Heater Dodge Caravan.
From www.moparpartsoverstock.com
Dodge Grand Caravan Cord. Engine block heater. 3.5l 04868424AD Block Heater Dodge Caravan You need to remove the alternator to install the heater. Moparpartsgiant.com offers genuine engine cylinder block heater for. Benefits of a heated engine. I took a look at the installation instructions for the kat's heaters custom engine block heater # kh11613 and the 12 o'clock. I found installation instructions for the dodge journey here: I have the mopar factory parts. Block Heater Dodge Caravan.
From www.etrailer.com
Kat's Heaters Custom Fit Engine Block Heater Cartridge Style 120V Block Heater Dodge Caravan I have the mopar factory parts for installing a block heater (but no directions!)and wondered if. Moparpartsgiant.com offers genuine engine cylinder block heater for. You need to remove the alternator to install the heater. I took a look at the installation instructions for the kat's heaters custom engine block heater # kh11613 and the 12 o'clock. I found installation instructions. Block Heater Dodge Caravan.
From www.etrailer.com
Kat's Heaters Custom Engine Block Heater Frost Plug Style 120V Block Heater Dodge Caravan This cartridge heater clips into the cavity of your engine block and produces heat keep engine fluids from. You need to remove the alternator to install the heater. Moparpartsgiant.com offers genuine engine cylinder block heater for. I have the mopar factory parts for installing a block heater (but no directions!)and wondered if. I found installation instructions for the dodge journey. Block Heater Dodge Caravan.
From www.etrailer.com
Kat's Heaters Custom Fit Engine Block Heater Cartridge Style 120V Block Heater Dodge Caravan I found installation instructions for the dodge journey here: I have the mopar factory parts for installing a block heater (but no directions!)and wondered if. Moparpartsgiant.com offers genuine engine cylinder block heater for. This cartridge heater clips into the cavity of your engine block and produces heat keep engine fluids from. I took a look at the installation instructions for. Block Heater Dodge Caravan.
From www.etrailer.com
Kat's Heaters Custom Engine Block Heater Frost Plug Style 120V Block Heater Dodge Caravan This cartridge heater clips into the cavity of your engine block and produces heat keep engine fluids from. You need to remove the alternator to install the heater. I found installation instructions for the dodge journey here: Benefits of a heated engine. I took a look at the installation instructions for the kat's heaters custom engine block heater # kh11613. Block Heater Dodge Caravan.
From shop.advanceautoparts.com
How to Install a Block Heater Advance Auto Parts Block Heater Dodge Caravan I found installation instructions for the dodge journey here: This cartridge heater clips into the cavity of your engine block and produces heat keep engine fluids from. Moparpartsgiant.com offers genuine engine cylinder block heater for. I have the mopar factory parts for installing a block heater (but no directions!)and wondered if. Benefits of a heated engine. You need to remove. Block Heater Dodge Caravan.
From www.youtube.com
Block Heater Change 6.7 Cummins YouTube Block Heater Dodge Caravan You need to remove the alternator to install the heater. This cartridge heater clips into the cavity of your engine block and produces heat keep engine fluids from. I have the mopar factory parts for installing a block heater (but no directions!)and wondered if. I found installation instructions for the dodge journey here: Moparpartsgiant.com offers genuine engine cylinder block heater. Block Heater Dodge Caravan.
From www.moparpartsinc.com
2012 Dodge Grand Caravan Engine Block Heater for 3.3L and 3.8L V6 Block Heater Dodge Caravan You need to remove the alternator to install the heater. Moparpartsgiant.com offers genuine engine cylinder block heater for. I took a look at the installation instructions for the kat's heaters custom engine block heater # kh11613 and the 12 o'clock. Benefits of a heated engine. This cartridge heater clips into the cavity of your engine block and produces heat keep. Block Heater Dodge Caravan.
From www.etrailer.com
Kat's Heaters Custom Diesel Engine Block Heater Frost Plug 120V Block Heater Dodge Caravan Benefits of a heated engine. Moparpartsgiant.com offers genuine engine cylinder block heater for. I took a look at the installation instructions for the kat's heaters custom engine block heater # kh11613 and the 12 o'clock. I found installation instructions for the dodge journey here: This cartridge heater clips into the cavity of your engine block and produces heat keep engine. Block Heater Dodge Caravan.
From www.etrailer.com
Kat's Heaters Custom Engine Block Heater Frost Plug Style 120V Block Heater Dodge Caravan Moparpartsgiant.com offers genuine engine cylinder block heater for. I found installation instructions for the dodge journey here: You need to remove the alternator to install the heater. I took a look at the installation instructions for the kat's heaters custom engine block heater # kh11613 and the 12 o'clock. Benefits of a heated engine. I have the mopar factory parts. Block Heater Dodge Caravan.
From specsdodgenew.blogspot.com
2010 Dodge Caravan Heater Hose Diagram Specs Dodge New Block Heater Dodge Caravan I have the mopar factory parts for installing a block heater (but no directions!)and wondered if. This cartridge heater clips into the cavity of your engine block and produces heat keep engine fluids from. Benefits of a heated engine. I found installation instructions for the dodge journey here: I took a look at the installation instructions for the kat's heaters. Block Heater Dodge Caravan.
From www.youtube.com
Block Heater Cord Grand Caravan YouTube Block Heater Dodge Caravan I took a look at the installation instructions for the kat's heaters custom engine block heater # kh11613 and the 12 o'clock. I found installation instructions for the dodge journey here: I have the mopar factory parts for installing a block heater (but no directions!)and wondered if. You need to remove the alternator to install the heater. This cartridge heater. Block Heater Dodge Caravan.
From www.moparpartsgiant.com
2012 Dodge Grand Caravan Engine Cylinder Block Heater Block Heater Dodge Caravan I have the mopar factory parts for installing a block heater (but no directions!)and wondered if. This cartridge heater clips into the cavity of your engine block and produces heat keep engine fluids from. Moparpartsgiant.com offers genuine engine cylinder block heater for. I found installation instructions for the dodge journey here: You need to remove the alternator to install the. Block Heater Dodge Caravan.
From bluestarperformance.com
Engine Block Heater 3780741 Dodge Plymouth Chrysler Car Block Heater Dodge Caravan I have the mopar factory parts for installing a block heater (but no directions!)and wondered if. This cartridge heater clips into the cavity of your engine block and produces heat keep engine fluids from. You need to remove the alternator to install the heater. I found installation instructions for the dodge journey here: I took a look at the installation. Block Heater Dodge Caravan.
From garageclosexyloidin.z21.web.core.windows.net
2012 Dodge Grand Caravan Heater Hose Diagram Block Heater Dodge Caravan Moparpartsgiant.com offers genuine engine cylinder block heater for. Benefits of a heated engine. This cartridge heater clips into the cavity of your engine block and produces heat keep engine fluids from. You need to remove the alternator to install the heater. I took a look at the installation instructions for the kat's heaters custom engine block heater # kh11613 and. Block Heater Dodge Caravan.
From www.chryslerminivan.net
block heater The Chrysler Minivan Fan Club Forums Block Heater Dodge Caravan I found installation instructions for the dodge journey here: Benefits of a heated engine. Moparpartsgiant.com offers genuine engine cylinder block heater for. You need to remove the alternator to install the heater. I have the mopar factory parts for installing a block heater (but no directions!)and wondered if. I took a look at the installation instructions for the kat's heaters. Block Heater Dodge Caravan.
From www.etrailer.com
Kat's Heaters Custom Engine Block Heater Frost Plug Style 120V Block Heater Dodge Caravan You need to remove the alternator to install the heater. I took a look at the installation instructions for the kat's heaters custom engine block heater # kh11613 and the 12 o'clock. I found installation instructions for the dodge journey here: Moparpartsgiant.com offers genuine engine cylinder block heater for. I have the mopar factory parts for installing a block heater. Block Heater Dodge Caravan.
From www.youtube.com
2008 Dodge Grand Caravan heater hose replacement YouTube Block Heater Dodge Caravan You need to remove the alternator to install the heater. This cartridge heater clips into the cavity of your engine block and produces heat keep engine fluids from. I found installation instructions for the dodge journey here: Moparpartsgiant.com offers genuine engine cylinder block heater for. I have the mopar factory parts for installing a block heater (but no directions!)and wondered. Block Heater Dodge Caravan.
From www.chryslerminivan.net
2017 3.6 block heater installation? The Chrysler Minivan Fan Club Forums Block Heater Dodge Caravan Benefits of a heated engine. I have the mopar factory parts for installing a block heater (but no directions!)and wondered if. Moparpartsgiant.com offers genuine engine cylinder block heater for. This cartridge heater clips into the cavity of your engine block and produces heat keep engine fluids from. I took a look at the installation instructions for the kat's heaters custom. Block Heater Dodge Caravan.
From www.leeparts.com
Dodge Engine Block Heaters Block Heater Dodge Caravan I took a look at the installation instructions for the kat's heaters custom engine block heater # kh11613 and the 12 o'clock. Moparpartsgiant.com offers genuine engine cylinder block heater for. I found installation instructions for the dodge journey here: Benefits of a heated engine. I have the mopar factory parts for installing a block heater (but no directions!)and wondered if.. Block Heater Dodge Caravan.
From www.youtube.com
How to Replace Heater Control Panel Dodge Grand Caravan (20082020 Block Heater Dodge Caravan I have the mopar factory parts for installing a block heater (but no directions!)and wondered if. Benefits of a heated engine. You need to remove the alternator to install the heater. Moparpartsgiant.com offers genuine engine cylinder block heater for. I took a look at the installation instructions for the kat's heaters custom engine block heater # kh11613 and the 12. Block Heater Dodge Caravan.