Gehl Skid Steer Electrical Problems . I seem to be having an electrical problem getting it started. i am embarassed to say that my brother and i attempted to put a new (rebuilt) starter on our 4625. I have a gehl 5635 dx skid steer. guys, i'm having some intermittent issues with my 2004 gehl 5640. The issues have been far between, but. the gehl skid steer wiring diagram is a comprehensive tool that provides a detailed representation of the electrical system. If you're facing issues that aren't mechanical, it might be worth running a diagnostic check on the machine's electronic system. This can help pinpoint any software issues or sensor malfunctions. electronic system diagnostics. Modern gehl skid steers come equipped with sophisticated electronic systems. i have 12v to switch but when keyed on the accessory voltage as well as the battery voltage both remain at 0 volts.
from www.organised-sound.com
I have a gehl 5635 dx skid steer. i am embarassed to say that my brother and i attempted to put a new (rebuilt) starter on our 4625. the gehl skid steer wiring diagram is a comprehensive tool that provides a detailed representation of the electrical system. guys, i'm having some intermittent issues with my 2004 gehl 5640. If you're facing issues that aren't mechanical, it might be worth running a diagnostic check on the machine's electronic system. I seem to be having an electrical problem getting it started. Modern gehl skid steers come equipped with sophisticated electronic systems. The issues have been far between, but. This can help pinpoint any software issues or sensor malfunctions. i have 12v to switch but when keyed on the accessory voltage as well as the battery voltage both remain at 0 volts.
Gehl Skid Steer Ignition Switch Wiring Diagram Pdf Wiring Diagram
Gehl Skid Steer Electrical Problems The issues have been far between, but. I seem to be having an electrical problem getting it started. guys, i'm having some intermittent issues with my 2004 gehl 5640. Modern gehl skid steers come equipped with sophisticated electronic systems. the gehl skid steer wiring diagram is a comprehensive tool that provides a detailed representation of the electrical system. I have a gehl 5635 dx skid steer. i have 12v to switch but when keyed on the accessory voltage as well as the battery voltage both remain at 0 volts. This can help pinpoint any software issues or sensor malfunctions. i am embarassed to say that my brother and i attempted to put a new (rebuilt) starter on our 4625. electronic system diagnostics. The issues have been far between, but. If you're facing issues that aren't mechanical, it might be worth running a diagnostic check on the machine's electronic system.
From www.wiringwork.com
Gehl Skid Steer Wiring Diagram Wiring Work Gehl Skid Steer Electrical Problems the gehl skid steer wiring diagram is a comprehensive tool that provides a detailed representation of the electrical system. The issues have been far between, but. i have 12v to switch but when keyed on the accessory voltage as well as the battery voltage both remain at 0 volts. If you're facing issues that aren't mechanical, it might. Gehl Skid Steer Electrical Problems.
From www.diagramelectric.co
Gehl Skid Steer Ignition Switch Wiring Diagram Pdf Wiring Diagram Gehl Skid Steer Electrical Problems guys, i'm having some intermittent issues with my 2004 gehl 5640. electronic system diagnostics. I have a gehl 5635 dx skid steer. i have 12v to switch but when keyed on the accessory voltage as well as the battery voltage both remain at 0 volts. the gehl skid steer wiring diagram is a comprehensive tool that. Gehl Skid Steer Electrical Problems.
From www.wiringdigital.com
Gehl Skid Steer Wiring Diagram » Wiring Digital And Schematic Gehl Skid Steer Electrical Problems The issues have been far between, but. I seem to be having an electrical problem getting it started. the gehl skid steer wiring diagram is a comprehensive tool that provides a detailed representation of the electrical system. i am embarassed to say that my brother and i attempted to put a new (rebuilt) starter on our 4625. I. Gehl Skid Steer Electrical Problems.
From wiringdiagram.2bitboer.com
Gehl Skid Steer Wiring Diagram Wiring Diagram Gehl Skid Steer Electrical Problems I have a gehl 5635 dx skid steer. This can help pinpoint any software issues or sensor malfunctions. the gehl skid steer wiring diagram is a comprehensive tool that provides a detailed representation of the electrical system. guys, i'm having some intermittent issues with my 2004 gehl 5640. Modern gehl skid steers come equipped with sophisticated electronic systems.. Gehl Skid Steer Electrical Problems.
From servicepartmanuals.com
GEHL 4640E 5240E Skid Steer Loader Power 2 2056 Series II 4TNV98ZNMS2 Gehl Skid Steer Electrical Problems i have 12v to switch but when keyed on the accessory voltage as well as the battery voltage both remain at 0 volts. The issues have been far between, but. This can help pinpoint any software issues or sensor malfunctions. electronic system diagnostics. i am embarassed to say that my brother and i attempted to put a. Gehl Skid Steer Electrical Problems.
From www.wiringdraw.com
Gehl Skid Steer Ignition Switch Wiring Diagram Gehl Skid Steer Electrical Problems If you're facing issues that aren't mechanical, it might be worth running a diagnostic check on the machine's electronic system. i am embarassed to say that my brother and i attempted to put a new (rebuilt) starter on our 4625. the gehl skid steer wiring diagram is a comprehensive tool that provides a detailed representation of the electrical. Gehl Skid Steer Electrical Problems.
From techschems.com
Understanding the Gehl Skid Steer Wiring Diagram A Comprehensive Guide Gehl Skid Steer Electrical Problems I have a gehl 5635 dx skid steer. i am embarassed to say that my brother and i attempted to put a new (rebuilt) starter on our 4625. Modern gehl skid steers come equipped with sophisticated electronic systems. electronic system diagnostics. guys, i'm having some intermittent issues with my 2004 gehl 5640. the gehl skid steer. Gehl Skid Steer Electrical Problems.
From autoepcservice.com
Gehl Skid Steer Loader SL5620 Operator's Manual 904264A Gehl Skid Steer Electrical Problems guys, i'm having some intermittent issues with my 2004 gehl 5640. i have 12v to switch but when keyed on the accessory voltage as well as the battery voltage both remain at 0 volts. I seem to be having an electrical problem getting it started. I have a gehl 5635 dx skid steer. i am embarassed to. Gehl Skid Steer Electrical Problems.
From www.diagramelectric.co
Gehl Skid Steer Ignition Switch Wiring Diagram Wiring Diagram Gehl Skid Steer Electrical Problems If you're facing issues that aren't mechanical, it might be worth running a diagnostic check on the machine's electronic system. i am embarassed to say that my brother and i attempted to put a new (rebuilt) starter on our 4625. I seem to be having an electrical problem getting it started. This can help pinpoint any software issues or. Gehl Skid Steer Electrical Problems.
From www.176iot.com
Gehl Skid Steer Wiring Diagram IOT Wiring Diagram Gehl Skid Steer Electrical Problems I seem to be having an electrical problem getting it started. If you're facing issues that aren't mechanical, it might be worth running a diagnostic check on the machine's electronic system. This can help pinpoint any software issues or sensor malfunctions. i am embarassed to say that my brother and i attempted to put a new (rebuilt) starter on. Gehl Skid Steer Electrical Problems.
From servicepartmanuals.com
GEHL 4640E 5240E Skid Steer Loader Power 2 2056 Series II 4TNV98ZNMS2 Gehl Skid Steer Electrical Problems the gehl skid steer wiring diagram is a comprehensive tool that provides a detailed representation of the electrical system. electronic system diagnostics. i am embarassed to say that my brother and i attempted to put a new (rebuilt) starter on our 4625. I have a gehl 5635 dx skid steer. The issues have been far between, but.. Gehl Skid Steer Electrical Problems.
From www.got2bwireless.com
Gehl Skid Steer Wiring Diagram Database Gehl Skid Steer Electrical Problems the gehl skid steer wiring diagram is a comprehensive tool that provides a detailed representation of the electrical system. If you're facing issues that aren't mechanical, it might be worth running a diagnostic check on the machine's electronic system. The issues have been far between, but. Modern gehl skid steers come equipped with sophisticated electronic systems. electronic system. Gehl Skid Steer Electrical Problems.
From www.wiringdraw.com
Gehl Skid Steer Ignition Switch Wiring Diagram » Wiring Draw And Schematic Gehl Skid Steer Electrical Problems I have a gehl 5635 dx skid steer. I seem to be having an electrical problem getting it started. electronic system diagnostics. the gehl skid steer wiring diagram is a comprehensive tool that provides a detailed representation of the electrical system. This can help pinpoint any software issues or sensor malfunctions. i have 12v to switch but. Gehl Skid Steer Electrical Problems.
From www.wiringdraw.com
Gehl Skid Steer Wiring Diagram Wiring Draw And Schematic Gehl Skid Steer Electrical Problems I have a gehl 5635 dx skid steer. i am embarassed to say that my brother and i attempted to put a new (rebuilt) starter on our 4625. The issues have been far between, but. guys, i'm having some intermittent issues with my 2004 gehl 5640. I seem to be having an electrical problem getting it started. This. Gehl Skid Steer Electrical Problems.
From www.diagramboard.com
gehl 3310 skid steer wiring diagram Diagram Board Gehl Skid Steer Electrical Problems the gehl skid steer wiring diagram is a comprehensive tool that provides a detailed representation of the electrical system. Modern gehl skid steers come equipped with sophisticated electronic systems. The issues have been far between, but. This can help pinpoint any software issues or sensor malfunctions. If you're facing issues that aren't mechanical, it might be worth running a. Gehl Skid Steer Electrical Problems.
From www.organised-sound.com
Gehl Skid Steer Wiring Diagram » Wiring Diagram Gehl Skid Steer Electrical Problems electronic system diagnostics. the gehl skid steer wiring diagram is a comprehensive tool that provides a detailed representation of the electrical system. This can help pinpoint any software issues or sensor malfunctions. i have 12v to switch but when keyed on the accessory voltage as well as the battery voltage both remain at 0 volts. I have. Gehl Skid Steer Electrical Problems.
From www.diagramelectric.co
Gehl Skid Steer Wiring Diagram Wiring Diagram Gehl Skid Steer Electrical Problems Modern gehl skid steers come equipped with sophisticated electronic systems. I seem to be having an electrical problem getting it started. guys, i'm having some intermittent issues with my 2004 gehl 5640. This can help pinpoint any software issues or sensor malfunctions. i have 12v to switch but when keyed on the accessory voltage as well as the. Gehl Skid Steer Electrical Problems.
From www.organised-sound.com
Gehl Skid Steer Wiring Diagram Wiring Diagram Gehl Skid Steer Electrical Problems This can help pinpoint any software issues or sensor malfunctions. guys, i'm having some intermittent issues with my 2004 gehl 5640. I have a gehl 5635 dx skid steer. electronic system diagnostics. i am embarassed to say that my brother and i attempted to put a new (rebuilt) starter on our 4625. Modern gehl skid steers come. Gehl Skid Steer Electrical Problems.
From www.wiringdraw.com
Gehl Skid Steer Ignition Switch Wiring Diagram Wiring Draw And Schematic Gehl Skid Steer Electrical Problems electronic system diagnostics. The issues have been far between, but. guys, i'm having some intermittent issues with my 2004 gehl 5640. i have 12v to switch but when keyed on the accessory voltage as well as the battery voltage both remain at 0 volts. This can help pinpoint any software issues or sensor malfunctions. i am. Gehl Skid Steer Electrical Problems.
From www.organised-sound.com
Gehl Skid Steer Wiring Diagram Wiring Diagram Gehl Skid Steer Electrical Problems the gehl skid steer wiring diagram is a comprehensive tool that provides a detailed representation of the electrical system. The issues have been far between, but. I have a gehl 5635 dx skid steer. guys, i'm having some intermittent issues with my 2004 gehl 5640. i am embarassed to say that my brother and i attempted to. Gehl Skid Steer Electrical Problems.
From www.wiringstech.com
Gehl Skid Steer Wiring Diagram Wiring Technology Gehl Skid Steer Electrical Problems I seem to be having an electrical problem getting it started. I have a gehl 5635 dx skid steer. guys, i'm having some intermittent issues with my 2004 gehl 5640. This can help pinpoint any software issues or sensor malfunctions. If you're facing issues that aren't mechanical, it might be worth running a diagnostic check on the machine's electronic. Gehl Skid Steer Electrical Problems.
From diagramwiringschema.blogspot.com
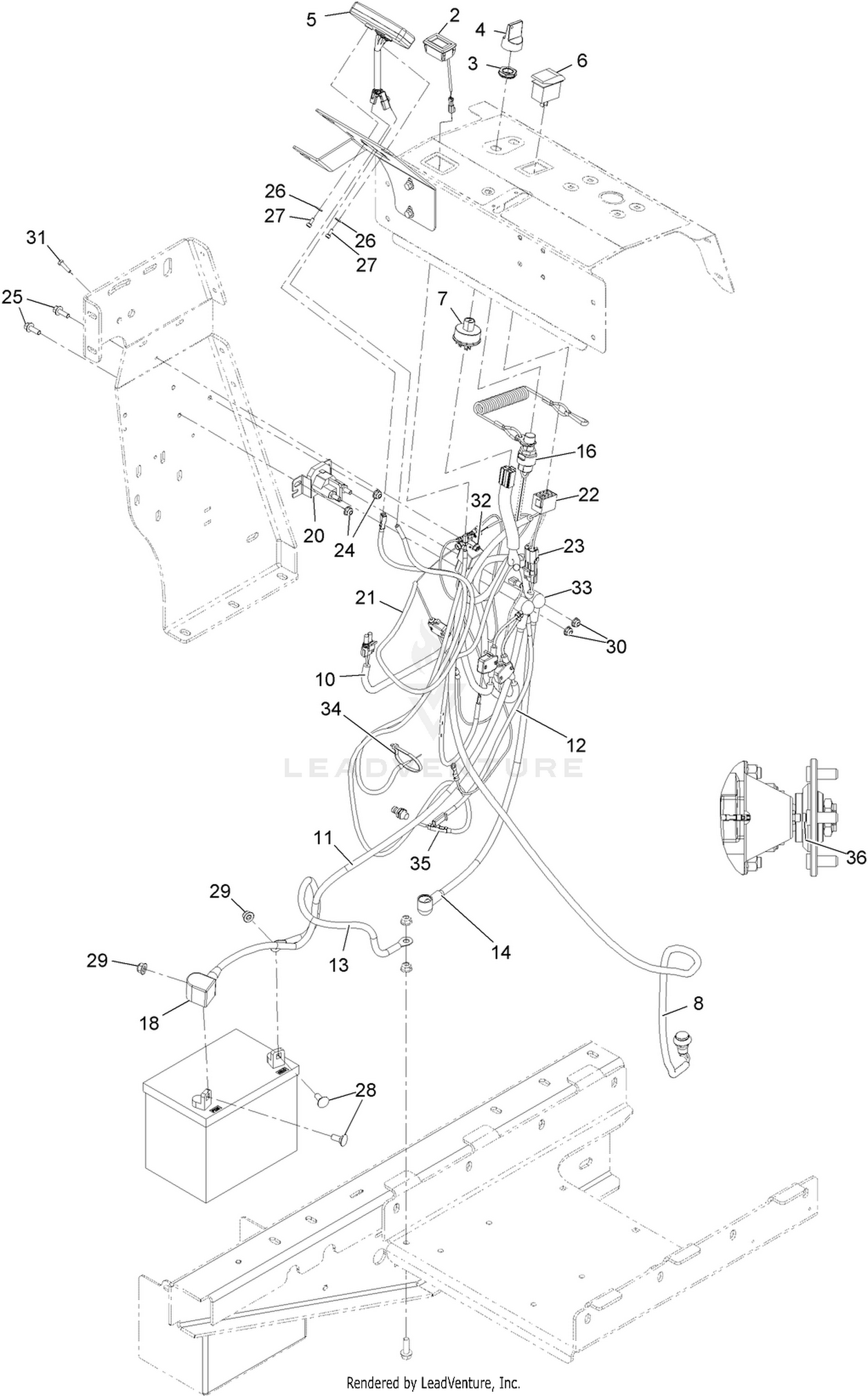
Gehl Skid Steer Parts Diagram diagramwirings Gehl Skid Steer Electrical Problems I have a gehl 5635 dx skid steer. i am embarassed to say that my brother and i attempted to put a new (rebuilt) starter on our 4625. Modern gehl skid steers come equipped with sophisticated electronic systems. the gehl skid steer wiring diagram is a comprehensive tool that provides a detailed representation of the electrical system. I. Gehl Skid Steer Electrical Problems.
From www.wiringdraw.com
Gehl Skid Steer Wiring Diagram Wiring Draw And Schematic Gehl Skid Steer Electrical Problems electronic system diagnostics. i have 12v to switch but when keyed on the accessory voltage as well as the battery voltage both remain at 0 volts. If you're facing issues that aren't mechanical, it might be worth running a diagnostic check on the machine's electronic system. the gehl skid steer wiring diagram is a comprehensive tool that. Gehl Skid Steer Electrical Problems.
From www.diagramboard.com
gehl 3310 skid steer wiring diagram Diagram Board Gehl Skid Steer Electrical Problems The issues have been far between, but. If you're facing issues that aren't mechanical, it might be worth running a diagnostic check on the machine's electronic system. electronic system diagnostics. Modern gehl skid steers come equipped with sophisticated electronic systems. guys, i'm having some intermittent issues with my 2004 gehl 5640. I have a gehl 5635 dx skid. Gehl Skid Steer Electrical Problems.
From www.diagramboard.com
gehl 3310 skid steer wiring diagram Diagram Board Gehl Skid Steer Electrical Problems This can help pinpoint any software issues or sensor malfunctions. the gehl skid steer wiring diagram is a comprehensive tool that provides a detailed representation of the electrical system. I seem to be having an electrical problem getting it started. i have 12v to switch but when keyed on the accessory voltage as well as the battery voltage. Gehl Skid Steer Electrical Problems.
From www.youtube.com
Gehl 4625sx skid steer electrical issue YouTube Gehl Skid Steer Electrical Problems If you're facing issues that aren't mechanical, it might be worth running a diagnostic check on the machine's electronic system. electronic system diagnostics. This can help pinpoint any software issues or sensor malfunctions. Modern gehl skid steers come equipped with sophisticated electronic systems. guys, i'm having some intermittent issues with my 2004 gehl 5640. the gehl skid. Gehl Skid Steer Electrical Problems.
From www.organised-sound.com
Gehl Skid Steer Ignition Switch Wiring Diagram Pdf Wiring Diagram Gehl Skid Steer Electrical Problems Modern gehl skid steers come equipped with sophisticated electronic systems. The issues have been far between, but. the gehl skid steer wiring diagram is a comprehensive tool that provides a detailed representation of the electrical system. I seem to be having an electrical problem getting it started. i am embarassed to say that my brother and i attempted. Gehl Skid Steer Electrical Problems.
From www.caretxdigital.com
Gehl Skid Steer Wiring Diagram Wiring Diagram and Schematics Gehl Skid Steer Electrical Problems This can help pinpoint any software issues or sensor malfunctions. I have a gehl 5635 dx skid steer. guys, i'm having some intermittent issues with my 2004 gehl 5640. I seem to be having an electrical problem getting it started. electronic system diagnostics. i am embarassed to say that my brother and i attempted to put a. Gehl Skid Steer Electrical Problems.
From tractorproblems.com
7 Common Gehl 3510 Problems and Troubleshooting Steps Gehl Skid Steer Electrical Problems The issues have been far between, but. electronic system diagnostics. Modern gehl skid steers come equipped with sophisticated electronic systems. I seem to be having an electrical problem getting it started. guys, i'm having some intermittent issues with my 2004 gehl 5640. i have 12v to switch but when keyed on the accessory voltage as well as. Gehl Skid Steer Electrical Problems.
From www.wiringdraw.com
Gehl Skid Steer Ignition Switch Wiring Diagram Wiring Draw And Schematic Gehl Skid Steer Electrical Problems I have a gehl 5635 dx skid steer. This can help pinpoint any software issues or sensor malfunctions. electronic system diagnostics. I seem to be having an electrical problem getting it started. the gehl skid steer wiring diagram is a comprehensive tool that provides a detailed representation of the electrical system. guys, i'm having some intermittent issues. Gehl Skid Steer Electrical Problems.
From www.wiringdigital.com
Gehl Skid Steer Wiring Diagram » Wiring Digital And Schematic Gehl Skid Steer Electrical Problems I seem to be having an electrical problem getting it started. guys, i'm having some intermittent issues with my 2004 gehl 5640. The issues have been far between, but. This can help pinpoint any software issues or sensor malfunctions. the gehl skid steer wiring diagram is a comprehensive tool that provides a detailed representation of the electrical system.. Gehl Skid Steer Electrical Problems.
From www.diagramelectric.co
Gehl Skid Steer Wiring Diagram » Wiring Diagram Gehl Skid Steer Electrical Problems I have a gehl 5635 dx skid steer. electronic system diagnostics. I seem to be having an electrical problem getting it started. i am embarassed to say that my brother and i attempted to put a new (rebuilt) starter on our 4625. guys, i'm having some intermittent issues with my 2004 gehl 5640. the gehl skid. Gehl Skid Steer Electrical Problems.
From www.organised-sound.com
Gehl Skid Steer Wiring Diagram Wiring Diagram Gehl Skid Steer Electrical Problems electronic system diagnostics. guys, i'm having some intermittent issues with my 2004 gehl 5640. Modern gehl skid steers come equipped with sophisticated electronic systems. I seem to be having an electrical problem getting it started. i am embarassed to say that my brother and i attempted to put a new (rebuilt) starter on our 4625. i. Gehl Skid Steer Electrical Problems.
From wiringdiagram.2bitboer.com
Gehl Skid Steer Wiring Diagram Wiring Diagram Gehl Skid Steer Electrical Problems the gehl skid steer wiring diagram is a comprehensive tool that provides a detailed representation of the electrical system. guys, i'm having some intermittent issues with my 2004 gehl 5640. If you're facing issues that aren't mechanical, it might be worth running a diagnostic check on the machine's electronic system. i am embarassed to say that my. Gehl Skid Steer Electrical Problems.
From wiringdiagram.2bitboer.com
Gehl Skid Steer Wiring Diagram Wiring Diagram Gehl Skid Steer Electrical Problems electronic system diagnostics. i have 12v to switch but when keyed on the accessory voltage as well as the battery voltage both remain at 0 volts. If you're facing issues that aren't mechanical, it might be worth running a diagnostic check on the machine's electronic system. Modern gehl skid steers come equipped with sophisticated electronic systems. I have. Gehl Skid Steer Electrical Problems.