Zuken E3 Manual Pdf . To ensure that your new and older. Learn more about the study version of e3.series, e3.student and see how to download it for students and those interested in solutions for electrical projects. Its intelligent block functionality enables engineers to quickly represent dynamic. Terconnecting devices and designing cables and harnesses. Training manual e³.schematic e³.cable this training manual contains the functionality of e³.schematic and. Zuken maintains excellent working relationships with international companies in the areas of electrical, electronic and machinery manufacturing, using their feedback to implement. Its flexibility supports the entire process from. Zuken’s e³.series is used for documenting and detailing electrical and fluid design projects.
from www.youtube.com
Its flexibility supports the entire process from. Terconnecting devices and designing cables and harnesses. Learn more about the study version of e3.series, e3.student and see how to download it for students and those interested in solutions for electrical projects. Training manual e³.schematic e³.cable this training manual contains the functionality of e³.schematic and. To ensure that your new and older. Its intelligent block functionality enables engineers to quickly represent dynamic. Zuken’s e³.series is used for documenting and detailing electrical and fluid design projects. Zuken maintains excellent working relationships with international companies in the areas of electrical, electronic and machinery manufacturing, using their feedback to implement.
Easy project sorting and formatting using Zuken E3.Series YouTube
Zuken E3 Manual Pdf Learn more about the study version of e3.series, e3.student and see how to download it for students and those interested in solutions for electrical projects. Training manual e³.schematic e³.cable this training manual contains the functionality of e³.schematic and. Zuken’s e³.series is used for documenting and detailing electrical and fluid design projects. Zuken maintains excellent working relationships with international companies in the areas of electrical, electronic and machinery manufacturing, using their feedback to implement. Its intelligent block functionality enables engineers to quickly represent dynamic. Its flexibility supports the entire process from. Terconnecting devices and designing cables and harnesses. Learn more about the study version of e3.series, e3.student and see how to download it for students and those interested in solutions for electrical projects. To ensure that your new and older.
From clickdown.org
how to active Zuken E3.series 2023 Build 24.00 Zuken E3 Manual Pdf Its intelligent block functionality enables engineers to quickly represent dynamic. Terconnecting devices and designing cables and harnesses. Zuken’s e³.series is used for documenting and detailing electrical and fluid design projects. Its flexibility supports the entire process from. To ensure that your new and older. Learn more about the study version of e3.series, e3.student and see how to download it for. Zuken E3 Manual Pdf.
From www.youtube.com
Easy Schematic generation using Zuken E3.Series, YouTube Zuken E3 Manual Pdf Zuken’s e³.series is used for documenting and detailing electrical and fluid design projects. Learn more about the study version of e3.series, e3.student and see how to download it for students and those interested in solutions for electrical projects. To ensure that your new and older. Training manual e³.schematic e³.cable this training manual contains the functionality of e³.schematic and. Zuken maintains. Zuken E3 Manual Pdf.
From www.zuken.com
FREE E3.series Component Libraries for download Zuken EN Zuken E3 Manual Pdf Terconnecting devices and designing cables and harnesses. Its intelligent block functionality enables engineers to quickly represent dynamic. Its flexibility supports the entire process from. Learn more about the study version of e3.series, e3.student and see how to download it for students and those interested in solutions for electrical projects. To ensure that your new and older. Zuken maintains excellent working. Zuken E3 Manual Pdf.
From extrusionmanager.com
Zuken E3.series Zuken E3 Manual Pdf Its flexibility supports the entire process from. Zuken maintains excellent working relationships with international companies in the areas of electrical, electronic and machinery manufacturing, using their feedback to implement. Terconnecting devices and designing cables and harnesses. To ensure that your new and older. Training manual e³.schematic e³.cable this training manual contains the functionality of e³.schematic and. Zuken’s e³.series is used. Zuken E3 Manual Pdf.
From softprober.com
Zuken E3.series Technical Setup Details Zuken E3 Manual Pdf Its flexibility supports the entire process from. To ensure that your new and older. Training manual e³.schematic e³.cable this training manual contains the functionality of e³.schematic and. Zuken maintains excellent working relationships with international companies in the areas of electrical, electronic and machinery manufacturing, using their feedback to implement. Its intelligent block functionality enables engineers to quickly represent dynamic. Zuken’s. Zuken E3 Manual Pdf.
From www.youtube.com
How to create an off sheet reference in zuken E3.series YouTube Zuken E3 Manual Pdf Training manual e³.schematic e³.cable this training manual contains the functionality of e³.schematic and. Learn more about the study version of e3.series, e3.student and see how to download it for students and those interested in solutions for electrical projects. Its flexibility supports the entire process from. Zuken’s e³.series is used for documenting and detailing electrical and fluid design projects. Zuken maintains. Zuken E3 Manual Pdf.
From www.youtube.com
Easy Harness enigneering drawing using Zuken E3.series YouTube Zuken E3 Manual Pdf Learn more about the study version of e3.series, e3.student and see how to download it for students and those interested in solutions for electrical projects. Its flexibility supports the entire process from. Zuken maintains excellent working relationships with international companies in the areas of electrical, electronic and machinery manufacturing, using their feedback to implement. Training manual e³.schematic e³.cable this training. Zuken E3 Manual Pdf.
From www.zuken.com
E3.series Version 2020 Zuken SA Zuken E3 Manual Pdf Training manual e³.schematic e³.cable this training manual contains the functionality of e³.schematic and. Terconnecting devices and designing cables and harnesses. Its flexibility supports the entire process from. Learn more about the study version of e3.series, e3.student and see how to download it for students and those interested in solutions for electrical projects. Its intelligent block functionality enables engineers to quickly. Zuken E3 Manual Pdf.
From www.zuken.com
FREE E3.series Component Libraries for download Zuken EN Zuken E3 Manual Pdf Its intelligent block functionality enables engineers to quickly represent dynamic. Terconnecting devices and designing cables and harnesses. Training manual e³.schematic e³.cable this training manual contains the functionality of e³.schematic and. To ensure that your new and older. Its flexibility supports the entire process from. Learn more about the study version of e3.series, e3.student and see how to download it for. Zuken E3 Manual Pdf.
From softprober.com
Features of Zuken E3.series Zuken E3 Manual Pdf Learn more about the study version of e3.series, e3.student and see how to download it for students and those interested in solutions for electrical projects. Training manual e³.schematic e³.cable this training manual contains the functionality of e³.schematic and. Zuken maintains excellent working relationships with international companies in the areas of electrical, electronic and machinery manufacturing, using their feedback to implement.. Zuken E3 Manual Pdf.
From www.zuken.com
What’s New in E3.series 2022 Zuken US Zuken E3 Manual Pdf To ensure that your new and older. Zuken maintains excellent working relationships with international companies in the areas of electrical, electronic and machinery manufacturing, using their feedback to implement. Zuken’s e³.series is used for documenting and detailing electrical and fluid design projects. Terconnecting devices and designing cables and harnesses. Its intelligent block functionality enables engineers to quickly represent dynamic. Training. Zuken E3 Manual Pdf.
From www.zuken.com
La solution E3.Series de Zuken améliore encore le processus de création des jumeaux numériques Zuken E3 Manual Pdf Its intelligent block functionality enables engineers to quickly represent dynamic. Terconnecting devices and designing cables and harnesses. Zuken maintains excellent working relationships with international companies in the areas of electrical, electronic and machinery manufacturing, using their feedback to implement. Its flexibility supports the entire process from. Learn more about the study version of e3.series, e3.student and see how to download. Zuken E3 Manual Pdf.
From www.zuken.com
Quick Introduction to E3.schematic E3.series Zuken EN Zuken E3 Manual Pdf Zuken maintains excellent working relationships with international companies in the areas of electrical, electronic and machinery manufacturing, using their feedback to implement. Learn more about the study version of e3.series, e3.student and see how to download it for students and those interested in solutions for electrical projects. Its intelligent block functionality enables engineers to quickly represent dynamic. To ensure that. Zuken E3 Manual Pdf.
From asrposfaces.weebly.com
Zuken e3 series cost asrposfaces Zuken E3 Manual Pdf Learn more about the study version of e3.series, e3.student and see how to download it for students and those interested in solutions for electrical projects. Zuken maintains excellent working relationships with international companies in the areas of electrical, electronic and machinery manufacturing, using their feedback to implement. Terconnecting devices and designing cables and harnesses. To ensure that your new and. Zuken E3 Manual Pdf.
From www.zuken.co.kr
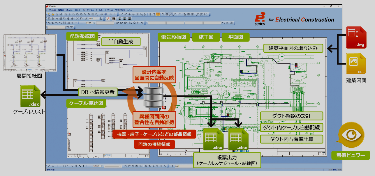
E3.series for Electrical Construction 製品カタログ 주식회사 ZUKEN Zuken E3 Manual Pdf To ensure that your new and older. Zuken’s e³.series is used for documenting and detailing electrical and fluid design projects. Training manual e³.schematic e³.cable this training manual contains the functionality of e³.schematic and. Zuken maintains excellent working relationships with international companies in the areas of electrical, electronic and machinery manufacturing, using their feedback to implement. Its flexibility supports the entire. Zuken E3 Manual Pdf.
From de.scribd.com
Zuken E3 Quicktour de PDF Zuken E3 Manual Pdf Its flexibility supports the entire process from. Its intelligent block functionality enables engineers to quickly represent dynamic. Learn more about the study version of e3.series, e3.student and see how to download it for students and those interested in solutions for electrical projects. Terconnecting devices and designing cables and harnesses. To ensure that your new and older. Training manual e³.schematic e³.cable. Zuken E3 Manual Pdf.
From www.youtube.com
Easy Revision and version management of Engineering designs using ZUKEN E3.Series YouTube Zuken E3 Manual Pdf Zuken’s e³.series is used for documenting and detailing electrical and fluid design projects. Learn more about the study version of e3.series, e3.student and see how to download it for students and those interested in solutions for electrical projects. Its flexibility supports the entire process from. Terconnecting devices and designing cables and harnesses. Its intelligent block functionality enables engineers to quickly. Zuken E3 Manual Pdf.
From www.zuken.com
Fluid Power Design Software E3.fluid Zuken EN Zuken E3 Manual Pdf Zuken’s e³.series is used for documenting and detailing electrical and fluid design projects. Learn more about the study version of e3.series, e3.student and see how to download it for students and those interested in solutions for electrical projects. Its intelligent block functionality enables engineers to quickly represent dynamic. To ensure that your new and older. Zuken maintains excellent working relationships. Zuken E3 Manual Pdf.
From es.scribd.com
Zuken E3 Modular Structure Technical Spec PDF Zuken E3 Manual Pdf Its intelligent block functionality enables engineers to quickly represent dynamic. Zuken’s e³.series is used for documenting and detailing electrical and fluid design projects. Training manual e³.schematic e³.cable this training manual contains the functionality of e³.schematic and. Learn more about the study version of e3.series, e3.student and see how to download it for students and those interested in solutions for electrical. Zuken E3 Manual Pdf.
From www.zuken.com
E3.schematic Datasheet Zuken EN Zuken E3 Manual Pdf Terconnecting devices and designing cables and harnesses. To ensure that your new and older. Learn more about the study version of e3.series, e3.student and see how to download it for students and those interested in solutions for electrical projects. Its intelligent block functionality enables engineers to quickly represent dynamic. Training manual e³.schematic e³.cable this training manual contains the functionality of. Zuken E3 Manual Pdf.
From www.zuken.com
Tech Tip Using Drawing Notes Manager in E3.series Zuken US Zuken E3 Manual Pdf Its intelligent block functionality enables engineers to quickly represent dynamic. Training manual e³.schematic e³.cable this training manual contains the functionality of e³.schematic and. Zuken maintains excellent working relationships with international companies in the areas of electrical, electronic and machinery manufacturing, using their feedback to implement. Terconnecting devices and designing cables and harnesses. Learn more about the study version of e3.series,. Zuken E3 Manual Pdf.
From trekdigital.weebly.com
Zuken E3 Series Crackle trekdigital Zuken E3 Manual Pdf Zuken’s e³.series is used for documenting and detailing electrical and fluid design projects. Terconnecting devices and designing cables and harnesses. To ensure that your new and older. Its flexibility supports the entire process from. Training manual e³.schematic e³.cable this training manual contains the functionality of e³.schematic and. Its intelligent block functionality enables engineers to quickly represent dynamic. Zuken maintains excellent. Zuken E3 Manual Pdf.
From www.youtube.com
Easy project sorting and formatting using Zuken E3.Series YouTube Zuken E3 Manual Pdf To ensure that your new and older. Zuken’s e³.series is used for documenting and detailing electrical and fluid design projects. Terconnecting devices and designing cables and harnesses. Training manual e³.schematic e³.cable this training manual contains the functionality of e³.schematic and. Its intelligent block functionality enables engineers to quickly represent dynamic. Its flexibility supports the entire process from. Learn more about. Zuken E3 Manual Pdf.
From www.teckhme.com
download Zuken E3.series 2022 Zuken E3 Manual Pdf Zuken maintains excellent working relationships with international companies in the areas of electrical, electronic and machinery manufacturing, using their feedback to implement. Its intelligent block functionality enables engineers to quickly represent dynamic. Terconnecting devices and designing cables and harnesses. To ensure that your new and older. Zuken’s e³.series is used for documenting and detailing electrical and fluid design projects. Its. Zuken E3 Manual Pdf.
From www.zuken.com
Quick Introduction to E3.cable E3.series Zuken EN Zuken E3 Manual Pdf Learn more about the study version of e3.series, e3.student and see how to download it for students and those interested in solutions for electrical projects. Terconnecting devices and designing cables and harnesses. Zuken maintains excellent working relationships with international companies in the areas of electrical, electronic and machinery manufacturing, using their feedback to implement. To ensure that your new and. Zuken E3 Manual Pdf.
From www.zuken.com
E3.schematic Zuken SA Zuken E3 Manual Pdf Its intelligent block functionality enables engineers to quickly represent dynamic. To ensure that your new and older. Training manual e³.schematic e³.cable this training manual contains the functionality of e³.schematic and. Its flexibility supports the entire process from. Zuken maintains excellent working relationships with international companies in the areas of electrical, electronic and machinery manufacturing, using their feedback to implement. Zuken’s. Zuken E3 Manual Pdf.
From www.zuken.com
E3.series 2020 What's New Zuken EN Zuken E3 Manual Pdf To ensure that your new and older. Training manual e³.schematic e³.cable this training manual contains the functionality of e³.schematic and. Learn more about the study version of e3.series, e3.student and see how to download it for students and those interested in solutions for electrical projects. Its flexibility supports the entire process from. Zuken’s e³.series is used for documenting and detailing. Zuken E3 Manual Pdf.
From www.scribd.com
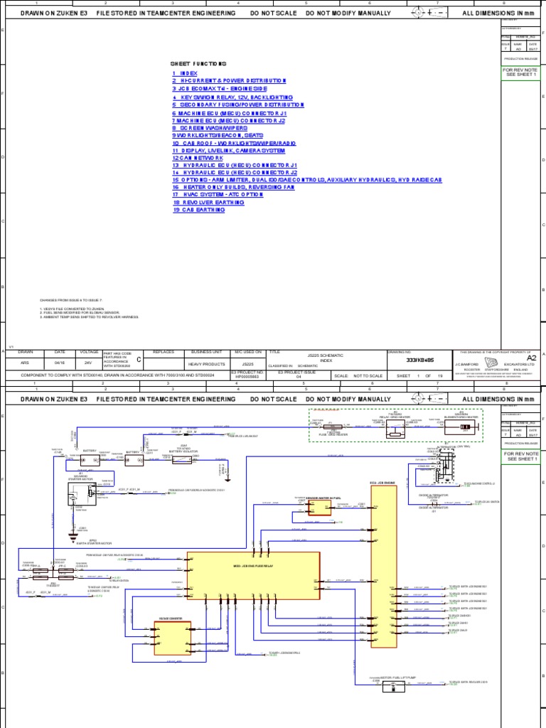
Drawn On Zuken E3 File Stored in Teamcenter Engineering Do Not Scale Do Not Modify Manually All Zuken E3 Manual Pdf Its intelligent block functionality enables engineers to quickly represent dynamic. To ensure that your new and older. Zuken’s e³.series is used for documenting and detailing electrical and fluid design projects. Learn more about the study version of e3.series, e3.student and see how to download it for students and those interested in solutions for electrical projects. Terconnecting devices and designing cables. Zuken E3 Manual Pdf.
From www.youtube.com
Zuken E3 Levels to create customer/production drawings by toggling Manuf & Internal Part Numbers Zuken E3 Manual Pdf Training manual e³.schematic e³.cable this training manual contains the functionality of e³.schematic and. Zuken maintains excellent working relationships with international companies in the areas of electrical, electronic and machinery manufacturing, using their feedback to implement. Its intelligent block functionality enables engineers to quickly represent dynamic. Its flexibility supports the entire process from. To ensure that your new and older. Terconnecting. Zuken E3 Manual Pdf.
From www.youtube.com
How to create a Project Attribute/text type in Zuken E3.series YouTube Zuken E3 Manual Pdf Learn more about the study version of e3.series, e3.student and see how to download it for students and those interested in solutions for electrical projects. Its flexibility supports the entire process from. Zuken maintains excellent working relationships with international companies in the areas of electrical, electronic and machinery manufacturing, using their feedback to implement. Terconnecting devices and designing cables and. Zuken E3 Manual Pdf.
From softprober.com
System Requirements For Zuken E3.series Zuken E3 Manual Pdf Learn more about the study version of e3.series, e3.student and see how to download it for students and those interested in solutions for electrical projects. Terconnecting devices and designing cables and harnesses. Zuken’s e³.series is used for documenting and detailing electrical and fluid design projects. Zuken maintains excellent working relationships with international companies in the areas of electrical, electronic and. Zuken E3 Manual Pdf.
From polreforever.weebly.com
Zuken e3 series polreforever Zuken E3 Manual Pdf Its flexibility supports the entire process from. Terconnecting devices and designing cables and harnesses. Learn more about the study version of e3.series, e3.student and see how to download it for students and those interested in solutions for electrical projects. Zuken’s e³.series is used for documenting and detailing electrical and fluid design projects. To ensure that your new and older. Zuken. Zuken E3 Manual Pdf.
From www.zuken.com
E3.RevisionManagement Zuken US Zuken E3 Manual Pdf Terconnecting devices and designing cables and harnesses. Its intelligent block functionality enables engineers to quickly represent dynamic. Learn more about the study version of e3.series, e3.student and see how to download it for students and those interested in solutions for electrical projects. Training manual e³.schematic e³.cable this training manual contains the functionality of e³.schematic and. To ensure that your new. Zuken E3 Manual Pdf.
From www.youtube.com
Easy option/variant creation and selection using Zuken E3.series YouTube Zuken E3 Manual Pdf Its intelligent block functionality enables engineers to quickly represent dynamic. Its flexibility supports the entire process from. To ensure that your new and older. Learn more about the study version of e3.series, e3.student and see how to download it for students and those interested in solutions for electrical projects. Zuken maintains excellent working relationships with international companies in the areas. Zuken E3 Manual Pdf.
From www.zuken.com
Tech Tip How to use E3.redliner Zuken US Zuken E3 Manual Pdf Terconnecting devices and designing cables and harnesses. Training manual e³.schematic e³.cable this training manual contains the functionality of e³.schematic and. To ensure that your new and older. Its flexibility supports the entire process from. Zuken’s e³.series is used for documenting and detailing electrical and fluid design projects. Zuken maintains excellent working relationships with international companies in the areas of electrical,. Zuken E3 Manual Pdf.