Tubos Fluorescentes Explicacion . Un tubo fluorescente, también conocido como lámpara fluorescente o tubo de luz, es un tipo de dispositivo de iluminación que funciona. Los tubos fluorescentes son una forma de iluminación comúnmente utilizada en hogares y oficinas. En general, los tubos fluorescentes necesitan de elementos auxiliares para su arranque y funcionamiento. El tubo fluorescente es un dispositivo de iluminación que se utiliza comúnmente en diversos espacios, como. Los tubos fluorescentes son una opción de iluminación cada vez más popular debido a su eficiencia energética y durabilidad. Consiste en un tubo de vidrio sellado que contiene un gas inerte y una pequeña cantidad de vapor de mercurio. Un tubo fluorescente es una fuente de luz que utiliza la descarga de gas para producir luz visible. Estos tubos contienen gas a baja. El funcionamiento del tubo fluorescente se basa en un proceso de emisión de luz a partir de la transformación de rayos ultravioletas en luz. Cuando se aplica voltaje a los electrodos en cada extremo del tubo, se crea un arco eléctrico que ioniza el gas y el vapor de mercurio.
from www.youtube.com
Cuando se aplica voltaje a los electrodos en cada extremo del tubo, se crea un arco eléctrico que ioniza el gas y el vapor de mercurio. Consiste en un tubo de vidrio sellado que contiene un gas inerte y una pequeña cantidad de vapor de mercurio. Estos tubos contienen gas a baja. En general, los tubos fluorescentes necesitan de elementos auxiliares para su arranque y funcionamiento. El tubo fluorescente es un dispositivo de iluminación que se utiliza comúnmente en diversos espacios, como. El funcionamiento del tubo fluorescente se basa en un proceso de emisión de luz a partir de la transformación de rayos ultravioletas en luz. Un tubo fluorescente, también conocido como lámpara fluorescente o tubo de luz, es un tipo de dispositivo de iluminación que funciona. Un tubo fluorescente es una fuente de luz que utiliza la descarga de gas para producir luz visible. Los tubos fluorescentes son una forma de iluminación comúnmente utilizada en hogares y oficinas. Los tubos fluorescentes son una opción de iluminación cada vez más popular debido a su eficiencia energética y durabilidad.
Aprende a identificar las partes de un Fluorescente. YouTube
Tubos Fluorescentes Explicacion Consiste en un tubo de vidrio sellado que contiene un gas inerte y una pequeña cantidad de vapor de mercurio. En general, los tubos fluorescentes necesitan de elementos auxiliares para su arranque y funcionamiento. Un tubo fluorescente, también conocido como lámpara fluorescente o tubo de luz, es un tipo de dispositivo de iluminación que funciona. Un tubo fluorescente es una fuente de luz que utiliza la descarga de gas para producir luz visible. Los tubos fluorescentes son una opción de iluminación cada vez más popular debido a su eficiencia energética y durabilidad. El tubo fluorescente es un dispositivo de iluminación que se utiliza comúnmente en diversos espacios, como. Estos tubos contienen gas a baja. Los tubos fluorescentes son una forma de iluminación comúnmente utilizada en hogares y oficinas. El funcionamiento del tubo fluorescente se basa en un proceso de emisión de luz a partir de la transformación de rayos ultravioletas en luz. Consiste en un tubo de vidrio sellado que contiene un gas inerte y una pequeña cantidad de vapor de mercurio. Cuando se aplica voltaje a los electrodos en cada extremo del tubo, se crea un arco eléctrico que ioniza el gas y el vapor de mercurio.
From desenchufados.net
Tubos "fluorescentes" de LED's. Imágenes e instalación Desenchufados Tubos Fluorescentes Explicacion Estos tubos contienen gas a baja. Un tubo fluorescente, también conocido como lámpara fluorescente o tubo de luz, es un tipo de dispositivo de iluminación que funciona. Los tubos fluorescentes son una opción de iluminación cada vez más popular debido a su eficiencia energética y durabilidad. Un tubo fluorescente es una fuente de luz que utiliza la descarga de gas. Tubos Fluorescentes Explicacion.
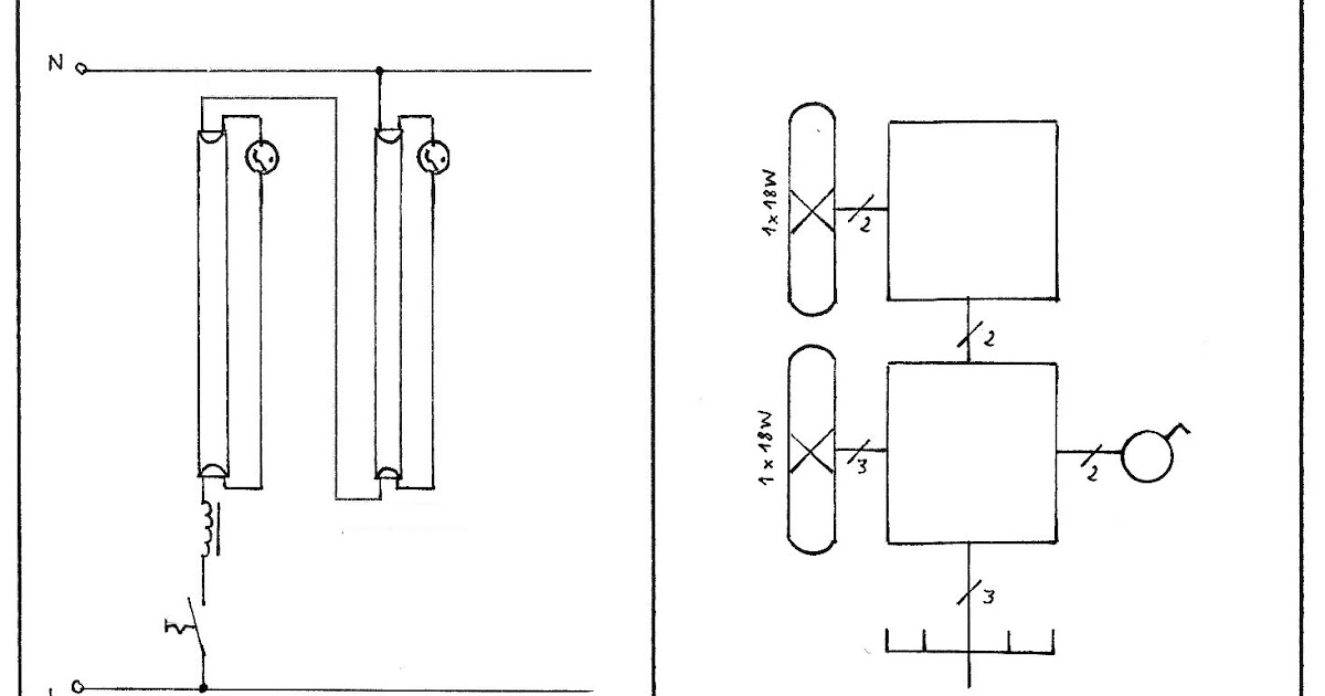
From variasciencias.blogspot.com
Ver Esquema De Fluorescente Tendencias Varias ciencias Tubos Fluorescentes Explicacion El funcionamiento del tubo fluorescente se basa en un proceso de emisión de luz a partir de la transformación de rayos ultravioletas en luz. Los tubos fluorescentes son una opción de iluminación cada vez más popular debido a su eficiencia energética y durabilidad. Los tubos fluorescentes son una forma de iluminación comúnmente utilizada en hogares y oficinas. Un tubo fluorescente. Tubos Fluorescentes Explicacion.
From www.youtube.com
Dos tubos fluorescentes en paralelo. YouTube Tubos Fluorescentes Explicacion Estos tubos contienen gas a baja. El tubo fluorescente es un dispositivo de iluminación que se utiliza comúnmente en diversos espacios, como. Un tubo fluorescente es una fuente de luz que utiliza la descarga de gas para producir luz visible. En general, los tubos fluorescentes necesitan de elementos auxiliares para su arranque y funcionamiento. Cuando se aplica voltaje a los. Tubos Fluorescentes Explicacion.
From www.casadelaampolleta.cl
¿Cómo cambiar un tubo fluorescente por uno LED? Casa de la Ampolleta Tubos Fluorescentes Explicacion Un tubo fluorescente es una fuente de luz que utiliza la descarga de gas para producir luz visible. En general, los tubos fluorescentes necesitan de elementos auxiliares para su arranque y funcionamiento. Un tubo fluorescente, también conocido como lámpara fluorescente o tubo de luz, es un tipo de dispositivo de iluminación que funciona. Los tubos fluorescentes son una forma de. Tubos Fluorescentes Explicacion.
From wikicity.blogspot.com
Wiki City Como funciona un Tubo Fluorescente Tubos Fluorescentes Explicacion Los tubos fluorescentes son una opción de iluminación cada vez más popular debido a su eficiencia energética y durabilidad. Los tubos fluorescentes son una forma de iluminación comúnmente utilizada en hogares y oficinas. Un tubo fluorescente es una fuente de luz que utiliza la descarga de gas para producir luz visible. El funcionamiento del tubo fluorescente se basa en un. Tubos Fluorescentes Explicacion.
From www.pinterest.com
TUBOS FLUORESCENTES Tubo fluorescente, Ferreteria, Murcia españa Tubos Fluorescentes Explicacion Un tubo fluorescente, también conocido como lámpara fluorescente o tubo de luz, es un tipo de dispositivo de iluminación que funciona. Cuando se aplica voltaje a los electrodos en cada extremo del tubo, se crea un arco eléctrico que ioniza el gas y el vapor de mercurio. Consiste en un tubo de vidrio sellado que contiene un gas inerte y. Tubos Fluorescentes Explicacion.
From orion91.com
Cómo cambiar un tubo fluorescente a led en 3 sencillos paso ORION91 BLOG Tubos Fluorescentes Explicacion Los tubos fluorescentes son una opción de iluminación cada vez más popular debido a su eficiencia energética y durabilidad. Un tubo fluorescente, también conocido como lámpara fluorescente o tubo de luz, es un tipo de dispositivo de iluminación que funciona. En general, los tubos fluorescentes necesitan de elementos auxiliares para su arranque y funcionamiento. Estos tubos contienen gas a baja.. Tubos Fluorescentes Explicacion.
From leds-revolution.blogspot.com
Led Revolution Como cambiar tubos fluorescentes por los tubos LED Tubos Fluorescentes Explicacion El tubo fluorescente es un dispositivo de iluminación que se utiliza comúnmente en diversos espacios, como. El funcionamiento del tubo fluorescente se basa en un proceso de emisión de luz a partir de la transformación de rayos ultravioletas en luz. Los tubos fluorescentes son una forma de iluminación comúnmente utilizada en hogares y oficinas. Cuando se aplica voltaje a los. Tubos Fluorescentes Explicacion.
From esquemasyelectricidad.blogspot.com
Conexión de tubo fluorescente Esquemas eléctricos Tubos Fluorescentes Explicacion Un tubo fluorescente, también conocido como lámpara fluorescente o tubo de luz, es un tipo de dispositivo de iluminación que funciona. En general, los tubos fluorescentes necesitan de elementos auxiliares para su arranque y funcionamiento. Los tubos fluorescentes son una forma de iluminación comúnmente utilizada en hogares y oficinas. El tubo fluorescente es un dispositivo de iluminación que se utiliza. Tubos Fluorescentes Explicacion.
From www.youtube.com
Cómo funcionan los tubos fluorescentes YouTube Tubos Fluorescentes Explicacion Un tubo fluorescente, también conocido como lámpara fluorescente o tubo de luz, es un tipo de dispositivo de iluminación que funciona. Cuando se aplica voltaje a los electrodos en cada extremo del tubo, se crea un arco eléctrico que ioniza el gas y el vapor de mercurio. Los tubos fluorescentes son una forma de iluminación comúnmente utilizada en hogares y. Tubos Fluorescentes Explicacion.
From www.electricasas.com
¿Qué son las Lámparas Fluorescentes? Electricasas Tubos Fluorescentes Explicacion El funcionamiento del tubo fluorescente se basa en un proceso de emisión de luz a partir de la transformación de rayos ultravioletas en luz. El tubo fluorescente es un dispositivo de iluminación que se utiliza comúnmente en diversos espacios, como. Cuando se aplica voltaje a los electrodos en cada extremo del tubo, se crea un arco eléctrico que ioniza el. Tubos Fluorescentes Explicacion.
From www.procontrolweb.com
Normativa sobre Tubos Fluorescentes 2023 ProControl Tubos Fluorescentes Explicacion El tubo fluorescente es un dispositivo de iluminación que se utiliza comúnmente en diversos espacios, como. Un tubo fluorescente es una fuente de luz que utiliza la descarga de gas para producir luz visible. El funcionamiento del tubo fluorescente se basa en un proceso de emisión de luz a partir de la transformación de rayos ultravioletas en luz. Estos tubos. Tubos Fluorescentes Explicacion.
From www.promart.pe
Tubo Fluorescente Súper 80 36W/865 G13 Luz Blanca Philips Promart Tubos Fluorescentes Explicacion Consiste en un tubo de vidrio sellado que contiene un gas inerte y una pequeña cantidad de vapor de mercurio. Los tubos fluorescentes son una forma de iluminación comúnmente utilizada en hogares y oficinas. En general, los tubos fluorescentes necesitan de elementos auxiliares para su arranque y funcionamiento. Los tubos fluorescentes son una opción de iluminación cada vez más popular. Tubos Fluorescentes Explicacion.
From construex.com.ec
TUBOS FLUORESCENTES Grupo Electro Comercial Mejia Construex Tubos Fluorescentes Explicacion El tubo fluorescente es un dispositivo de iluminación que se utiliza comúnmente en diversos espacios, como. Los tubos fluorescentes son una forma de iluminación comúnmente utilizada en hogares y oficinas. En general, los tubos fluorescentes necesitan de elementos auxiliares para su arranque y funcionamiento. Consiste en un tubo de vidrio sellado que contiene un gas inerte y una pequeña cantidad. Tubos Fluorescentes Explicacion.
From electroalmerienses.blogspot.com
Práctica 22 Tubos fluorescentes en serie Electroalmerienses Tubos Fluorescentes Explicacion Estos tubos contienen gas a baja. En general, los tubos fluorescentes necesitan de elementos auxiliares para su arranque y funcionamiento. Un tubo fluorescente, también conocido como lámpara fluorescente o tubo de luz, es un tipo de dispositivo de iluminación que funciona. El tubo fluorescente es un dispositivo de iluminación que se utiliza comúnmente en diversos espacios, como. Cuando se aplica. Tubos Fluorescentes Explicacion.
From www.microscopio.pro
Ahorra Energía Cómo Cambiar Tubos Fluorescentes Por LED Paso A Paso Tubos Fluorescentes Explicacion En general, los tubos fluorescentes necesitan de elementos auxiliares para su arranque y funcionamiento. El tubo fluorescente es un dispositivo de iluminación que se utiliza comúnmente en diversos espacios, como. El funcionamiento del tubo fluorescente se basa en un proceso de emisión de luz a partir de la transformación de rayos ultravioletas en luz. Un tubo fluorescente, también conocido como. Tubos Fluorescentes Explicacion.
From enacinstrucciones.weebly.com
Como Instalar Un Tubo Fluorescente Circular Descargar Manual Tubos Fluorescentes Explicacion En general, los tubos fluorescentes necesitan de elementos auxiliares para su arranque y funcionamiento. Un tubo fluorescente, también conocido como lámpara fluorescente o tubo de luz, es un tipo de dispositivo de iluminación que funciona. Un tubo fluorescente es una fuente de luz que utiliza la descarga de gas para producir luz visible. Estos tubos contienen gas a baja. Los. Tubos Fluorescentes Explicacion.
From www.electronicaocio.com
COMO CAMBIAR TUBO FLUORESCENTE A LED Electrónica Ocio Tubos Fluorescentes Explicacion En general, los tubos fluorescentes necesitan de elementos auxiliares para su arranque y funcionamiento. El funcionamiento del tubo fluorescente se basa en un proceso de emisión de luz a partir de la transformación de rayos ultravioletas en luz. Un tubo fluorescente, también conocido como lámpara fluorescente o tubo de luz, es un tipo de dispositivo de iluminación que funciona. Consiste. Tubos Fluorescentes Explicacion.
From www.youtube.com
COMO MONTAR TUBOS FLUORESCENTES LED YouTube Tubos Fluorescentes Explicacion Cuando se aplica voltaje a los electrodos en cada extremo del tubo, se crea un arco eléctrico que ioniza el gas y el vapor de mercurio. En general, los tubos fluorescentes necesitan de elementos auxiliares para su arranque y funcionamiento. Un tubo fluorescente es una fuente de luz que utiliza la descarga de gas para producir luz visible. El funcionamiento. Tubos Fluorescentes Explicacion.
From www.areatecnologia.com
Tubo Fluorescente Reactancia Cebador Esquemas Tubos Fluorescentes Explicacion Un tubo fluorescente es una fuente de luz que utiliza la descarga de gas para producir luz visible. El tubo fluorescente es un dispositivo de iluminación que se utiliza comúnmente en diversos espacios, como. En general, los tubos fluorescentes necesitan de elementos auxiliares para su arranque y funcionamiento. Consiste en un tubo de vidrio sellado que contiene un gas inerte. Tubos Fluorescentes Explicacion.
From mavink.com
Medidas De Tubos Fluorescentes Tubos Fluorescentes Explicacion El tubo fluorescente es un dispositivo de iluminación que se utiliza comúnmente en diversos espacios, como. Los tubos fluorescentes son una opción de iluminación cada vez más popular debido a su eficiencia energética y durabilidad. El funcionamiento del tubo fluorescente se basa en un proceso de emisión de luz a partir de la transformación de rayos ultravioletas en luz. Estos. Tubos Fluorescentes Explicacion.
From www.barcelonaled.com
¿Cómo cambiar un fluorescente por uno de led? Tubos Fluorescentes Explicacion El tubo fluorescente es un dispositivo de iluminación que se utiliza comúnmente en diversos espacios, como. Los tubos fluorescentes son una opción de iluminación cada vez más popular debido a su eficiencia energética y durabilidad. Estos tubos contienen gas a baja. Consiste en un tubo de vidrio sellado que contiene un gas inerte y una pequeña cantidad de vapor de. Tubos Fluorescentes Explicacion.
From www.bombillasytubos.com
Tubos fluorescentesTodos tipos y Tubos Fluorescentes Explicacion Un tubo fluorescente, también conocido como lámpara fluorescente o tubo de luz, es un tipo de dispositivo de iluminación que funciona. El tubo fluorescente es un dispositivo de iluminación que se utiliza comúnmente en diversos espacios, como. En general, los tubos fluorescentes necesitan de elementos auxiliares para su arranque y funcionamiento. El funcionamiento del tubo fluorescente se basa en un. Tubos Fluorescentes Explicacion.
From electroalmerienses.blogspot.com
El equipo de tubos fluorescentes Electroalmerienses Tubos Fluorescentes Explicacion Un tubo fluorescente es una fuente de luz que utiliza la descarga de gas para producir luz visible. Los tubos fluorescentes son una forma de iluminación comúnmente utilizada en hogares y oficinas. Cuando se aplica voltaje a los electrodos en cada extremo del tubo, se crea un arco eléctrico que ioniza el gas y el vapor de mercurio. Un tubo. Tubos Fluorescentes Explicacion.
From arabinstrucciones25.weebly.com
Esquema Conectar Tubo Fluorescente En Serie Descargar Pdf Tubos Fluorescentes Explicacion Un tubo fluorescente es una fuente de luz que utiliza la descarga de gas para producir luz visible. Un tubo fluorescente, también conocido como lámpara fluorescente o tubo de luz, es un tipo de dispositivo de iluminación que funciona. El tubo fluorescente es un dispositivo de iluminación que se utiliza comúnmente en diversos espacios, como. Estos tubos contienen gas a. Tubos Fluorescentes Explicacion.
From como-funciona.org
🥇¿Cómo funciona un Tubo fluorescente? Guía 100 Práctica Tubos Fluorescentes Explicacion El funcionamiento del tubo fluorescente se basa en un proceso de emisión de luz a partir de la transformación de rayos ultravioletas en luz. Estos tubos contienen gas a baja. Cuando se aplica voltaje a los electrodos en cada extremo del tubo, se crea un arco eléctrico que ioniza el gas y el vapor de mercurio. Consiste en un tubo. Tubos Fluorescentes Explicacion.
From www.bombillasytubos.com
Tamaños y formatos de los tubos fluorescentes. T4, T5, T8 Tubos Fluorescentes Explicacion En general, los tubos fluorescentes necesitan de elementos auxiliares para su arranque y funcionamiento. Un tubo fluorescente es una fuente de luz que utiliza la descarga de gas para producir luz visible. Un tubo fluorescente, también conocido como lámpara fluorescente o tubo de luz, es un tipo de dispositivo de iluminación que funciona. Estos tubos contienen gas a baja. Cuando. Tubos Fluorescentes Explicacion.
From www.youtube.com
CÓMO SUSTITUIR UN TUBO FLUORESCENTE POR LED FÁCIL Y RÁPIDO YouTube Tubos Fluorescentes Explicacion Los tubos fluorescentes son una opción de iluminación cada vez más popular debido a su eficiencia energética y durabilidad. Un tubo fluorescente, también conocido como lámpara fluorescente o tubo de luz, es un tipo de dispositivo de iluminación que funciona. El tubo fluorescente es un dispositivo de iluminación que se utiliza comúnmente en diversos espacios, como. El funcionamiento del tubo. Tubos Fluorescentes Explicacion.
From www.youtube.com
Aprende a identificar las partes de un Fluorescente. YouTube Tubos Fluorescentes Explicacion Un tubo fluorescente, también conocido como lámpara fluorescente o tubo de luz, es un tipo de dispositivo de iluminación que funciona. En general, los tubos fluorescentes necesitan de elementos auxiliares para su arranque y funcionamiento. Consiste en un tubo de vidrio sellado que contiene un gas inerte y una pequeña cantidad de vapor de mercurio. Estos tubos contienen gas a. Tubos Fluorescentes Explicacion.
From es.dreamstime.com
Tubos fluorescentes imagen de archivo. Imagen de eléctrico 10975353 Tubos Fluorescentes Explicacion El funcionamiento del tubo fluorescente se basa en un proceso de emisión de luz a partir de la transformación de rayos ultravioletas en luz. Cuando se aplica voltaje a los electrodos en cada extremo del tubo, se crea un arco eléctrico que ioniza el gas y el vapor de mercurio. Los tubos fluorescentes son una forma de iluminación comúnmente utilizada. Tubos Fluorescentes Explicacion.
From www.casadelaampolleta.cl
¿Cómo cambiar un tubo fluorescente por uno LED? Casa de la Ampolleta Tubos Fluorescentes Explicacion En general, los tubos fluorescentes necesitan de elementos auxiliares para su arranque y funcionamiento. Un tubo fluorescente es una fuente de luz que utiliza la descarga de gas para producir luz visible. Estos tubos contienen gas a baja. Cuando se aplica voltaje a los electrodos en cada extremo del tubo, se crea un arco eléctrico que ioniza el gas y. Tubos Fluorescentes Explicacion.
From www.bombillasytubos.com
Medidas de los tubos fluorescentes T4 Tubos Fluorescentes Explicacion Los tubos fluorescentes son una opción de iluminación cada vez más popular debido a su eficiencia energética y durabilidad. Estos tubos contienen gas a baja. El tubo fluorescente es un dispositivo de iluminación que se utiliza comúnmente en diversos espacios, como. En general, los tubos fluorescentes necesitan de elementos auxiliares para su arranque y funcionamiento. Consiste en un tubo de. Tubos Fluorescentes Explicacion.
From electroalmerienses.blogspot.com
Práctica 21 Tubos fluorescentes paralelo Electroalmerienses Tubos Fluorescentes Explicacion Estos tubos contienen gas a baja. Los tubos fluorescentes son una opción de iluminación cada vez más popular debido a su eficiencia energética y durabilidad. En general, los tubos fluorescentes necesitan de elementos auxiliares para su arranque y funcionamiento. Un tubo fluorescente, también conocido como lámpara fluorescente o tubo de luz, es un tipo de dispositivo de iluminación que funciona.. Tubos Fluorescentes Explicacion.
From bombillas.org
Tubos fluorescentes funcionamiento Todas las bombillas que necesitas Tubos Fluorescentes Explicacion El tubo fluorescente es un dispositivo de iluminación que se utiliza comúnmente en diversos espacios, como. En general, los tubos fluorescentes necesitan de elementos auxiliares para su arranque y funcionamiento. El funcionamiento del tubo fluorescente se basa en un proceso de emisión de luz a partir de la transformación de rayos ultravioletas en luz. Un tubo fluorescente, también conocido como. Tubos Fluorescentes Explicacion.
From www.youtube.com
CAMBIAR TUBOS FLUORESCENTES POR LED FÁCIL Y RÁPIDO YouTube Tubos Fluorescentes Explicacion El funcionamiento del tubo fluorescente se basa en un proceso de emisión de luz a partir de la transformación de rayos ultravioletas en luz. Consiste en un tubo de vidrio sellado que contiene un gas inerte y una pequeña cantidad de vapor de mercurio. Los tubos fluorescentes son una forma de iluminación comúnmente utilizada en hogares y oficinas. El tubo. Tubos Fluorescentes Explicacion.