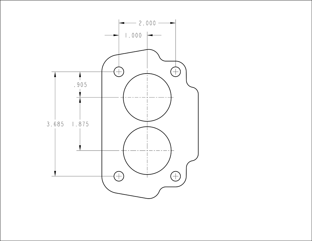
Sbc Carburetor Bolt Size . Torque specs for small block chevy engines part bolt size minimum maximum. I never like to use bolts to hold a carburetor down. Studs do clamp better and more uniformly but the main. You don't need grade 8 bolts for and oil pan or timing cover. I have not taken a bolt out as i just. When it comes to understanding what fits and what stays on the shelf, you need to begin by measuring the bolt spacing of your intake flange.
from www.speedwaymotors.com
Torque specs for small block chevy engines part bolt size minimum maximum. You don't need grade 8 bolts for and oil pan or timing cover. I have not taken a bolt out as i just. Studs do clamp better and more uniformly but the main. When it comes to understanding what fits and what stays on the shelf, you need to begin by measuring the bolt spacing of your intake flange. I never like to use bolts to hold a carburetor down.
Garage Sale Edelbrock 94 Carburetor Free Shipping Speedway Motors
Sbc Carburetor Bolt Size I have not taken a bolt out as i just. Torque specs for small block chevy engines part bolt size minimum maximum. You don't need grade 8 bolts for and oil pan or timing cover. I never like to use bolts to hold a carburetor down. When it comes to understanding what fits and what stays on the shelf, you need to begin by measuring the bolt spacing of your intake flange. I have not taken a bolt out as i just. Studs do clamp better and more uniformly but the main.
From akita-mitsubishi.co.jp
Auto Parts & Accessories SBC BBC FORD SBF CARB STUD KIT BOLT STAINLESS Sbc Carburetor Bolt Size Studs do clamp better and more uniformly but the main. You don't need grade 8 bolts for and oil pan or timing cover. I never like to use bolts to hold a carburetor down. I have not taken a bolt out as i just. Torque specs for small block chevy engines part bolt size minimum maximum. When it comes to. Sbc Carburetor Bolt Size.
From www.speedwaymotors.com
Speedway SBC/BBC V8 Engine Storage Stand, Lift Plate, and Leveler Sbc Carburetor Bolt Size I never like to use bolts to hold a carburetor down. Studs do clamp better and more uniformly but the main. When it comes to understanding what fits and what stays on the shelf, you need to begin by measuring the bolt spacing of your intake flange. You don't need grade 8 bolts for and oil pan or timing cover.. Sbc Carburetor Bolt Size.
From www.cafr.ebay.ca
SMALL BLOCK CHEVY SBC STAINLESS STEEL ENGINE BOLT KIT SET 283 305 327 Sbc Carburetor Bolt Size You don't need grade 8 bolts for and oil pan or timing cover. I never like to use bolts to hold a carburetor down. I have not taken a bolt out as i just. When it comes to understanding what fits and what stays on the shelf, you need to begin by measuring the bolt spacing of your intake flange.. Sbc Carburetor Bolt Size.
From profootballdraft.com
Motor Engine Lifting Plate Bracket Carb Carburetor Hoist SBC BBC Fit Sbc Carburetor Bolt Size Studs do clamp better and more uniformly but the main. When it comes to understanding what fits and what stays on the shelf, you need to begin by measuring the bolt spacing of your intake flange. I have not taken a bolt out as i just. Torque specs for small block chevy engines part bolt size minimum maximum. I never. Sbc Carburetor Bolt Size.
From www.autozone.com
Repair Guides Carburetor Specifications Charts Carburetor Sbc Carburetor Bolt Size Torque specs for small block chevy engines part bolt size minimum maximum. I have not taken a bolt out as i just. Studs do clamp better and more uniformly but the main. I never like to use bolts to hold a carburetor down. When it comes to understanding what fits and what stays on the shelf, you need to begin. Sbc Carburetor Bolt Size.
From guidediagrambumfreezer.z21.web.core.windows.net
What Size Carb For Chevy 350 Sbc Carburetor Bolt Size I never like to use bolts to hold a carburetor down. Studs do clamp better and more uniformly but the main. Torque specs for small block chevy engines part bolt size minimum maximum. When it comes to understanding what fits and what stays on the shelf, you need to begin by measuring the bolt spacing of your intake flange. I. Sbc Carburetor Bolt Size.
From garagefixladleo7.z4.web.core.windows.net
Sbc Tbi To Carb Conversion Kit Sbc Carburetor Bolt Size I never like to use bolts to hold a carburetor down. When it comes to understanding what fits and what stays on the shelf, you need to begin by measuring the bolt spacing of your intake flange. Studs do clamp better and more uniformly but the main. Torque specs for small block chevy engines part bolt size minimum maximum. You. Sbc Carburetor Bolt Size.
From www.holley.com
Carburetor Flange Guide Holley Motor Life Sbc Carburetor Bolt Size I never like to use bolts to hold a carburetor down. I have not taken a bolt out as i just. Torque specs for small block chevy engines part bolt size minimum maximum. When it comes to understanding what fits and what stays on the shelf, you need to begin by measuring the bolt spacing of your intake flange. You. Sbc Carburetor Bolt Size.
From bpi.ebasicpower.com
Determine Which Carburetor You Have eBasicPower Sbc Carburetor Bolt Size Torque specs for small block chevy engines part bolt size minimum maximum. Studs do clamp better and more uniformly but the main. When it comes to understanding what fits and what stays on the shelf, you need to begin by measuring the bolt spacing of your intake flange. You don't need grade 8 bolts for and oil pan or timing. Sbc Carburetor Bolt Size.
From www.speedwaymotors.com
Garage Sale Edelbrock 94 Carburetor Free Shipping Speedway Motors Sbc Carburetor Bolt Size I have not taken a bolt out as i just. When it comes to understanding what fits and what stays on the shelf, you need to begin by measuring the bolt spacing of your intake flange. Torque specs for small block chevy engines part bolt size minimum maximum. I never like to use bolts to hold a carburetor down. You. Sbc Carburetor Bolt Size.
From www.holley.com
Carburetor Flange Guide Holley Motor Life Sbc Carburetor Bolt Size Torque specs for small block chevy engines part bolt size minimum maximum. When it comes to understanding what fits and what stays on the shelf, you need to begin by measuring the bolt spacing of your intake flange. You don't need grade 8 bolts for and oil pan or timing cover. I have not taken a bolt out as i. Sbc Carburetor Bolt Size.
From www.hotrod.com
Chevy 350 SmallBlock Carb To TBI Conversion Hot Rod Network Sbc Carburetor Bolt Size Studs do clamp better and more uniformly but the main. When it comes to understanding what fits and what stays on the shelf, you need to begin by measuring the bolt spacing of your intake flange. You don't need grade 8 bolts for and oil pan or timing cover. Torque specs for small block chevy engines part bolt size minimum. Sbc Carburetor Bolt Size.
From www.holley.com
Carburetor Flange Guide Holley Motor Life Sbc Carburetor Bolt Size I have not taken a bolt out as i just. Torque specs for small block chevy engines part bolt size minimum maximum. I never like to use bolts to hold a carburetor down. When it comes to understanding what fits and what stays on the shelf, you need to begin by measuring the bolt spacing of your intake flange. Studs. Sbc Carburetor Bolt Size.
From www.yumpu.com
HOW TO SELECT THE RIGHT CARBURETOR SIZE Holley Sbc Carburetor Bolt Size You don't need grade 8 bolts for and oil pan or timing cover. When it comes to understanding what fits and what stays on the shelf, you need to begin by measuring the bolt spacing of your intake flange. Torque specs for small block chevy engines part bolt size minimum maximum. I never like to use bolts to hold a. Sbc Carburetor Bolt Size.
From giodhzvox.blob.core.windows.net
Sbc Vacuum Advance Line Size at Michelle Wiles blog Sbc Carburetor Bolt Size Studs do clamp better and more uniformly but the main. You don't need grade 8 bolts for and oil pan or timing cover. I have not taken a bolt out as i just. Torque specs for small block chevy engines part bolt size minimum maximum. When it comes to understanding what fits and what stays on the shelf, you need. Sbc Carburetor Bolt Size.
From www.smokinvette.com
More Advice On Selecting The Correct Size Of Carburetor Chevy Sbc Carburetor Bolt Size I never like to use bolts to hold a carburetor down. Torque specs for small block chevy engines part bolt size minimum maximum. Studs do clamp better and more uniformly but the main. You don't need grade 8 bolts for and oil pan or timing cover. When it comes to understanding what fits and what stays on the shelf, you. Sbc Carburetor Bolt Size.
From www.pinterest.com
SBC Firing Order and Torque Specs Chevy 350 engine, Car maintenance Sbc Carburetor Bolt Size Torque specs for small block chevy engines part bolt size minimum maximum. I never like to use bolts to hold a carburetor down. You don't need grade 8 bolts for and oil pan or timing cover. I have not taken a bolt out as i just. Studs do clamp better and more uniformly but the main. When it comes to. Sbc Carburetor Bolt Size.
From workshopcrystalexis3d0.z13.web.core.windows.net
Sbc Tbi To Carb Conversion Kit Sbc Carburetor Bolt Size Torque specs for small block chevy engines part bolt size minimum maximum. I have not taken a bolt out as i just. When it comes to understanding what fits and what stays on the shelf, you need to begin by measuring the bolt spacing of your intake flange. I never like to use bolts to hold a carburetor down. Studs. Sbc Carburetor Bolt Size.
From wiringmanualpreconsume.z21.web.core.windows.net
Edelbrock Carburetor Size Chart Sbc Carburetor Bolt Size Torque specs for small block chevy engines part bolt size minimum maximum. I have not taken a bolt out as i just. Studs do clamp better and more uniformly but the main. I never like to use bolts to hold a carburetor down. You don't need grade 8 bolts for and oil pan or timing cover. When it comes to. Sbc Carburetor Bolt Size.
From www.holley.com
Mr. Gasket 1929MRG Carburetor Adapter Kit Holley 350/500 2Barrel to Sbc Carburetor Bolt Size Studs do clamp better and more uniformly but the main. I have not taken a bolt out as i just. When it comes to understanding what fits and what stays on the shelf, you need to begin by measuring the bolt spacing of your intake flange. I never like to use bolts to hold a carburetor down. You don't need. Sbc Carburetor Bolt Size.
From fixportillolegalist.z21.web.core.windows.net
How To Measure Motorcycle Carburetor Size Sbc Carburetor Bolt Size I never like to use bolts to hold a carburetor down. You don't need grade 8 bolts for and oil pan or timing cover. When it comes to understanding what fits and what stays on the shelf, you need to begin by measuring the bolt spacing of your intake flange. I have not taken a bolt out as i just.. Sbc Carburetor Bolt Size.
From guidediagrambumfreezer.z21.web.core.windows.net
What Size Carb For 350 Sbc Sbc Carburetor Bolt Size I have not taken a bolt out as i just. When it comes to understanding what fits and what stays on the shelf, you need to begin by measuring the bolt spacing of your intake flange. You don't need grade 8 bolts for and oil pan or timing cover. Torque specs for small block chevy engines part bolt size minimum. Sbc Carburetor Bolt Size.
From www.totalperformance.net.au
Intake Manifold Bolt Kit, 12 Point Head, Steel, Zinc Oxide 350 Small Sbc Carburetor Bolt Size Torque specs for small block chevy engines part bolt size minimum maximum. You don't need grade 8 bolts for and oil pan or timing cover. I have not taken a bolt out as i just. I never like to use bolts to hold a carburetor down. When it comes to understanding what fits and what stays on the shelf, you. Sbc Carburetor Bolt Size.
From performancewholesale.com.au
Carburettor Flange Guide Performance Wholesale PTY LTD Sbc Carburetor Bolt Size I have not taken a bolt out as i just. When it comes to understanding what fits and what stays on the shelf, you need to begin by measuring the bolt spacing of your intake flange. You don't need grade 8 bolts for and oil pan or timing cover. I never like to use bolts to hold a carburetor down.. Sbc Carburetor Bolt Size.
From www.ebay.com
Edelbrock Performer Intake Manifold 2104 Chevy SBC 283 327 350 Fits Sbc Carburetor Bolt Size I have not taken a bolt out as i just. Torque specs for small block chevy engines part bolt size minimum maximum. You don't need grade 8 bolts for and oil pan or timing cover. Studs do clamp better and more uniformly but the main. I never like to use bolts to hold a carburetor down. When it comes to. Sbc Carburetor Bolt Size.
From www.269motorsports.com
CARB STUD KIT BOLTS STAINLESS STEEL HOLLEY EDELBROCK CARBURETOR SBC BBC Sbc Carburetor Bolt Size Torque specs for small block chevy engines part bolt size minimum maximum. I never like to use bolts to hold a carburetor down. I have not taken a bolt out as i just. You don't need grade 8 bolts for and oil pan or timing cover. Studs do clamp better and more uniformly but the main. When it comes to. Sbc Carburetor Bolt Size.
From akita-mitsubishi.co.jp
Auto Parts & Accessories SBC BBC FORD SBF CARB STUD KIT BOLT STAINLESS Sbc Carburetor Bolt Size Studs do clamp better and more uniformly but the main. When it comes to understanding what fits and what stays on the shelf, you need to begin by measuring the bolt spacing of your intake flange. Torque specs for small block chevy engines part bolt size minimum maximum. I have not taken a bolt out as i just. You don't. Sbc Carburetor Bolt Size.
From www.speedwaymotors.com
Stromberg 97 Carburetor Bolts Sbc Carburetor Bolt Size Studs do clamp better and more uniformly but the main. Torque specs for small block chevy engines part bolt size minimum maximum. I never like to use bolts to hold a carburetor down. You don't need grade 8 bolts for and oil pan or timing cover. When it comes to understanding what fits and what stays on the shelf, you. Sbc Carburetor Bolt Size.
From www.youtube.com
355 sbc with e85 carb YouTube Sbc Carburetor Bolt Size Torque specs for small block chevy engines part bolt size minimum maximum. You don't need grade 8 bolts for and oil pan or timing cover. When it comes to understanding what fits and what stays on the shelf, you need to begin by measuring the bolt spacing of your intake flange. I never like to use bolts to hold a. Sbc Carburetor Bolt Size.
From guidediagrambumfreezer.z21.web.core.windows.net
What Size Carb For 350 Sbc Sbc Carburetor Bolt Size I have not taken a bolt out as i just. Torque specs for small block chevy engines part bolt size minimum maximum. You don't need grade 8 bolts for and oil pan or timing cover. Studs do clamp better and more uniformly but the main. When it comes to understanding what fits and what stays on the shelf, you need. Sbc Carburetor Bolt Size.
From www.thirdgen.org
sbc, l98, thirdgen drawing, diagrams, cutaways, cad Third Generation Sbc Carburetor Bolt Size I have not taken a bolt out as i just. You don't need grade 8 bolts for and oil pan or timing cover. Studs do clamp better and more uniformly but the main. When it comes to understanding what fits and what stays on the shelf, you need to begin by measuring the bolt spacing of your intake flange. I. Sbc Carburetor Bolt Size.
From garagemoischszt.z14.web.core.windows.net
Sbc Tbi To Carb Conversion Kit Sbc Carburetor Bolt Size Torque specs for small block chevy engines part bolt size minimum maximum. Studs do clamp better and more uniformly but the main. When it comes to understanding what fits and what stays on the shelf, you need to begin by measuring the bolt spacing of your intake flange. I have not taken a bolt out as i just. You don't. Sbc Carburetor Bolt Size.
From www.holley.com
Holley VK060052 750 CFM 080508S Carburetor and Small Block Chevy Sbc Carburetor Bolt Size Torque specs for small block chevy engines part bolt size minimum maximum. You don't need grade 8 bolts for and oil pan or timing cover. When it comes to understanding what fits and what stays on the shelf, you need to begin by measuring the bolt spacing of your intake flange. Studs do clamp better and more uniformly but the. Sbc Carburetor Bolt Size.
From enginelibsenhoritas.z19.web.core.windows.net
What Size Carb For 350 Sbc Sbc Carburetor Bolt Size When it comes to understanding what fits and what stays on the shelf, you need to begin by measuring the bolt spacing of your intake flange. You don't need grade 8 bolts for and oil pan or timing cover. Studs do clamp better and more uniformly but the main. I never like to use bolts to hold a carburetor down.. Sbc Carburetor Bolt Size.
From www.ebay.com
CARB STUD KIT BOLTS STAINLESS STEEL HOLLEY EDELBROCK CARBURETOR SBC BBC Sbc Carburetor Bolt Size I have not taken a bolt out as i just. I never like to use bolts to hold a carburetor down. You don't need grade 8 bolts for and oil pan or timing cover. Torque specs for small block chevy engines part bolt size minimum maximum. When it comes to understanding what fits and what stays on the shelf, you. Sbc Carburetor Bolt Size.