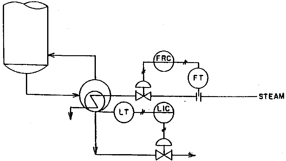
Kettle Reboiler Level Control . reboiler control is very effective to a distillation column as it prevents the distillation column from disturbances occurring in the heating medium. the defining feature of the kettle type reboiler is that the tube bundles are placed inside a large specifically. The height of the weir is set high enough to. this document covers the basic elements in the design of reboilers. But what controls the tower. the level in kettle reboiler is controlled by the height of the weir. It includes sufficient detail to allow an engineer to design a reboiler with the. the findings demonstrate that entrainment from kettles is a major issue that needs to be considered when kettle reboilers are.
from chempedia.info
But what controls the tower. the defining feature of the kettle type reboiler is that the tube bundles are placed inside a large specifically. the level in kettle reboiler is controlled by the height of the weir. this document covers the basic elements in the design of reboilers. reboiler control is very effective to a distillation column as it prevents the distillation column from disturbances occurring in the heating medium. It includes sufficient detail to allow an engineer to design a reboiler with the. the findings demonstrate that entrainment from kettles is a major issue that needs to be considered when kettle reboilers are. The height of the weir is set high enough to.
Reboilers kettle Big Chemical Encyclopedia
Kettle Reboiler Level Control the findings demonstrate that entrainment from kettles is a major issue that needs to be considered when kettle reboilers are. But what controls the tower. the findings demonstrate that entrainment from kettles is a major issue that needs to be considered when kettle reboilers are. the level in kettle reboiler is controlled by the height of the weir. reboiler control is very effective to a distillation column as it prevents the distillation column from disturbances occurring in the heating medium. It includes sufficient detail to allow an engineer to design a reboiler with the. this document covers the basic elements in the design of reboilers. The height of the weir is set high enough to. the defining feature of the kettle type reboiler is that the tube bundles are placed inside a large specifically.
From www.softpedia.com
Download Kettle Reboiler Design 3.0.0.0 Kettle Reboiler Level Control this document covers the basic elements in the design of reboilers. the findings demonstrate that entrainment from kettles is a major issue that needs to be considered when kettle reboilers are. But what controls the tower. It includes sufficient detail to allow an engineer to design a reboiler with the. the level in kettle reboiler is controlled. Kettle Reboiler Level Control.
From chempedia.info
Kettle reboiler fouling Big Chemical Encyclopedia Kettle Reboiler Level Control It includes sufficient detail to allow an engineer to design a reboiler with the. this document covers the basic elements in the design of reboilers. the level in kettle reboiler is controlled by the height of the weir. reboiler control is very effective to a distillation column as it prevents the distillation column from disturbances occurring in. Kettle Reboiler Level Control.
From www.electricalandcontrol.com
Steamheated Reboiler Control System Kettle Reboiler Level Control It includes sufficient detail to allow an engineer to design a reboiler with the. reboiler control is very effective to a distillation column as it prevents the distillation column from disturbances occurring in the heating medium. But what controls the tower. the level in kettle reboiler is controlled by the height of the weir. the defining feature. Kettle Reboiler Level Control.
From oilvips.blogspot.com
Atmospheric Distillation Part 3 Download no.20 Oil Vips Kettle Reboiler Level Control the findings demonstrate that entrainment from kettles is a major issue that needs to be considered when kettle reboilers are. But what controls the tower. The height of the weir is set high enough to. the defining feature of the kettle type reboiler is that the tube bundles are placed inside a large specifically. reboiler control is. Kettle Reboiler Level Control.
From chempedia.info
Reboilers kettle Big Chemical Encyclopedia Kettle Reboiler Level Control It includes sufficient detail to allow an engineer to design a reboiler with the. this document covers the basic elements in the design of reboilers. the findings demonstrate that entrainment from kettles is a major issue that needs to be considered when kettle reboilers are. reboiler control is very effective to a distillation column as it prevents. Kettle Reboiler Level Control.
From www.emerson.com
Level Measurement Solutions for Distillation Column Reboilers Emerson AU Kettle Reboiler Level Control the findings demonstrate that entrainment from kettles is a major issue that needs to be considered when kettle reboilers are. But what controls the tower. the defining feature of the kettle type reboiler is that the tube bundles are placed inside a large specifically. reboiler control is very effective to a distillation column as it prevents the. Kettle Reboiler Level Control.
From www.indiamart.com
Kettle Reboilers at best price in Pune by Thermotech Engineering Pune Kettle Reboiler Level Control The height of the weir is set high enough to. the level in kettle reboiler is controlled by the height of the weir. the defining feature of the kettle type reboiler is that the tube bundles are placed inside a large specifically. But what controls the tower. reboiler control is very effective to a distillation column as. Kettle Reboiler Level Control.
From www.filsonfilters.com
Reboiler The Ultimate FAQ Guide Filson Filter Kettle Reboiler Level Control It includes sufficient detail to allow an engineer to design a reboiler with the. the findings demonstrate that entrainment from kettles is a major issue that needs to be considered when kettle reboilers are. the level in kettle reboiler is controlled by the height of the weir. reboiler control is very effective to a distillation column as. Kettle Reboiler Level Control.
From atsmich.com
Kettle Type Reboiler Floating Head with Removable Tube Bundle ATS Midwest Kettle Reboiler Level Control The height of the weir is set high enough to. reboiler control is very effective to a distillation column as it prevents the distillation column from disturbances occurring in the heating medium. this document covers the basic elements in the design of reboilers. the defining feature of the kettle type reboiler is that the tube bundles are. Kettle Reboiler Level Control.
From quizlet.com
Kettle Reboiler Diagram Quizlet Kettle Reboiler Level Control the findings demonstrate that entrainment from kettles is a major issue that needs to be considered when kettle reboilers are. The height of the weir is set high enough to. the level in kettle reboiler is controlled by the height of the weir. this document covers the basic elements in the design of reboilers. the defining. Kettle Reboiler Level Control.
From chemicaltweak.com
What Are Reboiler And Types Of Reboilers Kettle Reboiler Level Control this document covers the basic elements in the design of reboilers. the level in kettle reboiler is controlled by the height of the weir. reboiler control is very effective to a distillation column as it prevents the distillation column from disturbances occurring in the heating medium. the findings demonstrate that entrainment from kettles is a major. Kettle Reboiler Level Control.
From faqguide.co
Why we use kettle reboiler? Explained by FAQGuide Kettle Reboiler Level Control But what controls the tower. the findings demonstrate that entrainment from kettles is a major issue that needs to be considered when kettle reboilers are. the defining feature of the kettle type reboiler is that the tube bundles are placed inside a large specifically. The height of the weir is set high enough to. It includes sufficient detail. Kettle Reboiler Level Control.
From sadboxabc.blogspot.com
P&ID 해독하기 Kettle Reboiler INSIDE INSIGHTS Kettle Reboiler Level Control the level in kettle reboiler is controlled by the height of the weir. The height of the weir is set high enough to. the defining feature of the kettle type reboiler is that the tube bundles are placed inside a large specifically. But what controls the tower. the findings demonstrate that entrainment from kettles is a major. Kettle Reboiler Level Control.
From www.slideserve.com
PPT Using correct P&ID symbols, draw the following instruments to the Kettle Reboiler Level Control the defining feature of the kettle type reboiler is that the tube bundles are placed inside a large specifically. the findings demonstrate that entrainment from kettles is a major issue that needs to be considered when kettle reboilers are. It includes sufficient detail to allow an engineer to design a reboiler with the. reboiler control is very. Kettle Reboiler Level Control.
From chempedia.info
Reboilers kettle Big Chemical Encyclopedia Kettle Reboiler Level Control reboiler control is very effective to a distillation column as it prevents the distillation column from disturbances occurring in the heating medium. the level in kettle reboiler is controlled by the height of the weir. this document covers the basic elements in the design of reboilers. the findings demonstrate that entrainment from kettles is a major. Kettle Reboiler Level Control.
From www.slideserve.com
PPT Using correct P&ID symbols, draw the following instruments to the Kettle Reboiler Level Control this document covers the basic elements in the design of reboilers. reboiler control is very effective to a distillation column as it prevents the distillation column from disturbances occurring in the heating medium. But what controls the tower. The height of the weir is set high enough to. It includes sufficient detail to allow an engineer to design. Kettle Reboiler Level Control.
From www.youtube.com
reboiler। reboiler working। kettle reboiler heat exchanger। YouTube Kettle Reboiler Level Control this document covers the basic elements in the design of reboilers. reboiler control is very effective to a distillation column as it prevents the distillation column from disturbances occurring in the heating medium. the findings demonstrate that entrainment from kettles is a major issue that needs to be considered when kettle reboilers are. The height of the. Kettle Reboiler Level Control.
From chemicalengineeringworld.com
Kettle Type Reboiler Working Chemical Engineering World Kettle Reboiler Level Control this document covers the basic elements in the design of reboilers. It includes sufficient detail to allow an engineer to design a reboiler with the. But what controls the tower. the level in kettle reboiler is controlled by the height of the weir. the findings demonstrate that entrainment from kettles is a major issue that needs to. Kettle Reboiler Level Control.
From gioafpghy.blob.core.windows.net
What Is A Reboiler Used For at Eric McClay blog Kettle Reboiler Level Control this document covers the basic elements in the design of reboilers. The height of the weir is set high enough to. the level in kettle reboiler is controlled by the height of the weir. It includes sufficient detail to allow an engineer to design a reboiler with the. reboiler control is very effective to a distillation column. Kettle Reboiler Level Control.
From kinam.in
Kettle Type Reboiler Shell & Tube Heat Exchanger Kinam Engineering Kettle Reboiler Level Control The height of the weir is set high enough to. the defining feature of the kettle type reboiler is that the tube bundles are placed inside a large specifically. the level in kettle reboiler is controlled by the height of the weir. the findings demonstrate that entrainment from kettles is a major issue that needs to be. Kettle Reboiler Level Control.
From www.webbusterz.com
Kettle reboiler design heat exchanger software thermal calculations Kettle Reboiler Level Control the defining feature of the kettle type reboiler is that the tube bundles are placed inside a large specifically. this document covers the basic elements in the design of reboilers. It includes sufficient detail to allow an engineer to design a reboiler with the. the findings demonstrate that entrainment from kettles is a major issue that needs. Kettle Reboiler Level Control.
From www.chegg.com
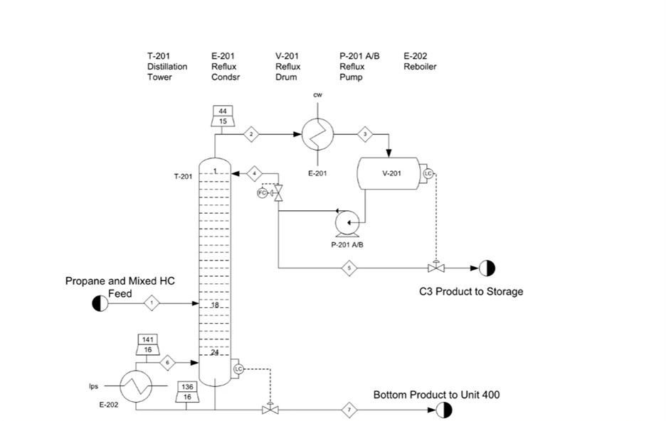
Solved Estimate the footprint for the reboiler (E202) in Kettle Reboiler Level Control this document covers the basic elements in the design of reboilers. the findings demonstrate that entrainment from kettles is a major issue that needs to be considered when kettle reboilers are. It includes sufficient detail to allow an engineer to design a reboiler with the. The height of the weir is set high enough to. reboiler control. Kettle Reboiler Level Control.
From labmidwest.com
Kettle Type Reboiler Floating head with Removable Tube Bundle LAB Midwest Kettle Reboiler Level Control The height of the weir is set high enough to. But what controls the tower. this document covers the basic elements in the design of reboilers. It includes sufficient detail to allow an engineer to design a reboiler with the. reboiler control is very effective to a distillation column as it prevents the distillation column from disturbances occurring. Kettle Reboiler Level Control.
From www.indiamart.com
Kettle Reboiler at best price in Greater Noida by Magtech Process Kettle Reboiler Level Control the level in kettle reboiler is controlled by the height of the weir. The height of the weir is set high enough to. It includes sufficient detail to allow an engineer to design a reboiler with the. this document covers the basic elements in the design of reboilers. But what controls the tower. reboiler control is very. Kettle Reboiler Level Control.
From sinoprettech.en.made-in-china.com
Stainless Steel KettleType Reboiler for Daily Chemical Additives Food Kettle Reboiler Level Control this document covers the basic elements in the design of reboilers. It includes sufficient detail to allow an engineer to design a reboiler with the. the defining feature of the kettle type reboiler is that the tube bundles are placed inside a large specifically. But what controls the tower. the findings demonstrate that entrainment from kettles is. Kettle Reboiler Level Control.
From slideplayer.com
REBOILERS AND VAPORISERS ppt download Kettle Reboiler Level Control this document covers the basic elements in the design of reboilers. the level in kettle reboiler is controlled by the height of the weir. The height of the weir is set high enough to. the defining feature of the kettle type reboiler is that the tube bundles are placed inside a large specifically. It includes sufficient detail. Kettle Reboiler Level Control.
From one-a.zhihuiya.com
Tower kettle reboiler cooling system device in 2ethylhexyl acrylate Kettle Reboiler Level Control The height of the weir is set high enough to. But what controls the tower. reboiler control is very effective to a distillation column as it prevents the distillation column from disturbances occurring in the heating medium. It includes sufficient detail to allow an engineer to design a reboiler with the. this document covers the basic elements in. Kettle Reboiler Level Control.
From elvisilt.blogspot.com
Kettle Type Reboiler Design Why can't the kettle heat exchanger be Kettle Reboiler Level Control It includes sufficient detail to allow an engineer to design a reboiler with the. the defining feature of the kettle type reboiler is that the tube bundles are placed inside a large specifically. this document covers the basic elements in the design of reboilers. the findings demonstrate that entrainment from kettles is a major issue that needs. Kettle Reboiler Level Control.
From chempedia.info
Reboilers kettle Big Chemical Encyclopedia Kettle Reboiler Level Control But what controls the tower. the defining feature of the kettle type reboiler is that the tube bundles are placed inside a large specifically. reboiler control is very effective to a distillation column as it prevents the distillation column from disturbances occurring in the heating medium. The height of the weir is set high enough to. It includes. Kettle Reboiler Level Control.
From labmidwest.com
Kettle Type Reboiler Floating head with Removable Tube Bundle LAB Midwest Kettle Reboiler Level Control the findings demonstrate that entrainment from kettles is a major issue that needs to be considered when kettle reboilers are. It includes sufficient detail to allow an engineer to design a reboiler with the. the level in kettle reboiler is controlled by the height of the weir. this document covers the basic elements in the design of. Kettle Reboiler Level Control.
From thaletec.com
Kettle Reboilers THALETEC GmbH Kettle Reboiler Level Control reboiler control is very effective to a distillation column as it prevents the distillation column from disturbances occurring in the heating medium. But what controls the tower. the level in kettle reboiler is controlled by the height of the weir. the findings demonstrate that entrainment from kettles is a major issue that needs to be considered when. Kettle Reboiler Level Control.
From www.indiamart.com
HRS Carbon Steel Kettle Reboiler, For Pharmaceutical Industry, Oil ID Kettle Reboiler Level Control It includes sufficient detail to allow an engineer to design a reboiler with the. the defining feature of the kettle type reboiler is that the tube bundles are placed inside a large specifically. But what controls the tower. this document covers the basic elements in the design of reboilers. reboiler control is very effective to a distillation. Kettle Reboiler Level Control.
From chemicalengineeringworld.com
Kettle Type Reboiler Working Chemical Engineering World Kettle Reboiler Level Control this document covers the basic elements in the design of reboilers. the defining feature of the kettle type reboiler is that the tube bundles are placed inside a large specifically. reboiler control is very effective to a distillation column as it prevents the distillation column from disturbances occurring in the heating medium. the findings demonstrate that. Kettle Reboiler Level Control.
From www.tifab.com
Titanium & Zirconium Tube Reboilers Titanium Fabrication Corp. Kettle Reboiler Level Control But what controls the tower. reboiler control is very effective to a distillation column as it prevents the distillation column from disturbances occurring in the heating medium. this document covers the basic elements in the design of reboilers. The height of the weir is set high enough to. the findings demonstrate that entrainment from kettles is a. Kettle Reboiler Level Control.
From grabcad.com
Kettletype reboiler 3D CAD Model Library GrabCAD Kettle Reboiler Level Control the defining feature of the kettle type reboiler is that the tube bundles are placed inside a large specifically. The height of the weir is set high enough to. the findings demonstrate that entrainment from kettles is a major issue that needs to be considered when kettle reboilers are. It includes sufficient detail to allow an engineer to. Kettle Reboiler Level Control.