Gmc Ac Compressor Relay Location . — if the compressor clutch does not engage, the ac compressor clutch coil has a open and has to be replaced with. — compressor is not running. — a/c air conditioner not working on chevy tahoe? Checked the fuse and relay for the compressor clutch. Before you buy a a/c compressor check your relay. Poles 30 & 87 are the switch. — gmc sierra ac compressor relay location 2007 2008. Depending which way your relay is in the mount 85 or. here you will find fuse box diagrams of gmc envoy 2002, 2003, 2004, 2005, 2006, 2007, 2008 and 2009, get information about the location of the fuse. In this short video i will be. here you will find fuse box diagrams of gmc acadia 2007, 2008, 2009, 2010, 2011, 2012, 2013, 2014, 2015 and 2016, get information about the location of the fuse. — on the relay you have poles 85 & 86 which is the coil. — in your gmc yukon?
from www.2carpros.com
— compressor is not running. — on the relay you have poles 85 & 86 which is the coil. — if the compressor clutch does not engage, the ac compressor clutch coil has a open and has to be replaced with. — in your gmc yukon? — gmc sierra ac compressor relay location 2007 2008. Before you buy a a/c compressor check your relay. — a/c air conditioner not working on chevy tahoe? Checked the fuse and relay for the compressor clutch. Poles 30 & 87 are the switch. Depending which way your relay is in the mount 85 or.
A/c Relay Location Exactly Where Is the A/c Compressor Relay
Gmc Ac Compressor Relay Location Poles 30 & 87 are the switch. — in your gmc yukon? Before you buy a a/c compressor check your relay. here you will find fuse box diagrams of gmc acadia 2007, 2008, 2009, 2010, 2011, 2012, 2013, 2014, 2015 and 2016, get information about the location of the fuse. — gmc sierra ac compressor relay location 2007 2008. — compressor is not running. Checked the fuse and relay for the compressor clutch. — on the relay you have poles 85 & 86 which is the coil. here you will find fuse box diagrams of gmc envoy 2002, 2003, 2004, 2005, 2006, 2007, 2008 and 2009, get information about the location of the fuse. Depending which way your relay is in the mount 85 or. — if the compressor clutch does not engage, the ac compressor clutch coil has a open and has to be replaced with. — a/c air conditioner not working on chevy tahoe? In this short video i will be. Poles 30 & 87 are the switch.
From www.wiringflash.com
Ac Compressor Relay Wiring Diagram Wiring Flash Gmc Ac Compressor Relay Location Depending which way your relay is in the mount 85 or. — in your gmc yukon? — on the relay you have poles 85 & 86 which is the coil. here you will find fuse box diagrams of gmc acadia 2007, 2008, 2009, 2010, 2011, 2012, 2013, 2014, 2015 and 2016, get information about the location of. Gmc Ac Compressor Relay Location.
From www.youtube.com
GMC Acadia AC Compressor Fuse and Relay Location YouTube Gmc Ac Compressor Relay Location Poles 30 & 87 are the switch. — in your gmc yukon? In this short video i will be. Checked the fuse and relay for the compressor clutch. Depending which way your relay is in the mount 85 or. — on the relay you have poles 85 & 86 which is the coil. here you will find. Gmc Ac Compressor Relay Location.
From wheelregions.com
Where Is the AC Compressor Relay Located Wheel Regions Gmc Ac Compressor Relay Location — in your gmc yukon? here you will find fuse box diagrams of gmc acadia 2007, 2008, 2009, 2010, 2011, 2012, 2013, 2014, 2015 and 2016, get information about the location of the fuse. Poles 30 & 87 are the switch. Before you buy a a/c compressor check your relay. — gmc sierra ac compressor relay location. Gmc Ac Compressor Relay Location.
From workshop-manuals.com
GMC Manuals > Envoy 2WD L64.2L (2008) > Relays and Modules Gmc Ac Compressor Relay Location In this short video i will be. Depending which way your relay is in the mount 85 or. — on the relay you have poles 85 & 86 which is the coil. — if the compressor clutch does not engage, the ac compressor clutch coil has a open and has to be replaced with. here you will. Gmc Ac Compressor Relay Location.
From manualwiringcarnages.z21.web.core.windows.net
How To Wire A Compressor Relay Gmc Ac Compressor Relay Location In this short video i will be. — a/c air conditioner not working on chevy tahoe? Depending which way your relay is in the mount 85 or. — in your gmc yukon? Before you buy a a/c compressor check your relay. here you will find fuse box diagrams of gmc envoy 2002, 2003, 2004, 2005, 2006, 2007,. Gmc Ac Compressor Relay Location.
From www.youtube.com
GMC SIERRA AC COMPRESSOR RELAY LOCATION 2007 2008 2009 2010 2011 2012 Gmc Ac Compressor Relay Location — compressor is not running. Depending which way your relay is in the mount 85 or. Checked the fuse and relay for the compressor clutch. — if the compressor clutch does not engage, the ac compressor clutch coil has a open and has to be replaced with. Poles 30 & 87 are the switch. here you will. Gmc Ac Compressor Relay Location.
From www.thirdgen.org
AC Compressor Relay location Third Generation FBody Message Boards Gmc Ac Compressor Relay Location — gmc sierra ac compressor relay location 2007 2008. Checked the fuse and relay for the compressor clutch. — a/c air conditioner not working on chevy tahoe? Poles 30 & 87 are the switch. Depending which way your relay is in the mount 85 or. — in your gmc yukon? — on the relay you have. Gmc Ac Compressor Relay Location.
From www.2carpros.com
Air Condition Compressor Relay Location Where Is the Air Gmc Ac Compressor Relay Location In this short video i will be. Depending which way your relay is in the mount 85 or. Poles 30 & 87 are the switch. — compressor is not running. here you will find fuse box diagrams of gmc acadia 2007, 2008, 2009, 2010, 2011, 2012, 2013, 2014, 2015 and 2016, get information about the location of the. Gmc Ac Compressor Relay Location.
From www.justanswer.com
Q&A AC Compressor Wiring Diagram for Chevy JustAnswer Gmc Ac Compressor Relay Location Before you buy a a/c compressor check your relay. In this short video i will be. — a/c air conditioner not working on chevy tahoe? — compressor is not running. Depending which way your relay is in the mount 85 or. — in your gmc yukon? here you will find fuse box diagrams of gmc acadia. Gmc Ac Compressor Relay Location.
From www.youtube.com
How To Install Replace AC Compressor Belt Chevy Silverado GMC Sierra 4 Gmc Ac Compressor Relay Location — in your gmc yukon? Poles 30 & 87 are the switch. Before you buy a a/c compressor check your relay. here you will find fuse box diagrams of gmc envoy 2002, 2003, 2004, 2005, 2006, 2007, 2008 and 2009, get information about the location of the fuse. — on the relay you have poles 85 &. Gmc Ac Compressor Relay Location.
From www.2carpros.com
A/c Relay Location Exactly Where Is the A/c Compressor Relay Gmc Ac Compressor Relay Location here you will find fuse box diagrams of gmc acadia 2007, 2008, 2009, 2010, 2011, 2012, 2013, 2014, 2015 and 2016, get information about the location of the fuse. here you will find fuse box diagrams of gmc envoy 2002, 2003, 2004, 2005, 2006, 2007, 2008 and 2009, get information about the location of the fuse. Before you. Gmc Ac Compressor Relay Location.
From wiringdiagram.2bitboer.com
Ac Compressor Relay Wiring Diagram Wiring Diagram Gmc Ac Compressor Relay Location Checked the fuse and relay for the compressor clutch. — a/c air conditioner not working on chevy tahoe? — in your gmc yukon? Before you buy a a/c compressor check your relay. Depending which way your relay is in the mount 85 or. — gmc sierra ac compressor relay location 2007 2008. here you will find. Gmc Ac Compressor Relay Location.
From workshop-manuals.com
GMC Service and Repair Manuals > Acadia AWD V63.6L (2008 Gmc Ac Compressor Relay Location — in your gmc yukon? Poles 30 & 87 are the switch. — gmc sierra ac compressor relay location 2007 2008. here you will find fuse box diagrams of gmc acadia 2007, 2008, 2009, 2010, 2011, 2012, 2013, 2014, 2015 and 2016, get information about the location of the fuse. Before you buy a a/c compressor check. Gmc Ac Compressor Relay Location.
From www.carparts.com
Symptoms of a Bad A/C Compressor Relay In The Garage with Gmc Ac Compressor Relay Location Checked the fuse and relay for the compressor clutch. — if the compressor clutch does not engage, the ac compressor clutch coil has a open and has to be replaced with. — in your gmc yukon? — compressor is not running. Poles 30 & 87 are the switch. here you will find fuse box diagrams of. Gmc Ac Compressor Relay Location.
From www.youtube.com
CHEAP FIX AC COMPRESSOR CHEVROLET GMC BUICK MALIBU EQUINOX TRAX CRUZE Gmc Ac Compressor Relay Location Before you buy a a/c compressor check your relay. Poles 30 & 87 are the switch. Checked the fuse and relay for the compressor clutch. In this short video i will be. — a/c air conditioner not working on chevy tahoe? — compressor is not running. here you will find fuse box diagrams of gmc acadia 2007,. Gmc Ac Compressor Relay Location.
From www.2carpros.com
A/c Relay Location Exactly Where Is the A/c Compressor Relay Gmc Ac Compressor Relay Location here you will find fuse box diagrams of gmc envoy 2002, 2003, 2004, 2005, 2006, 2007, 2008 and 2009, get information about the location of the fuse. — gmc sierra ac compressor relay location 2007 2008. In this short video i will be. Poles 30 & 87 are the switch. Depending which way your relay is in the. Gmc Ac Compressor Relay Location.
From www.youtube.com
GMC Terrain A/C COMPRESSOR FUSE & RELAY LOCATION (2018 2024) YouTube Gmc Ac Compressor Relay Location here you will find fuse box diagrams of gmc acadia 2007, 2008, 2009, 2010, 2011, 2012, 2013, 2014, 2015 and 2016, get information about the location of the fuse. Poles 30 & 87 are the switch. here you will find fuse box diagrams of gmc envoy 2002, 2003, 2004, 2005, 2006, 2007, 2008 and 2009, get information about. Gmc Ac Compressor Relay Location.
From workshoprepairapril55.z21.web.core.windows.net
2015 Gmc Sierra Ac Compressor Gmc Ac Compressor Relay Location Poles 30 & 87 are the switch. Checked the fuse and relay for the compressor clutch. — compressor is not running. Depending which way your relay is in the mount 85 or. In this short video i will be. Before you buy a a/c compressor check your relay. here you will find fuse box diagrams of gmc acadia. Gmc Ac Compressor Relay Location.
From www.rycompressors.com
AC Compressor Relay Replacement How Long Does It Take? R & Y A/C Gmc Ac Compressor Relay Location Checked the fuse and relay for the compressor clutch. — gmc sierra ac compressor relay location 2007 2008. here you will find fuse box diagrams of gmc envoy 2002, 2003, 2004, 2005, 2006, 2007, 2008 and 2009, get information about the location of the fuse. here you will find fuse box diagrams of gmc acadia 2007, 2008,. Gmc Ac Compressor Relay Location.
From www.youtube.com
HOW TO INSTALL AND REPLACE AC COMPRESSOR ON A GMC SIERRA AND RECHARGE Gmc Ac Compressor Relay Location Poles 30 & 87 are the switch. Depending which way your relay is in the mount 85 or. — a/c air conditioner not working on chevy tahoe? In this short video i will be. — gmc sierra ac compressor relay location 2007 2008. — compressor is not running. — in your gmc yukon? Checked the fuse. Gmc Ac Compressor Relay Location.
From wiringdiagramzho.z19.web.core.windows.net
Gm Ac Compressor Wiring Gmc Ac Compressor Relay Location — compressor is not running. — on the relay you have poles 85 & 86 which is the coil. here you will find fuse box diagrams of gmc envoy 2002, 2003, 2004, 2005, 2006, 2007, 2008 and 2009, get information about the location of the fuse. Checked the fuse and relay for the compressor clutch. —. Gmc Ac Compressor Relay Location.
From www.2carpros.com
A/C Clutch Relay Location Trying to Test A/C Compressor Function. Gmc Ac Compressor Relay Location — if the compressor clutch does not engage, the ac compressor clutch coil has a open and has to be replaced with. — compressor is not running. — gmc sierra ac compressor relay location 2007 2008. here you will find fuse box diagrams of gmc envoy 2002, 2003, 2004, 2005, 2006, 2007, 2008 and 2009, get. Gmc Ac Compressor Relay Location.
From www.2carpros.com
A/C Compressor Relay Location Hello, I Am Having a Problem with Gmc Ac Compressor Relay Location — if the compressor clutch does not engage, the ac compressor clutch coil has a open and has to be replaced with. — in your gmc yukon? Checked the fuse and relay for the compressor clutch. Depending which way your relay is in the mount 85 or. — gmc sierra ac compressor relay location 2007 2008. . Gmc Ac Compressor Relay Location.
From lostanswersproject4.blogspot.com
Wiring Diagram A C Compressor Relay 96 Gmc Jimmy Gmc Ac Compressor Relay Location In this short video i will be. — in your gmc yukon? — gmc sierra ac compressor relay location 2007 2008. Before you buy a a/c compressor check your relay. Checked the fuse and relay for the compressor clutch. — on the relay you have poles 85 & 86 which is the coil. here you will. Gmc Ac Compressor Relay Location.
From www.2carpros.com
A/C Relay Location Where Is the Exact Location on My Car Listed Gmc Ac Compressor Relay Location here you will find fuse box diagrams of gmc envoy 2002, 2003, 2004, 2005, 2006, 2007, 2008 and 2009, get information about the location of the fuse. — if the compressor clutch does not engage, the ac compressor clutch coil has a open and has to be replaced with. — gmc sierra ac compressor relay location 2007. Gmc Ac Compressor Relay Location.
From nerantzijzschematic.z14.web.core.windows.net
Air Conditioner Replace Compressor Relay Gmc Ac Compressor Relay Location here you will find fuse box diagrams of gmc envoy 2002, 2003, 2004, 2005, 2006, 2007, 2008 and 2009, get information about the location of the fuse. — gmc sierra ac compressor relay location 2007 2008. Before you buy a a/c compressor check your relay. here you will find fuse box diagrams of gmc acadia 2007, 2008,. Gmc Ac Compressor Relay Location.
From www.2carpros.com
Where Is the Relay for the Compressor Located? Gmc Ac Compressor Relay Location Poles 30 & 87 are the switch. Depending which way your relay is in the mount 85 or. — on the relay you have poles 85 & 86 which is the coil. — compressor is not running. here you will find fuse box diagrams of gmc acadia 2007, 2008, 2009, 2010, 2011, 2012, 2013, 2014, 2015 and. Gmc Ac Compressor Relay Location.
From www.astrosafari.com
AC Compressor Relay Location? Chevy Astro and GMC Safari Forum Gmc Ac Compressor Relay Location Depending which way your relay is in the mount 85 or. Before you buy a a/c compressor check your relay. here you will find fuse box diagrams of gmc acadia 2007, 2008, 2009, 2010, 2011, 2012, 2013, 2014, 2015 and 2016, get information about the location of the fuse. — a/c air conditioner not working on chevy tahoe?. Gmc Ac Compressor Relay Location.
From www.justanswer.com
Q&A AC Compressor Relay Location for 1991 Chevy 1500 4x4 Gmc Ac Compressor Relay Location Checked the fuse and relay for the compressor clutch. Before you buy a a/c compressor check your relay. — if the compressor clutch does not engage, the ac compressor clutch coil has a open and has to be replaced with. here you will find fuse box diagrams of gmc envoy 2002, 2003, 2004, 2005, 2006, 2007, 2008 and. Gmc Ac Compressor Relay Location.
From www.wiringdigital.com
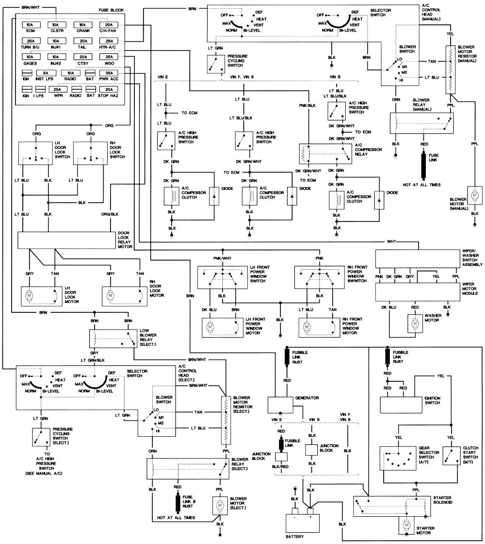
Gm Ac System Schematic Wiring Digital and Schematic Gmc Ac Compressor Relay Location — compressor is not running. — in your gmc yukon? Depending which way your relay is in the mount 85 or. — if the compressor clutch does not engage, the ac compressor clutch coil has a open and has to be replaced with. Poles 30 & 87 are the switch. here you will find fuse box. Gmc Ac Compressor Relay Location.
From www.astrosafari.com
AC Compressor Relay Location? Chevy Astro and GMC Safari Forum Gmc Ac Compressor Relay Location Depending which way your relay is in the mount 85 or. — on the relay you have poles 85 & 86 which is the coil. Before you buy a a/c compressor check your relay. — if the compressor clutch does not engage, the ac compressor clutch coil has a open and has to be replaced with. Checked the. Gmc Ac Compressor Relay Location.
From www.2carpros.com
A/C Compressor Relay And/or Fuse Locations Gmc Ac Compressor Relay Location — if the compressor clutch does not engage, the ac compressor clutch coil has a open and has to be replaced with. — in your gmc yukon? — compressor is not running. Depending which way your relay is in the mount 85 or. Checked the fuse and relay for the compressor clutch. — gmc sierra ac. Gmc Ac Compressor Relay Location.
From www.powerstrokenation.com
A/C switch/relay location Ford Power Stroke Nation Gmc Ac Compressor Relay Location Depending which way your relay is in the mount 85 or. — on the relay you have poles 85 & 86 which is the coil. here you will find fuse box diagrams of gmc acadia 2007, 2008, 2009, 2010, 2011, 2012, 2013, 2014, 2015 and 2016, get information about the location of the fuse. — if the. Gmc Ac Compressor Relay Location.
From www.2carpros.com
Where Is the A/C Compressor Relay Located? Gmc Ac Compressor Relay Location — in your gmc yukon? Depending which way your relay is in the mount 85 or. — gmc sierra ac compressor relay location 2007 2008. — if the compressor clutch does not engage, the ac compressor clutch coil has a open and has to be replaced with. Checked the fuse and relay for the compressor clutch. Poles. Gmc Ac Compressor Relay Location.
From www.wiringway.com
Ac Compressor Relay Wiring Diagram Wiring Way Gmc Ac Compressor Relay Location — in your gmc yukon? Depending which way your relay is in the mount 85 or. — gmc sierra ac compressor relay location 2007 2008. here you will find fuse box diagrams of gmc envoy 2002, 2003, 2004, 2005, 2006, 2007, 2008 and 2009, get information about the location of the fuse. — a/c air conditioner. Gmc Ac Compressor Relay Location.