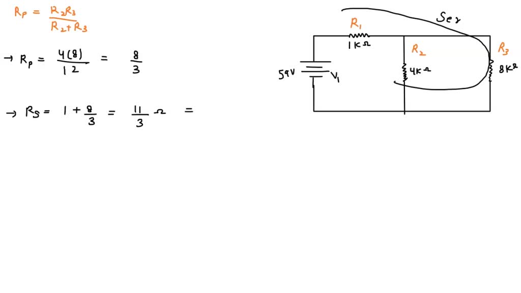
Individual Voltage . Once you have the current, calculate voltage for the individual resistors by multiplying the current by the resistance. Calculate the total resistance by adding the individual r values. The simplest, easiest to understand, and most basic form of a passive voltage divider network is that of. Let’s analyze a simple series circuit and determine the voltage drops across individual resistors: From the given values of. We’ll examine these three principles using the series circuit consisting of three resistors and a single battery, as illustrated in figure 1. The battery in a circuit provides energy, allowing charge to flow and creating a potential difference between the circuit ends. This article discusses voltage in series circuits in detail. Then, divide the voltage across the circuit by the total resistance to find the current. Calculate the current in the circuit, which is the same across each resistor since there is only one wire in the circuit. — to calculate voltage across a resistor in a series circuit, start by adding together all of the resistance values in the circuit. The total voltage drop in a series circuit equals the sum of the individual voltage drops. the amplitude of the source voltage across all three components in a series rlc circuit is made up of the three individual. — if you want to find voltage drops across individual resistors in a series, you proceed as follows: — voltage, or potential difference, is the variation in charge between two points in a circuit.
from circuitdiagramrams.z21.web.core.windows.net
This article discusses voltage in series circuits in detail. — voltage, or potential difference, is the variation in charge between two points in a circuit. Then, divide the voltage across the circuit by the total resistance to find the current. the amplitude of the source voltage across all three components in a series rlc circuit is made up of the three individual. Let’s analyze a simple series circuit and determine the voltage drops across individual resistors: We’ll examine these three principles using the series circuit consisting of three resistors and a single battery, as illustrated in figure 1. — to calculate voltage across a resistor in a series circuit, start by adding together all of the resistance values in the circuit. — if you want to find voltage drops across individual resistors in a series, you proceed as follows: The total voltage drop in a series circuit equals the sum of the individual voltage drops. Calculate the current in the circuit, which is the same across each resistor since there is only one wire in the circuit.
How To Calculate Voltage Resistance And Current
Individual Voltage if more resistors are connected in series to the circuit then different voltages will appear across each resistor in turn with regards to their individual. The total voltage drop in a series circuit equals the sum of the individual voltage drops. We’ll examine these three principles using the series circuit consisting of three resistors and a single battery, as illustrated in figure 1. The simplest, easiest to understand, and most basic form of a passive voltage divider network is that of. the amplitude of the source voltage across all three components in a series rlc circuit is made up of the three individual. From the given values of. if more resistors are connected in series to the circuit then different voltages will appear across each resistor in turn with regards to their individual. — voltage, or potential difference, is the variation in charge between two points in a circuit. Once you have the current, calculate voltage for the individual resistors by multiplying the current by the resistance. Let’s analyze a simple series circuit and determine the voltage drops across individual resistors: Calculate the total resistance by adding the individual r values. Calculate the current in the circuit, which is the same across each resistor since there is only one wire in the circuit. The battery in a circuit provides energy, allowing charge to flow and creating a potential difference between the circuit ends. This article discusses voltage in series circuits in detail. — if you want to find voltage drops across individual resistors in a series, you proceed as follows: — to calculate voltage across a resistor in a series circuit, start by adding together all of the resistance values in the circuit.
From www.electrical4u.net
What is Voltage Divider or Potential Divider Electrical4u Individual Voltage the amplitude of the source voltage across all three components in a series rlc circuit is made up of the three individual. This article discusses voltage in series circuits in detail. Once you have the current, calculate voltage for the individual resistors by multiplying the current by the resistance. The simplest, easiest to understand, and most basic form of. Individual Voltage.
From www.electronics-tutorials.ws
I2C Voltage Level Translators Basic Electronics Tutorials Individual Voltage the amplitude of the source voltage across all three components in a series rlc circuit is made up of the three individual. The simplest, easiest to understand, and most basic form of a passive voltage divider network is that of. Once you have the current, calculate voltage for the individual resistors by multiplying the current by the resistance. We’ll. Individual Voltage.
From www.academia.edu
(PDF) Determining the contribution of different effective factors to Individual Voltage The total voltage drop in a series circuit equals the sum of the individual voltage drops. The battery in a circuit provides energy, allowing charge to flow and creating a potential difference between the circuit ends. Then, divide the voltage across the circuit by the total resistance to find the current. Once you have the current, calculate voltage for the. Individual Voltage.
From www.researchgate.net
Voltage individual harmonic distortion (VIHD) level at the university Individual Voltage Calculate the total resistance by adding the individual r values. Let’s analyze a simple series circuit and determine the voltage drops across individual resistors: — to calculate voltage across a resistor in a series circuit, start by adding together all of the resistance values in the circuit. if more resistors are connected in series to the circuit then. Individual Voltage.
From videos.mathtutordvd.com
Lesson 1 Intro To Node Voltage Method (Engineering Circuits Individual Voltage — voltage, or potential difference, is the variation in charge between two points in a circuit. Calculate the total resistance by adding the individual r values. Calculate the current in the circuit, which is the same across each resistor since there is only one wire in the circuit. Once you have the current, calculate voltage for the individual resistors. Individual Voltage.
From www.youtube.com
Calculating Impedance, Supply Current and Voltages in Series RLC Individual Voltage — to calculate voltage across a resistor in a series circuit, start by adding together all of the resistance values in the circuit. From the given values of. if more resistors are connected in series to the circuit then different voltages will appear across each resistor in turn with regards to their individual. We’ll examine these three principles. Individual Voltage.
From guidewiringoutsprung.z5.web.core.windows.net
3 Phase Ac Circuit Diagram Individual Voltage — to calculate voltage across a resistor in a series circuit, start by adding together all of the resistance values in the circuit. Let’s analyze a simple series circuit and determine the voltage drops across individual resistors: Then, divide the voltage across the circuit by the total resistance to find the current. Calculate the total resistance by adding the. Individual Voltage.
From www.youtube.com
Resistors in Electric Circuits (14 of 16) Calculating Voltage for Individual Voltage This article discusses voltage in series circuits in detail. Calculate the total resistance by adding the individual r values. From the given values of. Calculate the current in the circuit, which is the same across each resistor since there is only one wire in the circuit. Then, divide the voltage across the circuit by the total resistance to find the. Individual Voltage.
From www.researchgate.net
Individual voltage spacevector switching pattern and its duration for Individual Voltage From the given values of. Calculate the current in the circuit, which is the same across each resistor since there is only one wire in the circuit. the amplitude of the source voltage across all three components in a series rlc circuit is made up of the three individual. We’ll examine these three principles using the series circuit consisting. Individual Voltage.
From www.numerade.com
SOLVED Part 2 PROBLEM SOLVING Calculate the individual voltage Individual Voltage From the given values of. — voltage, or potential difference, is the variation in charge between two points in a circuit. — if you want to find voltage drops across individual resistors in a series, you proceed as follows: The simplest, easiest to understand, and most basic form of a passive voltage divider network is that of. Let’s. Individual Voltage.
From www.numerade.com
SOLVED Part 2 PROBLEM SOLVING Calculate the individual voltage Individual Voltage Calculate the current in the circuit, which is the same across each resistor since there is only one wire in the circuit. Once you have the current, calculate voltage for the individual resistors by multiplying the current by the resistance. — to calculate voltage across a resistor in a series circuit, start by adding together all of the resistance. Individual Voltage.
From wiring.ekocraft-appleleaf.com
How Do You Find Voltage In A Series Circuit Wiring Diagram Individual Voltage — to calculate voltage across a resistor in a series circuit, start by adding together all of the resistance values in the circuit. Calculate the total resistance by adding the individual r values. Then, divide the voltage across the circuit by the total resistance to find the current. if more resistors are connected in series to the circuit. Individual Voltage.
From www.researchgate.net
Individual Voltage Harmonic amplitude for central and string inverter Individual Voltage From the given values of. The battery in a circuit provides energy, allowing charge to flow and creating a potential difference between the circuit ends. This article discusses voltage in series circuits in detail. Then, divide the voltage across the circuit by the total resistance to find the current. — voltage, or potential difference, is the variation in charge. Individual Voltage.
From www.researchgate.net
The individual load voltage harmonics. Download Scientific Diagram Individual Voltage — voltage, or potential difference, is the variation in charge between two points in a circuit. The battery in a circuit provides energy, allowing charge to flow and creating a potential difference between the circuit ends. The simplest, easiest to understand, and most basic form of a passive voltage divider network is that of. — to calculate voltage. Individual Voltage.
From www.inchcalculator.com
Ohm's Law Calculator and Electrical Formulas Inch Calculator Individual Voltage the amplitude of the source voltage across all three components in a series rlc circuit is made up of the three individual. The battery in a circuit provides energy, allowing charge to flow and creating a potential difference between the circuit ends. This article discusses voltage in series circuits in detail. From the given values of. Then, divide the. Individual Voltage.
From ietresearch.onlinelibrary.wiley.com
Novel individual voltage balancing control scheme for multilevel Individual Voltage Then, divide the voltage across the circuit by the total resistance to find the current. Calculate the total resistance by adding the individual r values. Calculate the current in the circuit, which is the same across each resistor since there is only one wire in the circuit. This article discusses voltage in series circuits in detail. Once you have the. Individual Voltage.
From ietresearch.onlinelibrary.wiley.com
Novel individual voltage balancing control scheme for multilevel Individual Voltage — to calculate voltage across a resistor in a series circuit, start by adding together all of the resistance values in the circuit. The battery in a circuit provides energy, allowing charge to flow and creating a potential difference between the circuit ends. Then, divide the voltage across the circuit by the total resistance to find the current. The. Individual Voltage.
From ietresearch.onlinelibrary.wiley.com
Novel individual voltage balancing control scheme for multilevel Individual Voltage Calculate the current in the circuit, which is the same across each resistor since there is only one wire in the circuit. Calculate the total resistance by adding the individual r values. if more resistors are connected in series to the circuit then different voltages will appear across each resistor in turn with regards to their individual. the. Individual Voltage.
From pruebamecdice.blogspot.com
PRUEBA FINAL MECDICE CALCULO DE CORRIENTE Y VOLTAJE INDIVIDUAL Individual Voltage The battery in a circuit provides energy, allowing charge to flow and creating a potential difference between the circuit ends. The simplest, easiest to understand, and most basic form of a passive voltage divider network is that of. — to calculate voltage across a resistor in a series circuit, start by adding together all of the resistance values in. Individual Voltage.
From www.educatodo.com.mx
Señal Individual Alto Voltaje Educatodo Individual Voltage — if you want to find voltage drops across individual resistors in a series, you proceed as follows: — to calculate voltage across a resistor in a series circuit, start by adding together all of the resistance values in the circuit. The battery in a circuit provides energy, allowing charge to flow and creating a potential difference between. Individual Voltage.
From pbwel.com
ODIN INDIVIDUAL VOLTAGE ALARM 2 400 kV PBwel Electrical Engineers Individual Voltage From the given values of. Once you have the current, calculate voltage for the individual resistors by multiplying the current by the resistance. Calculate the total resistance by adding the individual r values. Calculate the current in the circuit, which is the same across each resistor since there is only one wire in the circuit. Then, divide the voltage across. Individual Voltage.
From www.youtube.com
Solving Circuits Using Voltage & Current Dividers YouTube Individual Voltage — to calculate voltage across a resistor in a series circuit, start by adding together all of the resistance values in the circuit. Then, divide the voltage across the circuit by the total resistance to find the current. The simplest, easiest to understand, and most basic form of a passive voltage divider network is that of. This article discusses. Individual Voltage.
From www.researchgate.net
Individual Voltage Harmonic amplitude for central and string inverter Individual Voltage Calculate the total resistance by adding the individual r values. The simplest, easiest to understand, and most basic form of a passive voltage divider network is that of. We’ll examine these three principles using the series circuit consisting of three resistors and a single battery, as illustrated in figure 1. — to calculate voltage across a resistor in a. Individual Voltage.
From www.researchgate.net
Total power (A) and individual voltage trends (B) produced by six Individual Voltage We’ll examine these three principles using the series circuit consisting of three resistors and a single battery, as illustrated in figure 1. if more resistors are connected in series to the circuit then different voltages will appear across each resistor in turn with regards to their individual. Once you have the current, calculate voltage for the individual resistors by. Individual Voltage.
From itecnotes.com
Electrical How are the individual homes connected in a 3 phase power Individual Voltage From the given values of. We’ll examine these three principles using the series circuit consisting of three resistors and a single battery, as illustrated in figure 1. if more resistors are connected in series to the circuit then different voltages will appear across each resistor in turn with regards to their individual. The total voltage drop in a series. Individual Voltage.
From solarshouse.com
LiFePo4 Voltage Chart [12V, 24V, 48V & 1 Cell (3.2V)] Pro Tips Individual Voltage From the given values of. Let’s analyze a simple series circuit and determine the voltage drops across individual resistors: Then, divide the voltage across the circuit by the total resistance to find the current. The total voltage drop in a series circuit equals the sum of the individual voltage drops. if more resistors are connected in series to the. Individual Voltage.
From www.researchgate.net
The magnitude of the individual voltage harmonic component of the Individual Voltage Let’s analyze a simple series circuit and determine the voltage drops across individual resistors: Calculate the total resistance by adding the individual r values. We’ll examine these three principles using the series circuit consisting of three resistors and a single battery, as illustrated in figure 1. This article discusses voltage in series circuits in detail. The simplest, easiest to understand,. Individual Voltage.
From electronica.guru
Medición del voltaje individual del panel solar conectado en serie Individual Voltage This article discusses voltage in series circuits in detail. — to calculate voltage across a resistor in a series circuit, start by adding together all of the resistance values in the circuit. The simplest, easiest to understand, and most basic form of a passive voltage divider network is that of. — voltage, or potential difference, is the variation. Individual Voltage.
From cleversolarpower.com
LiFePO4 Voltage Charts (1 Cell, 12V, 24V, 48V) Individual Voltage Let’s analyze a simple series circuit and determine the voltage drops across individual resistors: — voltage, or potential difference, is the variation in charge between two points in a circuit. Once you have the current, calculate voltage for the individual resistors by multiplying the current by the resistance. We’ll examine these three principles using the series circuit consisting of. Individual Voltage.
From www.chegg.com
Solved When two or more voltage sources are connected in Individual Voltage Once you have the current, calculate voltage for the individual resistors by multiplying the current by the resistance. the amplitude of the source voltage across all three components in a series rlc circuit is made up of the three individual. — to calculate voltage across a resistor in a series circuit, start by adding together all of the. Individual Voltage.
From circuitdiagramrams.z21.web.core.windows.net
How To Calculate Voltage Resistance And Current Individual Voltage Then, divide the voltage across the circuit by the total resistance to find the current. Calculate the total resistance by adding the individual r values. Once you have the current, calculate voltage for the individual resistors by multiplying the current by the resistance. The total voltage drop in a series circuit equals the sum of the individual voltage drops. . Individual Voltage.
From wiringdbdeggysingeru6.z21.web.core.windows.net
Series Circuit Diagram With Label Individual Voltage The total voltage drop in a series circuit equals the sum of the individual voltage drops. Then, divide the voltage across the circuit by the total resistance to find the current. — if you want to find voltage drops across individual resistors in a series, you proceed as follows: Calculate the current in the circuit, which is the same. Individual Voltage.
From ietresearch.onlinelibrary.wiley.com
Novel individual voltage balancing control scheme for multilevel Individual Voltage We’ll examine these three principles using the series circuit consisting of three resistors and a single battery, as illustrated in figure 1. the amplitude of the source voltage across all three components in a series rlc circuit is made up of the three individual. — to calculate voltage across a resistor in a series circuit, start by adding. Individual Voltage.
From www.researchgate.net
(PDF) A Currentless Submodule Individual Voltage Balancing Control for Individual Voltage — to calculate voltage across a resistor in a series circuit, start by adding together all of the resistance values in the circuit. — if you want to find voltage drops across individual resistors in a series, you proceed as follows: — voltage, or potential difference, is the variation in charge between two points in a circuit.. Individual Voltage.
From pbwel.com
ODIN INDIVIDUAL VOLTAGE ALARM 2 400 kV PENTA P&B Weir Electrical Ltd Individual Voltage Calculate the current in the circuit, which is the same across each resistor since there is only one wire in the circuit. Once you have the current, calculate voltage for the individual resistors by multiplying the current by the resistance. if more resistors are connected in series to the circuit then different voltages will appear across each resistor in. Individual Voltage.