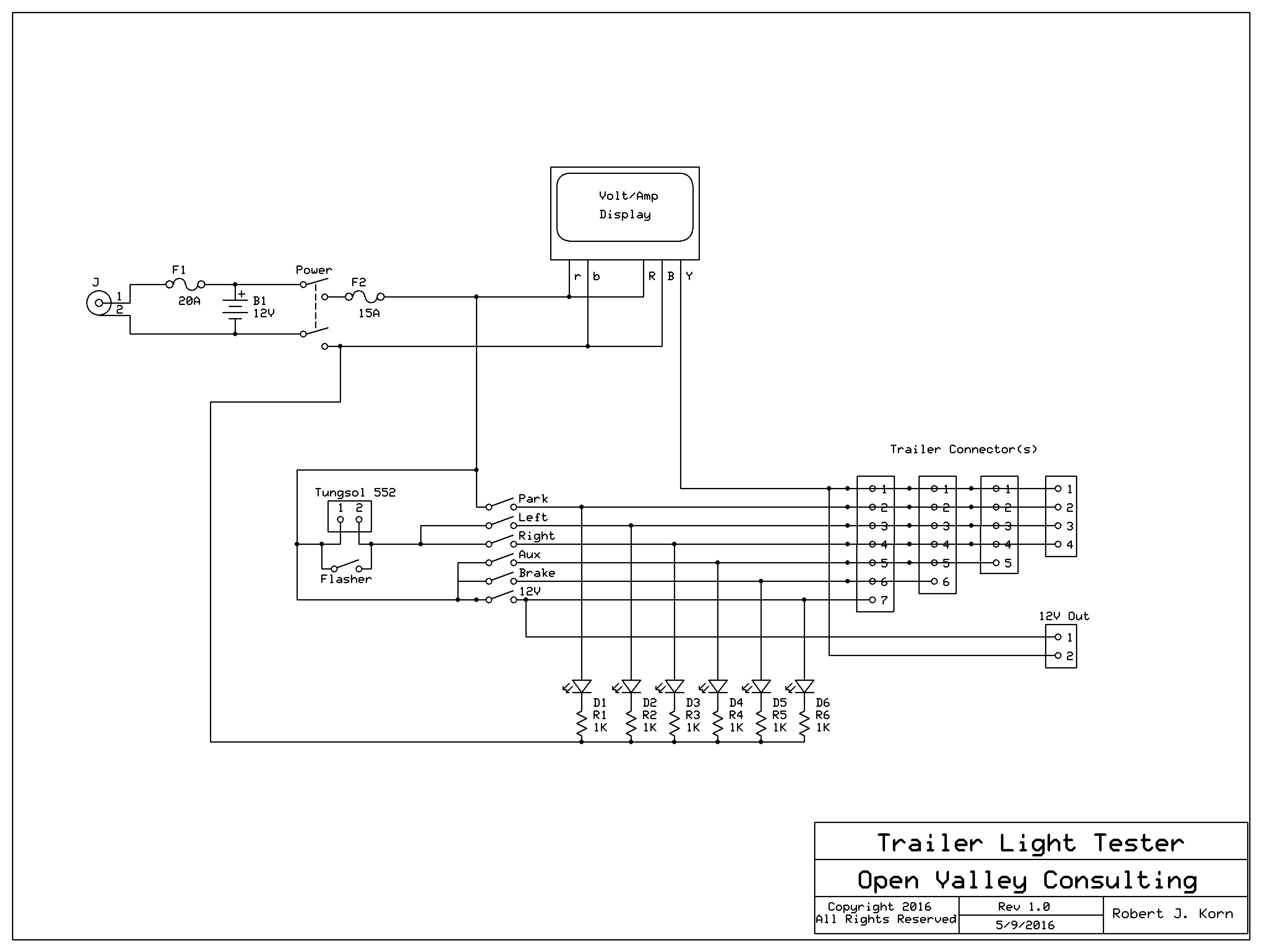
Diy Trailer Light Tester . I recently borrowed a trailer to carry some junk. Today i will show you how to build your own trailer light test box and explain how it functions.3d. Test the wiring for your trailer: Build your own trailer light tester which is powered by a standard drill battery. Learn how to wire a trailer light tester box using a detailed wiring diagram. When i connected the lights up, one of the indicators didn't work, which i traced to a loose wire in the socket mounted on the car. Helps with checking lights without a vehicle or. Bringing each one over to the truck to test it is. I have a few trailers now and keeping after their lighting is getting to be a pain. That took far more time than it should have, so i decided to build. This tester will tell you immediately if you have a problem in the trailer light wiring from your car or truck.
from www.youtube.com
Learn how to wire a trailer light tester box using a detailed wiring diagram. When i connected the lights up, one of the indicators didn't work, which i traced to a loose wire in the socket mounted on the car. Test the wiring for your trailer: Today i will show you how to build your own trailer light test box and explain how it functions.3d. That took far more time than it should have, so i decided to build. I have a few trailers now and keeping after their lighting is getting to be a pain. I recently borrowed a trailer to carry some junk. Build your own trailer light tester which is powered by a standard drill battery. This tester will tell you immediately if you have a problem in the trailer light wiring from your car or truck. Helps with checking lights without a vehicle or.
How to Test Trailer lights YouTube
Diy Trailer Light Tester Test the wiring for your trailer: Bringing each one over to the truck to test it is. When i connected the lights up, one of the indicators didn't work, which i traced to a loose wire in the socket mounted on the car. Today i will show you how to build your own trailer light test box and explain how it functions.3d. Helps with checking lights without a vehicle or. That took far more time than it should have, so i decided to build. I have a few trailers now and keeping after their lighting is getting to be a pain. Learn how to wire a trailer light tester box using a detailed wiring diagram. I recently borrowed a trailer to carry some junk. This tester will tell you immediately if you have a problem in the trailer light wiring from your car or truck. Test the wiring for your trailer: Build your own trailer light tester which is powered by a standard drill battery.
From www.instructables.com
Trailer Light Tester 8 Steps (with Pictures) Instructables Diy Trailer Light Tester Today i will show you how to build your own trailer light test box and explain how it functions.3d. When i connected the lights up, one of the indicators didn't work, which i traced to a loose wire in the socket mounted on the car. Learn how to wire a trailer light tester box using a detailed wiring diagram. That. Diy Trailer Light Tester.
From www.youtube.com
DIY Truck and Trailer Light Test Box YouTube Diy Trailer Light Tester I recently borrowed a trailer to carry some junk. Learn how to wire a trailer light tester box using a detailed wiring diagram. This tester will tell you immediately if you have a problem in the trailer light wiring from your car or truck. Helps with checking lights without a vehicle or. Today i will show you how to build. Diy Trailer Light Tester.
From www.instructables.com
Trailer Light Tester 8 Steps (with Pictures) Instructables Diy Trailer Light Tester I recently borrowed a trailer to carry some junk. Helps with checking lights without a vehicle or. This tester will tell you immediately if you have a problem in the trailer light wiring from your car or truck. Today i will show you how to build your own trailer light test box and explain how it functions.3d. Learn how to. Diy Trailer Light Tester.
From www.instructables.com
Trailer Light Tester 8 Steps (with Pictures) Instructables Diy Trailer Light Tester Learn how to wire a trailer light tester box using a detailed wiring diagram. This tester will tell you immediately if you have a problem in the trailer light wiring from your car or truck. Today i will show you how to build your own trailer light test box and explain how it functions.3d. That took far more time than. Diy Trailer Light Tester.
From www.instructables.com
Trailer Light Tester 8 Steps (with Pictures) Instructables Diy Trailer Light Tester Learn how to wire a trailer light tester box using a detailed wiring diagram. Bringing each one over to the truck to test it is. Build your own trailer light tester which is powered by a standard drill battery. Today i will show you how to build your own trailer light test box and explain how it functions.3d. That took. Diy Trailer Light Tester.
From www.youtube.com
DIY Trailer Plug Light Tester Tutorial YouTube Diy Trailer Light Tester That took far more time than it should have, so i decided to build. Build your own trailer light tester which is powered by a standard drill battery. I recently borrowed a trailer to carry some junk. Helps with checking lights without a vehicle or. When i connected the lights up, one of the indicators didn't work, which i traced. Diy Trailer Light Tester.
From www.instructables.com
Trailer Light Tester 8 Steps (with Pictures) Instructables Diy Trailer Light Tester That took far more time than it should have, so i decided to build. When i connected the lights up, one of the indicators didn't work, which i traced to a loose wire in the socket mounted on the car. Today i will show you how to build your own trailer light test box and explain how it functions.3d. This. Diy Trailer Light Tester.
From www.instructables.com
Trailer Light Tester 8 Steps (with Pictures) Instructables Diy Trailer Light Tester Helps with checking lights without a vehicle or. That took far more time than it should have, so i decided to build. Today i will show you how to build your own trailer light test box and explain how it functions.3d. I have a few trailers now and keeping after their lighting is getting to be a pain. Learn how. Diy Trailer Light Tester.
From exoqlqwqk.blob.core.windows.net
Diy Trailer Light Tester Diagram at Eddie Moss blog Diy Trailer Light Tester I have a few trailers now and keeping after their lighting is getting to be a pain. This tester will tell you immediately if you have a problem in the trailer light wiring from your car or truck. That took far more time than it should have, so i decided to build. Build your own trailer light tester which is. Diy Trailer Light Tester.
From www.instructables.com
Trailer Light Tester 8 Steps (with Pictures) Instructables Diy Trailer Light Tester This tester will tell you immediately if you have a problem in the trailer light wiring from your car or truck. When i connected the lights up, one of the indicators didn't work, which i traced to a loose wire in the socket mounted on the car. Helps with checking lights without a vehicle or. That took far more time. Diy Trailer Light Tester.
From www.instructables.com
Trailer Light Tester 8 Steps (with Pictures) Instructables Diy Trailer Light Tester This tester will tell you immediately if you have a problem in the trailer light wiring from your car or truck. That took far more time than it should have, so i decided to build. Learn how to wire a trailer light tester box using a detailed wiring diagram. I recently borrowed a trailer to carry some junk. I have. Diy Trailer Light Tester.
From www.instructables.com
Trailer Light Tester 8 Steps (with Pictures) Instructables Diy Trailer Light Tester That took far more time than it should have, so i decided to build. Helps with checking lights without a vehicle or. Test the wiring for your trailer: Learn how to wire a trailer light tester box using a detailed wiring diagram. Bringing each one over to the truck to test it is. Build your own trailer light tester which. Diy Trailer Light Tester.
From www.instructables.com
Trailer Light Tester 8 Steps (with Pictures) Instructables Diy Trailer Light Tester This tester will tell you immediately if you have a problem in the trailer light wiring from your car or truck. Bringing each one over to the truck to test it is. When i connected the lights up, one of the indicators didn't work, which i traced to a loose wire in the socket mounted on the car. I recently. Diy Trailer Light Tester.
From www.instructables.com
Trailer Light Tester 8 Steps (with Pictures) Instructables Diy Trailer Light Tester Build your own trailer light tester which is powered by a standard drill battery. Bringing each one over to the truck to test it is. Today i will show you how to build your own trailer light test box and explain how it functions.3d. When i connected the lights up, one of the indicators didn't work, which i traced to. Diy Trailer Light Tester.
From www.pinterest.com
4Way Trailer Light Tester Tester, Diy homemade, Camping fun Diy Trailer Light Tester Learn how to wire a trailer light tester box using a detailed wiring diagram. Bringing each one over to the truck to test it is. Helps with checking lights without a vehicle or. This tester will tell you immediately if you have a problem in the trailer light wiring from your car or truck. I recently borrowed a trailer to. Diy Trailer Light Tester.
From www.instructables.com
Trailer Light Tester 8 Steps (with Pictures) Instructables Diy Trailer Light Tester I recently borrowed a trailer to carry some junk. That took far more time than it should have, so i decided to build. Build your own trailer light tester which is powered by a standard drill battery. I have a few trailers now and keeping after their lighting is getting to be a pain. Learn how to wire a trailer. Diy Trailer Light Tester.
From www.instructables.com
Trailer Light Tester 8 Steps (with Pictures) Instructables Diy Trailer Light Tester I have a few trailers now and keeping after their lighting is getting to be a pain. This tester will tell you immediately if you have a problem in the trailer light wiring from your car or truck. When i connected the lights up, one of the indicators didn't work, which i traced to a loose wire in the socket. Diy Trailer Light Tester.
From www.instructables.com
Trailer Light Tester 8 Steps (with Pictures) Instructables Diy Trailer Light Tester Today i will show you how to build your own trailer light test box and explain how it functions.3d. Build your own trailer light tester which is powered by a standard drill battery. That took far more time than it should have, so i decided to build. When i connected the lights up, one of the indicators didn't work, which. Diy Trailer Light Tester.
From www.reddit.com
A truck trailer light tester that I designed and made. Pretty proud of Diy Trailer Light Tester Build your own trailer light tester which is powered by a standard drill battery. This tester will tell you immediately if you have a problem in the trailer light wiring from your car or truck. I have a few trailers now and keeping after their lighting is getting to be a pain. Today i will show you how to build. Diy Trailer Light Tester.
From www.instructables.com
Trailer Light Tester 8 Steps (with Pictures) Instructables Diy Trailer Light Tester That took far more time than it should have, so i decided to build. Learn how to wire a trailer light tester box using a detailed wiring diagram. Today i will show you how to build your own trailer light test box and explain how it functions.3d. When i connected the lights up, one of the indicators didn't work, which. Diy Trailer Light Tester.
From www.instructables.com
Trailer Light Tester 8 Steps (with Pictures) Instructables Diy Trailer Light Tester That took far more time than it should have, so i decided to build. I have a few trailers now and keeping after their lighting is getting to be a pain. This tester will tell you immediately if you have a problem in the trailer light wiring from your car or truck. Today i will show you how to build. Diy Trailer Light Tester.
From www.instructables.com
Trailer Light Tester 8 Steps (with Pictures) Instructables Diy Trailer Light Tester Test the wiring for your trailer: I have a few trailers now and keeping after their lighting is getting to be a pain. I recently borrowed a trailer to carry some junk. That took far more time than it should have, so i decided to build. When i connected the lights up, one of the indicators didn't work, which i. Diy Trailer Light Tester.
From www.instructables.com
Trailer Light Tester 8 Steps (with Pictures) Instructables Diy Trailer Light Tester I recently borrowed a trailer to carry some junk. Bringing each one over to the truck to test it is. Helps with checking lights without a vehicle or. That took far more time than it should have, so i decided to build. When i connected the lights up, one of the indicators didn't work, which i traced to a loose. Diy Trailer Light Tester.
From www.instructables.com
Trailer Light Tester 8 Steps (with Pictures) Instructables Diy Trailer Light Tester That took far more time than it should have, so i decided to build. I recently borrowed a trailer to carry some junk. Test the wiring for your trailer: Today i will show you how to build your own trailer light test box and explain how it functions.3d. When i connected the lights up, one of the indicators didn't work,. Diy Trailer Light Tester.
From rumble.com
Trailer Light Test Box How to Build Diy Trailer Light Tester I have a few trailers now and keeping after their lighting is getting to be a pain. Learn how to wire a trailer light tester box using a detailed wiring diagram. I recently borrowed a trailer to carry some junk. Build your own trailer light tester which is powered by a standard drill battery. Test the wiring for your trailer:. Diy Trailer Light Tester.
From www.instructables.com
Trailer Light Tester 8 Steps (with Pictures) Instructables Diy Trailer Light Tester I recently borrowed a trailer to carry some junk. Build your own trailer light tester which is powered by a standard drill battery. Today i will show you how to build your own trailer light test box and explain how it functions.3d. Test the wiring for your trailer: This tester will tell you immediately if you have a problem in. Diy Trailer Light Tester.
From www.instructables.com
Trailer Light Tester 8 Steps (with Pictures) Instructables Diy Trailer Light Tester I have a few trailers now and keeping after their lighting is getting to be a pain. Bringing each one over to the truck to test it is. Learn how to wire a trailer light tester box using a detailed wiring diagram. Helps with checking lights without a vehicle or. When i connected the lights up, one of the indicators. Diy Trailer Light Tester.
From www.instructables.com
Trailer Light Tester 8 Steps (with Pictures) Instructables Diy Trailer Light Tester This tester will tell you immediately if you have a problem in the trailer light wiring from your car or truck. Bringing each one over to the truck to test it is. I recently borrowed a trailer to carry some junk. Build your own trailer light tester which is powered by a standard drill battery. Today i will show you. Diy Trailer Light Tester.
From www.instructables.com
Trailer Light Tester 8 Steps (with Pictures) Instructables Diy Trailer Light Tester Build your own trailer light tester which is powered by a standard drill battery. I have a few trailers now and keeping after their lighting is getting to be a pain. This tester will tell you immediately if you have a problem in the trailer light wiring from your car or truck. Today i will show you how to build. Diy Trailer Light Tester.
From www.youtube.com
How to Test Trailer lights YouTube Diy Trailer Light Tester This tester will tell you immediately if you have a problem in the trailer light wiring from your car or truck. Today i will show you how to build your own trailer light test box and explain how it functions.3d. When i connected the lights up, one of the indicators didn't work, which i traced to a loose wire in. Diy Trailer Light Tester.
From www.instructables.com
Trailer Light Tester 8 Steps (with Pictures) Instructables Diy Trailer Light Tester Test the wiring for your trailer: When i connected the lights up, one of the indicators didn't work, which i traced to a loose wire in the socket mounted on the car. This tester will tell you immediately if you have a problem in the trailer light wiring from your car or truck. Today i will show you how to. Diy Trailer Light Tester.
From www.instructables.com
Trailer Light Tester 8 Steps (with Pictures) Instructables Diy Trailer Light Tester Bringing each one over to the truck to test it is. That took far more time than it should have, so i decided to build. I recently borrowed a trailer to carry some junk. Helps with checking lights without a vehicle or. Build your own trailer light tester which is powered by a standard drill battery. I have a few. Diy Trailer Light Tester.
From www.youtube.com
How to do trailer lights tester out of 7way cord YouTube Diy Trailer Light Tester That took far more time than it should have, so i decided to build. When i connected the lights up, one of the indicators didn't work, which i traced to a loose wire in the socket mounted on the car. I recently borrowed a trailer to carry some junk. This tester will tell you immediately if you have a problem. Diy Trailer Light Tester.
From www.instructables.com
Trailer Light Tester 8 Steps (with Pictures) Instructables Diy Trailer Light Tester That took far more time than it should have, so i decided to build. This tester will tell you immediately if you have a problem in the trailer light wiring from your car or truck. Bringing each one over to the truck to test it is. Learn how to wire a trailer light tester box using a detailed wiring diagram.. Diy Trailer Light Tester.
From www.instructables.com
Trailer Light Tester 8 Steps (with Pictures) Instructables Diy Trailer Light Tester That took far more time than it should have, so i decided to build. Helps with checking lights without a vehicle or. Learn how to wire a trailer light tester box using a detailed wiring diagram. Bringing each one over to the truck to test it is. I have a few trailers now and keeping after their lighting is getting. Diy Trailer Light Tester.