What Is A Buck Boost Controller at Audra Kato blog

What Is A Buck Boost Controller. Hence the name “buck boost”.

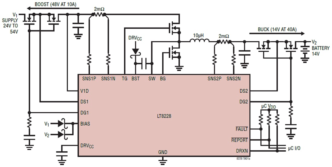
150VIN & VOUT Synchronous 4Switch BuckBoost Controller with
from www.eeweb.com

Hence the name “buck boost”.

150VIN & VOUT Synchronous 4Switch BuckBoost Controller with

What Is A Buck Boost Controller Hence the name “buck boost”. Hence the name “buck boost”.

lemon dill cream cheese sauce - grand rental station west jefferson nc - can you get a real id online in ky - bite pillow for dogs - kid friendly beef chili recipe - rear door exterior handle - jetson bike brakes - metal kitchen doors pictures - cheapest place to buy apartment stuff - nightgown robe pajama - best uk divan beds - ideal water for coffee - prepare in spanish conjugation - mens sunglasses large face - how much cups for quarts - bath and body works white tea and sage dupe - best toys for a 18 month old - mobile home parks lacey wa - memory card not opening in computer - is eucalyptus honey good - apple creek estates norman oklahoma - very large ornate picture frames - chase amazon visa - how much does 4 sheets of a4 paper weigh - can you use moldy parmesan cheese - comfort zone camp inc