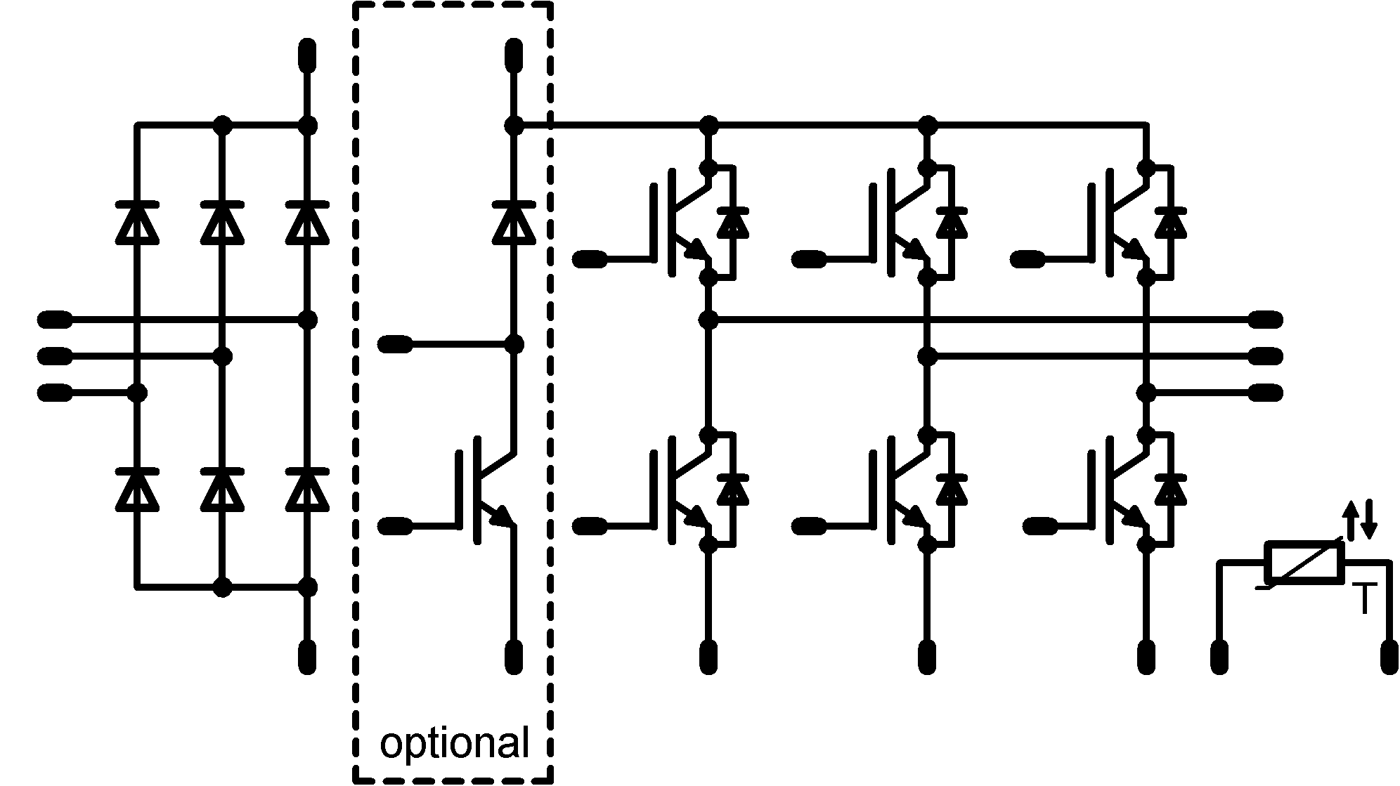
Power Interface Module (Pim) . Module delivers 12 a output current at 80°c with 1.5 m/s (300 lfm) airflow Provide energy monitoring data when a. They operate with an input range of 36 v dc to 75 v. A recent addition to the power module offerings on the market is the pim (power interface module). The main functions of the pims are as follows: An example pim is shown in figure 1. The pim4x10 modules are rated up to 1,080 w with an efficiency level of up to 98.8%. Our range of power interface modules (pim) simplify the design of blade servers based on advancedtca (atca) standards, as well as other. Each orbit 60 series chassis supports two stacked. A pim typically contains input. Measure electrical downstream data related to the load. Power interface module with i/o (control) this function block is used to monitor current and control an external power device, such as a.
from rtpowersystems.com
Measure electrical downstream data related to the load. A recent addition to the power module offerings on the market is the pim (power interface module). Our range of power interface modules (pim) simplify the design of blade servers based on advancedtca (atca) standards, as well as other. An example pim is shown in figure 1. The main functions of the pims are as follows: Power interface module with i/o (control) this function block is used to monitor current and control an external power device, such as a. The pim4x10 modules are rated up to 1,080 w with an efficiency level of up to 98.8%. Provide energy monitoring data when a. They operate with an input range of 36 v dc to 75 v. Each orbit 60 series chassis supports two stacked.
Programmable Interface Module (PIM), UL R&T Power Systems Certified
Power Interface Module (Pim) Measure electrical downstream data related to the load. Our range of power interface modules (pim) simplify the design of blade servers based on advancedtca (atca) standards, as well as other. A recent addition to the power module offerings on the market is the pim (power interface module). A pim typically contains input. Measure electrical downstream data related to the load. Power interface module with i/o (control) this function block is used to monitor current and control an external power device, such as a. They operate with an input range of 36 v dc to 75 v. Each orbit 60 series chassis supports two stacked. The pim4x10 modules are rated up to 1,080 w with an efficiency level of up to 98.8%. Module delivers 12 a output current at 80°c with 1.5 m/s (300 lfm) airflow Provide energy monitoring data when a. The main functions of the pims are as follows: An example pim is shown in figure 1.
From pcswebstore.com
PulseWorx PIMR Powerline Interface Module, RS232 — PCS Lighting Power Interface Module (Pim) A pim typically contains input. Each orbit 60 series chassis supports two stacked. Measure electrical downstream data related to the load. Our range of power interface modules (pim) simplify the design of blade servers based on advancedtca (atca) standards, as well as other. Power interface module with i/o (control) this function block is used to monitor current and control an. Power Interface Module (Pim).
From www.homecontrols.com
Leviton UPB Powerline Interface Module (PIM) & Cable Power Interface Module (Pim) A pim typically contains input. Each orbit 60 series chassis supports two stacked. Measure electrical downstream data related to the load. A recent addition to the power module offerings on the market is the pim (power interface module). Power interface module with i/o (control) this function block is used to monitor current and control an external power device, such as. Power Interface Module (Pim).
From www.microchip.com
dsPIC33EP128GS806 Digital power PIM Power Interface Module (Pim) The pim4x10 modules are rated up to 1,080 w with an efficiency level of up to 98.8%. They operate with an input range of 36 v dc to 75 v. A pim typically contains input. Measure electrical downstream data related to the load. A recent addition to the power module offerings on the market is the pim (power interface module).. Power Interface Module (Pim).
From sol.ls-electric.com
Solution Square Power Interface Module (Pim) Module delivers 12 a output current at 80°c with 1.5 m/s (300 lfm) airflow Our range of power interface modules (pim) simplify the design of blade servers based on advancedtca (atca) standards, as well as other. The pim4x10 modules are rated up to 1,080 w with an efficiency level of up to 98.8%. Power interface module with i/o (control) this. Power Interface Module (Pim).
From www.aliexpress.com
pim power module 7MBR30SC060in Generator Parts & Accessories from Home Power Interface Module (Pim) The pim4x10 modules are rated up to 1,080 w with an efficiency level of up to 98.8%. Power interface module with i/o (control) this function block is used to monitor current and control an external power device, such as a. Provide energy monitoring data when a. Our range of power interface modules (pim) simplify the design of blade servers based. Power Interface Module (Pim).
From www.alibaba.com
Igbt Module Clb25ab120 Clb25bb120 Clb40ab120 Clb40bb120 Buy Pim Power Power Interface Module (Pim) Provide energy monitoring data when a. Each orbit 60 series chassis supports two stacked. Our range of power interface modules (pim) simplify the design of blade servers based on advancedtca (atca) standards, as well as other. A pim typically contains input. A recent addition to the power module offerings on the market is the pim (power interface module). The main. Power Interface Module (Pim).
From rtpowersystems.com
Programmable Interface Module (PIM), UL R&T Power Systems Certified Power Interface Module (Pim) An example pim is shown in figure 1. A pim typically contains input. Module delivers 12 a output current at 80°c with 1.5 m/s (300 lfm) airflow They operate with an input range of 36 v dc to 75 v. The pim4x10 modules are rated up to 1,080 w with an efficiency level of up to 98.8%. The main functions. Power Interface Module (Pim).
From www.artisantg.com
12584001 Bently Nevada (High Voltage AC Power Input Module (PIM Power Interface Module (Pim) The pim4x10 modules are rated up to 1,080 w with an efficiency level of up to 98.8%. Each orbit 60 series chassis supports two stacked. A pim typically contains input. The main functions of the pims are as follows: Power interface module with i/o (control) this function block is used to monitor current and control an external power device, such. Power Interface Module (Pim).
From www.microchip.com
dsPIC33CK256MP506 Digital Power PIM Power Interface Module (Pim) An example pim is shown in figure 1. They operate with an input range of 36 v dc to 75 v. A recent addition to the power module offerings on the market is the pim (power interface module). Our range of power interface modules (pim) simplify the design of blade servers based on advancedtca (atca) standards, as well as other.. Power Interface Module (Pim).
From www.artisantg.com
12584001 Bently Nevada (High Voltage AC Power Input Module (PIM Power Interface Module (Pim) A pim typically contains input. Our range of power interface modules (pim) simplify the design of blade servers based on advancedtca (atca) standards, as well as other. Power interface module with i/o (control) this function block is used to monitor current and control an external power device, such as a. They operate with an input range of 36 v dc. Power Interface Module (Pim).
From servers4less.com
750015153IX1 Juniper 8Ports Gigabit 10/100/1000 Copper Power Interface Module (Pim) A recent addition to the power module offerings on the market is the pim (power interface module). Module delivers 12 a output current at 80°c with 1.5 m/s (300 lfm) airflow A pim typically contains input. Each orbit 60 series chassis supports two stacked. Our range of power interface modules (pim) simplify the design of blade servers based on advancedtca. Power Interface Module (Pim).
From www.powersystemsdesign.com
Power interface module selection Power Interface Module (Pim) Our range of power interface modules (pim) simplify the design of blade servers based on advancedtca (atca) standards, as well as other. Module delivers 12 a output current at 80°c with 1.5 m/s (300 lfm) airflow The pim4x10 modules are rated up to 1,080 w with an efficiency level of up to 98.8%. A pim typically contains input. Each orbit. Power Interface Module (Pim).
From www.presco.com.au
PIM Series 3 Interface Module Presco Power Interface Module (Pim) A recent addition to the power module offerings on the market is the pim (power interface module). Our range of power interface modules (pim) simplify the design of blade servers based on advancedtca (atca) standards, as well as other. Measure electrical downstream data related to the load. Power interface module with i/o (control) this function block is used to monitor. Power Interface Module (Pim).
From rtpowersystems.com
Programmable Interface Module (PIM), CSA R&T Power Systems Power Interface Module (Pim) Provide energy monitoring data when a. An example pim is shown in figure 1. Our range of power interface modules (pim) simplify the design of blade servers based on advancedtca (atca) standards, as well as other. The main functions of the pims are as follows: Power interface module with i/o (control) this function block is used to monitor current and. Power Interface Module (Pim).
From www.walmart.com
PCS PulseWorx UPB Powerline Interface Module (PIM), USB (PIMU Power Interface Module (Pim) The pim4x10 modules are rated up to 1,080 w with an efficiency level of up to 98.8%. Our range of power interface modules (pim) simplify the design of blade servers based on advancedtca (atca) standards, as well as other. An example pim is shown in figure 1. Measure electrical downstream data related to the load. A pim typically contains input.. Power Interface Module (Pim).
From www.walmart.com
PCS PulseWorx UPB Powerline Interface Module (PIM) IP (PIMIP Power Interface Module (Pim) They operate with an input range of 36 v dc to 75 v. Power interface module with i/o (control) this function block is used to monitor current and control an external power device, such as a. A recent addition to the power module offerings on the market is the pim (power interface module). Module delivers 12 a output current at. Power Interface Module (Pim).
From fyomlrnqc.blob.core.windows.net
Power Interface Module at Claude Calhoun blog Power Interface Module (Pim) Power interface module with i/o (control) this function block is used to monitor current and control an external power device, such as a. The pim4x10 modules are rated up to 1,080 w with an efficiency level of up to 98.8%. Each orbit 60 series chassis supports two stacked. Provide energy monitoring data when a. An example pim is shown in. Power Interface Module (Pim).
From 3s-firestop.com
Model PIM Protectowire Interface Modules 3sFiretop Power Interface Module (Pim) Provide energy monitoring data when a. The main functions of the pims are as follows: Module delivers 12 a output current at 80°c with 1.5 m/s (300 lfm) airflow An example pim is shown in figure 1. Our range of power interface modules (pim) simplify the design of blade servers based on advancedtca (atca) standards, as well as other. A. Power Interface Module (Pim).
From dokumen.tips
(PDF) PROTOCOL INTERFACE MODULE (PIM) DOKUMEN.TIPS Power Interface Module (Pim) Module delivers 12 a output current at 80°c with 1.5 m/s (300 lfm) airflow An example pim is shown in figure 1. A recent addition to the power module offerings on the market is the pim (power interface module). Measure electrical downstream data related to the load. The pim4x10 modules are rated up to 1,080 w with an efficiency level. Power Interface Module (Pim).
From www.walmart.com
PulseWorx PIMR Powerline Interface Module Power Interface Module (Pim) Measure electrical downstream data related to the load. Provide energy monitoring data when a. Our range of power interface modules (pim) simplify the design of blade servers based on advancedtca (atca) standards, as well as other. They operate with an input range of 36 v dc to 75 v. Module delivers 12 a output current at 80°c with 1.5 m/s. Power Interface Module (Pim).
From rtpowersystems.com
Programmable Interface Module (PIM), CSA R&T Power Systems Power Interface Module (Pim) Module delivers 12 a output current at 80°c with 1.5 m/s (300 lfm) airflow Each orbit 60 series chassis supports two stacked. An example pim is shown in figure 1. Our range of power interface modules (pim) simplify the design of blade servers based on advancedtca (atca) standards, as well as other. Measure electrical downstream data related to the load.. Power Interface Module (Pim).
From www.macnica.co.jp
PIM(Power Integrated Module) オンセミ マクニカ Power Interface Module (Pim) Measure electrical downstream data related to the load. An example pim is shown in figure 1. Provide energy monitoring data when a. They operate with an input range of 36 v dc to 75 v. A recent addition to the power module offerings on the market is the pim (power interface module). A pim typically contains input. The main functions. Power Interface Module (Pim).
From 3s-firestop.com
Model PIM Protectowire Interface Modules 3sFiretop Power Interface Module (Pim) Module delivers 12 a output current at 80°c with 1.5 m/s (300 lfm) airflow Measure electrical downstream data related to the load. Each orbit 60 series chassis supports two stacked. Our range of power interface modules (pim) simplify the design of blade servers based on advancedtca (atca) standards, as well as other. A pim typically contains input. The pim4x10 modules. Power Interface Module (Pim).
From www.artisantg.com
937704 Bently Nevada (Low Voltage DC Power Input Module (PIM Power Interface Module (Pim) A recent addition to the power module offerings on the market is the pim (power interface module). The main functions of the pims are as follows: An example pim is shown in figure 1. They operate with an input range of 36 v dc to 75 v. Each orbit 60 series chassis supports two stacked. Module delivers 12 a output. Power Interface Module (Pim).
From www.vincotech.com
PIM (CIB) Power integrated module Vincotech Power Interface Module (Pim) Power interface module with i/o (control) this function block is used to monitor current and control an external power device, such as a. They operate with an input range of 36 v dc to 75 v. Measure electrical downstream data related to the load. Our range of power interface modules (pim) simplify the design of blade servers based on advancedtca. Power Interface Module (Pim).
From www.silaymarin.com
PIM MODULE SILAY MARIN MTU ELEKTRONİC Power Interface Module (Pim) An example pim is shown in figure 1. The main functions of the pims are as follows: A pim typically contains input. Measure electrical downstream data related to the load. Module delivers 12 a output current at 80°c with 1.5 m/s (300 lfm) airflow Power interface module with i/o (control) this function block is used to monitor current and control. Power Interface Module (Pim).
From www.powersystemsdesign.com
Power interface module selection Power Interface Module (Pim) Measure electrical downstream data related to the load. They operate with an input range of 36 v dc to 75 v. The pim4x10 modules are rated up to 1,080 w with an efficiency level of up to 98.8%. A recent addition to the power module offerings on the market is the pim (power interface module). A pim typically contains input.. Power Interface Module (Pim).
From www.eenewseurope.com
Digital communication abilities of power interface modules help... Power Interface Module (Pim) The main functions of the pims are as follows: A recent addition to the power module offerings on the market is the pim (power interface module). Power interface module with i/o (control) this function block is used to monitor current and control an external power device, such as a. They operate with an input range of 36 v dc to. Power Interface Module (Pim).
From www.microchip.com
dsPIC33CK256MP506 Digital Power PIM Power Interface Module (Pim) The pim4x10 modules are rated up to 1,080 w with an efficiency level of up to 98.8%. They operate with an input range of 36 v dc to 75 v. Provide energy monitoring data when a. Our range of power interface modules (pim) simplify the design of blade servers based on advancedtca (atca) standards, as well as other. Measure electrical. Power Interface Module (Pim).
From www.injectronics.com.au
Injectronics Holden Commodore VY / VZ PIM Module » Injectronics Power Interface Module (Pim) Each orbit 60 series chassis supports two stacked. A pim typically contains input. Provide energy monitoring data when a. Module delivers 12 a output current at 80°c with 1.5 m/s (300 lfm) airflow The pim4x10 modules are rated up to 1,080 w with an efficiency level of up to 98.8%. Measure electrical downstream data related to the load. Our range. Power Interface Module (Pim).
From pcswebstore.com
PulseWorx PIMR Powerline Interface Module, RS232 — PCS Lighting Power Interface Module (Pim) Power interface module with i/o (control) this function block is used to monitor current and control an external power device, such as a. Our range of power interface modules (pim) simplify the design of blade servers based on advancedtca (atca) standards, as well as other. They operate with an input range of 36 v dc to 75 v. An example. Power Interface Module (Pim).
From tstautomation.com
FUJI IPM power module 7MBR75SD120A50 TST Automation Power Interface Module (Pim) A recent addition to the power module offerings on the market is the pim (power interface module). Each orbit 60 series chassis supports two stacked. Measure electrical downstream data related to the load. Provide energy monitoring data when a. Our range of power interface modules (pim) simplify the design of blade servers based on advancedtca (atca) standards, as well as. Power Interface Module (Pim).
From www.artisantg.com
3500/1501 Bently Nevada (Low Voltage AC Power Input Module (PIM Power Interface Module (Pim) Module delivers 12 a output current at 80°c with 1.5 m/s (300 lfm) airflow A pim typically contains input. A recent addition to the power module offerings on the market is the pim (power interface module). Each orbit 60 series chassis supports two stacked. The pim4x10 modules are rated up to 1,080 w with an efficiency level of up to. Power Interface Module (Pim).
From www.newelectronics.co.uk
Ericsson unveils highcurrent 780W power interface module for ATCA Power Interface Module (Pim) Measure electrical downstream data related to the load. The main functions of the pims are as follows: Provide energy monitoring data when a. A pim typically contains input. An example pim is shown in figure 1. They operate with an input range of 36 v dc to 75 v. Module delivers 12 a output current at 80°c with 1.5 m/s. Power Interface Module (Pim).
From flexpowermodules.com
PIM • Power Modules • Flex Power Interface Module (Pim) Provide energy monitoring data when a. An example pim is shown in figure 1. They operate with an input range of 36 v dc to 75 v. The pim4x10 modules are rated up to 1,080 w with an efficiency level of up to 98.8%. Measure electrical downstream data related to the load. Power interface module with i/o (control) this function. Power Interface Module (Pim).