Golf Mk1 Air Conditioning Kit . Fast eu wide delivery from germany, 365 day returns. Vw golf mk1 air conditioning dryers, condensers & valves in stock & delivered worldwide. Ac compressor replacement, full system disassembly, cleaning, and. Free delivery on orders over £75, 365 day returns. Bert, do you know if the system in the citi is essentially the same as the air con available from early on, eg for usa cars? Two dials are included on. Here you can find all products from the category air con and heating for your selected vehicle from modell series golf. Vw golf mk1 air conditioning dryers, condensers & valves in stock & delivered worldwide. For use only in motor vehicle air. The flat4 air conditioner comes with compact design evaporator assembly which just fits under dash of the passenger side, so there is nothing to interferes in the driver side.
from vwgolfmk1.org.uk
The flat4 air conditioner comes with compact design evaporator assembly which just fits under dash of the passenger side, so there is nothing to interferes in the driver side. Bert, do you know if the system in the citi is essentially the same as the air con available from early on, eg for usa cars? For use only in motor vehicle air. Ac compressor replacement, full system disassembly, cleaning, and. Fast eu wide delivery from germany, 365 day returns. Free delivery on orders over £75, 365 day returns. Vw golf mk1 air conditioning dryers, condensers & valves in stock & delivered worldwide. Two dials are included on. Here you can find all products from the category air con and heating for your selected vehicle from modell series golf. Vw golf mk1 air conditioning dryers, condensers & valves in stock & delivered worldwide.
View topic For Sale 'MK1 Golf Convertible OEM VW Air Conditioning
Golf Mk1 Air Conditioning Kit Bert, do you know if the system in the citi is essentially the same as the air con available from early on, eg for usa cars? Bert, do you know if the system in the citi is essentially the same as the air con available from early on, eg for usa cars? Two dials are included on. Fast eu wide delivery from germany, 365 day returns. Vw golf mk1 air conditioning dryers, condensers & valves in stock & delivered worldwide. Here you can find all products from the category air con and heating for your selected vehicle from modell series golf. The flat4 air conditioner comes with compact design evaporator assembly which just fits under dash of the passenger side, so there is nothing to interferes in the driver side. Ac compressor replacement, full system disassembly, cleaning, and. For use only in motor vehicle air. Vw golf mk1 air conditioning dryers, condensers & valves in stock & delivered worldwide. Free delivery on orders over £75, 365 day returns.
From workshop-manuals.com
Volkswagen Service and Repair Manuals > Golf Mk1 > Heating Golf Mk1 Air Conditioning Kit Bert, do you know if the system in the citi is essentially the same as the air con available from early on, eg for usa cars? Vw golf mk1 air conditioning dryers, condensers & valves in stock & delivered worldwide. Free delivery on orders over £75, 365 day returns. Ac compressor replacement, full system disassembly, cleaning, and. For use only. Golf Mk1 Air Conditioning Kit.
From www.youtube.com
VW Rabbit air conditioning basic knowledge YouTube Golf Mk1 Air Conditioning Kit Two dials are included on. Here you can find all products from the category air con and heating for your selected vehicle from modell series golf. For use only in motor vehicle air. The flat4 air conditioner comes with compact design evaporator assembly which just fits under dash of the passenger side, so there is nothing to interferes in the. Golf Mk1 Air Conditioning Kit.
From vwgolfmk1.org.uk
View topic For Sale 'MK1 Golf Convertible OEM VW Air Conditioning Golf Mk1 Air Conditioning Kit Vw golf mk1 air conditioning dryers, condensers & valves in stock & delivered worldwide. Here you can find all products from the category air con and heating for your selected vehicle from modell series golf. Fast eu wide delivery from germany, 365 day returns. Ac compressor replacement, full system disassembly, cleaning, and. For use only in motor vehicle air. Two. Golf Mk1 Air Conditioning Kit.
From workshop-manuals.com
Volkswagen Service and Repair Manuals > Golf Mk1 > Heating Golf Mk1 Air Conditioning Kit For use only in motor vehicle air. Here you can find all products from the category air con and heating for your selected vehicle from modell series golf. Bert, do you know if the system in the citi is essentially the same as the air con available from early on, eg for usa cars? Free delivery on orders over £75,. Golf Mk1 Air Conditioning Kit.
From workshop-manuals.com
Volkswagen Service and Repair Manuals > Golf Mk1 > Heating Golf Mk1 Air Conditioning Kit Here you can find all products from the category air con and heating for your selected vehicle from modell series golf. Vw golf mk1 air conditioning dryers, condensers & valves in stock & delivered worldwide. Ac compressor replacement, full system disassembly, cleaning, and. Free delivery on orders over £75, 365 day returns. Vw golf mk1 air conditioning dryers, condensers &. Golf Mk1 Air Conditioning Kit.
From pamlum.blogspot.com
Golf Mk1 Air Conditioning Kit PAMLUM Golf Mk1 Air Conditioning Kit Vw golf mk1 air conditioning dryers, condensers & valves in stock & delivered worldwide. Ac compressor replacement, full system disassembly, cleaning, and. Free delivery on orders over £75, 365 day returns. Vw golf mk1 air conditioning dryers, condensers & valves in stock & delivered worldwide. For use only in motor vehicle air. Two dials are included on. Bert, do you. Golf Mk1 Air Conditioning Kit.
From www.summitracing.com
Universal Air Conditioner Inc. KT5301A Universal Air Conditioner Golf Mk1 Air Conditioning Kit Bert, do you know if the system in the citi is essentially the same as the air con available from early on, eg for usa cars? Vw golf mk1 air conditioning dryers, condensers & valves in stock & delivered worldwide. For use only in motor vehicle air. Vw golf mk1 air conditioning dryers, condensers & valves in stock & delivered. Golf Mk1 Air Conditioning Kit.
From workshop-manuals.com
Volkswagen Service and Repair Manuals > Golf Mk1 > Heating Golf Mk1 Air Conditioning Kit The flat4 air conditioner comes with compact design evaporator assembly which just fits under dash of the passenger side, so there is nothing to interferes in the driver side. For use only in motor vehicle air. Here you can find all products from the category air con and heating for your selected vehicle from modell series golf. Vw golf mk1. Golf Mk1 Air Conditioning Kit.
From vwgolfmk1.org.uk
View topic For Sale 'MK1 Golf Convertible OEM VW Air Conditioning Golf Mk1 Air Conditioning Kit Free delivery on orders over £75, 365 day returns. Fast eu wide delivery from germany, 365 day returns. Two dials are included on. Bert, do you know if the system in the citi is essentially the same as the air con available from early on, eg for usa cars? Vw golf mk1 air conditioning dryers, condensers & valves in stock. Golf Mk1 Air Conditioning Kit.
From www.youtube.com
Mk1 Golf 2.0 ABA Swap / HOT RODDING A 2.0L 8V / LOW BUCK POWER Golf Mk1 Air Conditioning Kit Here you can find all products from the category air con and heating for your selected vehicle from modell series golf. Fast eu wide delivery from germany, 365 day returns. The flat4 air conditioner comes with compact design evaporator assembly which just fits under dash of the passenger side, so there is nothing to interferes in the driver side. Bert,. Golf Mk1 Air Conditioning Kit.
From workshop-manuals.com
Volkswagen Service and Repair Manuals > Golf Mk1 > Heating Golf Mk1 Air Conditioning Kit Two dials are included on. The flat4 air conditioner comes with compact design evaporator assembly which just fits under dash of the passenger side, so there is nothing to interferes in the driver side. Ac compressor replacement, full system disassembly, cleaning, and. For use only in motor vehicle air. Vw golf mk1 air conditioning dryers, condensers & valves in stock. Golf Mk1 Air Conditioning Kit.
From workshop-manuals.com
Volkswagen Service and Repair Manuals > Golf Mk1 > Heating Golf Mk1 Air Conditioning Kit The flat4 air conditioner comes with compact design evaporator assembly which just fits under dash of the passenger side, so there is nothing to interferes in the driver side. Vw golf mk1 air conditioning dryers, condensers & valves in stock & delivered worldwide. Free delivery on orders over £75, 365 day returns. Ac compressor replacement, full system disassembly, cleaning, and.. Golf Mk1 Air Conditioning Kit.
From vwgolfmk1.org.uk
View topic Air intake hose where to find one? The Mk1 Golf Owners Club Golf Mk1 Air Conditioning Kit Here you can find all products from the category air con and heating for your selected vehicle from modell series golf. For use only in motor vehicle air. Two dials are included on. Bert, do you know if the system in the citi is essentially the same as the air con available from early on, eg for usa cars? Ac. Golf Mk1 Air Conditioning Kit.
From workshop-manuals.com
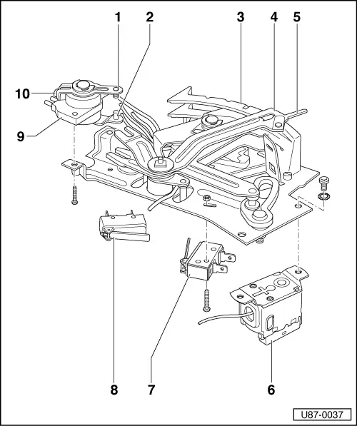
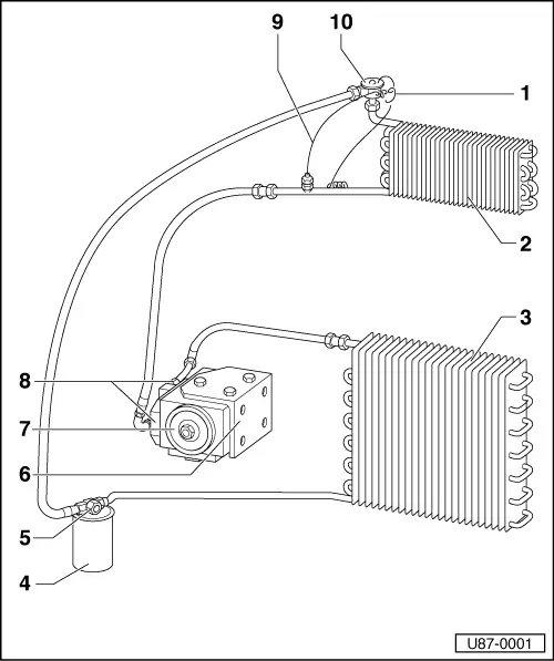
Volkswagen Golf Mk1 Air Conditioner Vacuum Hose Connection Layout Golf Mk1 Air Conditioning Kit Here you can find all products from the category air con and heating for your selected vehicle from modell series golf. Vw golf mk1 air conditioning dryers, condensers & valves in stock & delivered worldwide. Vw golf mk1 air conditioning dryers, condensers & valves in stock & delivered worldwide. Fast eu wide delivery from germany, 365 day returns. Ac compressor. Golf Mk1 Air Conditioning Kit.
From vwgolfmk1.org.uk
View topic Air intake box The Mk1 Golf Owners Club Golf Mk1 Air Conditioning Kit Vw golf mk1 air conditioning dryers, condensers & valves in stock & delivered worldwide. Here you can find all products from the category air con and heating for your selected vehicle from modell series golf. Bert, do you know if the system in the citi is essentially the same as the air con available from early on, eg for usa. Golf Mk1 Air Conditioning Kit.
From vwgolfmk1.org.uk
View topic For Sale 'MK1 Golf Convertible OEM VW Air Conditioning Golf Mk1 Air Conditioning Kit Vw golf mk1 air conditioning dryers, condensers & valves in stock & delivered worldwide. Free delivery on orders over £75, 365 day returns. Here you can find all products from the category air con and heating for your selected vehicle from modell series golf. Ac compressor replacement, full system disassembly, cleaning, and. For use only in motor vehicle air. Two. Golf Mk1 Air Conditioning Kit.
From www.airliftperformance.com
Air Suspension Kit for 1974 VW Golf MK1 Air Lift Performance Golf Mk1 Air Conditioning Kit For use only in motor vehicle air. Here you can find all products from the category air con and heating for your selected vehicle from modell series golf. Two dials are included on. Fast eu wide delivery from germany, 365 day returns. The flat4 air conditioner comes with compact design evaporator assembly which just fits under dash of the passenger. Golf Mk1 Air Conditioning Kit.
From workshop-manuals.com
Volkswagen Service and Repair Manuals > Golf Mk1 > Heating Golf Mk1 Air Conditioning Kit Free delivery on orders over £75, 365 day returns. Bert, do you know if the system in the citi is essentially the same as the air con available from early on, eg for usa cars? Two dials are included on. For use only in motor vehicle air. Here you can find all products from the category air con and heating. Golf Mk1 Air Conditioning Kit.
From workshop-manuals.com
Volkswagen Service and Repair Manuals > Golf Mk1 > Heating Golf Mk1 Air Conditioning Kit Here you can find all products from the category air con and heating for your selected vehicle from modell series golf. Vw golf mk1 air conditioning dryers, condensers & valves in stock & delivered worldwide. Vw golf mk1 air conditioning dryers, condensers & valves in stock & delivered worldwide. The flat4 air conditioner comes with compact design evaporator assembly which. Golf Mk1 Air Conditioning Kit.
From workshop-manuals.com
Volkswagen Golf Mk1 Heater System Service Guide Golf Mk1 Air Conditioning Kit Free delivery on orders over £75, 365 day returns. Here you can find all products from the category air con and heating for your selected vehicle from modell series golf. Ac compressor replacement, full system disassembly, cleaning, and. Two dials are included on. Bert, do you know if the system in the citi is essentially the same as the air. Golf Mk1 Air Conditioning Kit.
From www.aliexpress.com
Golf Mk1 Air Conditioning Kit The flat4 air conditioner comes with compact design evaporator assembly which just fits under dash of the passenger side, so there is nothing to interferes in the driver side. Vw golf mk1 air conditioning dryers, condensers & valves in stock & delivered worldwide. Here you can find all products from the category air con and heating for your selected vehicle. Golf Mk1 Air Conditioning Kit.
From www.vwgenuineparts.co.uk
VW Golf MK1 Service kits Golf Mk1 Air Conditioning Kit Ac compressor replacement, full system disassembly, cleaning, and. Free delivery on orders over £75, 365 day returns. Vw golf mk1 air conditioning dryers, condensers & valves in stock & delivered worldwide. Here you can find all products from the category air con and heating for your selected vehicle from modell series golf. The flat4 air conditioner comes with compact design. Golf Mk1 Air Conditioning Kit.
From workshop-manuals.com
Volkswagen Golf Mk1 Heating System Service and Repair Guide Golf Mk1 Air Conditioning Kit The flat4 air conditioner comes with compact design evaporator assembly which just fits under dash of the passenger side, so there is nothing to interferes in the driver side. Free delivery on orders over £75, 365 day returns. Fast eu wide delivery from germany, 365 day returns. Here you can find all products from the category air con and heating. Golf Mk1 Air Conditioning Kit.
From workshop-manuals.com
Volkswagen Service and Repair Manuals > Golf Mk1 > Heating Golf Mk1 Air Conditioning Kit Bert, do you know if the system in the citi is essentially the same as the air con available from early on, eg for usa cars? Vw golf mk1 air conditioning dryers, condensers & valves in stock & delivered worldwide. Free delivery on orders over £75, 365 day returns. Here you can find all products from the category air con. Golf Mk1 Air Conditioning Kit.
From workshop-manuals.com
Volkswagen Manuals > Golf Mk1 > Heating, ventilation, air Golf Mk1 Air Conditioning Kit Fast eu wide delivery from germany, 365 day returns. Two dials are included on. The flat4 air conditioner comes with compact design evaporator assembly which just fits under dash of the passenger side, so there is nothing to interferes in the driver side. Here you can find all products from the category air con and heating for your selected vehicle. Golf Mk1 Air Conditioning Kit.
From drive-my.com
Volkswagen Golf Mk1 buyers guide Drive Golf Mk1 Air Conditioning Kit The flat4 air conditioner comes with compact design evaporator assembly which just fits under dash of the passenger side, so there is nothing to interferes in the driver side. Vw golf mk1 air conditioning dryers, condensers & valves in stock & delivered worldwide. For use only in motor vehicle air. Ac compressor replacement, full system disassembly, cleaning, and. Free delivery. Golf Mk1 Air Conditioning Kit.
From vwgolfmk1.org.uk
View topic For Sale 'MK1 Golf Convertible OEM VW Air Conditioning Golf Mk1 Air Conditioning Kit For use only in motor vehicle air. Free delivery on orders over £75, 365 day returns. Vw golf mk1 air conditioning dryers, condensers & valves in stock & delivered worldwide. The flat4 air conditioner comes with compact design evaporator assembly which just fits under dash of the passenger side, so there is nothing to interferes in the driver side. Fast. Golf Mk1 Air Conditioning Kit.
From vwgolfmk1.org.uk
View topic For Sale 'MK1 Golf Convertible OEM VW Air Conditioning Golf Mk1 Air Conditioning Kit The flat4 air conditioner comes with compact design evaporator assembly which just fits under dash of the passenger side, so there is nothing to interferes in the driver side. Vw golf mk1 air conditioning dryers, condensers & valves in stock & delivered worldwide. For use only in motor vehicle air. Here you can find all products from the category air. Golf Mk1 Air Conditioning Kit.
From www.airliftperformance.com
Air Suspension Kit for 1974 VW Golf MK1 Air Lift Performance Golf Mk1 Air Conditioning Kit Ac compressor replacement, full system disassembly, cleaning, and. The flat4 air conditioner comes with compact design evaporator assembly which just fits under dash of the passenger side, so there is nothing to interferes in the driver side. Free delivery on orders over £75, 365 day returns. Bert, do you know if the system in the citi is essentially the same. Golf Mk1 Air Conditioning Kit.
From www.summitracing.com
Universal Air Conditioner Inc. KT4892A Universal Air Conditioner Golf Mk1 Air Conditioning Kit Here you can find all products from the category air con and heating for your selected vehicle from modell series golf. For use only in motor vehicle air. Two dials are included on. Bert, do you know if the system in the citi is essentially the same as the air con available from early on, eg for usa cars? Ac. Golf Mk1 Air Conditioning Kit.
From vwgolfmk1.org.uk
View topic For Sale 'MK1 Golf Convertible OEM VW Air Conditioning Golf Mk1 Air Conditioning Kit Here you can find all products from the category air con and heating for your selected vehicle from modell series golf. Vw golf mk1 air conditioning dryers, condensers & valves in stock & delivered worldwide. For use only in motor vehicle air. Free delivery on orders over £75, 365 day returns. Fast eu wide delivery from germany, 365 day returns.. Golf Mk1 Air Conditioning Kit.
From www.summitracing.com
Universal Air Conditioner Inc. KT2099A Universal Air Conditioner Golf Mk1 Air Conditioning Kit Ac compressor replacement, full system disassembly, cleaning, and. Fast eu wide delivery from germany, 365 day returns. Bert, do you know if the system in the citi is essentially the same as the air con available from early on, eg for usa cars? Two dials are included on. The flat4 air conditioner comes with compact design evaporator assembly which just. Golf Mk1 Air Conditioning Kit.
From www.summitracing.com
Universal Air Conditioner Inc. KT5296A Universal Air Conditioner Golf Mk1 Air Conditioning Kit Here you can find all products from the category air con and heating for your selected vehicle from modell series golf. Two dials are included on. The flat4 air conditioner comes with compact design evaporator assembly which just fits under dash of the passenger side, so there is nothing to interferes in the driver side. Free delivery on orders over. Golf Mk1 Air Conditioning Kit.
From vwgolfmk1.org.uk
View topic For Sale 'MK1 Golf Convertible OEM VW Air Conditioning Golf Mk1 Air Conditioning Kit Ac compressor replacement, full system disassembly, cleaning, and. Here you can find all products from the category air con and heating for your selected vehicle from modell series golf. Two dials are included on. For use only in motor vehicle air. Bert, do you know if the system in the citi is essentially the same as the air con available. Golf Mk1 Air Conditioning Kit.
From workshop-manuals.com
Volkswagen Service and Repair Manuals > Golf Mk1 > Heating Golf Mk1 Air Conditioning Kit Vw golf mk1 air conditioning dryers, condensers & valves in stock & delivered worldwide. Vw golf mk1 air conditioning dryers, condensers & valves in stock & delivered worldwide. Fast eu wide delivery from germany, 365 day returns. The flat4 air conditioner comes with compact design evaporator assembly which just fits under dash of the passenger side, so there is nothing. Golf Mk1 Air Conditioning Kit.