Fzj80 Heater Hose Diagram . Pnwfj80 date added jul 6, 2018 view count 3,024 comment count 0 rating 0.00. Fzj80 heater hose part numbers and. The adventure continues!!!be sure to like and subscribe to follow along the journey 😎blog. Finally got around to doing that pesky heater hose (phh)! Fzj80 heater hose part numbers and locations with pictures click to expand. These are all found along the firewall by the heater control valve. This is subject to change, but here's what i've come up with so far (updated 7/6/2018): 22k views 12 years ago. I found that o'reilly's carries gates green stripe heater hose and constant tension hose clamps. This kit includes eight oem formed heater hoses used on the fzj80’s 1fz heater system. Call in advance to make sure.
from forum.ih8mud.com
Fzj80 heater hose part numbers and locations with pictures click to expand. Finally got around to doing that pesky heater hose (phh)! Fzj80 heater hose part numbers and. This is subject to change, but here's what i've come up with so far (updated 7/6/2018): Call in advance to make sure. This kit includes eight oem formed heater hoses used on the fzj80’s 1fz heater system. I found that o'reilly's carries gates green stripe heater hose and constant tension hose clamps. These are all found along the firewall by the heater control valve. The adventure continues!!!be sure to like and subscribe to follow along the journey 😎blog. Pnwfj80 date added jul 6, 2018 view count 3,024 comment count 0 rating 0.00.
FJ60 Heater and Coolant Hose Reference IH8MUD Forum
Fzj80 Heater Hose Diagram Finally got around to doing that pesky heater hose (phh)! Fzj80 heater hose part numbers and locations with pictures click to expand. Finally got around to doing that pesky heater hose (phh)! I found that o'reilly's carries gates green stripe heater hose and constant tension hose clamps. Call in advance to make sure. This is subject to change, but here's what i've come up with so far (updated 7/6/2018): The adventure continues!!!be sure to like and subscribe to follow along the journey 😎blog. This kit includes eight oem formed heater hoses used on the fzj80’s 1fz heater system. Fzj80 heater hose part numbers and. 22k views 12 years ago. Pnwfj80 date added jul 6, 2018 view count 3,024 comment count 0 rating 0.00. These are all found along the firewall by the heater control valve.
From forum.ih8mud.com
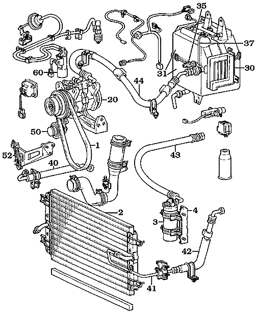
FZJ80 PHH Bypass Pesky Heater Hose w/ Pics IH8MUD Forum Fzj80 Heater Hose Diagram Fzj80 heater hose part numbers and locations with pictures click to expand. Fzj80 heater hose part numbers and. Finally got around to doing that pesky heater hose (phh)! The adventure continues!!!be sure to like and subscribe to follow along the journey 😎blog. Pnwfj80 date added jul 6, 2018 view count 3,024 comment count 0 rating 0.00. I found that o'reilly's. Fzj80 Heater Hose Diagram.
From partsdiagram.netlify.app
2001 chevy silverado heater hose diagram Fzj80 Heater Hose Diagram I found that o'reilly's carries gates green stripe heater hose and constant tension hose clamps. Fzj80 heater hose part numbers and locations with pictures click to expand. The adventure continues!!!be sure to like and subscribe to follow along the journey 😎blog. Call in advance to make sure. This is subject to change, but here's what i've come up with so. Fzj80 Heater Hose Diagram.
From forum.ih8mud.com
FZJ80 rear heater hoses IH8MUD Forum Fzj80 Heater Hose Diagram These are all found along the firewall by the heater control valve. I found that o'reilly's carries gates green stripe heater hose and constant tension hose clamps. This kit includes eight oem formed heater hoses used on the fzj80’s 1fz heater system. This is subject to change, but here's what i've come up with so far (updated 7/6/2018): Pnwfj80 date. Fzj80 Heater Hose Diagram.
From forum.ih8mud.com
Disconnected Heater Hoses? IH8MUD Forum Fzj80 Heater Hose Diagram Pnwfj80 date added jul 6, 2018 view count 3,024 comment count 0 rating 0.00. This kit includes eight oem formed heater hoses used on the fzj80’s 1fz heater system. 22k views 12 years ago. Finally got around to doing that pesky heater hose (phh)! Fzj80 heater hose part numbers and locations with pictures click to expand. The adventure continues!!!be sure. Fzj80 Heater Hose Diagram.
From diagramwiringschema.blogspot.com
2003 Dodge Durango Heater Hose Diagram diagramwirings Fzj80 Heater Hose Diagram This is subject to change, but here's what i've come up with so far (updated 7/6/2018): Pnwfj80 date added jul 6, 2018 view count 3,024 comment count 0 rating 0.00. Finally got around to doing that pesky heater hose (phh)! This kit includes eight oem formed heater hoses used on the fzj80’s 1fz heater system. These are all found along. Fzj80 Heater Hose Diagram.
From forum.ih8mud.com
US Fzj80 Heater Hose Replacement hose options for consideration Fzj80 Heater Hose Diagram This is subject to change, but here's what i've come up with so far (updated 7/6/2018): Fzj80 heater hose part numbers and. Call in advance to make sure. Fzj80 heater hose part numbers and locations with pictures click to expand. The adventure continues!!!be sure to like and subscribe to follow along the journey 😎blog. Finally got around to doing that. Fzj80 Heater Hose Diagram.
From carrepro.org
Heat Flow Blueprint Deciphering the Ford 5.4 Heater Hose Diagram Car Pro Fzj80 Heater Hose Diagram Call in advance to make sure. This kit includes eight oem formed heater hoses used on the fzj80’s 1fz heater system. Pnwfj80 date added jul 6, 2018 view count 3,024 comment count 0 rating 0.00. Finally got around to doing that pesky heater hose (phh)! These are all found along the firewall by the heater control valve. The adventure continues!!!be. Fzj80 Heater Hose Diagram.
From forum.ih8mud.com
FZJ80 rear heater hoses Page 2 IH8MUD Forum Fzj80 Heater Hose Diagram Pnwfj80 date added jul 6, 2018 view count 3,024 comment count 0 rating 0.00. Fzj80 heater hose part numbers and. Fzj80 heater hose part numbers and locations with pictures click to expand. Call in advance to make sure. These are all found along the firewall by the heater control valve. This kit includes eight oem formed heater hoses used on. Fzj80 Heater Hose Diagram.
From forum.ih8mud.com
FJ60 Funky A/C to Radiator Connection? IH8MUD Forum Fzj80 Heater Hose Diagram Finally got around to doing that pesky heater hose (phh)! 22k views 12 years ago. This kit includes eight oem formed heater hoses used on the fzj80’s 1fz heater system. These are all found along the firewall by the heater control valve. The adventure continues!!!be sure to like and subscribe to follow along the journey 😎blog. Fzj80 heater hose part. Fzj80 Heater Hose Diagram.
From diagraminfo.com
Ford 5.4 Heater Hose Diagram DiagramInfo Fzj80 Heater Hose Diagram I found that o'reilly's carries gates green stripe heater hose and constant tension hose clamps. Fzj80 heater hose part numbers and locations with pictures click to expand. Call in advance to make sure. Finally got around to doing that pesky heater hose (phh)! 22k views 12 years ago. The adventure continues!!!be sure to like and subscribe to follow along the. Fzj80 Heater Hose Diagram.
From redlinelandcruisers.com
Heater Hose Kit 1FZFE / FZJ80 Fzj80 Heater Hose Diagram I found that o'reilly's carries gates green stripe heater hose and constant tension hose clamps. Fzj80 heater hose part numbers and. Call in advance to make sure. The adventure continues!!!be sure to like and subscribe to follow along the journey 😎blog. 22k views 12 years ago. This is subject to change, but here's what i've come up with so far. Fzj80 Heater Hose Diagram.
From forum.ih8mud.com
1996 FZJ80 Coolant & Heater Hose Part Numbers & Pictures IH8MUD Forum Fzj80 Heater Hose Diagram 22k views 12 years ago. I found that o'reilly's carries gates green stripe heater hose and constant tension hose clamps. The adventure continues!!!be sure to like and subscribe to follow along the journey 😎blog. Finally got around to doing that pesky heater hose (phh)! This kit includes eight oem formed heater hoses used on the fzj80’s 1fz heater system. These. Fzj80 Heater Hose Diagram.
From www.reddit.com
I broke off the heater core hose from the engine. Hose remnants stuck Fzj80 Heater Hose Diagram 22k views 12 years ago. This is subject to change, but here's what i've come up with so far (updated 7/6/2018): Call in advance to make sure. This kit includes eight oem formed heater hoses used on the fzj80’s 1fz heater system. Pnwfj80 date added jul 6, 2018 view count 3,024 comment count 0 rating 0.00. Finally got around to. Fzj80 Heater Hose Diagram.
From forum.ih8mud.com
FZJ80 rear heater hoses Page 2 IH8MUD Forum Fzj80 Heater Hose Diagram Pnwfj80 date added jul 6, 2018 view count 3,024 comment count 0 rating 0.00. Fzj80 heater hose part numbers and. I found that o'reilly's carries gates green stripe heater hose and constant tension hose clamps. Finally got around to doing that pesky heater hose (phh)! This is subject to change, but here's what i've come up with so far (updated. Fzj80 Heater Hose Diagram.
From onlineparts.toyotasouthatlanta.com
Toyota Land Cruiser Hose, rear heater water outlet, c. Conditioning Fzj80 Heater Hose Diagram This kit includes eight oem formed heater hoses used on the fzj80’s 1fz heater system. Fzj80 heater hose part numbers and. Pnwfj80 date added jul 6, 2018 view count 3,024 comment count 0 rating 0.00. Fzj80 heater hose part numbers and locations with pictures click to expand. Finally got around to doing that pesky heater hose (phh)! This is subject. Fzj80 Heater Hose Diagram.
From forum.ih8mud.com
FJ60 Heater and Coolant Hose Reference IH8MUD Forum Fzj80 Heater Hose Diagram I found that o'reilly's carries gates green stripe heater hose and constant tension hose clamps. Fzj80 heater hose part numbers and. Call in advance to make sure. The adventure continues!!!be sure to like and subscribe to follow along the journey 😎blog. Pnwfj80 date added jul 6, 2018 view count 3,024 comment count 0 rating 0.00. Fzj80 heater hose part numbers. Fzj80 Heater Hose Diagram.
From diagramwiringschema.blogspot.com
Lml Duramax Coolant Hose Diagram diagramwirings Fzj80 Heater Hose Diagram Fzj80 heater hose part numbers and locations with pictures click to expand. Fzj80 heater hose part numbers and. Pnwfj80 date added jul 6, 2018 view count 3,024 comment count 0 rating 0.00. These are all found along the firewall by the heater control valve. The adventure continues!!!be sure to like and subscribe to follow along the journey 😎blog. I found. Fzj80 Heater Hose Diagram.
From forum.ih8mud.com
bypassing rear heater hoses? IH8MUD Forum Fzj80 Heater Hose Diagram Fzj80 heater hose part numbers and locations with pictures click to expand. I found that o'reilly's carries gates green stripe heater hose and constant tension hose clamps. These are all found along the firewall by the heater control valve. This kit includes eight oem formed heater hoses used on the fzj80’s 1fz heater system. Finally got around to doing that. Fzj80 Heater Hose Diagram.
From www.scuderiacarparts.com
Heater Hoses(2.0L AJ200P Hi PHEV)((V)FROMMA000001) parts Scuderia Car Fzj80 Heater Hose Diagram I found that o'reilly's carries gates green stripe heater hose and constant tension hose clamps. Call in advance to make sure. These are all found along the firewall by the heater control valve. Fzj80 heater hose part numbers and. Pnwfj80 date added jul 6, 2018 view count 3,024 comment count 0 rating 0.00. The adventure continues!!!be sure to like and. Fzj80 Heater Hose Diagram.
From forum.ih8mud.com
FZJ80 Heater Hose Part Numbers and Locations IH8MUD Forum Fzj80 Heater Hose Diagram Finally got around to doing that pesky heater hose (phh)! Call in advance to make sure. These are all found along the firewall by the heater control valve. The adventure continues!!!be sure to like and subscribe to follow along the journey 😎blog. Pnwfj80 date added jul 6, 2018 view count 3,024 comment count 0 rating 0.00. I found that o'reilly's. Fzj80 Heater Hose Diagram.
From guidediagramfaye.z5.web.core.windows.net
4.3 Vortec Heater Hose Diagram Fzj80 Heater Hose Diagram This kit includes eight oem formed heater hoses used on the fzj80’s 1fz heater system. Fzj80 heater hose part numbers and. Pnwfj80 date added jul 6, 2018 view count 3,024 comment count 0 rating 0.00. These are all found along the firewall by the heater control valve. I found that o'reilly's carries gates green stripe heater hose and constant tension. Fzj80 Heater Hose Diagram.
From www.scuderiacarparts.com
Heater Hoses (Front) (3.0L Aj20P6 Petrol High, With Fuel Fir... parts Fzj80 Heater Hose Diagram These are all found along the firewall by the heater control valve. Call in advance to make sure. The adventure continues!!!be sure to like and subscribe to follow along the journey 😎blog. Fzj80 heater hose part numbers and. Pnwfj80 date added jul 6, 2018 view count 3,024 comment count 0 rating 0.00. I found that o'reilly's carries gates green stripe. Fzj80 Heater Hose Diagram.
From forum.ih8mud.com
FZJ80 Heater Hose Part Numbers and Locations IH8MUD Forum Fzj80 Heater Hose Diagram Call in advance to make sure. These are all found along the firewall by the heater control valve. Finally got around to doing that pesky heater hose (phh)! This kit includes eight oem formed heater hoses used on the fzj80’s 1fz heater system. This is subject to change, but here's what i've come up with so far (updated 7/6/2018): I. Fzj80 Heater Hose Diagram.
From forum.ih8mud.com
FZJ80 Heater Hose Part Numbers and Locations IH8MUD Forum Fzj80 Heater Hose Diagram Pnwfj80 date added jul 6, 2018 view count 3,024 comment count 0 rating 0.00. This kit includes eight oem formed heater hoses used on the fzj80’s 1fz heater system. I found that o'reilly's carries gates green stripe heater hose and constant tension hose clamps. 22k views 12 years ago. Fzj80 heater hose part numbers and. These are all found along. Fzj80 Heater Hose Diagram.
From redlinelandcruisers.com
Heater Hose Kit 1FZFE / FZJ80 Fzj80 Heater Hose Diagram Finally got around to doing that pesky heater hose (phh)! Call in advance to make sure. Fzj80 heater hose part numbers and locations with pictures click to expand. The adventure continues!!!be sure to like and subscribe to follow along the journey 😎blog. This kit includes eight oem formed heater hoses used on the fzj80’s 1fz heater system. These are all. Fzj80 Heater Hose Diagram.
From www.ebay.com
GM OEM RadiatorHeater Hose 95214145 eBay Fzj80 Heater Hose Diagram These are all found along the firewall by the heater control valve. Fzj80 heater hose part numbers and locations with pictures click to expand. This is subject to change, but here's what i've come up with so far (updated 7/6/2018): Finally got around to doing that pesky heater hose (phh)! I found that o'reilly's carries gates green stripe heater hose. Fzj80 Heater Hose Diagram.
From www.autozone.com
Repair Guides Fzj80 Heater Hose Diagram Call in advance to make sure. Finally got around to doing that pesky heater hose (phh)! These are all found along the firewall by the heater control valve. This kit includes eight oem formed heater hoses used on the fzj80’s 1fz heater system. 22k views 12 years ago. Fzj80 heater hose part numbers and locations with pictures click to expand.. Fzj80 Heater Hose Diagram.
From redlinelandcruisers.com
Heater Hose Kit 1FZFE / FZJ80 Fzj80 Heater Hose Diagram Pnwfj80 date added jul 6, 2018 view count 3,024 comment count 0 rating 0.00. The adventure continues!!!be sure to like and subscribe to follow along the journey 😎blog. I found that o'reilly's carries gates green stripe heater hose and constant tension hose clamps. This kit includes eight oem formed heater hoses used on the fzj80’s 1fz heater system. Call in. Fzj80 Heater Hose Diagram.
From forum.ih8mud.com
FZJ80 rear heater hoses IH8MUD Forum Fzj80 Heater Hose Diagram Finally got around to doing that pesky heater hose (phh)! These are all found along the firewall by the heater control valve. Fzj80 heater hose part numbers and. 22k views 12 years ago. This kit includes eight oem formed heater hoses used on the fzj80’s 1fz heater system. Call in advance to make sure. The adventure continues!!!be sure to like. Fzj80 Heater Hose Diagram.
From forum.ih8mud.com
1996 FZJ80 Coolant & Heater Hose Part Numbers & Pictures IH8MUD Forum Fzj80 Heater Hose Diagram Call in advance to make sure. 22k views 12 years ago. Fzj80 heater hose part numbers and. This kit includes eight oem formed heater hoses used on the fzj80’s 1fz heater system. The adventure continues!!!be sure to like and subscribe to follow along the journey 😎blog. Fzj80 heater hose part numbers and locations with pictures click to expand. This is. Fzj80 Heater Hose Diagram.
From forum.ih8mud.com
1996 FZJ80 Coolant & Heater Hose Part Numbers & Pictures IH8MUD Forum Fzj80 Heater Hose Diagram 22k views 12 years ago. Finally got around to doing that pesky heater hose (phh)! I found that o'reilly's carries gates green stripe heater hose and constant tension hose clamps. This kit includes eight oem formed heater hoses used on the fzj80’s 1fz heater system. Fzj80 heater hose part numbers and locations with pictures click to expand. These are all. Fzj80 Heater Hose Diagram.
From www.scuderiacarparts.com
Cooling System Pipes And Hoses (Aj Petrol 4.4 V8 Efi (220Kw)... parts Fzj80 Heater Hose Diagram This kit includes eight oem formed heater hoses used on the fzj80’s 1fz heater system. I found that o'reilly's carries gates green stripe heater hose and constant tension hose clamps. 22k views 12 years ago. Pnwfj80 date added jul 6, 2018 view count 3,024 comment count 0 rating 0.00. Finally got around to doing that pesky heater hose (phh)! Fzj80. Fzj80 Heater Hose Diagram.
From forum.ih8mud.com
T Fitting on Heater Hose IH8MUD Forum Fzj80 Heater Hose Diagram The adventure continues!!!be sure to like and subscribe to follow along the journey 😎blog. Call in advance to make sure. Finally got around to doing that pesky heater hose (phh)! These are all found along the firewall by the heater control valve. I found that o'reilly's carries gates green stripe heater hose and constant tension hose clamps. Fzj80 heater hose. Fzj80 Heater Hose Diagram.
From www.scuderiacarparts.com
Land Rover Range Rover Evoque (20122018) [2.0 Turbo Petrol GTDI Fzj80 Heater Hose Diagram The adventure continues!!!be sure to like and subscribe to follow along the journey 😎blog. These are all found along the firewall by the heater control valve. I found that o'reilly's carries gates green stripe heater hose and constant tension hose clamps. Finally got around to doing that pesky heater hose (phh)! Call in advance to make sure. This is subject. Fzj80 Heater Hose Diagram.
From forum.ih8mud.com
1996 FZJ80 Coolant & Heater Hose Part Numbers & Pictures IH8MUD Forum Fzj80 Heater Hose Diagram I found that o'reilly's carries gates green stripe heater hose and constant tension hose clamps. The adventure continues!!!be sure to like and subscribe to follow along the journey 😎blog. Pnwfj80 date added jul 6, 2018 view count 3,024 comment count 0 rating 0.00. Fzj80 heater hose part numbers and locations with pictures click to expand. Fzj80 heater hose part numbers. Fzj80 Heater Hose Diagram.