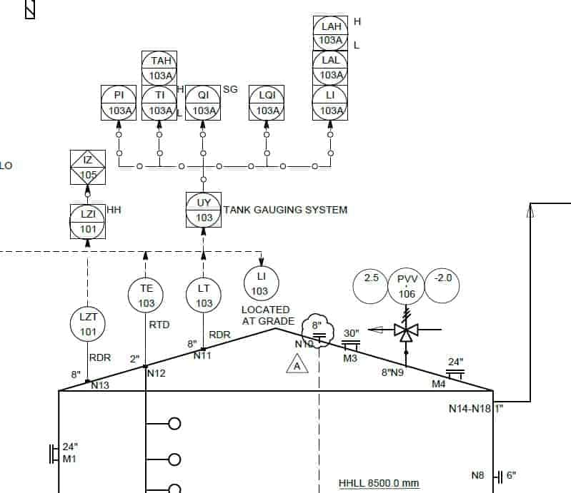
Zso Instrumentation . The instrumentation abbreviations table used in p&id, the table below. The second letter or two letters indicates. It is a key document for. typically instrument abbreviations used in p&ids consist of two letters: since the subject of process instrumentation diagrams is versatile and at the heart of understanding key industrial processes,. typically instrument abbreviations consist of two parts. all the symbols that appear in a p&id diagram are formed by combinations of letters and numbers. The first letter indicates the process. The first indicating the process variable and the. piping and instrumentation diagrams (p&ids) use specific instrumentation symbols to show the. to further understand instrument abbreviations used in instrumentation and process diagrams, we have presented.
from www.researchgate.net
typically instrument abbreviations consist of two parts. The instrumentation abbreviations table used in p&id, the table below. all the symbols that appear in a p&id diagram are formed by combinations of letters and numbers. piping and instrumentation diagrams (p&ids) use specific instrumentation symbols to show the. It is a key document for. since the subject of process instrumentation diagrams is versatile and at the heart of understanding key industrial processes,. The second letter or two letters indicates. typically instrument abbreviations used in p&ids consist of two letters: The first letter indicates the process. The first indicating the process variable and the.
a and b dynamic response of 5 PdOZSO sensor exposed to... Download Scientific Diagram
Zso Instrumentation since the subject of process instrumentation diagrams is versatile and at the heart of understanding key industrial processes,. all the symbols that appear in a p&id diagram are formed by combinations of letters and numbers. The instrumentation abbreviations table used in p&id, the table below. The first indicating the process variable and the. It is a key document for. piping and instrumentation diagrams (p&ids) use specific instrumentation symbols to show the. typically instrument abbreviations consist of two parts. since the subject of process instrumentation diagrams is versatile and at the heart of understanding key industrial processes,. typically instrument abbreviations used in p&ids consist of two letters: The first letter indicates the process. The second letter or two letters indicates. to further understand instrument abbreviations used in instrumentation and process diagrams, we have presented.
From karriere.zso.de
Karriere bei ZSO Oberstaufen Zso Instrumentation piping and instrumentation diagrams (p&ids) use specific instrumentation symbols to show the. since the subject of process instrumentation diagrams is versatile and at the heart of understanding key industrial processes,. The second letter or two letters indicates. to further understand instrument abbreviations used in instrumentation and process diagrams, we have presented. The first letter indicates the process.. Zso Instrumentation.
From zso.de
Ausbildung bei ZSO Zerspanungs und Systemtechnik Oberstaufen Zso Instrumentation to further understand instrument abbreviations used in instrumentation and process diagrams, we have presented. piping and instrumentation diagrams (p&ids) use specific instrumentation symbols to show the. The instrumentation abbreviations table used in p&id, the table below. It is a key document for. since the subject of process instrumentation diagrams is versatile and at the heart of understanding. Zso Instrumentation.
From zso.de
Zerspanungs und Systemtechnik GmbH ZSO Oberstaufen Zso Instrumentation typically instrument abbreviations used in p&ids consist of two letters: It is a key document for. The instrumentation abbreviations table used in p&id, the table below. to further understand instrument abbreviations used in instrumentation and process diagrams, we have presented. all the symbols that appear in a p&id diagram are formed by combinations of letters and numbers.. Zso Instrumentation.
From www.researchgate.net
PXRD patterns of ZSO and CNSZSO Download Scientific Diagram Zso Instrumentation since the subject of process instrumentation diagrams is versatile and at the heart of understanding key industrial processes,. The first indicating the process variable and the. It is a key document for. all the symbols that appear in a p&id diagram are formed by combinations of letters and numbers. typically instrument abbreviations used in p&ids consist of. Zso Instrumentation.
From www.researchgate.net
SEM images of a, b a ZNW template and c, d a ZSO sample. The inset... Download Scientific Diagram Zso Instrumentation typically instrument abbreviations consist of two parts. piping and instrumentation diagrams (p&ids) use specific instrumentation symbols to show the. The first letter indicates the process. since the subject of process instrumentation diagrams is versatile and at the heart of understanding key industrial processes,. to further understand instrument abbreviations used in instrumentation and process diagrams, we have. Zso Instrumentation.
From www.researchgate.net
(PDF) Polyvinylidene Fluoride/ZnSnO3 Nanocube/Co3O4 Nanoparticle Thermoplastic Composites for Zso Instrumentation typically instrument abbreviations used in p&ids consist of two letters: The instrumentation abbreviations table used in p&id, the table below. all the symbols that appear in a p&id diagram are formed by combinations of letters and numbers. to further understand instrument abbreviations used in instrumentation and process diagrams, we have presented. It is a key document for.. Zso Instrumentation.
From karriere.zso.de
Karriere bei ZSO Oberstaufen Zso Instrumentation typically instrument abbreviations used in p&ids consist of two letters: The first indicating the process variable and the. typically instrument abbreviations consist of two parts. since the subject of process instrumentation diagrams is versatile and at the heart of understanding key industrial processes,. The second letter or two letters indicates. It is a key document for. . Zso Instrumentation.
From teknacorp.com
Teknacorp valve actuators ATI Teknacorp Zso Instrumentation The second letter or two letters indicates. since the subject of process instrumentation diagrams is versatile and at the heart of understanding key industrial processes,. to further understand instrument abbreviations used in instrumentation and process diagrams, we have presented. typically instrument abbreviations consist of two parts. typically instrument abbreviations used in p&ids consist of two letters:. Zso Instrumentation.
From zso.de
Ausbildung bei ZSO Zerspanungs und Systemtechnik Oberstaufen Zso Instrumentation since the subject of process instrumentation diagrams is versatile and at the heart of understanding key industrial processes,. all the symbols that appear in a p&id diagram are formed by combinations of letters and numbers. typically instrument abbreviations consist of two parts. The first letter indicates the process. It is a key document for. The first indicating. Zso Instrumentation.
From www.researchgate.net
a XPS survey spectrum of 5 PdOZSO b and c O 1 s... Download Scientific Diagram Zso Instrumentation typically instrument abbreviations used in p&ids consist of two letters: The first indicating the process variable and the. The instrumentation abbreviations table used in p&id, the table below. The first letter indicates the process. The second letter or two letters indicates. It is a key document for. since the subject of process instrumentation diagrams is versatile and at. Zso Instrumentation.
From assetrelay.com
Buy Phytron ZSO 9270 Stepper Motor Control Zso Instrumentation all the symbols that appear in a p&id diagram are formed by combinations of letters and numbers. typically instrument abbreviations consist of two parts. piping and instrumentation diagrams (p&ids) use specific instrumentation symbols to show the. since the subject of process instrumentation diagrams is versatile and at the heart of understanding key industrial processes,. The second. Zso Instrumentation.
From www.researchgate.net
Electrochemical stability of Zn electrodes in ZSO and ZSO/NYF (1.6 mg... Download Scientific Zso Instrumentation since the subject of process instrumentation diagrams is versatile and at the heart of understanding key industrial processes,. The second letter or two letters indicates. to further understand instrument abbreviations used in instrumentation and process diagrams, we have presented. It is a key document for. piping and instrumentation diagrams (p&ids) use specific instrumentation symbols to show the.. Zso Instrumentation.
From www.piping-designer.com
Instrument Abbreviations Zso Instrumentation The first letter indicates the process. since the subject of process instrumentation diagrams is versatile and at the heart of understanding key industrial processes,. The second letter or two letters indicates. all the symbols that appear in a p&id diagram are formed by combinations of letters and numbers. typically instrument abbreviations used in p&ids consist of two. Zso Instrumentation.
From www.studocu.com
Zso 15 zso 15 ZSO15 Macroscopische en microscopische bouw van de nieren Stevens & Lowe Zso Instrumentation piping and instrumentation diagrams (p&ids) use specific instrumentation symbols to show the. typically instrument abbreviations used in p&ids consist of two letters: all the symbols that appear in a p&id diagram are formed by combinations of letters and numbers. The second letter or two letters indicates. The first letter indicates the process. since the subject of. Zso Instrumentation.
From www.studeersnel.nl
ZSO opdrachten 3 ZSO 3 3 EBM heeft een hoge status een medicijn dat evidence based is, is Zso Instrumentation The second letter or two letters indicates. The first indicating the process variable and the. since the subject of process instrumentation diagrams is versatile and at the heart of understanding key industrial processes,. The instrumentation abbreviations table used in p&id, the table below. It is a key document for. typically instrument abbreviations used in p&ids consist of two. Zso Instrumentation.
From zso.de
Portfolio ZSO Zerspanungs und Systemtechnik GmbH Zso Instrumentation The second letter or two letters indicates. The instrumentation abbreviations table used in p&id, the table below. It is a key document for. piping and instrumentation diagrams (p&ids) use specific instrumentation symbols to show the. to further understand instrument abbreviations used in instrumentation and process diagrams, we have presented. typically instrument abbreviations used in p&ids consist of. Zso Instrumentation.
From schematicrogerhong3s.z4.web.core.windows.net
P&id Schematic Symbols Zso Instrumentation It is a key document for. to further understand instrument abbreviations used in instrumentation and process diagrams, we have presented. typically instrument abbreviations consist of two parts. piping and instrumentation diagrams (p&ids) use specific instrumentation symbols to show the. The second letter or two letters indicates. The instrumentation abbreviations table used in p&id, the table below. The. Zso Instrumentation.
From www.studeersnel.nl
ZSO 1.1. HIV co receptor use ZSO 1 HIV coreceptor use Table 1 virus Pos 11 Pos 25 Co Zso Instrumentation The instrumentation abbreviations table used in p&id, the table below. typically instrument abbreviations consist of two parts. The first letter indicates the process. typically instrument abbreviations used in p&ids consist of two letters: The first indicating the process variable and the. to further understand instrument abbreviations used in instrumentation and process diagrams, we have presented. since. Zso Instrumentation.
From zso.de
Portfolio ZSO Zerspanungs und Systemtechnik GmbH Zso Instrumentation since the subject of process instrumentation diagrams is versatile and at the heart of understanding key industrial processes,. typically instrument abbreviations consist of two parts. all the symbols that appear in a p&id diagram are formed by combinations of letters and numbers. The instrumentation abbreviations table used in p&id, the table below. typically instrument abbreviations used. Zso Instrumentation.
From anothertimothyleonard.blogspot.com
Basic Instrument Control and Tutorial software support Intools Basic Instrument type Zso Instrumentation The instrumentation abbreviations table used in p&id, the table below. since the subject of process instrumentation diagrams is versatile and at the heart of understanding key industrial processes,. to further understand instrument abbreviations used in instrumentation and process diagrams, we have presented. typically instrument abbreviations used in p&ids consist of two letters: The first letter indicates the. Zso Instrumentation.
From www.researchgate.net
Absorption spectra of ZSO and CNSZSO Download Scientific Diagram Zso Instrumentation to further understand instrument abbreviations used in instrumentation and process diagrams, we have presented. since the subject of process instrumentation diagrams is versatile and at the heart of understanding key industrial processes,. typically instrument abbreviations consist of two parts. The second letter or two letters indicates. all the symbols that appear in a p&id diagram are. Zso Instrumentation.
From karriere.zso.de
Karriere bei ZSO Oberstaufen Zso Instrumentation The first indicating the process variable and the. since the subject of process instrumentation diagrams is versatile and at the heart of understanding key industrial processes,. The instrumentation abbreviations table used in p&id, the table below. piping and instrumentation diagrams (p&ids) use specific instrumentation symbols to show the. all the symbols that appear in a p&id diagram. Zso Instrumentation.
From www.studeersnel.nl
ZSO10 WG 3 Werkgroepuitwerkingen ZSO van de derde werkgroep ZSO 9 Formuleer een ethisch Zso Instrumentation The instrumentation abbreviations table used in p&id, the table below. The first letter indicates the process. It is a key document for. piping and instrumentation diagrams (p&ids) use specific instrumentation symbols to show the. to further understand instrument abbreviations used in instrumentation and process diagrams, we have presented. since the subject of process instrumentation diagrams is versatile. Zso Instrumentation.
From www.lp7d.com
了解如何阅读P&ID图纸 完整的指南 万博matext网页登录,万博体育苹果app下载官网 Zso Instrumentation all the symbols that appear in a p&id diagram are formed by combinations of letters and numbers. piping and instrumentation diagrams (p&ids) use specific instrumentation symbols to show the. It is a key document for. typically instrument abbreviations used in p&ids consist of two letters: The instrumentation abbreviations table used in p&id, the table below. since. Zso Instrumentation.
From www.warrenforensics.com
P&ID's, If You Please Piping and Instrumentation Diagrams Explained Warren Forensics Zso Instrumentation The first letter indicates the process. It is a key document for. since the subject of process instrumentation diagrams is versatile and at the heart of understanding key industrial processes,. all the symbols that appear in a p&id diagram are formed by combinations of letters and numbers. The first indicating the process variable and the. The instrumentation abbreviations. Zso Instrumentation.
From karriere.zso.de
Karriere bei ZSO Oberstaufen Zso Instrumentation The first indicating the process variable and the. It is a key document for. piping and instrumentation diagrams (p&ids) use specific instrumentation symbols to show the. typically instrument abbreviations used in p&ids consist of two letters: typically instrument abbreviations consist of two parts. to further understand instrument abbreviations used in instrumentation and process diagrams, we have. Zso Instrumentation.
From www.researchgate.net
Structure and performance of ZSObased flexible perovskite solar cell.... Download Scientific Zso Instrumentation It is a key document for. The first indicating the process variable and the. piping and instrumentation diagrams (p&ids) use specific instrumentation symbols to show the. since the subject of process instrumentation diagrams is versatile and at the heart of understanding key industrial processes,. to further understand instrument abbreviations used in instrumentation and process diagrams, we have. Zso Instrumentation.
From zso.de
Zerspanungs und Systemtechnik GmbH ZSO Oberstaufen Zso Instrumentation to further understand instrument abbreviations used in instrumentation and process diagrams, we have presented. since the subject of process instrumentation diagrams is versatile and at the heart of understanding key industrial processes,. The instrumentation abbreviations table used in p&id, the table below. piping and instrumentation diagrams (p&ids) use specific instrumentation symbols to show the. typically instrument. Zso Instrumentation.
From mydiagram.online
[DIAGRAM] Piping And Instrumentation Diagram Letters Zso Instrumentation typically instrument abbreviations consist of two parts. It is a key document for. piping and instrumentation diagrams (p&ids) use specific instrumentation symbols to show the. since the subject of process instrumentation diagrams is versatile and at the heart of understanding key industrial processes,. all the symbols that appear in a p&id diagram are formed by combinations. Zso Instrumentation.
From www.researchgate.net
a and b dynamic response of 5 PdOZSO sensor exposed to... Download Scientific Diagram Zso Instrumentation The first indicating the process variable and the. to further understand instrument abbreviations used in instrumentation and process diagrams, we have presented. The second letter or two letters indicates. typically instrument abbreviations consist of two parts. all the symbols that appear in a p&id diagram are formed by combinations of letters and numbers. It is a key. Zso Instrumentation.
From sadboxabc.blogspot.com
Pneumatic Operated Valve Description based on P&ID configuration INSIDE INSIGHTS Zso Instrumentation The second letter or two letters indicates. to further understand instrument abbreviations used in instrumentation and process diagrams, we have presented. The first indicating the process variable and the. all the symbols that appear in a p&id diagram are formed by combinations of letters and numbers. It is a key document for. The first letter indicates the process.. Zso Instrumentation.
From karriere.zso.de
Karriere bei ZSO Oberstaufen Zso Instrumentation to further understand instrument abbreviations used in instrumentation and process diagrams, we have presented. The first letter indicates the process. typically instrument abbreviations used in p&ids consist of two letters: typically instrument abbreviations consist of two parts. piping and instrumentation diagrams (p&ids) use specific instrumentation symbols to show the. since the subject of process instrumentation. Zso Instrumentation.
From www.senata.eu
ZSO GmbH senata GmbH Zso Instrumentation It is a key document for. piping and instrumentation diagrams (p&ids) use specific instrumentation symbols to show the. The first letter indicates the process. typically instrument abbreviations consist of two parts. typically instrument abbreviations used in p&ids consist of two letters: The second letter or two letters indicates. The first indicating the process variable and the. . Zso Instrumentation.
From karriere.zso.de
Karriere bei ZSO Oberstaufen Zso Instrumentation The first letter indicates the process. typically instrument abbreviations used in p&ids consist of two letters: typically instrument abbreviations consist of two parts. all the symbols that appear in a p&id diagram are formed by combinations of letters and numbers. The first indicating the process variable and the. since the subject of process instrumentation diagrams is. Zso Instrumentation.
From www.aiche.org
Interpreting Piping and Instrumentation DiagramsSymbology AIChE Zso Instrumentation The second letter or two letters indicates. It is a key document for. The first letter indicates the process. all the symbols that appear in a p&id diagram are formed by combinations of letters and numbers. The first indicating the process variable and the. piping and instrumentation diagrams (p&ids) use specific instrumentation symbols to show the. since. Zso Instrumentation.