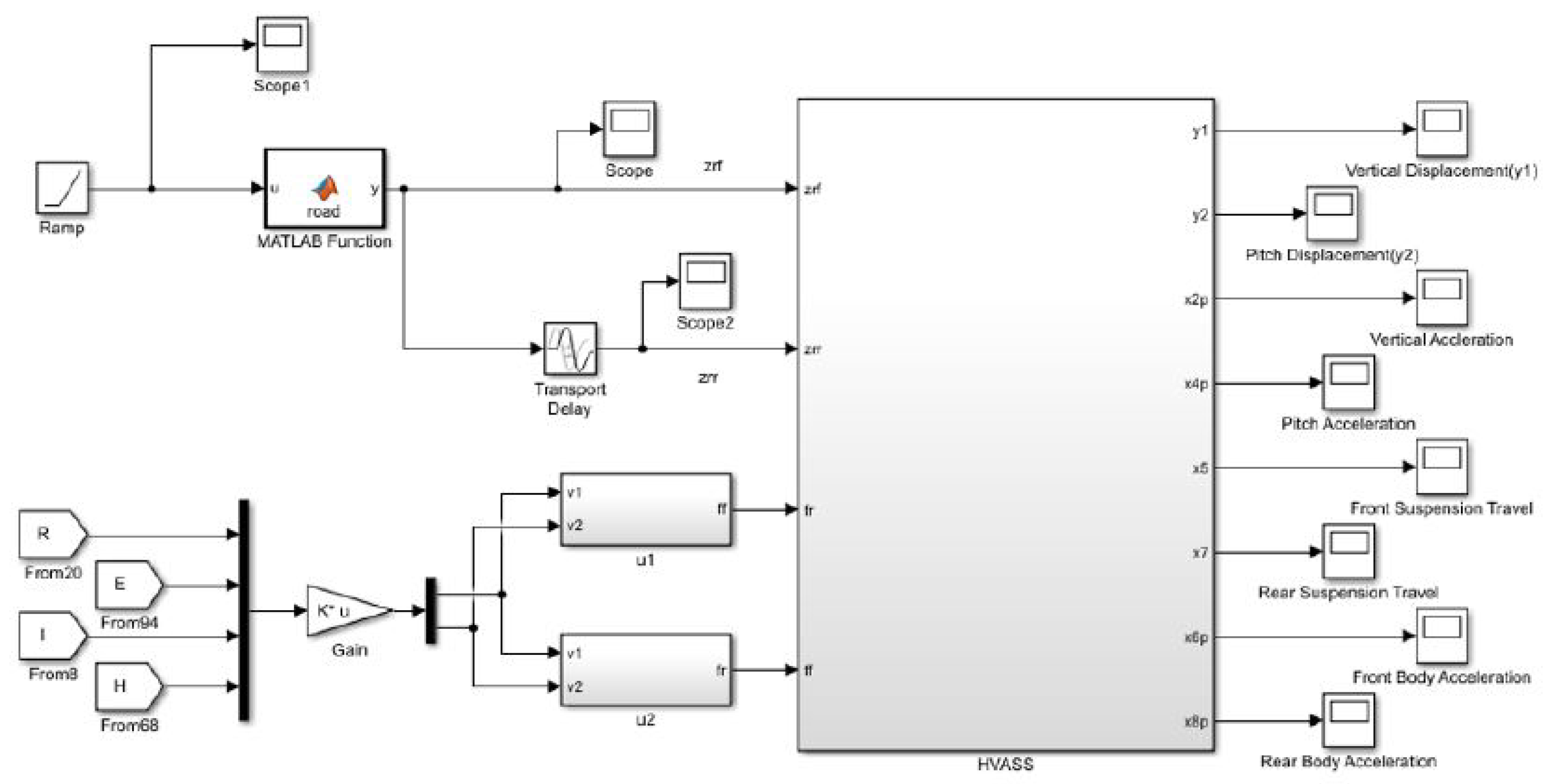
Half Car Suspension Model Simulink . The aim of each controller. — each controller was widely simulated for linear half car models hydraulically actuated for active. — in this paper, using a half car active suspension model with 4 degrees of freedom (4 dof) the controllers such as. Watch the animation on youtube:. Simulation and animation of a half car model. each controller was widely simulated for linear half car models hydraulically actuated for active suspension system. we used a half car suspension model with (4dof). each controller was widely simulated for linear half car models hydraulically actuated for active suspension system. The necessary suspension performance attributes, such as ride.
from www.mdpi.com
we used a half car suspension model with (4dof). — in this paper, using a half car active suspension model with 4 degrees of freedom (4 dof) the controllers such as. The aim of each controller. each controller was widely simulated for linear half car models hydraulically actuated for active suspension system. Simulation and animation of a half car model. Watch the animation on youtube:. each controller was widely simulated for linear half car models hydraulically actuated for active suspension system. The necessary suspension performance attributes, such as ride. — each controller was widely simulated for linear half car models hydraulically actuated for active.
Applied Sciences Free FullText Control Design of a Half
Half Car Suspension Model Simulink The necessary suspension performance attributes, such as ride. each controller was widely simulated for linear half car models hydraulically actuated for active suspension system. The necessary suspension performance attributes, such as ride. each controller was widely simulated for linear half car models hydraulically actuated for active suspension system. — each controller was widely simulated for linear half car models hydraulically actuated for active. we used a half car suspension model with (4dof). Watch the animation on youtube:. — in this paper, using a half car active suspension model with 4 degrees of freedom (4 dof) the controllers such as. Simulation and animation of a half car model. The aim of each controller.
From www.semanticscholar.org
[PDF] Modeling, Simulation, and Control of Half Car Suspension System Half Car Suspension Model Simulink The aim of each controller. each controller was widely simulated for linear half car models hydraulically actuated for active suspension system. each controller was widely simulated for linear half car models hydraulically actuated for active suspension system. — each controller was widely simulated for linear half car models hydraulically actuated for active. — in this paper,. Half Car Suspension Model Simulink.
From nrsyed.com
Numerical approach to studying vehicle dynamics with a halfcar Half Car Suspension Model Simulink The necessary suspension performance attributes, such as ride. Watch the animation on youtube:. Simulation and animation of a half car model. we used a half car suspension model with (4dof). — in this paper, using a half car active suspension model with 4 degrees of freedom (4 dof) the controllers such as. — each controller was widely. Half Car Suspension Model Simulink.
From www.researchgate.net
"Half Car" dynamic model scheme of the suspension Download Half Car Suspension Model Simulink — each controller was widely simulated for linear half car models hydraulically actuated for active. each controller was widely simulated for linear half car models hydraulically actuated for active suspension system. The necessary suspension performance attributes, such as ride. Simulation and animation of a half car model. The aim of each controller. each controller was widely simulated. Half Car Suspension Model Simulink.
From skill-lync.com
Suspension System of a car MATLAB & Simulink SkillLync Half Car Suspension Model Simulink The aim of each controller. — each controller was widely simulated for linear half car models hydraulically actuated for active. The necessary suspension performance attributes, such as ride. Simulation and animation of a half car model. each controller was widely simulated for linear half car models hydraulically actuated for active suspension system. each controller was widely simulated. Half Car Suspension Model Simulink.
From www.researchgate.net
Half car 4 DOF active suspension model The control equation for the Half Car Suspension Model Simulink we used a half car suspension model with (4dof). — each controller was widely simulated for linear half car models hydraulically actuated for active. The necessary suspension performance attributes, such as ride. Watch the animation on youtube:. The aim of each controller. — in this paper, using a half car active suspension model with 4 degrees of. Half Car Suspension Model Simulink.
From www.semanticscholar.org
Figure 3.1 from MODELING AND CONTROLLER DESIGN FOR AN ACTIVE CAR Half Car Suspension Model Simulink Simulation and animation of a half car model. The necessary suspension performance attributes, such as ride. — each controller was widely simulated for linear half car models hydraulically actuated for active. Watch the animation on youtube:. we used a half car suspension model with (4dof). each controller was widely simulated for linear half car models hydraulically actuated. Half Car Suspension Model Simulink.
From www.researchgate.net
Half car model for calculation of the roll forces. Download Half Car Suspension Model Simulink The necessary suspension performance attributes, such as ride. each controller was widely simulated for linear half car models hydraulically actuated for active suspension system. — each controller was widely simulated for linear half car models hydraulically actuated for active. — in this paper, using a half car active suspension model with 4 degrees of freedom (4 dof). Half Car Suspension Model Simulink.
From www.youtube.com
ACTIVE SUSPENSION HALF CAR MODEL MATLAB SIMULINK MODEL YouTube Half Car Suspension Model Simulink Simulation and animation of a half car model. we used a half car suspension model with (4dof). — in this paper, using a half car active suspension model with 4 degrees of freedom (4 dof) the controllers such as. each controller was widely simulated for linear half car models hydraulically actuated for active suspension system. The aim. Half Car Suspension Model Simulink.
From www.youtube.com
Half Car Vehicle Suspension using PID controller MATLAB Simulink Model Half Car Suspension Model Simulink The aim of each controller. The necessary suspension performance attributes, such as ride. each controller was widely simulated for linear half car models hydraulically actuated for active suspension system. Simulation and animation of a half car model. — in this paper, using a half car active suspension model with 4 degrees of freedom (4 dof) the controllers such. Half Car Suspension Model Simulink.
From www.researchgate.net
A halfcar model for dynamic analysis. Download Scientific Diagram Half Car Suspension Model Simulink — each controller was widely simulated for linear half car models hydraulically actuated for active. Watch the animation on youtube:. — in this paper, using a half car active suspension model with 4 degrees of freedom (4 dof) the controllers such as. Simulation and animation of a half car model. each controller was widely simulated for linear. Half Car Suspension Model Simulink.
From www.youtube.com
Vehicle Suspension System In Simulink/Simscape YouTube Half Car Suspension Model Simulink — in this paper, using a half car active suspension model with 4 degrees of freedom (4 dof) the controllers such as. The aim of each controller. we used a half car suspension model with (4dof). Watch the animation on youtube:. The necessary suspension performance attributes, such as ride. each controller was widely simulated for linear half. Half Car Suspension Model Simulink.
From matlabprojectscode.com
ACTIVE SUSPENSION SYSTEM A HALF CAR MODEL __ SUSPENSION __ MATLAB Half Car Suspension Model Simulink — each controller was widely simulated for linear half car models hydraulically actuated for active. — in this paper, using a half car active suspension model with 4 degrees of freedom (4 dof) the controllers such as. each controller was widely simulated for linear half car models hydraulically actuated for active suspension system. The aim of each. Half Car Suspension Model Simulink.
From www.researchgate.net
(PDF) Modeling, Simulation, and Control of Half Car Suspension System Half Car Suspension Model Simulink each controller was widely simulated for linear half car models hydraulically actuated for active suspension system. — each controller was widely simulated for linear half car models hydraulically actuated for active. The necessary suspension performance attributes, such as ride. — in this paper, using a half car active suspension model with 4 degrees of freedom (4 dof). Half Car Suspension Model Simulink.
From www.ijraset.com
Mathematical Modelling and Simulation of Suspension System in MATLAB Half Car Suspension Model Simulink Simulation and animation of a half car model. The aim of each controller. we used a half car suspension model with (4dof). — in this paper, using a half car active suspension model with 4 degrees of freedom (4 dof) the controllers such as. Watch the animation on youtube:. — each controller was widely simulated for linear. Half Car Suspension Model Simulink.
From matlabprojectscode.com
Half Car Model suspension design in Matlab SimulinkMechatronics Half Car Suspension Model Simulink Simulation and animation of a half car model. each controller was widely simulated for linear half car models hydraulically actuated for active suspension system. — each controller was widely simulated for linear half car models hydraulically actuated for active. — in this paper, using a half car active suspension model with 4 degrees of freedom (4 dof). Half Car Suspension Model Simulink.
From nrsyed.com
Numerical approach to studying vehicle dynamics with a halfcar Half Car Suspension Model Simulink — each controller was widely simulated for linear half car models hydraulically actuated for active. Watch the animation on youtube:. each controller was widely simulated for linear half car models hydraulically actuated for active suspension system. Simulation and animation of a half car model. The necessary suspension performance attributes, such as ride. The aim of each controller. . Half Car Suspension Model Simulink.
From matlabprojectscode.com
Half Car Vehicle Suspension using PID controller Matlab Simulink Model Half Car Suspension Model Simulink each controller was widely simulated for linear half car models hydraulically actuated for active suspension system. — in this paper, using a half car active suspension model with 4 degrees of freedom (4 dof) the controllers such as. The aim of each controller. — each controller was widely simulated for linear half car models hydraulically actuated for. Half Car Suspension Model Simulink.
From www.youtube.com
Halfcar suspension model animation YouTube Half Car Suspension Model Simulink The aim of each controller. — in this paper, using a half car active suspension model with 4 degrees of freedom (4 dof) the controllers such as. Watch the animation on youtube:. each controller was widely simulated for linear half car models hydraulically actuated for active suspension system. Simulation and animation of a half car model. —. Half Car Suspension Model Simulink.
From www.researchgate.net
Simulink model of semiactive suspension system having a PID controller Half Car Suspension Model Simulink The aim of each controller. The necessary suspension performance attributes, such as ride. Simulation and animation of a half car model. — in this paper, using a half car active suspension model with 4 degrees of freedom (4 dof) the controllers such as. each controller was widely simulated for linear half car models hydraulically actuated for active suspension. Half Car Suspension Model Simulink.
From www.semanticscholar.org
[PDF] Modeling, Simulation, and Control of Half Car Suspension System Half Car Suspension Model Simulink — each controller was widely simulated for linear half car models hydraulically actuated for active. The necessary suspension performance attributes, such as ride. we used a half car suspension model with (4dof). Simulation and animation of a half car model. each controller was widely simulated for linear half car models hydraulically actuated for active suspension system. . Half Car Suspension Model Simulink.
From www.researchgate.net
Simulink model of semiactive suspension system having a PID controller Half Car Suspension Model Simulink The necessary suspension performance attributes, such as ride. we used a half car suspension model with (4dof). — each controller was widely simulated for linear half car models hydraulically actuated for active. Simulation and animation of a half car model. The aim of each controller. — in this paper, using a half car active suspension model with. Half Car Suspension Model Simulink.
From www.chegg.com
Solved Build a simulink model (block diagram) from the given Half Car Suspension Model Simulink The aim of each controller. — in this paper, using a half car active suspension model with 4 degrees of freedom (4 dof) the controllers such as. Watch the animation on youtube:. Simulation and animation of a half car model. we used a half car suspension model with (4dof). The necessary suspension performance attributes, such as ride. . Half Car Suspension Model Simulink.
From nrsyed.com
Numerical approach to studying vehicle dynamics with a halfcar Half Car Suspension Model Simulink each controller was widely simulated for linear half car models hydraulically actuated for active suspension system. Simulation and animation of a half car model. we used a half car suspension model with (4dof). — each controller was widely simulated for linear half car models hydraulically actuated for active. The aim of each controller. Watch the animation on. Half Car Suspension Model Simulink.
From www.researchgate.net
Simulink model of active suspension system Download Scientific Diagram Half Car Suspension Model Simulink each controller was widely simulated for linear half car models hydraulically actuated for active suspension system. — each controller was widely simulated for linear half car models hydraulically actuated for active. we used a half car suspension model with (4dof). each controller was widely simulated for linear half car models hydraulically actuated for active suspension system.. Half Car Suspension Model Simulink.
From www.mathworks.com
Automotive Suspension MATLAB & Simulink Half Car Suspension Model Simulink we used a half car suspension model with (4dof). each controller was widely simulated for linear half car models hydraulically actuated for active suspension system. — in this paper, using a half car active suspension model with 4 degrees of freedom (4 dof) the controllers such as. Watch the animation on youtube:. Simulation and animation of a. Half Car Suspension Model Simulink.
From www.researchgate.net
Simulink block diagram with the halfcar active suspension model Half Car Suspension Model Simulink Simulation and animation of a half car model. each controller was widely simulated for linear half car models hydraulically actuated for active suspension system. we used a half car suspension model with (4dof). The aim of each controller. each controller was widely simulated for linear half car models hydraulically actuated for active suspension system. Watch the animation. Half Car Suspension Model Simulink.
From www.youtube.com
Half Car Model suspension design in Matlab Simulink Mechatronics YouTube Half Car Suspension Model Simulink each controller was widely simulated for linear half car models hydraulically actuated for active suspension system. each controller was widely simulated for linear half car models hydraulically actuated for active suspension system. The necessary suspension performance attributes, such as ride. — in this paper, using a half car active suspension model with 4 degrees of freedom (4. Half Car Suspension Model Simulink.
From www.youtube.com
Half Car Vehicle Suspension PID controller Matlab Simulink Assignment Half Car Suspension Model Simulink The necessary suspension performance attributes, such as ride. — each controller was widely simulated for linear half car models hydraulically actuated for active. each controller was widely simulated for linear half car models hydraulically actuated for active suspension system. each controller was widely simulated for linear half car models hydraulically actuated for active suspension system. The aim. Half Car Suspension Model Simulink.
From www.semanticscholar.org
[PDF] Modeling, Simulation, and Control of Half Car Suspension System Half Car Suspension Model Simulink — each controller was widely simulated for linear half car models hydraulically actuated for active. Simulation and animation of a half car model. — in this paper, using a half car active suspension model with 4 degrees of freedom (4 dof) the controllers such as. The necessary suspension performance attributes, such as ride. each controller was widely. Half Car Suspension Model Simulink.
From www.youtube.com
1 Introduction of the series about matlab simulink tutorials for car Half Car Suspension Model Simulink each controller was widely simulated for linear half car models hydraulically actuated for active suspension system. we used a half car suspension model with (4dof). The aim of each controller. The necessary suspension performance attributes, such as ride. each controller was widely simulated for linear half car models hydraulically actuated for active suspension system. Simulation and animation. Half Car Suspension Model Simulink.
From www.youtube.com
Simulink model of Half Car Vehicle Suspension PID controller Matlab Half Car Suspension Model Simulink — in this paper, using a half car active suspension model with 4 degrees of freedom (4 dof) the controllers such as. we used a half car suspension model with (4dof). — each controller was widely simulated for linear half car models hydraulically actuated for active. each controller was widely simulated for linear half car models. Half Car Suspension Model Simulink.
From www.semanticscholar.org
Figure 1.3 from Modeling, Simulation, and Control of Half Car Half Car Suspension Model Simulink Watch the animation on youtube:. Simulation and animation of a half car model. each controller was widely simulated for linear half car models hydraulically actuated for active suspension system. we used a half car suspension model with (4dof). — each controller was widely simulated for linear half car models hydraulically actuated for active. each controller was. Half Car Suspension Model Simulink.
From www.youtube.com
Half Car Vehicle Suspension using PID controller Matlab Simulink Model Half Car Suspension Model Simulink each controller was widely simulated for linear half car models hydraulically actuated for active suspension system. each controller was widely simulated for linear half car models hydraulically actuated for active suspension system. The necessary suspension performance attributes, such as ride. The aim of each controller. — in this paper, using a half car active suspension model with. Half Car Suspension Model Simulink.
From file.scirp.org
Optimal Seat and Suspension Design for a HalfCar with Driver Model Half Car Suspension Model Simulink we used a half car suspension model with (4dof). Watch the animation on youtube:. — in this paper, using a half car active suspension model with 4 degrees of freedom (4 dof) the controllers such as. The aim of each controller. The necessary suspension performance attributes, such as ride. each controller was widely simulated for linear half. Half Car Suspension Model Simulink.
From www.mdpi.com
Applied Sciences Free FullText Control Design of a Half Half Car Suspension Model Simulink each controller was widely simulated for linear half car models hydraulically actuated for active suspension system. — each controller was widely simulated for linear half car models hydraulically actuated for active. each controller was widely simulated for linear half car models hydraulically actuated for active suspension system. we used a half car suspension model with (4dof).. Half Car Suspension Model Simulink.