P0123 Throttle Position Sensor Voltage High . P0123 trouble code stands for “throttle position sensor/switch a circuit high input.” what does the p0123 code mean? If you’re experiencing issues with your vehicle’s throttle pedal position sensor, you may see the p0123 code appear on your engine. Diagnosis involves checking sensor connectivity, voltage, rpm, and engine load. P0123 indicates high input in throttle position sensor/switch a circuit. Commonly caused by faulty tps, dirty throttle bodies, pcm issues. Triggers safe mode, check engine light, hard starts, rough idling, stalling. The p0123 trouble code indicates that the engine control module (ecm) or powertrain control module (pcm) detected high. The p0123 diagnostic trouble code (dtc) indicates that there is a high input detected in the throttle position sensor or switch 'a'. The p0123 code indicates a “throttle/pedal position sensor/switch ‘a’ circuit high input.” this means the throttle position.
from www.ls2.com
P0123 trouble code stands for “throttle position sensor/switch a circuit high input.” what does the p0123 code mean? P0123 indicates high input in throttle position sensor/switch a circuit. Commonly caused by faulty tps, dirty throttle bodies, pcm issues. Diagnosis involves checking sensor connectivity, voltage, rpm, and engine load. The p0123 trouble code indicates that the engine control module (ecm) or powertrain control module (pcm) detected high. The p0123 diagnostic trouble code (dtc) indicates that there is a high input detected in the throttle position sensor or switch 'a'. The p0123 code indicates a “throttle/pedal position sensor/switch ‘a’ circuit high input.” this means the throttle position. If you’re experiencing issues with your vehicle’s throttle pedal position sensor, you may see the p0123 code appear on your engine. Triggers safe mode, check engine light, hard starts, rough idling, stalling.
DTC P0123 Throttle Position (TP) Sensor Circuit High Voltage
P0123 Throttle Position Sensor Voltage High The p0123 diagnostic trouble code (dtc) indicates that there is a high input detected in the throttle position sensor or switch 'a'. The p0123 trouble code indicates that the engine control module (ecm) or powertrain control module (pcm) detected high. P0123 trouble code stands for “throttle position sensor/switch a circuit high input.” what does the p0123 code mean? P0123 indicates high input in throttle position sensor/switch a circuit. Commonly caused by faulty tps, dirty throttle bodies, pcm issues. The p0123 diagnostic trouble code (dtc) indicates that there is a high input detected in the throttle position sensor or switch 'a'. The p0123 code indicates a “throttle/pedal position sensor/switch ‘a’ circuit high input.” this means the throttle position. Triggers safe mode, check engine light, hard starts, rough idling, stalling. Diagnosis involves checking sensor connectivity, voltage, rpm, and engine load. If you’re experiencing issues with your vehicle’s throttle pedal position sensor, you may see the p0123 code appear on your engine.
From www.youtube.com
CODE P0122 P0123 JEEP COMPASS RENEGADE. THROTTLE POSITION SENSOR YouTube P0123 Throttle Position Sensor Voltage High The p0123 diagnostic trouble code (dtc) indicates that there is a high input detected in the throttle position sensor or switch 'a'. P0123 trouble code stands for “throttle position sensor/switch a circuit high input.” what does the p0123 code mean? Diagnosis involves checking sensor connectivity, voltage, rpm, and engine load. P0123 indicates high input in throttle position sensor/switch a circuit.. P0123 Throttle Position Sensor Voltage High.
From www.youtube.com
P0123 P0223 P2123 Throttle Position Sensor A/B Incorrect Voltage P0123 Throttle Position Sensor Voltage High The p0123 code indicates a “throttle/pedal position sensor/switch ‘a’ circuit high input.” this means the throttle position. If you’re experiencing issues with your vehicle’s throttle pedal position sensor, you may see the p0123 code appear on your engine. Triggers safe mode, check engine light, hard starts, rough idling, stalling. Commonly caused by faulty tps, dirty throttle bodies, pcm issues. Diagnosis. P0123 Throttle Position Sensor Voltage High.
From www.youtube.com
Test & Fix P0123 Throttle Position Sensor 1 Signal Circuit High KIA P0123 Throttle Position Sensor Voltage High Diagnosis involves checking sensor connectivity, voltage, rpm, and engine load. The p0123 trouble code indicates that the engine control module (ecm) or powertrain control module (pcm) detected high. The p0123 diagnostic trouble code (dtc) indicates that there is a high input detected in the throttle position sensor or switch 'a'. If you’re experiencing issues with your vehicle’s throttle pedal position. P0123 Throttle Position Sensor Voltage High.
From www.reddit.com
P0123 2008 TOYOTA PRIUS Throttle Position Sensor/Switch 'A' Circuit P0123 Throttle Position Sensor Voltage High Commonly caused by faulty tps, dirty throttle bodies, pcm issues. If you’re experiencing issues with your vehicle’s throttle pedal position sensor, you may see the p0123 code appear on your engine. The p0123 code indicates a “throttle/pedal position sensor/switch ‘a’ circuit high input.” this means the throttle position. Triggers safe mode, check engine light, hard starts, rough idling, stalling. The. P0123 Throttle Position Sensor Voltage High.
From www.youtube.com
P0108 Manifold Air pressure (MAP) Sensor Circuit High And P0123 P0123 Throttle Position Sensor Voltage High The p0123 trouble code indicates that the engine control module (ecm) or powertrain control module (pcm) detected high. The p0123 diagnostic trouble code (dtc) indicates that there is a high input detected in the throttle position sensor or switch 'a'. Diagnosis involves checking sensor connectivity, voltage, rpm, and engine load. P0123 trouble code stands for “throttle position sensor/switch a circuit. P0123 Throttle Position Sensor Voltage High.
From car-problems-fix.com
Fix P0123 Code Throttle Position Sensor Troubleshooting Car Problems Fix P0123 Throttle Position Sensor Voltage High Triggers safe mode, check engine light, hard starts, rough idling, stalling. The p0123 diagnostic trouble code (dtc) indicates that there is a high input detected in the throttle position sensor or switch 'a'. The p0123 code indicates a “throttle/pedal position sensor/switch ‘a’ circuit high input.” this means the throttle position. The p0123 trouble code indicates that the engine control module. P0123 Throttle Position Sensor Voltage High.
From beefytools.com
P0123 Mercedes Throttle Position (TP) Sensor Circuit High Voltage P0123 Throttle Position Sensor Voltage High P0123 indicates high input in throttle position sensor/switch a circuit. The p0123 diagnostic trouble code (dtc) indicates that there is a high input detected in the throttle position sensor or switch 'a'. Diagnosis involves checking sensor connectivity, voltage, rpm, and engine load. The p0123 trouble code indicates that the engine control module (ecm) or powertrain control module (pcm) detected high.. P0123 Throttle Position Sensor Voltage High.
From www.motorverso.com
P0123 Code TPS Sensor/Switch (TPS) A Circuit High Input Fixes P0123 Throttle Position Sensor Voltage High The p0123 code indicates a “throttle/pedal position sensor/switch ‘a’ circuit high input.” this means the throttle position. The p0123 trouble code indicates that the engine control module (ecm) or powertrain control module (pcm) detected high. Diagnosis involves checking sensor connectivity, voltage, rpm, and engine load. P0123 indicates high input in throttle position sensor/switch a circuit. The p0123 diagnostic trouble code. P0123 Throttle Position Sensor Voltage High.
From www.ziptuning.com
P0123 Throttle Position Sensor Circuit High P0123 Throttle Position Sensor Voltage High Commonly caused by faulty tps, dirty throttle bodies, pcm issues. The p0123 trouble code indicates that the engine control module (ecm) or powertrain control module (pcm) detected high. The p0123 code indicates a “throttle/pedal position sensor/switch ‘a’ circuit high input.” this means the throttle position. The p0123 diagnostic trouble code (dtc) indicates that there is a high input detected in. P0123 Throttle Position Sensor Voltage High.
From www.doubleaabuilders.com
Throttle Position Sensor P0122 P0123 Testing And, 42 OFF P0123 Throttle Position Sensor Voltage High P0123 indicates high input in throttle position sensor/switch a circuit. P0123 trouble code stands for “throttle position sensor/switch a circuit high input.” what does the p0123 code mean? The p0123 diagnostic trouble code (dtc) indicates that there is a high input detected in the throttle position sensor or switch 'a'. If you’re experiencing issues with your vehicle’s throttle pedal position. P0123 Throttle Position Sensor Voltage High.
From beefytools.com
P0123 Mercedes Throttle Position (TP) Sensor Circuit High Voltage P0123 Throttle Position Sensor Voltage High Diagnosis involves checking sensor connectivity, voltage, rpm, and engine load. The p0123 diagnostic trouble code (dtc) indicates that there is a high input detected in the throttle position sensor or switch 'a'. Triggers safe mode, check engine light, hard starts, rough idling, stalling. P0123 trouble code stands for “throttle position sensor/switch a circuit high input.” what does the p0123 code. P0123 Throttle Position Sensor Voltage High.
From www.youtube.com
Throttle Position Sensor P0122 & P0123 Testing and Replacement YouTube P0123 Throttle Position Sensor Voltage High P0123 trouble code stands for “throttle position sensor/switch a circuit high input.” what does the p0123 code mean? The p0123 diagnostic trouble code (dtc) indicates that there is a high input detected in the throttle position sensor or switch 'a'. Triggers safe mode, check engine light, hard starts, rough idling, stalling. The p0123 trouble code indicates that the engine control. P0123 Throttle Position Sensor Voltage High.
From www.youtube.com
How to Replace a Throttle Position Sensor (Code P0123) Dreamer DIYs P0123 Throttle Position Sensor Voltage High Commonly caused by faulty tps, dirty throttle bodies, pcm issues. The p0123 code indicates a “throttle/pedal position sensor/switch ‘a’ circuit high input.” this means the throttle position. The p0123 trouble code indicates that the engine control module (ecm) or powertrain control module (pcm) detected high. P0123 indicates high input in throttle position sensor/switch a circuit. If you’re experiencing issues with. P0123 Throttle Position Sensor Voltage High.
From faq.out-club.ru
Code No. P0123 Throttle Position Sensor Circuit High Input P0123 Throttle Position Sensor Voltage High P0123 indicates high input in throttle position sensor/switch a circuit. P0123 trouble code stands for “throttle position sensor/switch a circuit high input.” what does the p0123 code mean? Commonly caused by faulty tps, dirty throttle bodies, pcm issues. If you’re experiencing issues with your vehicle’s throttle pedal position sensor, you may see the p0123 code appear on your engine. The. P0123 Throttle Position Sensor Voltage High.
From www.youtube.com
DODGE CHARGER CODE P0123 P0222 P2111 THROTTLE POSITION SENSOR, THROTTLE P0123 Throttle Position Sensor Voltage High Triggers safe mode, check engine light, hard starts, rough idling, stalling. P0123 indicates high input in throttle position sensor/switch a circuit. Diagnosis involves checking sensor connectivity, voltage, rpm, and engine load. If you’re experiencing issues with your vehicle’s throttle pedal position sensor, you may see the p0123 code appear on your engine. Commonly caused by faulty tps, dirty throttle bodies,. P0123 Throttle Position Sensor Voltage High.
From www.autocodes.com
Code P0123 1999 Honda Civic Throttle Position Sensor/Switch 'A' Circuit P0123 Throttle Position Sensor Voltage High Triggers safe mode, check engine light, hard starts, rough idling, stalling. The p0123 trouble code indicates that the engine control module (ecm) or powertrain control module (pcm) detected high. The p0123 code indicates a “throttle/pedal position sensor/switch ‘a’ circuit high input.” this means the throttle position. P0123 trouble code stands for “throttle position sensor/switch a circuit high input.” what does. P0123 Throttle Position Sensor Voltage High.
From www.carparts.com
P0123 Code Throttle / Pedal Position Sensor "A" Circuit High In The P0123 Throttle Position Sensor Voltage High Triggers safe mode, check engine light, hard starts, rough idling, stalling. Diagnosis involves checking sensor connectivity, voltage, rpm, and engine load. The p0123 diagnostic trouble code (dtc) indicates that there is a high input detected in the throttle position sensor or switch 'a'. Commonly caused by faulty tps, dirty throttle bodies, pcm issues. P0123 indicates high input in throttle position. P0123 Throttle Position Sensor Voltage High.
From www.youtube.com
p0122,p0123(throttle pedel position sensor \ switch (Tps) A circuit P0123 Throttle Position Sensor Voltage High The p0123 code indicates a “throttle/pedal position sensor/switch ‘a’ circuit high input.” this means the throttle position. The p0123 trouble code indicates that the engine control module (ecm) or powertrain control module (pcm) detected high. P0123 indicates high input in throttle position sensor/switch a circuit. P0123 trouble code stands for “throttle position sensor/switch a circuit high input.” what does the. P0123 Throttle Position Sensor Voltage High.
From mitsubishitechinfo.com
13BDTC P0123 Throttle Position Sensor (Main) Circuit High Input P0123 Throttle Position Sensor Voltage High The p0123 code indicates a “throttle/pedal position sensor/switch ‘a’ circuit high input.” this means the throttle position. Triggers safe mode, check engine light, hard starts, rough idling, stalling. P0123 indicates high input in throttle position sensor/switch a circuit. The p0123 diagnostic trouble code (dtc) indicates that there is a high input detected in the throttle position sensor or switch 'a'.. P0123 Throttle Position Sensor Voltage High.
From www.autocodes.com
Code P0123 2005 Nissan Pathfinder Throttle Position Sensor/Switch '1 P0123 Throttle Position Sensor Voltage High The p0123 trouble code indicates that the engine control module (ecm) or powertrain control module (pcm) detected high. The p0123 diagnostic trouble code (dtc) indicates that there is a high input detected in the throttle position sensor or switch 'a'. Commonly caused by faulty tps, dirty throttle bodies, pcm issues. Triggers safe mode, check engine light, hard starts, rough idling,. P0123 Throttle Position Sensor Voltage High.
From www.jeepforum.com
Throttle position sensor P0123 Jeep Enthusiast Forums P0123 Throttle Position Sensor Voltage High P0123 trouble code stands for “throttle position sensor/switch a circuit high input.” what does the p0123 code mean? The p0123 diagnostic trouble code (dtc) indicates that there is a high input detected in the throttle position sensor or switch 'a'. Diagnosis involves checking sensor connectivity, voltage, rpm, and engine load. P0123 indicates high input in throttle position sensor/switch a circuit.. P0123 Throttle Position Sensor Voltage High.
From www.carparts.com
P0123 Code Throttle / Pedal Position Sensor "A" Circuit High In The P0123 Throttle Position Sensor Voltage High P0123 indicates high input in throttle position sensor/switch a circuit. Diagnosis involves checking sensor connectivity, voltage, rpm, and engine load. Commonly caused by faulty tps, dirty throttle bodies, pcm issues. If you’re experiencing issues with your vehicle’s throttle pedal position sensor, you may see the p0123 code appear on your engine. Triggers safe mode, check engine light, hard starts, rough. P0123 Throttle Position Sensor Voltage High.
From www.scribd.com
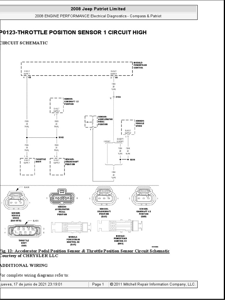
P0123Throttle Position Sensor 1 Circuit High 2008 Jeep Patriot P0123 Throttle Position Sensor Voltage High Triggers safe mode, check engine light, hard starts, rough idling, stalling. The p0123 code indicates a “throttle/pedal position sensor/switch ‘a’ circuit high input.” this means the throttle position. The p0123 diagnostic trouble code (dtc) indicates that there is a high input detected in the throttle position sensor or switch 'a'. The p0123 trouble code indicates that the engine control module. P0123 Throttle Position Sensor Voltage High.
From www.doubleaabuilders.com
Throttle Position Sensor P0122 P0123 Testing And, 42 OFF P0123 Throttle Position Sensor Voltage High P0123 trouble code stands for “throttle position sensor/switch a circuit high input.” what does the p0123 code mean? Diagnosis involves checking sensor connectivity, voltage, rpm, and engine load. If you’re experiencing issues with your vehicle’s throttle pedal position sensor, you may see the p0123 code appear on your engine. The p0123 code indicates a “throttle/pedal position sensor/switch ‘a’ circuit high. P0123 Throttle Position Sensor Voltage High.
From www.reddit.com
P0123 2021 HONDA CRV Throttle Position Sensor 'A' Circuit High P0123 Throttle Position Sensor Voltage High Commonly caused by faulty tps, dirty throttle bodies, pcm issues. P0123 indicates high input in throttle position sensor/switch a circuit. Triggers safe mode, check engine light, hard starts, rough idling, stalling. The p0123 code indicates a “throttle/pedal position sensor/switch ‘a’ circuit high input.” this means the throttle position. The p0123 trouble code indicates that the engine control module (ecm) or. P0123 Throttle Position Sensor Voltage High.
From www.obd2-code.com
P0123 Throttle Position Sensor 1 circuit high Obd2code P0123 Throttle Position Sensor Voltage High The p0123 diagnostic trouble code (dtc) indicates that there is a high input detected in the throttle position sensor or switch 'a'. The p0123 trouble code indicates that the engine control module (ecm) or powertrain control module (pcm) detected high. P0123 trouble code stands for “throttle position sensor/switch a circuit high input.” what does the p0123 code mean? P0123 indicates. P0123 Throttle Position Sensor Voltage High.
From www.youtube.com
Mitsubishi Pajero P0123 P0223 P2135 Throttle/Pedal Position Sensor P0123 Throttle Position Sensor Voltage High Triggers safe mode, check engine light, hard starts, rough idling, stalling. The p0123 diagnostic trouble code (dtc) indicates that there is a high input detected in the throttle position sensor or switch 'a'. Diagnosis involves checking sensor connectivity, voltage, rpm, and engine load. Commonly caused by faulty tps, dirty throttle bodies, pcm issues. P0123 indicates high input in throttle position. P0123 Throttle Position Sensor Voltage High.
From bhadraelectronics.com
P0123 OBDII Trouble Code Throttle Pedal Position Sensor/Switch P0123 Throttle Position Sensor Voltage High The p0123 code indicates a “throttle/pedal position sensor/switch ‘a’ circuit high input.” this means the throttle position. Diagnosis involves checking sensor connectivity, voltage, rpm, and engine load. The p0123 diagnostic trouble code (dtc) indicates that there is a high input detected in the throttle position sensor or switch 'a'. The p0123 trouble code indicates that the engine control module (ecm). P0123 Throttle Position Sensor Voltage High.
From www.youtube.com
P0123 Throttle Actuator Position Sensor Circuit High Input Kia Ceed P0123 Throttle Position Sensor Voltage High Triggers safe mode, check engine light, hard starts, rough idling, stalling. If you’re experiencing issues with your vehicle’s throttle pedal position sensor, you may see the p0123 code appear on your engine. Commonly caused by faulty tps, dirty throttle bodies, pcm issues. The p0123 trouble code indicates that the engine control module (ecm) or powertrain control module (pcm) detected high.. P0123 Throttle Position Sensor Voltage High.
From www.doubleaabuilders.com
Throttle Position Sensor P0122 P0123 Testing And, 42 OFF P0123 Throttle Position Sensor Voltage High Diagnosis involves checking sensor connectivity, voltage, rpm, and engine load. Commonly caused by faulty tps, dirty throttle bodies, pcm issues. If you’re experiencing issues with your vehicle’s throttle pedal position sensor, you may see the p0123 code appear on your engine. The p0123 code indicates a “throttle/pedal position sensor/switch ‘a’ circuit high input.” this means the throttle position. P0123 indicates. P0123 Throttle Position Sensor Voltage High.
From www.youtube.com
P0123 Throttle Pedal Position Sensor/Switch (TPS) A Circuit High Input P0123 Throttle Position Sensor Voltage High The p0123 trouble code indicates that the engine control module (ecm) or powertrain control module (pcm) detected high. Commonly caused by faulty tps, dirty throttle bodies, pcm issues. The p0123 code indicates a “throttle/pedal position sensor/switch ‘a’ circuit high input.” this means the throttle position. P0123 indicates high input in throttle position sensor/switch a circuit. Diagnosis involves checking sensor connectivity,. P0123 Throttle Position Sensor Voltage High.
From www.ls2.com
DTC P0123 Throttle Position (TP) Sensor Circuit High Voltage P0123 Throttle Position Sensor Voltage High The p0123 diagnostic trouble code (dtc) indicates that there is a high input detected in the throttle position sensor or switch 'a'. P0123 indicates high input in throttle position sensor/switch a circuit. If you’re experiencing issues with your vehicle’s throttle pedal position sensor, you may see the p0123 code appear on your engine. The p0123 trouble code indicates that the. P0123 Throttle Position Sensor Voltage High.
From www.reddit.com
P0123 2021 HONDA CRV Throttle Position Sensor 'A' Circuit High P0123 Throttle Position Sensor Voltage High P0123 indicates high input in throttle position sensor/switch a circuit. P0123 trouble code stands for “throttle position sensor/switch a circuit high input.” what does the p0123 code mean? The p0123 diagnostic trouble code (dtc) indicates that there is a high input detected in the throttle position sensor or switch 'a'. If you’re experiencing issues with your vehicle’s throttle pedal position. P0123 Throttle Position Sensor Voltage High.
From www.ziptuning.com
P0123 Throttle Position Sensor Circuit High P0123 Throttle Position Sensor Voltage High Commonly caused by faulty tps, dirty throttle bodies, pcm issues. P0123 indicates high input in throttle position sensor/switch a circuit. Triggers safe mode, check engine light, hard starts, rough idling, stalling. Diagnosis involves checking sensor connectivity, voltage, rpm, and engine load. The p0123 diagnostic trouble code (dtc) indicates that there is a high input detected in the throttle position sensor. P0123 Throttle Position Sensor Voltage High.
From www.youtube.com
P0123,suzuki wagonr throttle position sensor circuit high, TP SENSOR P0123 Throttle Position Sensor Voltage High The p0123 diagnostic trouble code (dtc) indicates that there is a high input detected in the throttle position sensor or switch 'a'. The p0123 code indicates a “throttle/pedal position sensor/switch ‘a’ circuit high input.” this means the throttle position. Diagnosis involves checking sensor connectivity, voltage, rpm, and engine load. P0123 trouble code stands for “throttle position sensor/switch a circuit high. P0123 Throttle Position Sensor Voltage High.