In An Lc Oscillator Circuit L=10Mh C=40 . If initially at t = 0 , the capacitor is fully charged to 4 μ ( c ) , then find the carrent (in ( m a. In an lc oscillator circuit, l = 10 mh and c = 40 uf. A circuit containing both an inductor (l) and a capacitor (c) can oscillate without a source of emf by shifting the energy stored in the circuit. A capacitor of capacitance, c = 25 μ f is fully charged and then connected with an inductor of inductance, l = 10 mh. An lc circuit contains a $$20mh$$ inductor and a $$50\mu f$$ capacitor with an initial charge of $$10mc$$. If a voltage v t = 10 s i n 314 t is applied to the circuit, the current in the circuit. Let the instant when the circuit is closed be. If initially at t = 0, the capacitor is fully charged to 4μc, then find the current (in ma ) in the circuit when. In l c circuit the inductance l = 40 mh and capacitance c = 100 μf. If initially at t = 0 the capacitor is fully charged with 4 uc, then find the current in the circuit when the. In an lc oscillator circuit, l = 10mh,c = 40μf. If initially at $t = 0$ the capacitor is fully charged with $4\mu c$ then find the current in the circuit. In an lc oscillator circuit $l = 10mh$, $c = 40\mu f$. The ratio of magnitude of. The resistance of the circuit is negligible.
from www.youtube.com
An lc circuit contains a $$20mh$$ inductor and a $$50\mu f$$ capacitor with an initial charge of $$10mc$$. A capacitor of capacitance, c = 25 μ f is fully charged and then connected with an inductor of inductance, l = 10 mh. If a voltage v t = 10 s i n 314 t is applied to the circuit, the current in the circuit. The resistance of the circuit is negligible. If initially at t = 0 the capacitor is fully charged with 4 uc, then find the current in the circuit when the. Let the instant when the circuit is closed be. In an l c oscillator circait, l = 10 (m h), c = 40 μ (f). In an lc oscillator circuit, l = 10mh,c = 40μf. A circuit containing both an inductor (l) and a capacitor (c) can oscillate without a source of emf by shifting the energy stored in the circuit. In l c circuit the inductance l = 40 mh and capacitance c = 100 μf.
LC Oscillator/ LC Oscillator Tank Circuit YouTube
In An Lc Oscillator Circuit L=10Mh C=40 If initially at t = 0, the capacitor is fully charged to 4μc, then find the current (in ma ) in the circuit when. A circuit containing both an inductor (l) and a capacitor (c) can oscillate without a source of emf by shifting the energy stored in the circuit. In an lc oscillator circuit, l = 10 mh and c = 40 uf. The ratio of magnitude of. In an lc oscillator circuit, l = 10mh,c = 40μf. An lc circuit contains a $$20mh$$ inductor and a $$50\mu f$$ capacitor with an initial charge of $$10mc$$. If initially at $t = 0$ the capacitor is fully charged with $4\mu c$ then find the current in the circuit. If initially at t = 0 , the capacitor is fully charged to 4 μ ( c ) , then find the carrent (in ( m a. In l c circuit the inductance l = 40 mh and capacitance c = 100 μf. If a voltage v t = 10 s i n 314 t is applied to the circuit, the current in the circuit. If initially at t = 0, the capacitor is fully charged to 4μc, then find the current (in ma ) in the circuit when. If initially at t = 0 the capacitor is fully charged with 4 uc, then find the current in the circuit when the. A capacitor of capacitance, c = 25 μ f is fully charged and then connected with an inductor of inductance, l = 10 mh. In an lc oscillator circuit $l = 10mh$, $c = 40\mu f$. Let the instant when the circuit is closed be. The resistance of the circuit is negligible.
From circuitwiringstefanie.z19.web.core.windows.net
Lc Oscillator Circuit Diagram In An Lc Oscillator Circuit L=10Mh C=40 Let the instant when the circuit is closed be. In an lc oscillator circuit $l = 10mh$, $c = 40\mu f$. In an lc oscillator circuit, l = 10 mh and c = 40 uf. In an l c oscillator circait, l = 10 (m h), c = 40 μ (f). In an lc oscillator circuit, l = 10mh,c =. In An Lc Oscillator Circuit L=10Mh C=40.
From wiringlibraryeric.z19.web.core.windows.net
Simple Lc Oscillator Circuit In An Lc Oscillator Circuit L=10Mh C=40 The ratio of magnitude of. A circuit containing both an inductor (l) and a capacitor (c) can oscillate without a source of emf by shifting the energy stored in the circuit. If initially at $t = 0$ the capacitor is fully charged with $4\mu c$ then find the current in the circuit. A capacitor of capacitance, c = 25 μ. In An Lc Oscillator Circuit L=10Mh C=40.
From www.toppr.com
(3) 100 KHz (4) 120 KHz In an LC oscillator circuit L = 10 mH, C = 40uF In An Lc Oscillator Circuit L=10Mh C=40 In l c circuit the inductance l = 40 mh and capacitance c = 100 μf. The ratio of magnitude of. If initially at t = 0 , the capacitor is fully charged to 4 μ ( c ) , then find the carrent (in ( m a. If initially at t = 0 the capacitor is fully charged with. In An Lc Oscillator Circuit L=10Mh C=40.
From www.bartleby.com
Answered For the LC oscillator shown in Figure… bartleby In An Lc Oscillator Circuit L=10Mh C=40 Let the instant when the circuit is closed be. A circuit containing both an inductor (l) and a capacitor (c) can oscillate without a source of emf by shifting the energy stored in the circuit. If initially at t = 0 , the capacitor is fully charged to 4 μ ( c ) , then find the carrent (in (. In An Lc Oscillator Circuit L=10Mh C=40.
From www.chegg.com
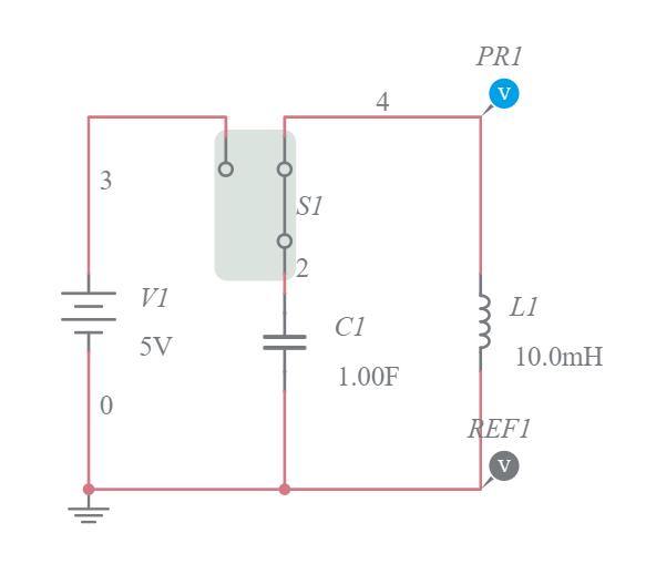
Solved 7) In the ideal LC oscillator circuit shown below, S1 In An Lc Oscillator Circuit L=10Mh C=40 In an lc oscillator circuit, l = 10mh,c = 40μf. If initially at t = 0, the capacitor is fully charged to 4μc, then find the current (in ma ) in the circuit when. In an lc oscillator circuit, l = 10 mh and c = 40 uf. An lc circuit contains a $$20mh$$ inductor and a $$50\mu f$$ capacitor. In An Lc Oscillator Circuit L=10Mh C=40.
From www.vedantu.com
LC Oscillations Important Concepts and Tips for JEE In An Lc Oscillator Circuit L=10Mh C=40 An lc circuit contains a $$20mh$$ inductor and a $$50\mu f$$ capacitor with an initial charge of $$10mc$$. In an lc oscillator circuit, l = 10mh,c = 40μf. In an l c oscillator circait, l = 10 (m h), c = 40 μ (f). If initially at $t = 0$ the capacitor is fully charged with $4\mu c$ then find. In An Lc Oscillator Circuit L=10Mh C=40.
From www.researchgate.net
LC Oscillator Circuit using unbuffered inverter and switched capacitor In An Lc Oscillator Circuit L=10Mh C=40 If initially at $t = 0$ the capacitor is fully charged with $4\mu c$ then find the current in the circuit. In an lc oscillator circuit, l = 10mh,c = 40μf. In l c circuit the inductance l = 40 mh and capacitance c = 100 μf. The resistance of the circuit is negligible. An lc circuit contains a $$20mh$$. In An Lc Oscillator Circuit L=10Mh C=40.
From www.multisim.com
LC Oscillator Circuit Multisim Live In An Lc Oscillator Circuit L=10Mh C=40 In an lc oscillator circuit $l = 10mh$, $c = 40\mu f$. A circuit containing both an inductor (l) and a capacitor (c) can oscillate without a source of emf by shifting the energy stored in the circuit. In an lc oscillator circuit, l = 10 mh and c = 40 uf. If initially at t = 0, the capacitor. In An Lc Oscillator Circuit L=10Mh C=40.
From www.youtube.com
LC Oscillating Circuit An Explanation YouTube In An Lc Oscillator Circuit L=10Mh C=40 A capacitor of capacitance, c = 25 μ f is fully charged and then connected with an inductor of inductance, l = 10 mh. Let the instant when the circuit is closed be. If initially at t = 0 , the capacitor is fully charged to 4 μ ( c ) , then find the carrent (in ( m a.. In An Lc Oscillator Circuit L=10Mh C=40.
From copyprogramming.com
Capacitor Analysis of an LC Oscillator Circuit In An Lc Oscillator Circuit L=10Mh C=40 A circuit containing both an inductor (l) and a capacitor (c) can oscillate without a source of emf by shifting the energy stored in the circuit. In an lc oscillator circuit, l = 10 mh and c = 40 uf. If initially at t = 0, the capacitor is fully charged to 4μc, then find the current (in ma ). In An Lc Oscillator Circuit L=10Mh C=40.
From www.geeksforgeeks.org
LC Circuit Basics, Formula, Circuit Diagram, and Applications In An Lc Oscillator Circuit L=10Mh C=40 In an lc oscillator circuit, l = 10 mh and c = 40 uf. If initially at t = 0, the capacitor is fully charged to 4μc, then find the current (in ma ) in the circuit when. In l c circuit the inductance l = 40 mh and capacitance c = 100 μf. In an lc oscillator circuit, l. In An Lc Oscillator Circuit L=10Mh C=40.
From www.shutterstock.com
Lc Oscillator Circuit Electrical Circuit Inductor Stock Vector (Royalty In An Lc Oscillator Circuit L=10Mh C=40 Let the instant when the circuit is closed be. If a voltage v t = 10 s i n 314 t is applied to the circuit, the current in the circuit. In l c circuit the inductance l = 40 mh and capacitance c = 100 μf. If initially at t = 0 , the capacitor is fully charged to. In An Lc Oscillator Circuit L=10Mh C=40.
From www.youtube.com
LC oscillators YouTube In An Lc Oscillator Circuit L=10Mh C=40 An lc circuit contains a $$20mh$$ inductor and a $$50\mu f$$ capacitor with an initial charge of $$10mc$$. In an l c oscillator circait, l = 10 (m h), c = 40 μ (f). Let the instant when the circuit is closed be. If initially at t = 0 the capacitor is fully charged with 4 uc, then find the. In An Lc Oscillator Circuit L=10Mh C=40.
From byjus.com
How does an LC oscillator work? In An Lc Oscillator Circuit L=10Mh C=40 Let the instant when the circuit is closed be. A capacitor of capacitance, c = 25 μ f is fully charged and then connected with an inductor of inductance, l = 10 mh. If initially at t = 0, the capacitor is fully charged to 4μc, then find the current (in ma ) in the circuit when. In an lc. In An Lc Oscillator Circuit L=10Mh C=40.
From www.shutterstock.com
Lc Oscillator Circuit Electrical Circuit Inductor Stock Vector (Royalty In An Lc Oscillator Circuit L=10Mh C=40 Let the instant when the circuit is closed be. An lc circuit contains a $$20mh$$ inductor and a $$50\mu f$$ capacitor with an initial charge of $$10mc$$. If initially at $t = 0$ the capacitor is fully charged with $4\mu c$ then find the current in the circuit. In l c circuit the inductance l = 40 mh and capacitance. In An Lc Oscillator Circuit L=10Mh C=40.
From www.chegg.com
Solved 1. At time t=0 capacitor in LC circuit with L=10mH In An Lc Oscillator Circuit L=10Mh C=40 A circuit containing both an inductor (l) and a capacitor (c) can oscillate without a source of emf by shifting the energy stored in the circuit. If initially at t = 0 the capacitor is fully charged with 4 uc, then find the current in the circuit when the. A capacitor of capacitance, c = 25 μ f is fully. In An Lc Oscillator Circuit L=10Mh C=40.
From kunduz.com
[ANSWERED] In an LC oscillator circuit L 10 mH C 40 l If initially at t In An Lc Oscillator Circuit L=10Mh C=40 In l c circuit the inductance l = 40 mh and capacitance c = 100 μf. An lc circuit contains a $$20mh$$ inductor and a $$50\mu f$$ capacitor with an initial charge of $$10mc$$. If a voltage v t = 10 s i n 314 t is applied to the circuit, the current in the circuit. If initially at $t. In An Lc Oscillator Circuit L=10Mh C=40.
From www.toppr.com
(3) 100 KHz (4) 120 KHz In an LC oscillator circuit L = 10 mH, C = 40uF In An Lc Oscillator Circuit L=10Mh C=40 In l c circuit the inductance l = 40 mh and capacitance c = 100 μf. If initially at $t = 0$ the capacitor is fully charged with $4\mu c$ then find the current in the circuit. The resistance of the circuit is negligible. In an lc oscillator circuit $l = 10mh$, $c = 40\mu f$. A circuit containing both. In An Lc Oscillator Circuit L=10Mh C=40.
From loehhxbom.blob.core.windows.net
Transistor Lc Oscillator Circuit at Keith Schott blog In An Lc Oscillator Circuit L=10Mh C=40 A capacitor of capacitance, c = 25 μ f is fully charged and then connected with an inductor of inductance, l = 10 mh. The resistance of the circuit is negligible. If initially at t = 0 , the capacitor is fully charged to 4 μ ( c ) , then find the carrent (in ( m a. In an. In An Lc Oscillator Circuit L=10Mh C=40.
From wiringfixchutzpah.z19.web.core.windows.net
Lc Oscillator Circuit Diagram In An Lc Oscillator Circuit L=10Mh C=40 A circuit containing both an inductor (l) and a capacitor (c) can oscillate without a source of emf by shifting the energy stored in the circuit. In an lc oscillator circuit $l = 10mh$, $c = 40\mu f$. An lc circuit contains a $$20mh$$ inductor and a $$50\mu f$$ capacitor with an initial charge of $$10mc$$. A capacitor of capacitance,. In An Lc Oscillator Circuit L=10Mh C=40.
From byjus.com
An LC circuit contains 0.6H inductor and 25microfarad rate of change of In An Lc Oscillator Circuit L=10Mh C=40 A circuit containing both an inductor (l) and a capacitor (c) can oscillate without a source of emf by shifting the energy stored in the circuit. The ratio of magnitude of. In an l c oscillator circait, l = 10 (m h), c = 40 μ (f). If initially at t = 0, the capacitor is fully charged to 4μc,. In An Lc Oscillator Circuit L=10Mh C=40.
From www.slideserve.com
PPT CHAPTER 13 PowerPoint Presentation, free download ID1449410 In An Lc Oscillator Circuit L=10Mh C=40 If initially at $t = 0$ the capacitor is fully charged with $4\mu c$ then find the current in the circuit. Let the instant when the circuit is closed be. The resistance of the circuit is negligible. The ratio of magnitude of. A circuit containing both an inductor (l) and a capacitor (c) can oscillate without a source of emf. In An Lc Oscillator Circuit L=10Mh C=40.
From www.numerade.com
SOLVED For the oscillator circuit in Figure 6, derive the oscillating In An Lc Oscillator Circuit L=10Mh C=40 Let the instant when the circuit is closed be. In an lc oscillator circuit, l = 10 mh and c = 40 uf. If initially at t = 0 , the capacitor is fully charged to 4 μ ( c ) , then find the carrent (in ( m a. A circuit containing both an inductor (l) and a capacitor. In An Lc Oscillator Circuit L=10Mh C=40.
From www.researchgate.net
The simplified AC equivalent circuit of the LC oscillator Download In An Lc Oscillator Circuit L=10Mh C=40 If initially at t = 0, the capacitor is fully charged to 4μc, then find the current (in ma ) in the circuit when. A capacitor of capacitance, c = 25 μ f is fully charged and then connected with an inductor of inductance, l = 10 mh. In an lc oscillator circuit, l = 10 mh and c =. In An Lc Oscillator Circuit L=10Mh C=40.
From www.multisim.com
LC Oscillator Circuit Multisim Live In An Lc Oscillator Circuit L=10Mh C=40 If initially at t = 0 , the capacitor is fully charged to 4 μ ( c ) , then find the carrent (in ( m a. In l c circuit the inductance l = 40 mh and capacitance c = 100 μf. In an l c oscillator circait, l = 10 (m h), c = 40 μ (f). In. In An Lc Oscillator Circuit L=10Mh C=40.
From www.multisim.com
LC Oscillator Circuit Multisim Live In An Lc Oscillator Circuit L=10Mh C=40 Let the instant when the circuit is closed be. In an lc oscillator circuit, l = 10mh,c = 40μf. The resistance of the circuit is negligible. In an lc oscillator circuit $l = 10mh$, $c = 40\mu f$. The ratio of magnitude of. If initially at t = 0, the capacitor is fully charged to 4μc, then find the current. In An Lc Oscillator Circuit L=10Mh C=40.
From www.researchgate.net
Schematic of the broadband LC voltagecontrolledoscillator (VCO In An Lc Oscillator Circuit L=10Mh C=40 If initially at t = 0 , the capacitor is fully charged to 4 μ ( c ) , then find the carrent (in ( m a. In an lc oscillator circuit, l = 10 mh and c = 40 uf. In an lc oscillator circuit, l = 10mh,c = 40μf. If initially at t = 0 the capacitor is. In An Lc Oscillator Circuit L=10Mh C=40.
From www.geeksforgeeks.org
LC Oscillations In An Lc Oscillator Circuit L=10Mh C=40 In an lc oscillator circuit, l = 10 mh and c = 40 uf. The ratio of magnitude of. An lc circuit contains a $$20mh$$ inductor and a $$50\mu f$$ capacitor with an initial charge of $$10mc$$. In an lc oscillator circuit, l = 10mh,c = 40μf. A circuit containing both an inductor (l) and a capacitor (c) can oscillate. In An Lc Oscillator Circuit L=10Mh C=40.
From electronics.stackexchange.com
Exact name of this circuit (schematic) of an LC oscillator. Is this one In An Lc Oscillator Circuit L=10Mh C=40 In l c circuit the inductance l = 40 mh and capacitance c = 100 μf. If initially at t = 0, the capacitor is fully charged to 4μc, then find the current (in ma ) in the circuit when. In an lc oscillator circuit $l = 10mh$, $c = 40\mu f$. A circuit containing both an inductor (l) and. In An Lc Oscillator Circuit L=10Mh C=40.
From www.youtube.com
LC Oscillator/ LC Oscillator Tank Circuit YouTube In An Lc Oscillator Circuit L=10Mh C=40 A capacitor of capacitance, c = 25 μ f is fully charged and then connected with an inductor of inductance, l = 10 mh. A circuit containing both an inductor (l) and a capacitor (c) can oscillate without a source of emf by shifting the energy stored in the circuit. If a voltage v t = 10 s i n. In An Lc Oscillator Circuit L=10Mh C=40.
From www.vedantu.com
LC Oscillations Important Concepts and Tips for JEE In An Lc Oscillator Circuit L=10Mh C=40 In l c circuit the inductance l = 40 mh and capacitance c = 100 μf. A capacitor of capacitance, c = 25 μ f is fully charged and then connected with an inductor of inductance, l = 10 mh. In an lc oscillator circuit $l = 10mh$, $c = 40\mu f$. If initially at t = 0 the capacitor. In An Lc Oscillator Circuit L=10Mh C=40.
From enginediagramzees.z13.web.core.windows.net
Lc Oscillator Circuit Diagram In An Lc Oscillator Circuit L=10Mh C=40 A capacitor of capacitance, c = 25 μ f is fully charged and then connected with an inductor of inductance, l = 10 mh. If initially at t = 0 the capacitor is fully charged with 4 uc, then find the current in the circuit when the. The resistance of the circuit is negligible. In an l c oscillator circait,. In An Lc Oscillator Circuit L=10Mh C=40.
From www.researchgate.net
(a) Circuit of an LC oscillator with inductance L and capacitance C. We In An Lc Oscillator Circuit L=10Mh C=40 The ratio of magnitude of. In an l c oscillator circait, l = 10 (m h), c = 40 μ (f). Let the instant when the circuit is closed be. If initially at t = 0 , the capacitor is fully charged to 4 μ ( c ) , then find the carrent (in ( m a. In an lc. In An Lc Oscillator Circuit L=10Mh C=40.
From www.toppr.com
In an LC oscillator circuit L = 10 mH,C = 40mu F . If initially at t In An Lc Oscillator Circuit L=10Mh C=40 In an lc oscillator circuit, l = 10mh,c = 40μf. If initially at $t = 0$ the capacitor is fully charged with $4\mu c$ then find the current in the circuit. In an l c oscillator circait, l = 10 (m h), c = 40 μ (f). If initially at t = 0 , the capacitor is fully charged to. In An Lc Oscillator Circuit L=10Mh C=40.
From www.researchgate.net
The simplified AC equivalent circuit of the LC oscillator Download In An Lc Oscillator Circuit L=10Mh C=40 In an lc oscillator circuit, l = 10mh,c = 40μf. Let the instant when the circuit is closed be. In an lc oscillator circuit $l = 10mh$, $c = 40\mu f$. An lc circuit contains a $$20mh$$ inductor and a $$50\mu f$$ capacitor with an initial charge of $$10mc$$. In l c circuit the inductance l = 40 mh and. In An Lc Oscillator Circuit L=10Mh C=40.