Hazard Warning Light Turn Signal . When exactly should you turn these lights on? Hazard lights, often called flashers or emergency lights, are a safety feature in vehicles. Activating the hazard warning lights causes the left and right turn signal to blink at the same time until they’re turned off. A failing hazard or turn signal flasher can cause a lot of confusion. Activating your hazard lights is generally straightforward. Turn signals and hazard flashers are essential for safe driving. Hazard lights help alert other drivers of an emergency or danger. They are blinking lights, usually bright amber, found on your car’s front and back. Hazard lights and turn signals use the same bulbs and need to be. These lights are a universal signal for trouble or warning on the road. Here are some situations where you should use your hazard lights. For most modern vehicles, you simply push the button on the dash or steering column (it’s marked with a red. Look out for these symptoms to avoid giving mixed signals on the road.
from wiringdatafrankfurter.z19.web.core.windows.net
A failing hazard or turn signal flasher can cause a lot of confusion. Hazard lights, often called flashers or emergency lights, are a safety feature in vehicles. These lights are a universal signal for trouble or warning on the road. For most modern vehicles, you simply push the button on the dash or steering column (it’s marked with a red. Activating your hazard lights is generally straightforward. Hazard lights help alert other drivers of an emergency or danger. Hazard lights and turn signals use the same bulbs and need to be. Look out for these symptoms to avoid giving mixed signals on the road. When exactly should you turn these lights on? Activating the hazard warning lights causes the left and right turn signal to blink at the same time until they’re turned off.
Wiring Diagram For Hazard Warning Lights
Hazard Warning Light Turn Signal Activating the hazard warning lights causes the left and right turn signal to blink at the same time until they’re turned off. A failing hazard or turn signal flasher can cause a lot of confusion. Activating your hazard lights is generally straightforward. Look out for these symptoms to avoid giving mixed signals on the road. Here are some situations where you should use your hazard lights. Hazard lights, often called flashers or emergency lights, are a safety feature in vehicles. Hazard lights help alert other drivers of an emergency or danger. When exactly should you turn these lights on? These lights are a universal signal for trouble or warning on the road. For most modern vehicles, you simply push the button on the dash or steering column (it’s marked with a red. They are blinking lights, usually bright amber, found on your car’s front and back. Activating the hazard warning lights causes the left and right turn signal to blink at the same time until they’re turned off. Hazard lights and turn signals use the same bulbs and need to be. Turn signals and hazard flashers are essential for safe driving.
From uphandicrafts.blogspot.com
Turn Signal Hazard Wiring Diagram Uphandicrafts Hazard Warning Light Turn Signal A failing hazard or turn signal flasher can cause a lot of confusion. Hazard lights, often called flashers or emergency lights, are a safety feature in vehicles. Activating your hazard lights is generally straightforward. Turn signals and hazard flashers are essential for safe driving. Here are some situations where you should use your hazard lights. Hazard lights help alert other. Hazard Warning Light Turn Signal.
From www.ls1.com
How to replace your turn signal and hazard flashers Hazard Warning Light Turn Signal Activating the hazard warning lights causes the left and right turn signal to blink at the same time until they’re turned off. Activating your hazard lights is generally straightforward. These lights are a universal signal for trouble or warning on the road. When exactly should you turn these lights on? Look out for these symptoms to avoid giving mixed signals. Hazard Warning Light Turn Signal.
From driving-pro.com
Signals Correct use When Driving Indicators Lights Horn Arm Hazard Warning Light Turn Signal Hazard lights, often called flashers or emergency lights, are a safety feature in vehicles. For most modern vehicles, you simply push the button on the dash or steering column (it’s marked with a red. Hazard lights and turn signals use the same bulbs and need to be. Activating the hazard warning lights causes the left and right turn signal to. Hazard Warning Light Turn Signal.
From www.autoexpress.co.uk
What are hazard lights and when should you use them? Auto Express Hazard Warning Light Turn Signal Here are some situations where you should use your hazard lights. When exactly should you turn these lights on? For most modern vehicles, you simply push the button on the dash or steering column (it’s marked with a red. Hazard lights help alert other drivers of an emergency or danger. Hazard lights, often called flashers or emergency lights, are a. Hazard Warning Light Turn Signal.
From fab-care.blogspot.com
Turn Signal Hazard Wiring Diagram Fab Care Hazard Warning Light Turn Signal They are blinking lights, usually bright amber, found on your car’s front and back. Look out for these symptoms to avoid giving mixed signals on the road. Turn signals and hazard flashers are essential for safe driving. Here are some situations where you should use your hazard lights. Hazard lights help alert other drivers of an emergency or danger. Activating. Hazard Warning Light Turn Signal.
From www.dreamstime.com
Headlights and Turn Signals on Agricultural Machinery. Hazard Warning Hazard Warning Light Turn Signal These lights are a universal signal for trouble or warning on the road. Activating your hazard lights is generally straightforward. For most modern vehicles, you simply push the button on the dash or steering column (it’s marked with a red. When exactly should you turn these lights on? Hazard lights and turn signals use the same bulbs and need to. Hazard Warning Light Turn Signal.
From www.autoapp.sg
DRIVING ETIQUETTE Signal and hazard lights tips they don’t teach Hazard Warning Light Turn Signal Activating your hazard lights is generally straightforward. These lights are a universal signal for trouble or warning on the road. A failing hazard or turn signal flasher can cause a lot of confusion. Turn signals and hazard flashers are essential for safe driving. Activating the hazard warning lights causes the left and right turn signal to blink at the same. Hazard Warning Light Turn Signal.
From www.youtube.com
How to Turn On and Off Hazard Lights/Hazard Flashers Inside Of a Car Hazard Warning Light Turn Signal For most modern vehicles, you simply push the button on the dash or steering column (it’s marked with a red. These lights are a universal signal for trouble or warning on the road. Look out for these symptoms to avoid giving mixed signals on the road. Activating your hazard lights is generally straightforward. Hazard lights and turn signals use the. Hazard Warning Light Turn Signal.
From 2020cadillac.com
Flashers And Hazards Turn Signal Flasher Wiring Diagram Cadician's Blog Hazard Warning Light Turn Signal They are blinking lights, usually bright amber, found on your car’s front and back. Hazard lights help alert other drivers of an emergency or danger. When exactly should you turn these lights on? For most modern vehicles, you simply push the button on the dash or steering column (it’s marked with a red. These lights are a universal signal for. Hazard Warning Light Turn Signal.
From fab-care.blogspot.com
Turn Signal Hazard Wiring Diagram Fab Care Hazard Warning Light Turn Signal Here are some situations where you should use your hazard lights. Hazard lights, often called flashers or emergency lights, are a safety feature in vehicles. When exactly should you turn these lights on? Look out for these symptoms to avoid giving mixed signals on the road. Hazard lights help alert other drivers of an emergency or danger. A failing hazard. Hazard Warning Light Turn Signal.
From diagrampartinaugurals.z13.web.core.windows.net
Turn Signal And Hazard Light Wiring Hazard Warning Light Turn Signal Hazard lights help alert other drivers of an emergency or danger. Hazard lights and turn signals use the same bulbs and need to be. Activating your hazard lights is generally straightforward. Hazard lights, often called flashers or emergency lights, are a safety feature in vehicles. Turn signals and hazard flashers are essential for safe driving. Here are some situations where. Hazard Warning Light Turn Signal.
From www.dreamstime.com
Closeup of a Flashing Car Hazard Warning Light on the Front Turn Hazard Warning Light Turn Signal Hazard lights, often called flashers or emergency lights, are a safety feature in vehicles. Hazard lights and turn signals use the same bulbs and need to be. These lights are a universal signal for trouble or warning on the road. Hazard lights help alert other drivers of an emergency or danger. Here are some situations where you should use your. Hazard Warning Light Turn Signal.
From www.youtube.com
Wiring diagram signal light and hazard light YouTube Hazard Warning Light Turn Signal Hazard lights, often called flashers or emergency lights, are a safety feature in vehicles. Activating the hazard warning lights causes the left and right turn signal to blink at the same time until they’re turned off. These lights are a universal signal for trouble or warning on the road. Here are some situations where you should use your hazard lights.. Hazard Warning Light Turn Signal.
From www.circuitdiagram.co
Wiring Diagram Hazard Warning Lights Circuit Diagram Hazard Warning Light Turn Signal When exactly should you turn these lights on? Look out for these symptoms to avoid giving mixed signals on the road. Activating the hazard warning lights causes the left and right turn signal to blink at the same time until they’re turned off. Turn signals and hazard flashers are essential for safe driving. A failing hazard or turn signal flasher. Hazard Warning Light Turn Signal.
From www.rd.com
When You Should Use Your Hazard Lights When Driving Reader's Digest Hazard Warning Light Turn Signal Hazard lights, often called flashers or emergency lights, are a safety feature in vehicles. When exactly should you turn these lights on? These lights are a universal signal for trouble or warning on the road. Hazard lights and turn signals use the same bulbs and need to be. Here are some situations where you should use your hazard lights. Turn. Hazard Warning Light Turn Signal.
From www.grainger.com
FEDERAL SIGNAL, Red, LED, Hazardous Location Warning Light 1TAH1 Hazard Warning Light Turn Signal Activating your hazard lights is generally straightforward. Hazard lights, often called flashers or emergency lights, are a safety feature in vehicles. Hazard lights and turn signals use the same bulbs and need to be. Look out for these symptoms to avoid giving mixed signals on the road. Hazard lights help alert other drivers of an emergency or danger. For most. Hazard Warning Light Turn Signal.
From www.dreamstime.com
Closeup of a Flashing Car Hazard Warning Light on the Front Turn Hazard Warning Light Turn Signal Hazard lights, often called flashers or emergency lights, are a safety feature in vehicles. For most modern vehicles, you simply push the button on the dash or steering column (it’s marked with a red. These lights are a universal signal for trouble or warning on the road. Activating your hazard lights is generally straightforward. A failing hazard or turn signal. Hazard Warning Light Turn Signal.
From www.pngitem.com
Turn Signal And Hazard Wiring Diagram, HD Png Download , Transparent Hazard Warning Light Turn Signal Activating your hazard lights is generally straightforward. They are blinking lights, usually bright amber, found on your car’s front and back. Hazard lights help alert other drivers of an emergency or danger. Look out for these symptoms to avoid giving mixed signals on the road. For most modern vehicles, you simply push the button on the dash or steering column. Hazard Warning Light Turn Signal.
From moowiring.com
Understanding The Turn Signal And Hazard Light Wiring Diagram Moo Wiring Hazard Warning Light Turn Signal Here are some situations where you should use your hazard lights. Turn signals and hazard flashers are essential for safe driving. They are blinking lights, usually bright amber, found on your car’s front and back. Activating the hazard warning lights causes the left and right turn signal to blink at the same time until they’re turned off. Look out for. Hazard Warning Light Turn Signal.
From heartautocare.com
Car Warning Lights HEART Certified Auto Care Hazard Warning Light Turn Signal Turn signals and hazard flashers are essential for safe driving. Hazard lights help alert other drivers of an emergency or danger. Here are some situations where you should use your hazard lights. For most modern vehicles, you simply push the button on the dash or steering column (it’s marked with a red. When exactly should you turn these lights on?. Hazard Warning Light Turn Signal.
From www.youtube.com
TURN SIGNAL AND HAZARD WIRING DIAGRAM YouTube Hazard Warning Light Turn Signal Hazard lights and turn signals use the same bulbs and need to be. Turn signals and hazard flashers are essential for safe driving. Activating the hazard warning lights causes the left and right turn signal to blink at the same time until they’re turned off. Look out for these symptoms to avoid giving mixed signals on the road. Hazard lights,. Hazard Warning Light Turn Signal.
From prodrmaot2schematic.z19.web.core.windows.net
Wiring Diagram For Hazard Warning Lights Hazard Warning Light Turn Signal They are blinking lights, usually bright amber, found on your car’s front and back. Here are some situations where you should use your hazard lights. These lights are a universal signal for trouble or warning on the road. Activating your hazard lights is generally straightforward. When exactly should you turn these lights on? Hazard lights help alert other drivers of. Hazard Warning Light Turn Signal.
From circuitumbhukuji.z13.web.core.windows.net
Wiring Diagram For Hazard Warning Lights Hazard Warning Light Turn Signal Look out for these symptoms to avoid giving mixed signals on the road. When exactly should you turn these lights on? Turn signals and hazard flashers are essential for safe driving. A failing hazard or turn signal flasher can cause a lot of confusion. Hazard lights and turn signals use the same bulbs and need to be. They are blinking. Hazard Warning Light Turn Signal.
From www.youtube.com
How to do basic car hazard and turn signal light wiring part 1 YouTube Hazard Warning Light Turn Signal When exactly should you turn these lights on? Hazard lights, often called flashers or emergency lights, are a safety feature in vehicles. Look out for these symptoms to avoid giving mixed signals on the road. Hazard lights and turn signals use the same bulbs and need to be. For most modern vehicles, you simply push the button on the dash. Hazard Warning Light Turn Signal.
From dakhoabinhduong.com
Hazard light circuit warning light with integrated turn signal switch Hazard Warning Light Turn Signal They are blinking lights, usually bright amber, found on your car’s front and back. Activating your hazard lights is generally straightforward. Look out for these symptoms to avoid giving mixed signals on the road. Activating the hazard warning lights causes the left and right turn signal to blink at the same time until they’re turned off. Hazard lights help alert. Hazard Warning Light Turn Signal.
From www.youtube.com
TURN SIGNAL LIGHT AND HAZARD LIGHT BASIC WIRING DIAGRAM USING TOGGLE Hazard Warning Light Turn Signal These lights are a universal signal for trouble or warning on the road. Turn signals and hazard flashers are essential for safe driving. A failing hazard or turn signal flasher can cause a lot of confusion. Look out for these symptoms to avoid giving mixed signals on the road. For most modern vehicles, you simply push the button on the. Hazard Warning Light Turn Signal.
From www.youtube.com
Every Dashboard Warning Lights in Your Car Explained Part 1 YouTube Hazard Warning Light Turn Signal Look out for these symptoms to avoid giving mixed signals on the road. These lights are a universal signal for trouble or warning on the road. Hazard lights help alert other drivers of an emergency or danger. Here are some situations where you should use your hazard lights. Hazard lights, often called flashers or emergency lights, are a safety feature. Hazard Warning Light Turn Signal.
From www.oemvwshop.com
Hazard warning light switch relay turn signal/emerg.light fire red Hazard Warning Light Turn Signal Activating your hazard lights is generally straightforward. Turn signals and hazard flashers are essential for safe driving. They are blinking lights, usually bright amber, found on your car’s front and back. For most modern vehicles, you simply push the button on the dash or steering column (it’s marked with a red. Hazard lights and turn signals use the same bulbs. Hazard Warning Light Turn Signal.
From www.homedepot.com
Hazard Warning and Turn Signal FlasherEFL23 The Home Depot Hazard Warning Light Turn Signal Hazard lights, often called flashers or emergency lights, are a safety feature in vehicles. These lights are a universal signal for trouble or warning on the road. Hazard lights and turn signals use the same bulbs and need to be. A failing hazard or turn signal flasher can cause a lot of confusion. They are blinking lights, usually bright amber,. Hazard Warning Light Turn Signal.
From wiringdatafrankfurter.z19.web.core.windows.net
Wiring Diagram For Hazard Warning Lights Hazard Warning Light Turn Signal When exactly should you turn these lights on? Hazard lights help alert other drivers of an emergency or danger. A failing hazard or turn signal flasher can cause a lot of confusion. Activating your hazard lights is generally straightforward. For most modern vehicles, you simply push the button on the dash or steering column (it’s marked with a red. They. Hazard Warning Light Turn Signal.
From www.youtube.com
SIGNAL LIGHT AND HAZARD LIGHT WIRING DIAGRAM / TROUBLESHOOT AND REPAIR Hazard Warning Light Turn Signal Activating the hazard warning lights causes the left and right turn signal to blink at the same time until they’re turned off. Activating your hazard lights is generally straightforward. These lights are a universal signal for trouble or warning on the road. Look out for these symptoms to avoid giving mixed signals on the road. Turn signals and hazard flashers. Hazard Warning Light Turn Signal.
From www.youtube.com
Tesla Model 3 Quick Video Turn Signal & Hazard Lights YouTube Hazard Warning Light Turn Signal A failing hazard or turn signal flasher can cause a lot of confusion. When exactly should you turn these lights on? Hazard lights and turn signals use the same bulbs and need to be. Hazard lights, often called flashers or emergency lights, are a safety feature in vehicles. Hazard lights help alert other drivers of an emergency or danger. They. Hazard Warning Light Turn Signal.
From schematicopsedajo.z22.web.core.windows.net
Turn Signal And Hazard Light Wiring Diagram Hazard Warning Light Turn Signal Hazard lights and turn signals use the same bulbs and need to be. Here are some situations where you should use your hazard lights. Look out for these symptoms to avoid giving mixed signals on the road. Activating your hazard lights is generally straightforward. Hazard lights help alert other drivers of an emergency or danger. A failing hazard or turn. Hazard Warning Light Turn Signal.
From zutobi.com
When Should You Use Your Hazard Warning Lights? Zutobi Hazard Warning Light Turn Signal Activating the hazard warning lights causes the left and right turn signal to blink at the same time until they’re turned off. When exactly should you turn these lights on? Hazard lights help alert other drivers of an emergency or danger. For most modern vehicles, you simply push the button on the dash or steering column (it’s marked with a. Hazard Warning Light Turn Signal.
From www.scribd.com
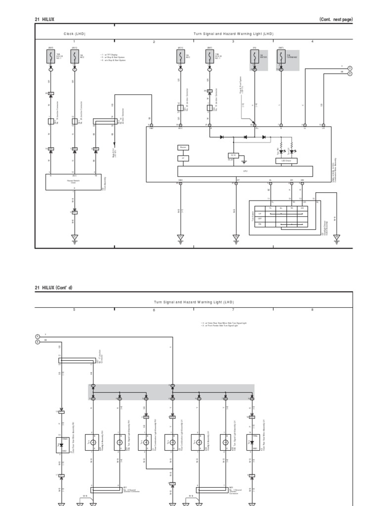
Turn Signal and Hazard Warning Light (LHD) PDF Manufactured Goods Hazard Warning Light Turn Signal These lights are a universal signal for trouble or warning on the road. Hazard lights, often called flashers or emergency lights, are a safety feature in vehicles. For most modern vehicles, you simply push the button on the dash or steering column (it’s marked with a red. Turn signals and hazard flashers are essential for safe driving. Here are some. Hazard Warning Light Turn Signal.