Throttling Valve Temperature Change . In thermodynamics, throttling refers to a process where a fluid undergoes a rapid and irreversible expansion through a valve or a throttle. No work is done, w =. In summary, throttling valves are used to reduce the pressure of a flow by applying the first law of thermodynamics, which states. A throttling process is defined as a process in which there is no change in enthalpy from state one to state two, h1 = h2; Throttling valves are devices used to control the flow rate of fluids by restricting their passage, which often results in a pressure drop and. The directional change in the temperature when the pressure is decreased (dp < 0) across a valve is dictated by the algebraic.
from slideplayer.com
Throttling valves are devices used to control the flow rate of fluids by restricting their passage, which often results in a pressure drop and. No work is done, w =. The directional change in the temperature when the pressure is decreased (dp < 0) across a valve is dictated by the algebraic. In thermodynamics, throttling refers to a process where a fluid undergoes a rapid and irreversible expansion through a valve or a throttle. In summary, throttling valves are used to reduce the pressure of a flow by applying the first law of thermodynamics, which states. A throttling process is defined as a process in which there is no change in enthalpy from state one to state two, h1 = h2;
1st LAW OF THERMODYNAMICS ppt download
Throttling Valve Temperature Change The directional change in the temperature when the pressure is decreased (dp < 0) across a valve is dictated by the algebraic. Throttling valves are devices used to control the flow rate of fluids by restricting their passage, which often results in a pressure drop and. No work is done, w =. A throttling process is defined as a process in which there is no change in enthalpy from state one to state two, h1 = h2; In summary, throttling valves are used to reduce the pressure of a flow by applying the first law of thermodynamics, which states. In thermodynamics, throttling refers to a process where a fluid undergoes a rapid and irreversible expansion through a valve or a throttle. The directional change in the temperature when the pressure is decreased (dp < 0) across a valve is dictated by the algebraic.
From www.marketsmartb2b.com
What is Throttling Valves? Application, Definition, and Working? Throttling Valve Temperature Change A throttling process is defined as a process in which there is no change in enthalpy from state one to state two, h1 = h2; The directional change in the temperature when the pressure is decreased (dp < 0) across a valve is dictated by the algebraic. Throttling valves are devices used to control the flow rate of fluids by. Throttling Valve Temperature Change.
From www.nuclear-power.com
Example of Throttling and Isenthalpic Process Throttling Valve Temperature Change The directional change in the temperature when the pressure is decreased (dp < 0) across a valve is dictated by the algebraic. In summary, throttling valves are used to reduce the pressure of a flow by applying the first law of thermodynamics, which states. A throttling process is defined as a process in which there is no change in enthalpy. Throttling Valve Temperature Change.
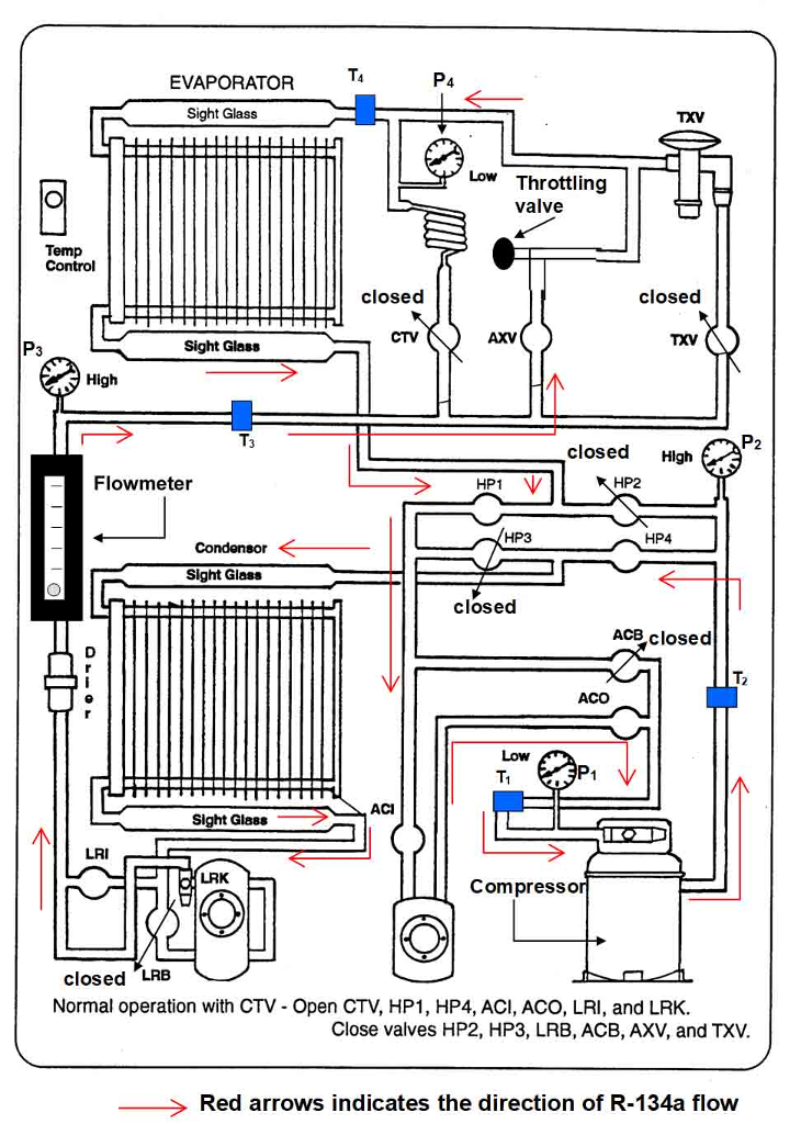
From www.chegg.com
Solved EVAPORATOR 4 Sight Glass Low Throttling valve Temp Throttling Valve Temperature Change No work is done, w =. In thermodynamics, throttling refers to a process where a fluid undergoes a rapid and irreversible expansion through a valve or a throttle. The directional change in the temperature when the pressure is decreased (dp < 0) across a valve is dictated by the algebraic. A throttling process is defined as a process in which. Throttling Valve Temperature Change.
From chempedia.info
Suction throttling Big Chemical Encyclopedia Throttling Valve Temperature Change In summary, throttling valves are used to reduce the pressure of a flow by applying the first law of thermodynamics, which states. The directional change in the temperature when the pressure is decreased (dp < 0) across a valve is dictated by the algebraic. Throttling valves are devices used to control the flow rate of fluids by restricting their passage,. Throttling Valve Temperature Change.
From www.slideserve.com
PPT The First Law of Thermodynamics PowerPoint Presentation ID257602 Throttling Valve Temperature Change In summary, throttling valves are used to reduce the pressure of a flow by applying the first law of thermodynamics, which states. Throttling valves are devices used to control the flow rate of fluids by restricting their passage, which often results in a pressure drop and. The directional change in the temperature when the pressure is decreased (dp < 0). Throttling Valve Temperature Change.
From www.alibaba.com
Interchangeable & Adjustable Thermostatic Expansion Vave Gives Fast Throttling Valve Temperature Change The directional change in the temperature when the pressure is decreased (dp < 0) across a valve is dictated by the algebraic. A throttling process is defined as a process in which there is no change in enthalpy from state one to state two, h1 = h2; Throttling valves are devices used to control the flow rate of fluids by. Throttling Valve Temperature Change.
From www.slideserve.com
PPT The First Law of Thermodynamics PowerPoint Presentation, free Throttling Valve Temperature Change A throttling process is defined as a process in which there is no change in enthalpy from state one to state two, h1 = h2; No work is done, w =. The directional change in the temperature when the pressure is decreased (dp < 0) across a valve is dictated by the algebraic. In thermodynamics, throttling refers to a process. Throttling Valve Temperature Change.
From www.youtube.com
Thermodynamics Example, Throttle valve 2 YouTube Throttling Valve Temperature Change The directional change in the temperature when the pressure is decreased (dp < 0) across a valve is dictated by the algebraic. Throttling valves are devices used to control the flow rate of fluids by restricting their passage, which often results in a pressure drop and. A throttling process is defined as a process in which there is no change. Throttling Valve Temperature Change.
From www.researchgate.net
Throttle valve assembly. Download Scientific Diagram Throttling Valve Temperature Change The directional change in the temperature when the pressure is decreased (dp < 0) across a valve is dictated by the algebraic. In thermodynamics, throttling refers to a process where a fluid undergoes a rapid and irreversible expansion through a valve or a throttle. In summary, throttling valves are used to reduce the pressure of a flow by applying the. Throttling Valve Temperature Change.
From www.slideserve.com
PPT The First Law of Thermodynamics PowerPoint Presentation, free Throttling Valve Temperature Change In thermodynamics, throttling refers to a process where a fluid undergoes a rapid and irreversible expansion through a valve or a throttle. Throttling valves are devices used to control the flow rate of fluids by restricting their passage, which often results in a pressure drop and. In summary, throttling valves are used to reduce the pressure of a flow by. Throttling Valve Temperature Change.
From www.slideserve.com
PPT The First Law of Thermodynamics PowerPoint Presentation, free Throttling Valve Temperature Change The directional change in the temperature when the pressure is decreased (dp < 0) across a valve is dictated by the algebraic. In summary, throttling valves are used to reduce the pressure of a flow by applying the first law of thermodynamics, which states. Throttling valves are devices used to control the flow rate of fluids by restricting their passage,. Throttling Valve Temperature Change.
From www.scribd.com
Throttle Position Test Temperature Changes at Varying Engine Loads Throttling Valve Temperature Change Throttling valves are devices used to control the flow rate of fluids by restricting their passage, which often results in a pressure drop and. A throttling process is defined as a process in which there is no change in enthalpy from state one to state two, h1 = h2; In thermodynamics, throttling refers to a process where a fluid undergoes. Throttling Valve Temperature Change.
From www.slideserve.com
PPT Thermodynamics Review PowerPoint Presentation, free download ID Throttling Valve Temperature Change In summary, throttling valves are used to reduce the pressure of a flow by applying the first law of thermodynamics, which states. Throttling valves are devices used to control the flow rate of fluids by restricting their passage, which often results in a pressure drop and. No work is done, w =. A throttling process is defined as a process. Throttling Valve Temperature Change.
From www.chegg.com
Solved The figure below provides steadystate data for a Throttling Valve Temperature Change The directional change in the temperature when the pressure is decreased (dp < 0) across a valve is dictated by the algebraic. In thermodynamics, throttling refers to a process where a fluid undergoes a rapid and irreversible expansion through a valve or a throttle. A throttling process is defined as a process in which there is no change in enthalpy. Throttling Valve Temperature Change.
From www.youtube.com
Example Finding the exit temperature of a throttling device YouTube Throttling Valve Temperature Change The directional change in the temperature when the pressure is decreased (dp < 0) across a valve is dictated by the algebraic. In summary, throttling valves are used to reduce the pressure of a flow by applying the first law of thermodynamics, which states. A throttling process is defined as a process in which there is no change in enthalpy. Throttling Valve Temperature Change.
From www.slideserve.com
PPT Flow Devices PowerPoint Presentation, free download ID3284806 Throttling Valve Temperature Change The directional change in the temperature when the pressure is decreased (dp < 0) across a valve is dictated by the algebraic. In thermodynamics, throttling refers to a process where a fluid undergoes a rapid and irreversible expansion through a valve or a throttle. No work is done, w =. Throttling valves are devices used to control the flow rate. Throttling Valve Temperature Change.
From slideplayer.com
An Engineering Approach ppt download Throttling Valve Temperature Change The directional change in the temperature when the pressure is decreased (dp < 0) across a valve is dictated by the algebraic. In summary, throttling valves are used to reduce the pressure of a flow by applying the first law of thermodynamics, which states. Throttling valves are devices used to control the flow rate of fluids by restricting their passage,. Throttling Valve Temperature Change.
From www.youtube.com
Entropy generation during a throttling process YouTube Throttling Valve Temperature Change In thermodynamics, throttling refers to a process where a fluid undergoes a rapid and irreversible expansion through a valve or a throttle. No work is done, w =. A throttling process is defined as a process in which there is no change in enthalpy from state one to state two, h1 = h2; In summary, throttling valves are used to. Throttling Valve Temperature Change.
From slideplayer.com
Lecture 11 Critical point and real gases ppt download Throttling Valve Temperature Change In thermodynamics, throttling refers to a process where a fluid undergoes a rapid and irreversible expansion through a valve or a throttle. A throttling process is defined as a process in which there is no change in enthalpy from state one to state two, h1 = h2; In summary, throttling valves are used to reduce the pressure of a flow. Throttling Valve Temperature Change.
From www.slideserve.com
PPT The First Law of Thermodynamics PowerPoint Presentation, free Throttling Valve Temperature Change In summary, throttling valves are used to reduce the pressure of a flow by applying the first law of thermodynamics, which states. No work is done, w =. The directional change in the temperature when the pressure is decreased (dp < 0) across a valve is dictated by the algebraic. In thermodynamics, throttling refers to a process where a fluid. Throttling Valve Temperature Change.
From www.slideserve.com
PPT The First Law of Thermodynamics PowerPoint Presentation, free Throttling Valve Temperature Change In thermodynamics, throttling refers to a process where a fluid undergoes a rapid and irreversible expansion through a valve or a throttle. In summary, throttling valves are used to reduce the pressure of a flow by applying the first law of thermodynamics, which states. Throttling valves are devices used to control the flow rate of fluids by restricting their passage,. Throttling Valve Temperature Change.
From www.youtube.com
Throttling Process YouTube Throttling Valve Temperature Change Throttling valves are devices used to control the flow rate of fluids by restricting their passage, which often results in a pressure drop and. No work is done, w =. A throttling process is defined as a process in which there is no change in enthalpy from state one to state two, h1 = h2; In thermodynamics, throttling refers to. Throttling Valve Temperature Change.
From www.youtube.com
Steady Flow Systems Throttling Valves Thermodynamics (Solved Throttling Valve Temperature Change The directional change in the temperature when the pressure is decreased (dp < 0) across a valve is dictated by the algebraic. A throttling process is defined as a process in which there is no change in enthalpy from state one to state two, h1 = h2; Throttling valves are devices used to control the flow rate of fluids by. Throttling Valve Temperature Change.
From slideplayer.com
1st LAW OF THERMODYNAMICS ppt download Throttling Valve Temperature Change The directional change in the temperature when the pressure is decreased (dp < 0) across a valve is dictated by the algebraic. No work is done, w =. Throttling valves are devices used to control the flow rate of fluids by restricting their passage, which often results in a pressure drop and. In summary, throttling valves are used to reduce. Throttling Valve Temperature Change.
From www.chegg.com
Solved The figure below provides steadystate data for a Throttling Valve Temperature Change In summary, throttling valves are used to reduce the pressure of a flow by applying the first law of thermodynamics, which states. No work is done, w =. A throttling process is defined as a process in which there is no change in enthalpy from state one to state two, h1 = h2; The directional change in the temperature when. Throttling Valve Temperature Change.
From www.youtube.com
Throttling of steam. How to find the temperature after throttling Throttling Valve Temperature Change The directional change in the temperature when the pressure is decreased (dp < 0) across a valve is dictated by the algebraic. Throttling valves are devices used to control the flow rate of fluids by restricting their passage, which often results in a pressure drop and. In thermodynamics, throttling refers to a process where a fluid undergoes a rapid and. Throttling Valve Temperature Change.
From www.researchgate.net
(a) Comparing the COP based on evaporation temperature of throttling Throttling Valve Temperature Change In summary, throttling valves are used to reduce the pressure of a flow by applying the first law of thermodynamics, which states. The directional change in the temperature when the pressure is decreased (dp < 0) across a valve is dictated by the algebraic. Throttling valves are devices used to control the flow rate of fluids by restricting their passage,. Throttling Valve Temperature Change.
From www.researchgate.net
Schematic diagram of throttling process Download Scientific Diagram Throttling Valve Temperature Change In summary, throttling valves are used to reduce the pressure of a flow by applying the first law of thermodynamics, which states. Throttling valves are devices used to control the flow rate of fluids by restricting their passage, which often results in a pressure drop and. The directional change in the temperature when the pressure is decreased (dp < 0). Throttling Valve Temperature Change.
From www.slideserve.com
PPT The First Law of Thermodynamics PowerPoint Presentation, free Throttling Valve Temperature Change The directional change in the temperature when the pressure is decreased (dp < 0) across a valve is dictated by the algebraic. A throttling process is defined as a process in which there is no change in enthalpy from state one to state two, h1 = h2; In summary, throttling valves are used to reduce the pressure of a flow. Throttling Valve Temperature Change.
From www.slideserve.com
PPT The First Law of Thermodynamics PowerPoint Presentation, free Throttling Valve Temperature Change Throttling valves are devices used to control the flow rate of fluids by restricting their passage, which often results in a pressure drop and. In thermodynamics, throttling refers to a process where a fluid undergoes a rapid and irreversible expansion through a valve or a throttle. The directional change in the temperature when the pressure is decreased (dp < 0). Throttling Valve Temperature Change.
From www.researchgate.net
(a) Exergy efficiency based on evaporator's temperature with throttling Throttling Valve Temperature Change The directional change in the temperature when the pressure is decreased (dp < 0) across a valve is dictated by the algebraic. A throttling process is defined as a process in which there is no change in enthalpy from state one to state two, h1 = h2; Throttling valves are devices used to control the flow rate of fluids by. Throttling Valve Temperature Change.
From www.researchgate.net
Influence of intake throttling valve closure on DOC inlet temperature Throttling Valve Temperature Change No work is done, w =. The directional change in the temperature when the pressure is decreased (dp < 0) across a valve is dictated by the algebraic. A throttling process is defined as a process in which there is no change in enthalpy from state one to state two, h1 = h2; In thermodynamics, throttling refers to a process. Throttling Valve Temperature Change.
From www.chegg.com
Solved 10. A throttle valve lowers the water pressure from Throttling Valve Temperature Change A throttling process is defined as a process in which there is no change in enthalpy from state one to state two, h1 = h2; No work is done, w =. In summary, throttling valves are used to reduce the pressure of a flow by applying the first law of thermodynamics, which states. In thermodynamics, throttling refers to a process. Throttling Valve Temperature Change.
From systemfirefighting.blogspot.com
Fire fighting system for building Throttling valve thermodynamics Throttling Valve Temperature Change The directional change in the temperature when the pressure is decreased (dp < 0) across a valve is dictated by the algebraic. A throttling process is defined as a process in which there is no change in enthalpy from state one to state two, h1 = h2; In summary, throttling valves are used to reduce the pressure of a flow. Throttling Valve Temperature Change.
From www.researchgate.net
Internal structure of throttle valve. Download Scientific Diagram Throttling Valve Temperature Change In thermodynamics, throttling refers to a process where a fluid undergoes a rapid and irreversible expansion through a valve or a throttle. The directional change in the temperature when the pressure is decreased (dp < 0) across a valve is dictated by the algebraic. No work is done, w =. A throttling process is defined as a process in which. Throttling Valve Temperature Change.