Monoprice Tube Amp Schematic . the end result is a huge improvement. *update* i've had several requests for a file of the schematic i drew. the monoprice 15 watt tube amp schematic includes information about the power supply, preamp, tone controls, and output stage. i review the schematic for the monoprice stage right 15 watt tube amp. You can find it here:. the el84 tube is the tube that powered the mullard amplifiers favored by the british invasion bands of the 1960s. Be sure to always keep items clear of this tube amp. It can produce a full output from. It also specifies the types and values of all the components used in the circuit, such as. after a couple of weeks of research into a schematic for this amp, as well as the schematic for the laney cub 12r and other amps, i've only come to find that the differences between the monoprice and. When the amp is used for.
from www.reddit.com
It can produce a full output from. You can find it here:. When the amp is used for. the el84 tube is the tube that powered the mullard amplifiers favored by the british invasion bands of the 1960s. It also specifies the types and values of all the components used in the circuit, such as. i review the schematic for the monoprice stage right 15 watt tube amp. the monoprice 15 watt tube amp schematic includes information about the power supply, preamp, tone controls, and output stage. Be sure to always keep items clear of this tube amp. *update* i've had several requests for a file of the schematic i drew. after a couple of weeks of research into a schematic for this amp, as well as the schematic for the laney cub 12r and other amps, i've only come to find that the differences between the monoprice and.
Monoprice Pure Tube Amp setup r/BudgetAudiophile
Monoprice Tube Amp Schematic i review the schematic for the monoprice stage right 15 watt tube amp. i review the schematic for the monoprice stage right 15 watt tube amp. the monoprice 15 watt tube amp schematic includes information about the power supply, preamp, tone controls, and output stage. *update* i've had several requests for a file of the schematic i drew. It can produce a full output from. Be sure to always keep items clear of this tube amp. It also specifies the types and values of all the components used in the circuit, such as. You can find it here:. after a couple of weeks of research into a schematic for this amp, as well as the schematic for the laney cub 12r and other amps, i've only come to find that the differences between the monoprice and. the el84 tube is the tube that powered the mullard amplifiers favored by the british invasion bands of the 1960s. When the amp is used for. the end result is a huge improvement.
From forum.polkaudio.com
Monoprice 50w Hybrid Amp Page 3 — Polk Audio Forum Monoprice Tube Amp Schematic When the amp is used for. i review the schematic for the monoprice stage right 15 watt tube amp. the monoprice 15 watt tube amp schematic includes information about the power supply, preamp, tone controls, and output stage. the end result is a huge improvement. You can find it here:. after a couple of weeks of. Monoprice Tube Amp Schematic.
From www.reddit.com
Schematic for an 8 Watt Single Ended Tube Amplifier. diytubes Monoprice Tube Amp Schematic Be sure to always keep items clear of this tube amp. It can produce a full output from. i review the schematic for the monoprice stage right 15 watt tube amp. the end result is a huge improvement. It also specifies the types and values of all the components used in the circuit, such as. When the amp. Monoprice Tube Amp Schematic.
From www.electronictoolbox.com
Stage Right By Monoprice Sb20 50Watt All Tube 2Channel Guitar Amp Monoprice Tube Amp Schematic after a couple of weeks of research into a schematic for this amp, as well as the schematic for the laney cub 12r and other amps, i've only come to find that the differences between the monoprice and. the end result is a huge improvement. Be sure to always keep items clear of this tube amp. It also. Monoprice Tube Amp Schematic.
From www.vguitarforums.com
MonoPrice 15 Watt Tube Amp Monoprice Tube Amp Schematic after a couple of weeks of research into a schematic for this amp, as well as the schematic for the laney cub 12r and other amps, i've only come to find that the differences between the monoprice and. Be sure to always keep items clear of this tube amp. *update* i've had several requests for a file of the. Monoprice Tube Amp Schematic.
From forum.polkaudio.com
Monoprice tube amp? — Polk Audio Forum Monoprice Tube Amp Schematic the el84 tube is the tube that powered the mullard amplifiers favored by the british invasion bands of the 1960s. Be sure to always keep items clear of this tube amp. after a couple of weeks of research into a schematic for this amp, as well as the schematic for the laney cub 12r and other amps, i've. Monoprice Tube Amp Schematic.
From www.lupon.gov.ph
Monoprice Pure Tube Stereo Amplifier With Bluetooth Line And Phono Monoprice Tube Amp Schematic the end result is a huge improvement. Be sure to always keep items clear of this tube amp. It also specifies the types and values of all the components used in the circuit, such as. *update* i've had several requests for a file of the schematic i drew. You can find it here:. after a couple of weeks. Monoprice Tube Amp Schematic.
From engineenginereiniger.z19.web.core.windows.net
Monoprice Tube Amp Schematic Monoprice Tube Amp Schematic the end result is a huge improvement. Be sure to always keep items clear of this tube amp. i review the schematic for the monoprice stage right 15 watt tube amp. *update* i've had several requests for a file of the schematic i drew. It also specifies the types and values of all the components used in the. Monoprice Tube Amp Schematic.
From www.vguitarforums.com
MonoPrice 15 Watt Tube Amp Monoprice Tube Amp Schematic It also specifies the types and values of all the components used in the circuit, such as. You can find it here:. after a couple of weeks of research into a schematic for this amp, as well as the schematic for the laney cub 12r and other amps, i've only come to find that the differences between the monoprice. Monoprice Tube Amp Schematic.
From www.monoprice.com
Tube Amp with Bluetooth 25watt Stereo Hybrid Monoprice Tube Amp Schematic the monoprice 15 watt tube amp schematic includes information about the power supply, preamp, tone controls, and output stage. *update* i've had several requests for a file of the schematic i drew. You can find it here:. Be sure to always keep items clear of this tube amp. i review the schematic for the monoprice stage right 15. Monoprice Tube Amp Schematic.
From wirepartrefugio.z21.web.core.windows.net
Monoprice 5 Watt Tube Amp Schematic Monoprice Tube Amp Schematic i review the schematic for the monoprice stage right 15 watt tube amp. *update* i've had several requests for a file of the schematic i drew. When the amp is used for. It can produce a full output from. the monoprice 15 watt tube amp schematic includes information about the power supply, preamp, tone controls, and output stage.. Monoprice Tube Amp Schematic.
From www.tdpri.com
5E3 Tweed Deluxe build using an inexpensive Monoprice 15W tube amp for Monoprice Tube Amp Schematic Be sure to always keep items clear of this tube amp. the el84 tube is the tube that powered the mullard amplifiers favored by the british invasion bands of the 1960s. i review the schematic for the monoprice stage right 15 watt tube amp. after a couple of weeks of research into a schematic for this amp,. Monoprice Tube Amp Schematic.
From www.circuit-finder.com
How to build Tube power amplifier 5W with EL84 circuit diagram Monoprice Tube Amp Schematic the end result is a huge improvement. after a couple of weeks of research into a schematic for this amp, as well as the schematic for the laney cub 12r and other amps, i've only come to find that the differences between the monoprice and. i review the schematic for the monoprice stage right 15 watt tube. Monoprice Tube Amp Schematic.
From guidewiringpaul.z13.web.core.windows.net
Monoprice Tube Amp Schematic Monoprice Tube Amp Schematic i review the schematic for the monoprice stage right 15 watt tube amp. the monoprice 15 watt tube amp schematic includes information about the power supply, preamp, tone controls, and output stage. *update* i've had several requests for a file of the schematic i drew. the el84 tube is the tube that powered the mullard amplifiers favored. Monoprice Tube Amp Schematic.
From www.walmart.com
Monoprice Stereo Hybrid Tube Amplifier 2019 Edition, 25 Watt With Monoprice Tube Amp Schematic the monoprice 15 watt tube amp schematic includes information about the power supply, preamp, tone controls, and output stage. the el84 tube is the tube that powered the mullard amplifiers favored by the british invasion bands of the 1960s. It also specifies the types and values of all the components used in the circuit, such as. after. Monoprice Tube Amp Schematic.
From www.tdpri.com
NAD Monoprice Stage Right 15W Tube Amp Telecaster Guitar Forum Monoprice Tube Amp Schematic It also specifies the types and values of all the components used in the circuit, such as. Be sure to always keep items clear of this tube amp. the monoprice 15 watt tube amp schematic includes information about the power supply, preamp, tone controls, and output stage. *update* i've had several requests for a file of the schematic i. Monoprice Tube Amp Schematic.
From www.amazon.ca
Monoprice 611815 15Watt, 1 x 12 Guitar Combo Tube Amplifier with Monoprice Tube Amp Schematic the monoprice 15 watt tube amp schematic includes information about the power supply, preamp, tone controls, and output stage. Be sure to always keep items clear of this tube amp. It can produce a full output from. *update* i've had several requests for a file of the schematic i drew. You can find it here:. the end result. Monoprice Tube Amp Schematic.
From www.vguitarforums.com
MonoPrice 15 Watt Tube Amp Monoprice Tube Amp Schematic the end result is a huge improvement. It can produce a full output from. You can find it here:. *update* i've had several requests for a file of the schematic i drew. the el84 tube is the tube that powered the mullard amplifiers favored by the british invasion bands of the 1960s. When the amp is used for.. Monoprice Tube Amp Schematic.
From www.wiringdigital.com
Diy Solid State Guitar Amp Schematics » Wiring Digital And Schematic Monoprice Tube Amp Schematic It can produce a full output from. after a couple of weeks of research into a schematic for this amp, as well as the schematic for the laney cub 12r and other amps, i've only come to find that the differences between the monoprice and. When the amp is used for. Be sure to always keep items clear of. Monoprice Tube Amp Schematic.
From el34world.com
Tube Amp Schematics, Tube Amp Information, Tube Amp Projects Monoprice Tube Amp Schematic When the amp is used for. the end result is a huge improvement. *update* i've had several requests for a file of the schematic i drew. It can produce a full output from. the monoprice 15 watt tube amp schematic includes information about the power supply, preamp, tone controls, and output stage. i review the schematic for. Monoprice Tube Amp Schematic.
From audiophilepure.com
MONOPRICE PURE TUBE STEREO AMPLIFIER 359 REVIEW Audiophilepure Monoprice Tube Amp Schematic Be sure to always keep items clear of this tube amp. the end result is a huge improvement. You can find it here:. *update* i've had several requests for a file of the schematic i drew. i review the schematic for the monoprice stage right 15 watt tube amp. the el84 tube is the tube that powered. Monoprice Tube Amp Schematic.
From www.forums.stevehoffman.tv
149 Monoprice Tube Hybrid Amp Page 3 Steve Hoffman Music Forums Monoprice Tube Amp Schematic the monoprice 15 watt tube amp schematic includes information about the power supply, preamp, tone controls, and output stage. the el84 tube is the tube that powered the mullard amplifiers favored by the british invasion bands of the 1960s. i review the schematic for the monoprice stage right 15 watt tube amp. You can find it here:.. Monoprice Tube Amp Schematic.
From www.thegearpage.net
Monoprice Stage Right 15W circuit modification? The Gear Page Monoprice Tube Amp Schematic the monoprice 15 watt tube amp schematic includes information about the power supply, preamp, tone controls, and output stage. the end result is a huge improvement. after a couple of weeks of research into a schematic for this amp, as well as the schematic for the laney cub 12r and other amps, i've only come to find. Monoprice Tube Amp Schematic.
From www.monoprice.com
Monoprice 50 Watt Stereo Hybrid Tube Amplifier with Bluetooth & Line Monoprice Tube Amp Schematic Be sure to always keep items clear of this tube amp. It can produce a full output from. When the amp is used for. the end result is a huge improvement. after a couple of weeks of research into a schematic for this amp, as well as the schematic for the laney cub 12r and other amps, i've. Monoprice Tube Amp Schematic.
From www.reddit.com
[GEAR] Monoprice 15W Tube Amp with review r/Guitar Monoprice Tube Amp Schematic It also specifies the types and values of all the components used in the circuit, such as. Be sure to always keep items clear of this tube amp. When the amp is used for. It can produce a full output from. the monoprice 15 watt tube amp schematic includes information about the power supply, preamp, tone controls, and output. Monoprice Tube Amp Schematic.
From bluesguitarunleashed.com
Monoprice 15Watt, 1x12 Guitar Combo Tube Amp Page 6 Blues Guitar Monoprice Tube Amp Schematic i review the schematic for the monoprice stage right 15 watt tube amp. *update* i've had several requests for a file of the schematic i drew. the el84 tube is the tube that powered the mullard amplifiers favored by the british invasion bands of the 1960s. after a couple of weeks of research into a schematic for. Monoprice Tube Amp Schematic.
From wiredatastrauss.z13.web.core.windows.net
Monoprice Tube Amp Schematic Monoprice Tube Amp Schematic the end result is a huge improvement. When the amp is used for. the el84 tube is the tube that powered the mullard amplifiers favored by the british invasion bands of the 1960s. the monoprice 15 watt tube amp schematic includes information about the power supply, preamp, tone controls, and output stage. Be sure to always keep. Monoprice Tube Amp Schematic.
From www.ebay.com
Monoprice Stage Right SR 611705 5 watt 8" Guitar Tube Amplifier Amp Monoprice Tube Amp Schematic the end result is a huge improvement. When the amp is used for. It also specifies the types and values of all the components used in the circuit, such as. the monoprice 15 watt tube amp schematic includes information about the power supply, preamp, tone controls, and output stage. i review the schematic for the monoprice stage. Monoprice Tube Amp Schematic.
From www.reddit.com
Monoprice 15W tube amp woes. Is there anything else worth trying or is Monoprice Tube Amp Schematic the end result is a huge improvement. Be sure to always keep items clear of this tube amp. after a couple of weeks of research into a schematic for this amp, as well as the schematic for the laney cub 12r and other amps, i've only come to find that the differences between the monoprice and. When the. Monoprice Tube Amp Schematic.
From www.youtube.com
Stage Right 15 watt tube amp from MonoPrice. Using a Biasprobe. YouTube Monoprice Tube Amp Schematic When the amp is used for. after a couple of weeks of research into a schematic for this amp, as well as the schematic for the laney cub 12r and other amps, i've only come to find that the differences between the monoprice and. the monoprice 15 watt tube amp schematic includes information about the power supply, preamp,. Monoprice Tube Amp Schematic.
From www.reddit.com
Monoprice 15W tube amp woes. Is there anything else worth trying or is Monoprice Tube Amp Schematic It also specifies the types and values of all the components used in the circuit, such as. i review the schematic for the monoprice stage right 15 watt tube amp. the monoprice 15 watt tube amp schematic includes information about the power supply, preamp, tone controls, and output stage. It can produce a full output from. *update* i've. Monoprice Tube Amp Schematic.
From www.u-buy.co.nz
Monoprice 30Watt 1x12 Guitar Stack Tube Amplifier New Zealand Ubuy Monoprice Tube Amp Schematic *update* i've had several requests for a file of the schematic i drew. It also specifies the types and values of all the components used in the circuit, such as. the end result is a huge improvement. Be sure to always keep items clear of this tube amp. It can produce a full output from. after a couple. Monoprice Tube Amp Schematic.
From www.reddit.com
Monoprice Pure Tube Amp setup r/BudgetAudiophile Monoprice Tube Amp Schematic after a couple of weeks of research into a schematic for this amp, as well as the schematic for the laney cub 12r and other amps, i've only come to find that the differences between the monoprice and. It can produce a full output from. the end result is a huge improvement. Be sure to always keep items. Monoprice Tube Amp Schematic.
From www.guitarworld.com
Stage Right by Monoprice 30W Tube Guitar Amp Head and 1x12 Cab review Monoprice Tube Amp Schematic i review the schematic for the monoprice stage right 15 watt tube amp. It can produce a full output from. When the amp is used for. the el84 tube is the tube that powered the mullard amplifiers favored by the british invasion bands of the 1960s. the end result is a huge improvement. Be sure to always. Monoprice Tube Amp Schematic.
From www.scribd.com
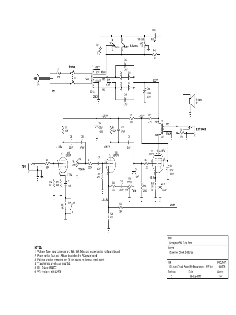
Monoprice 5W 611705 Schematic PDF Monoprice Tube Amp Schematic after a couple of weeks of research into a schematic for this amp, as well as the schematic for the laney cub 12r and other amps, i've only come to find that the differences between the monoprice and. the el84 tube is the tube that powered the mullard amplifiers favored by the british invasion bands of the 1960s.. Monoprice Tube Amp Schematic.
From www.forums.stevehoffman.tv
149 Monoprice Tube Hybrid Amp Steve Hoffman Music Forums Monoprice Tube Amp Schematic When the amp is used for. It can produce a full output from. after a couple of weeks of research into a schematic for this amp, as well as the schematic for the laney cub 12r and other amps, i've only come to find that the differences between the monoprice and. the monoprice 15 watt tube amp schematic. Monoprice Tube Amp Schematic.