Diy Arduino Nano Soldering Station V4 . During the build i will talk about. The first step in making a diy digital soldering station is to gather all the necessary materials. This versatile soldering station is ideal for hobbyists, diy enthusiasts, and professionals seeking a reliable. In this project i will show you how to create an arduino based soldering station for a standard jbc soldering iron. In this project i will show you how to create an arduino based soldering station for a standard jbc soldering iron. If you want to upgrade your soldering setup without spending a lot of money, then be sure to check out angelo casimiro’s diy hakko 907 station. These include the arduino nano board, the oled display module, pcb board etc., the list of all material is provided above. During the build i will talk about thermocouples, ac. Leveraging the compact and powerful arduino nano microcontroller.
        	
		 
    
        from projecthub.arduino.cc 
     
        
        During the build i will talk about thermocouples, ac. If you want to upgrade your soldering setup without spending a lot of money, then be sure to check out angelo casimiro’s diy hakko 907 station. In this project i will show you how to create an arduino based soldering station for a standard jbc soldering iron. The first step in making a diy digital soldering station is to gather all the necessary materials. This versatile soldering station is ideal for hobbyists, diy enthusiasts, and professionals seeking a reliable. In this project i will show you how to create an arduino based soldering station for a standard jbc soldering iron. During the build i will talk about. These include the arduino nano board, the oled display module, pcb board etc., the list of all material is provided above. Leveraging the compact and powerful arduino nano microcontroller.
    
    	
		 
    Simple Arduino Soldering Station Arduino Project Hub 
    Diy Arduino Nano Soldering Station V4  This versatile soldering station is ideal for hobbyists, diy enthusiasts, and professionals seeking a reliable. Leveraging the compact and powerful arduino nano microcontroller. This versatile soldering station is ideal for hobbyists, diy enthusiasts, and professionals seeking a reliable. The first step in making a diy digital soldering station is to gather all the necessary materials. During the build i will talk about thermocouples, ac. If you want to upgrade your soldering setup without spending a lot of money, then be sure to check out angelo casimiro’s diy hakko 907 station. These include the arduino nano board, the oled display module, pcb board etc., the list of all material is provided above. In this project i will show you how to create an arduino based soldering station for a standard jbc soldering iron. During the build i will talk about. In this project i will show you how to create an arduino based soldering station for a standard jbc soldering iron.
 
    
        From www.freepik.com 
                    Premium Photo The process of soldering wires to an arduino nano board Diy Arduino Nano Soldering Station V4  This versatile soldering station is ideal for hobbyists, diy enthusiasts, and professionals seeking a reliable. During the build i will talk about. The first step in making a diy digital soldering station is to gather all the necessary materials. If you want to upgrade your soldering setup without spending a lot of money, then be sure to check out angelo. Diy Arduino Nano Soldering Station V4.
     
    
        From electronoobs.com 
                    DIY soldering iron homemade Arduino Diy Arduino Nano Soldering Station V4  During the build i will talk about thermocouples, ac. In this project i will show you how to create an arduino based soldering station for a standard jbc soldering iron. During the build i will talk about. Leveraging the compact and powerful arduino nano microcontroller. If you want to upgrade your soldering setup without spending a lot of money, then. Diy Arduino Nano Soldering Station V4.
     
    
        From www.youtube.com 
                    DIY Arduino Nano Soldering Station V4 YouTube Diy Arduino Nano Soldering Station V4  During the build i will talk about thermocouples, ac. During the build i will talk about. These include the arduino nano board, the oled display module, pcb board etc., the list of all material is provided above. The first step in making a diy digital soldering station is to gather all the necessary materials. In this project i will show. Diy Arduino Nano Soldering Station V4.
     
    
        From www.youtube.com 
                    DIY Arduino Nano Soldering Station V3 YouTube Diy Arduino Nano Soldering Station V4  This versatile soldering station is ideal for hobbyists, diy enthusiasts, and professionals seeking a reliable. During the build i will talk about thermocouples, ac. During the build i will talk about. The first step in making a diy digital soldering station is to gather all the necessary materials. Leveraging the compact and powerful arduino nano microcontroller. In this project i. Diy Arduino Nano Soldering Station V4.
     
    
        From www.hotelsrate.org 
                    Diy Soldering Station Arduino Diy Projects Diy Arduino Nano Soldering Station V4  The first step in making a diy digital soldering station is to gather all the necessary materials. If you want to upgrade your soldering setup without spending a lot of money, then be sure to check out angelo casimiro’s diy hakko 907 station. Leveraging the compact and powerful arduino nano microcontroller. During the build i will talk about thermocouples, ac.. Diy Arduino Nano Soldering Station V4.
     
    
        From forum.arduino.cc 
                    Soldering a nano to a perfboard? Classic Nano Arduino Forum Diy Arduino Nano Soldering Station V4  Leveraging the compact and powerful arduino nano microcontroller. This versatile soldering station is ideal for hobbyists, diy enthusiasts, and professionals seeking a reliable. In this project i will show you how to create an arduino based soldering station for a standard jbc soldering iron. In this project i will show you how to create an arduino based soldering station for. Diy Arduino Nano Soldering Station V4.
     
    
        From oshwlab.com 
                    t12 soldering station pcb for arduino connection OSHWLab Diy Arduino Nano Soldering Station V4  During the build i will talk about. If you want to upgrade your soldering setup without spending a lot of money, then be sure to check out angelo casimiro’s diy hakko 907 station. In this project i will show you how to create an arduino based soldering station for a standard jbc soldering iron. This versatile soldering station is ideal. Diy Arduino Nano Soldering Station V4.
     
    
        From www.hotelsrate.org 
                    Diy Solder Station Arduino Diy Projects Diy Arduino Nano Soldering Station V4  During the build i will talk about. Leveraging the compact and powerful arduino nano microcontroller. In this project i will show you how to create an arduino based soldering station for a standard jbc soldering iron. During the build i will talk about thermocouples, ac. In this project i will show you how to create an arduino based soldering station. Diy Arduino Nano Soldering Station V4.
     
    
        From www.pinterest.com 
                    DIY SOLDERING STATION WITH ARDUINO NANO AND 4×20 LCD Diy Arduino Nano Soldering Station V4  During the build i will talk about. This versatile soldering station is ideal for hobbyists, diy enthusiasts, and professionals seeking a reliable. In this project i will show you how to create an arduino based soldering station for a standard jbc soldering iron. These include the arduino nano board, the oled display module, pcb board etc., the list of all. Diy Arduino Nano Soldering Station V4.
     
    
        From 320volt.com 
                    Hakko 907 Soldering Iron Control Circuit Arduino Nano Electronics Diy Arduino Nano Soldering Station V4  These include the arduino nano board, the oled display module, pcb board etc., the list of all material is provided above. During the build i will talk about thermocouples, ac. If you want to upgrade your soldering setup without spending a lot of money, then be sure to check out angelo casimiro’s diy hakko 907 station. In this project i. Diy Arduino Nano Soldering Station V4.
     
    
        From www.instructables.com 
                    DIY Soldering Station 6 Steps (with Pictures) Instructables Diy Arduino Nano Soldering Station V4  These include the arduino nano board, the oled display module, pcb board etc., the list of all material is provided above. The first step in making a diy digital soldering station is to gather all the necessary materials. In this project i will show you how to create an arduino based soldering station for a standard jbc soldering iron. Leveraging. Diy Arduino Nano Soldering Station V4.
     
    
        From www.youtube.com 
                    DIY Digital Soldering Station, Arduino soldering station YouTube Diy Arduino Nano Soldering Station V4  The first step in making a diy digital soldering station is to gather all the necessary materials. Leveraging the compact and powerful arduino nano microcontroller. These include the arduino nano board, the oled display module, pcb board etc., the list of all material is provided above. If you want to upgrade your soldering setup without spending a lot of money,. Diy Arduino Nano Soldering Station V4.
     
    
        From www.instructables.com 
                    DIY Arduino Soldering Station 6 Steps (with Pictures) Instructables Diy Arduino Nano Soldering Station V4  These include the arduino nano board, the oled display module, pcb board etc., the list of all material is provided above. If you want to upgrade your soldering setup without spending a lot of money, then be sure to check out angelo casimiro’s diy hakko 907 station. The first step in making a diy digital soldering station is to gather. Diy Arduino Nano Soldering Station V4.
     
    
        From projecthub.arduino.cc 
                    Simple Arduino Soldering Station Arduino Project Hub Diy Arduino Nano Soldering Station V4  During the build i will talk about. If you want to upgrade your soldering setup without spending a lot of money, then be sure to check out angelo casimiro’s diy hakko 907 station. This versatile soldering station is ideal for hobbyists, diy enthusiasts, and professionals seeking a reliable. During the build i will talk about thermocouples, ac. The first step. Diy Arduino Nano Soldering Station V4.
     
    
        From www.youtube.com 
                    DIY JBC dual Soldering Station V4 heat up performance YouTube Diy Arduino Nano Soldering Station V4  If you want to upgrade your soldering setup without spending a lot of money, then be sure to check out angelo casimiro’s diy hakko 907 station. Leveraging the compact and powerful arduino nano microcontroller. During the build i will talk about. The first step in making a diy digital soldering station is to gather all the necessary materials. In this. Diy Arduino Nano Soldering Station V4.
     
    
        From www.instructables.com 
                    Soldering Station 4 Steps (with Pictures) Instructables Diy Arduino Nano Soldering Station V4  This versatile soldering station is ideal for hobbyists, diy enthusiasts, and professionals seeking a reliable. The first step in making a diy digital soldering station is to gather all the necessary materials. In this project i will show you how to create an arduino based soldering station for a standard jbc soldering iron. In this project i will show you. Diy Arduino Nano Soldering Station V4.
     
    
        From www.youtube.com 
                    DIY Soldering Station for under 15 using Arduino YouTube Diy Arduino Nano Soldering Station V4  The first step in making a diy digital soldering station is to gather all the necessary materials. During the build i will talk about. Leveraging the compact and powerful arduino nano microcontroller. This versatile soldering station is ideal for hobbyists, diy enthusiasts, and professionals seeking a reliable. In this project i will show you how to create an arduino based. Diy Arduino Nano Soldering Station V4.
     
    
        From oshwlab.com 
                    Arduino Soldering Station OSHWLab Diy Arduino Nano Soldering Station V4  During the build i will talk about. In this project i will show you how to create an arduino based soldering station for a standard jbc soldering iron. This versatile soldering station is ideal for hobbyists, diy enthusiasts, and professionals seeking a reliable. If you want to upgrade your soldering setup without spending a lot of money, then be sure. Diy Arduino Nano Soldering Station V4.
     
    
        From www.youtube.com 
                    DIY JBC dual 300W Soldering Station V4 overview YouTube Diy Arduino Nano Soldering Station V4  If you want to upgrade your soldering setup without spending a lot of money, then be sure to check out angelo casimiro’s diy hakko 907 station. In this project i will show you how to create an arduino based soldering station for a standard jbc soldering iron. These include the arduino nano board, the oled display module, pcb board etc.,. Diy Arduino Nano Soldering Station V4.
     
    
        From br.pinterest.com 
                    DIY SOLDERING STATION WITH ARDUINO NANO AND 4×20 LCD Arduino Diy Arduino Nano Soldering Station V4  The first step in making a diy digital soldering station is to gather all the necessary materials. Leveraging the compact and powerful arduino nano microcontroller. During the build i will talk about thermocouples, ac. These include the arduino nano board, the oled display module, pcb board etc., the list of all material is provided above. In this project i will. Diy Arduino Nano Soldering Station V4.
     
    
        From www.pinnaxis.com 
                    Diy Rework Station Discounted Buying Diy Arduino Nano Soldering Station V4  This versatile soldering station is ideal for hobbyists, diy enthusiasts, and professionals seeking a reliable. The first step in making a diy digital soldering station is to gather all the necessary materials. In this project i will show you how to create an arduino based soldering station for a standard jbc soldering iron. During the build i will talk about.. Diy Arduino Nano Soldering Station V4.
     
    
        From electronoobs.com 
                    DIY soldering iron homemade Arduino Diy Arduino Nano Soldering Station V4  If you want to upgrade your soldering setup without spending a lot of money, then be sure to check out angelo casimiro’s diy hakko 907 station. Leveraging the compact and powerful arduino nano microcontroller. The first step in making a diy digital soldering station is to gather all the necessary materials. During the build i will talk about thermocouples, ac.. Diy Arduino Nano Soldering Station V4.
     
    
        From www.electronics-lab.com 
                    Make Your Own Arduino Nano In The Simplest Way (DIY Arduino Nano) Diy Arduino Nano Soldering Station V4  During the build i will talk about thermocouples, ac. In this project i will show you how to create an arduino based soldering station for a standard jbc soldering iron. These include the arduino nano board, the oled display module, pcb board etc., the list of all material is provided above. This versatile soldering station is ideal for hobbyists, diy. Diy Arduino Nano Soldering Station V4.
     
    
        From sibusaman.github.io 
                    DIY Soldering Station Diy Arduino Nano Soldering Station V4  These include the arduino nano board, the oled display module, pcb board etc., the list of all material is provided above. In this project i will show you how to create an arduino based soldering station for a standard jbc soldering iron. Leveraging the compact and powerful arduino nano microcontroller. In this project i will show you how to create. Diy Arduino Nano Soldering Station V4.
     
    
        From oshwlab.com 
                    Soldering station arduino nano / Паяльная станция на ардуино нано Diy Arduino Nano Soldering Station V4  This versatile soldering station is ideal for hobbyists, diy enthusiasts, and professionals seeking a reliable. In this project i will show you how to create an arduino based soldering station for a standard jbc soldering iron. If you want to upgrade your soldering setup without spending a lot of money, then be sure to check out angelo casimiro’s diy hakko. Diy Arduino Nano Soldering Station V4.
     
    
        From pic-microcontroller.com 
                    Arduino Soldering Station Customized Electronics Workbench Diy Arduino Nano Soldering Station V4  Leveraging the compact and powerful arduino nano microcontroller. In this project i will show you how to create an arduino based soldering station for a standard jbc soldering iron. This versatile soldering station is ideal for hobbyists, diy enthusiasts, and professionals seeking a reliable. The first step in making a diy digital soldering station is to gather all the necessary. Diy Arduino Nano Soldering Station V4.
     
    
        From www.youtube.com 
                    DIY Soldering Station with Thermocouple Sensor and Capacitive Buttons Diy Arduino Nano Soldering Station V4  If you want to upgrade your soldering setup without spending a lot of money, then be sure to check out angelo casimiro’s diy hakko 907 station. Leveraging the compact and powerful arduino nano microcontroller. In this project i will show you how to create an arduino based soldering station for a standard jbc soldering iron. These include the arduino nano. Diy Arduino Nano Soldering Station V4.
     
    
        From hackaday.com 
                    Build Your Own Portable Arduino Soldering Iron Hackaday Diy Arduino Nano Soldering Station V4  During the build i will talk about thermocouples, ac. The first step in making a diy digital soldering station is to gather all the necessary materials. This versatile soldering station is ideal for hobbyists, diy enthusiasts, and professionals seeking a reliable. In this project i will show you how to create an arduino based soldering station for a standard jbc. Diy Arduino Nano Soldering Station V4.
     
    
        From www.electronoobs.com 
                    Arduino soldering iron homemade OLED Diy Arduino Nano Soldering Station V4  In this project i will show you how to create an arduino based soldering station for a standard jbc soldering iron. Leveraging the compact and powerful arduino nano microcontroller. If you want to upgrade your soldering setup without spending a lot of money, then be sure to check out angelo casimiro’s diy hakko 907 station. In this project i will. Diy Arduino Nano Soldering Station V4.
     
    
        From www.scribd.com 
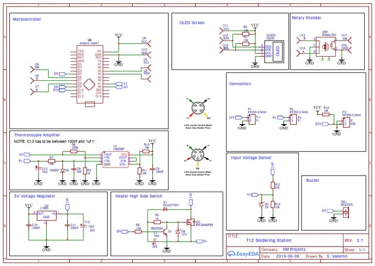
                    Schematic_ARDUINO NANO SOLDERING STATION_20210405 PDF Diy Arduino Nano Soldering Station V4  During the build i will talk about thermocouples, ac. In this project i will show you how to create an arduino based soldering station for a standard jbc soldering iron. The first step in making a diy digital soldering station is to gather all the necessary materials. During the build i will talk about. Leveraging the compact and powerful arduino. Diy Arduino Nano Soldering Station V4.
     
    
        From www.youtube.com 
                    How to Solder Arduino Nano Pins YouTube Diy Arduino Nano Soldering Station V4  During the build i will talk about thermocouples, ac. The first step in making a diy digital soldering station is to gather all the necessary materials. In this project i will show you how to create an arduino based soldering station for a standard jbc soldering iron. In this project i will show you how to create an arduino based. Diy Arduino Nano Soldering Station V4.
     
    
        From create.arduino.cc 
                    Micro Soldering Station Arduino Project Hub Diy Arduino Nano Soldering Station V4  These include the arduino nano board, the oled display module, pcb board etc., the list of all material is provided above. In this project i will show you how to create an arduino based soldering station for a standard jbc soldering iron. If you want to upgrade your soldering setup without spending a lot of money, then be sure to. Diy Arduino Nano Soldering Station V4.
     
    
        From atelier-yuwa.ciao.jp 
                    Arduino Soldering Iron atelieryuwa.ciao.jp Diy Arduino Nano Soldering Station V4  This versatile soldering station is ideal for hobbyists, diy enthusiasts, and professionals seeking a reliable. These include the arduino nano board, the oled display module, pcb board etc., the list of all material is provided above. In this project i will show you how to create an arduino based soldering station for a standard jbc soldering iron. The first step. Diy Arduino Nano Soldering Station V4.
     
    
        From projecthub.arduino.cc 
                    Simple Arduino Soldering Station Arduino Project Hub Diy Arduino Nano Soldering Station V4  During the build i will talk about. Leveraging the compact and powerful arduino nano microcontroller. These include the arduino nano board, the oled display module, pcb board etc., the list of all material is provided above. In this project i will show you how to create an arduino based soldering station for a standard jbc soldering iron. The first step. Diy Arduino Nano Soldering Station V4.
     
    
        From hackaday.io 
                    Gallery Soldering Station, Arduino Compatible Hackaday.io Diy Arduino Nano Soldering Station V4  These include the arduino nano board, the oled display module, pcb board etc., the list of all material is provided above. During the build i will talk about. Leveraging the compact and powerful arduino nano microcontroller. During the build i will talk about thermocouples, ac. In this project i will show you how to create an arduino based soldering station. Diy Arduino Nano Soldering Station V4.