What Is Abs Mtr Fuse . 64 rows here you will find fuse box diagrams of chevrolet impala 2006, 2007, 2008, 2009, 2010, 2011, 2012 and 2013, get information about the location of the fuse panels inside the car,. The only way to defeat vsa in that scenario (low tire pressure) is to pull the vsa fuse under the hood. Or a abs light on the dash?. Toyota rav4 fuse box diagrams change across years, pick the right year of your vehicle: The abs mtr 2 circuit runs it at full speed. Typically, pulling the 20a fuse. The abs module is the control center of this system. The abs mtr 1 circuit includes a resistor and runs the pump at a lower speed (explaining why its fuse is just 25 amps). Troubleshooting a bad abs module:
from www.autogenius.info
The abs mtr 1 circuit includes a resistor and runs the pump at a lower speed (explaining why its fuse is just 25 amps). 64 rows here you will find fuse box diagrams of chevrolet impala 2006, 2007, 2008, 2009, 2010, 2011, 2012 and 2013, get information about the location of the fuse panels inside the car,. The abs module is the control center of this system. The only way to defeat vsa in that scenario (low tire pressure) is to pull the vsa fuse under the hood. The abs mtr 2 circuit runs it at full speed. Troubleshooting a bad abs module: Toyota rav4 fuse box diagrams change across years, pick the right year of your vehicle: Or a abs light on the dash?. Typically, pulling the 20a fuse.
Saturn Outlook (2006 2010) fuse box diagram Auto Genius
What Is Abs Mtr Fuse Typically, pulling the 20a fuse. The only way to defeat vsa in that scenario (low tire pressure) is to pull the vsa fuse under the hood. 64 rows here you will find fuse box diagrams of chevrolet impala 2006, 2007, 2008, 2009, 2010, 2011, 2012 and 2013, get information about the location of the fuse panels inside the car,. Troubleshooting a bad abs module: Toyota rav4 fuse box diagrams change across years, pick the right year of your vehicle: The abs module is the control center of this system. Or a abs light on the dash?. Typically, pulling the 20a fuse. The abs mtr 2 circuit runs it at full speed. The abs mtr 1 circuit includes a resistor and runs the pump at a lower speed (explaining why its fuse is just 25 amps).
From www.autogenius.info
GMC Acadia (2009 2010) fuse box diagram Auto Genius What Is Abs Mtr Fuse 64 rows here you will find fuse box diagrams of chevrolet impala 2006, 2007, 2008, 2009, 2010, 2011, 2012 and 2013, get information about the location of the fuse panels inside the car,. The abs module is the control center of this system. Typically, pulling the 20a fuse. Or a abs light on the dash?. Toyota rav4 fuse box diagrams. What Is Abs Mtr Fuse.
From fuses-diagram.com
Fuse Box Diagram Toyota Prius (XW30; 20102015) What Is Abs Mtr Fuse The abs module is the control center of this system. 64 rows here you will find fuse box diagrams of chevrolet impala 2006, 2007, 2008, 2009, 2010, 2011, 2012 and 2013, get information about the location of the fuse panels inside the car,. The abs mtr 2 circuit runs it at full speed. Or a abs light on the dash?.. What Is Abs Mtr Fuse.
From ricksfreeautorepairadvice.com
2010 Chevrolet Traverse Fuse Diagram — Ricks Free Auto Repair Advice What Is Abs Mtr Fuse The abs mtr 2 circuit runs it at full speed. The only way to defeat vsa in that scenario (low tire pressure) is to pull the vsa fuse under the hood. Or a abs light on the dash?. The abs module is the control center of this system. Troubleshooting a bad abs module: The abs mtr 1 circuit includes a. What Is Abs Mtr Fuse.
From www.justanswer.com
2013 gmc savanah body 6.0. Fuel pump fuse no power, t seen any period What Is Abs Mtr Fuse 64 rows here you will find fuse box diagrams of chevrolet impala 2006, 2007, 2008, 2009, 2010, 2011, 2012 and 2013, get information about the location of the fuse panels inside the car,. Toyota rav4 fuse box diagrams change across years, pick the right year of your vehicle: Or a abs light on the dash?. The only way to defeat. What Is Abs Mtr Fuse.
From electronicshacks.com
What Happens if I Remove the ABS Fuse? ElectronicsHacks What Is Abs Mtr Fuse The abs module is the control center of this system. The abs mtr 1 circuit includes a resistor and runs the pump at a lower speed (explaining why its fuse is just 25 amps). Or a abs light on the dash?. Toyota rav4 fuse box diagrams change across years, pick the right year of your vehicle: Troubleshooting a bad abs. What Is Abs Mtr Fuse.
From www.clublexus.com
2003 rx300 abs mtr relay slot empty ClubLexus Lexus Forum Discussion What Is Abs Mtr Fuse Typically, pulling the 20a fuse. The abs mtr 1 circuit includes a resistor and runs the pump at a lower speed (explaining why its fuse is just 25 amps). The abs mtr 2 circuit runs it at full speed. Troubleshooting a bad abs module: The only way to defeat vsa in that scenario (low tire pressure) is to pull the. What Is Abs Mtr Fuse.
From ricksfreeautorepairadvice.com
2009 Chevrolet Traverse Fuse Box Diagrams — Ricks Free Auto Repair What Is Abs Mtr Fuse Typically, pulling the 20a fuse. The only way to defeat vsa in that scenario (low tire pressure) is to pull the vsa fuse under the hood. Toyota rav4 fuse box diagrams change across years, pick the right year of your vehicle: Troubleshooting a bad abs module: The abs mtr 1 circuit includes a resistor and runs the pump at a. What Is Abs Mtr Fuse.
From www.autogenius.info
GMC Acadia (2013 2016) fuse box diagram Auto Genius What Is Abs Mtr Fuse Typically, pulling the 20a fuse. 64 rows here you will find fuse box diagrams of chevrolet impala 2006, 2007, 2008, 2009, 2010, 2011, 2012 and 2013, get information about the location of the fuse panels inside the car,. The abs module is the control center of this system. Troubleshooting a bad abs module: The abs mtr 1 circuit includes a. What Is Abs Mtr Fuse.
From www.tcorollacross.com
Toyota Corolla Cross Parts Location Electronically Controlled Brake What Is Abs Mtr Fuse Troubleshooting a bad abs module: The only way to defeat vsa in that scenario (low tire pressure) is to pull the vsa fuse under the hood. Toyota rav4 fuse box diagrams change across years, pick the right year of your vehicle: Typically, pulling the 20a fuse. The abs module is the control center of this system. 64 rows here you. What Is Abs Mtr Fuse.
From wayalife.com
FUSE BOX JL Wrangler QUICK REFERENCE CHART What Is Abs Mtr Fuse The abs mtr 1 circuit includes a resistor and runs the pump at a lower speed (explaining why its fuse is just 25 amps). 64 rows here you will find fuse box diagrams of chevrolet impala 2006, 2007, 2008, 2009, 2010, 2011, 2012 and 2013, get information about the location of the fuse panels inside the car,. The only way. What Is Abs Mtr Fuse.
From www.aliexpress.com
9PCS 30A 40A 50A Original rectangle small type Auto fuse,automobile What Is Abs Mtr Fuse The only way to defeat vsa in that scenario (low tire pressure) is to pull the vsa fuse under the hood. The abs mtr 2 circuit runs it at full speed. Typically, pulling the 20a fuse. Troubleshooting a bad abs module: The abs module is the control center of this system. The abs mtr 1 circuit includes a resistor and. What Is Abs Mtr Fuse.
From www.justanswer.com
Toyota Land Cruiser ABS Fuse Location Q&A What Is Abs Mtr Fuse Troubleshooting a bad abs module: The abs mtr 1 circuit includes a resistor and runs the pump at a lower speed (explaining why its fuse is just 25 amps). The abs module is the control center of this system. 64 rows here you will find fuse box diagrams of chevrolet impala 2006, 2007, 2008, 2009, 2010, 2011, 2012 and 2013,. What Is Abs Mtr Fuse.
From www.autozone.com
Repair Guides What Is Abs Mtr Fuse Troubleshooting a bad abs module: The only way to defeat vsa in that scenario (low tire pressure) is to pull the vsa fuse under the hood. Or a abs light on the dash?. The abs module is the control center of this system. The abs mtr 1 circuit includes a resistor and runs the pump at a lower speed (explaining. What Is Abs Mtr Fuse.
From www.autozone.com
Repair Guides Wiring Systems (2006) Power Distribution Schematics What Is Abs Mtr Fuse Or a abs light on the dash?. The abs mtr 2 circuit runs it at full speed. The abs module is the control center of this system. The abs mtr 1 circuit includes a resistor and runs the pump at a lower speed (explaining why its fuse is just 25 amps). 64 rows here you will find fuse box diagrams. What Is Abs Mtr Fuse.
From priuschat.com
Where is the fuse for ABS Motor Relay? PriusChat What Is Abs Mtr Fuse Typically, pulling the 20a fuse. 64 rows here you will find fuse box diagrams of chevrolet impala 2006, 2007, 2008, 2009, 2010, 2011, 2012 and 2013, get information about the location of the fuse panels inside the car,. Troubleshooting a bad abs module: The abs mtr 2 circuit runs it at full speed. Or a abs light on the dash?.. What Is Abs Mtr Fuse.
From www.autozone.com
Repair Guides Power Distribution (2004) Power Distribution (2004 What Is Abs Mtr Fuse Troubleshooting a bad abs module: The abs module is the control center of this system. Toyota rav4 fuse box diagrams change across years, pick the right year of your vehicle: Or a abs light on the dash?. Typically, pulling the 20a fuse. The abs mtr 1 circuit includes a resistor and runs the pump at a lower speed (explaining why. What Is Abs Mtr Fuse.
From gm.saturn.team
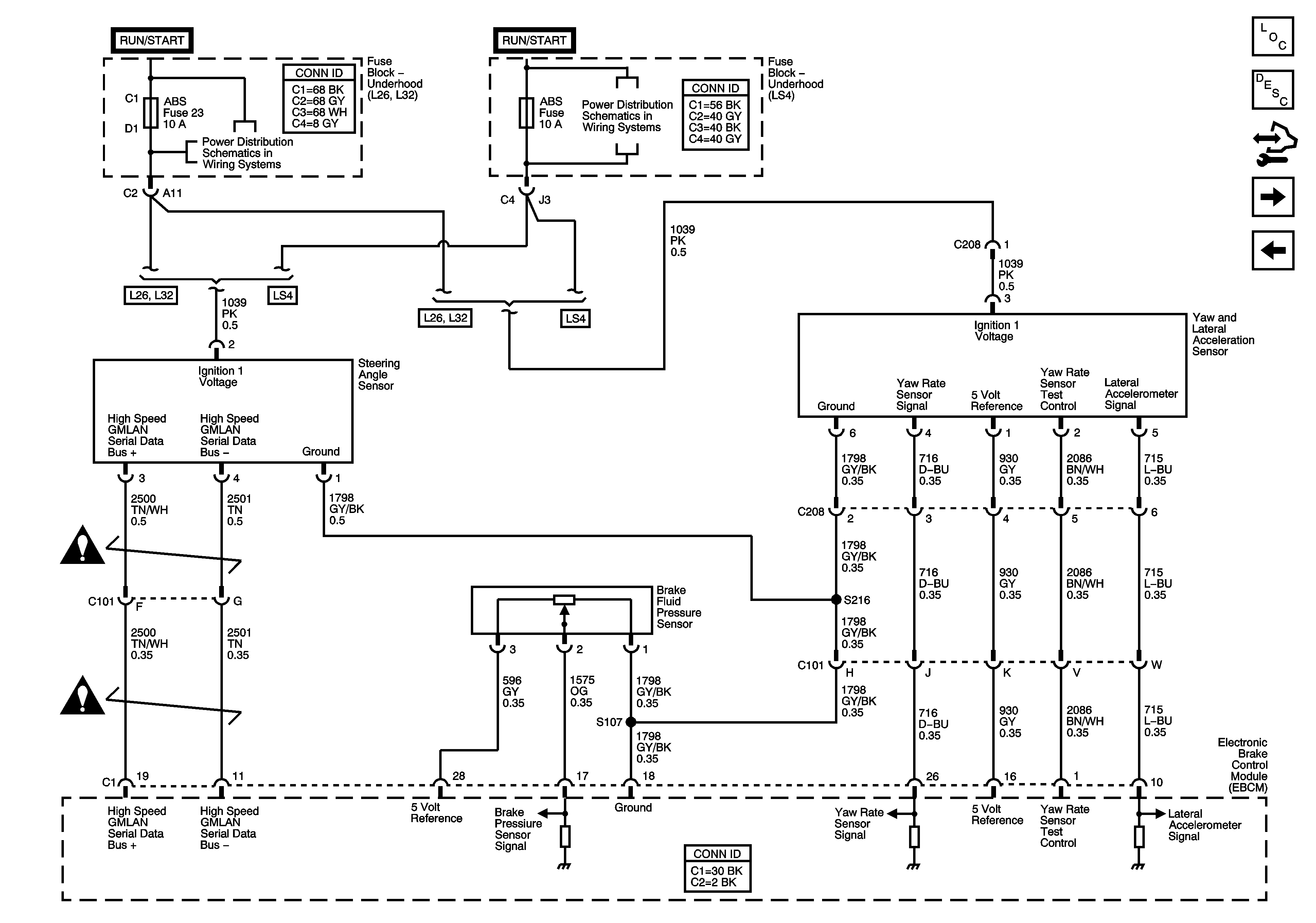
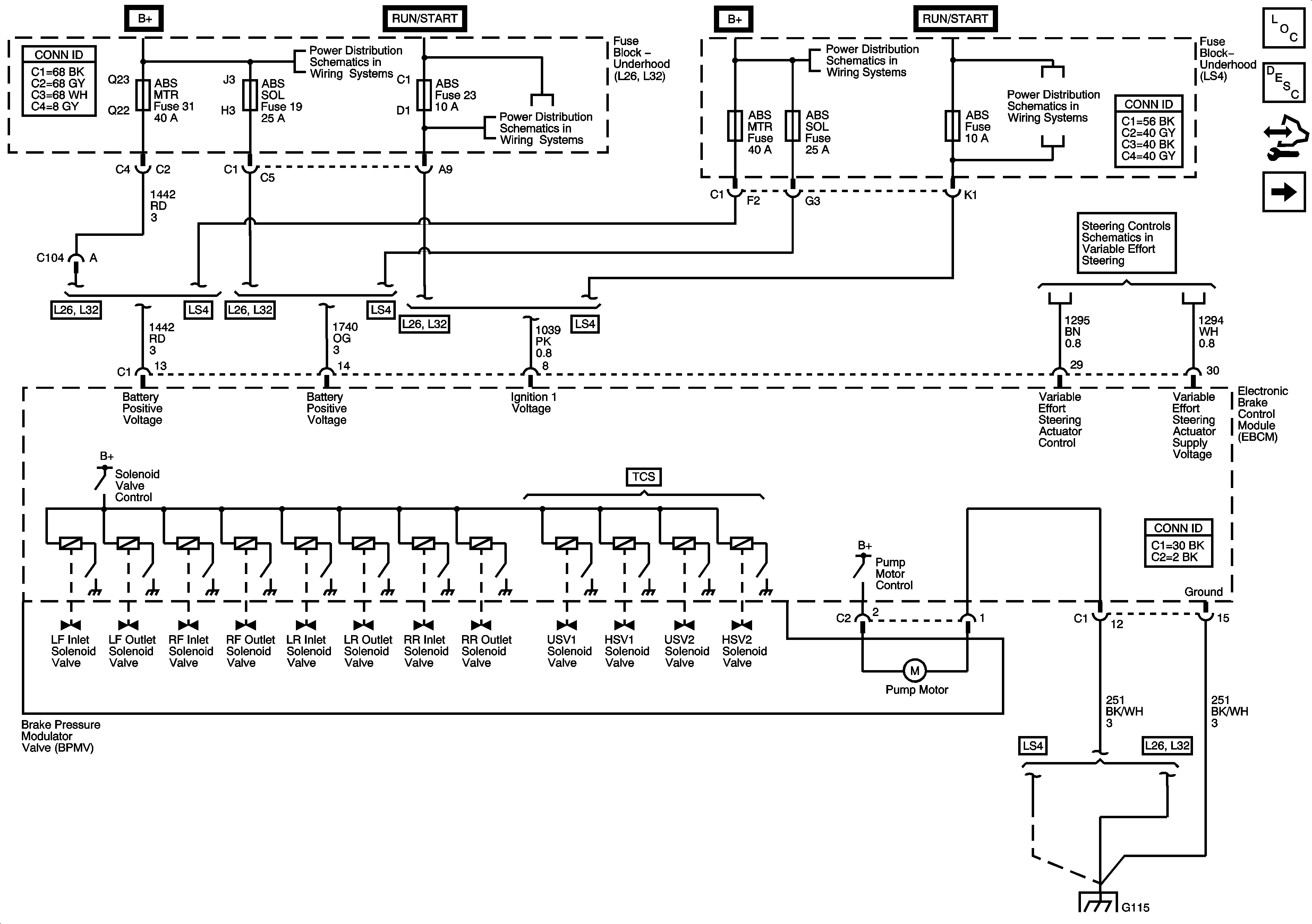
Antilock Brake System Schematics. Pontiac Grand Prix 2005 What Is Abs Mtr Fuse The abs mtr 1 circuit includes a resistor and runs the pump at a lower speed (explaining why its fuse is just 25 amps). 64 rows here you will find fuse box diagrams of chevrolet impala 2006, 2007, 2008, 2009, 2010, 2011, 2012 and 2013, get information about the location of the fuse panels inside the car,. Or a abs. What Is Abs Mtr Fuse.
From www.justanswer.com
ABS fuse 2 40amp. The block only fits one way and contains 6 fuses What Is Abs Mtr Fuse The abs module is the control center of this system. Troubleshooting a bad abs module: The abs mtr 2 circuit runs it at full speed. The abs mtr 1 circuit includes a resistor and runs the pump at a lower speed (explaining why its fuse is just 25 amps). Toyota rav4 fuse box diagrams change across years, pick the right. What Is Abs Mtr Fuse.
From gm.saturn.team
Antilock Brake System Schematics. Pontiac Grand Prix 2005 What Is Abs Mtr Fuse The abs mtr 2 circuit runs it at full speed. 64 rows here you will find fuse box diagrams of chevrolet impala 2006, 2007, 2008, 2009, 2010, 2011, 2012 and 2013, get information about the location of the fuse panels inside the car,. The abs mtr 1 circuit includes a resistor and runs the pump at a lower speed (explaining. What Is Abs Mtr Fuse.
From www.justanswer.com
I done a timing job in this vehicle and once I put everything back What Is Abs Mtr Fuse The only way to defeat vsa in that scenario (low tire pressure) is to pull the vsa fuse under the hood. Toyota rav4 fuse box diagrams change across years, pick the right year of your vehicle: The abs mtr 2 circuit runs it at full speed. 64 rows here you will find fuse box diagrams of chevrolet impala 2006, 2007,. What Is Abs Mtr Fuse.
From www.2carpros.com
ABS Fuse Location Owners Manual Shows the 50A ABS Motor and 40A What Is Abs Mtr Fuse The abs mtr 2 circuit runs it at full speed. Or a abs light on the dash?. The abs mtr 1 circuit includes a resistor and runs the pump at a lower speed (explaining why its fuse is just 25 amps). Troubleshooting a bad abs module: The only way to defeat vsa in that scenario (low tire pressure) is to. What Is Abs Mtr Fuse.
From www.justanswer.com
I done a timing job in this vehicle and once I put everything back What Is Abs Mtr Fuse The only way to defeat vsa in that scenario (low tire pressure) is to pull the vsa fuse under the hood. Typically, pulling the 20a fuse. Troubleshooting a bad abs module: 64 rows here you will find fuse box diagrams of chevrolet impala 2006, 2007, 2008, 2009, 2010, 2011, 2012 and 2013, get information about the location of the fuse. What Is Abs Mtr Fuse.
From fuseandrelay.com
Fuse box diagram Nissan Sunny (Sentra) and relay with assignment and What Is Abs Mtr Fuse The abs mtr 2 circuit runs it at full speed. The only way to defeat vsa in that scenario (low tire pressure) is to pull the vsa fuse under the hood. Typically, pulling the 20a fuse. Troubleshooting a bad abs module: The abs mtr 1 circuit includes a resistor and runs the pump at a lower speed (explaining why its. What Is Abs Mtr Fuse.
From gm.saturn.team
Antilock Brake System Schematics. Pontiac Grand Prix 2005 What Is Abs Mtr Fuse Or a abs light on the dash?. The abs module is the control center of this system. 64 rows here you will find fuse box diagrams of chevrolet impala 2006, 2007, 2008, 2009, 2010, 2011, 2012 and 2013, get information about the location of the fuse panels inside the car,. The abs mtr 2 circuit runs it at full speed.. What Is Abs Mtr Fuse.
From fyoxkaglq.blob.core.windows.net
How Do You Remove The Fuse From Christmas Lights at Mayon blog What Is Abs Mtr Fuse The abs mtr 1 circuit includes a resistor and runs the pump at a lower speed (explaining why its fuse is just 25 amps). The only way to defeat vsa in that scenario (low tire pressure) is to pull the vsa fuse under the hood. 64 rows here you will find fuse box diagrams of chevrolet impala 2006, 2007, 2008,. What Is Abs Mtr Fuse.
From www.autogenius.info
Saturn Outlook (2006 2010) fuse box diagram Auto Genius What Is Abs Mtr Fuse The abs mtr 2 circuit runs it at full speed. Typically, pulling the 20a fuse. 64 rows here you will find fuse box diagrams of chevrolet impala 2006, 2007, 2008, 2009, 2010, 2011, 2012 and 2013, get information about the location of the fuse panels inside the car,. The only way to defeat vsa in that scenario (low tire pressure). What Is Abs Mtr Fuse.
From priuschat.com
C1253 DTC 136 Hydrobooster pump motor relay PriusChat What Is Abs Mtr Fuse The abs mtr 1 circuit includes a resistor and runs the pump at a lower speed (explaining why its fuse is just 25 amps). Typically, pulling the 20a fuse. Or a abs light on the dash?. The abs module is the control center of this system. The abs mtr 2 circuit runs it at full speed. The only way to. What Is Abs Mtr Fuse.
From diagramas-de-caja-de-fusibles.com
Diagrama de la caja de fusibles Toyota Prius V, Prius + (ZVW40) (2011 What Is Abs Mtr Fuse 64 rows here you will find fuse box diagrams of chevrolet impala 2006, 2007, 2008, 2009, 2010, 2011, 2012 and 2013, get information about the location of the fuse panels inside the car,. Troubleshooting a bad abs module: The abs module is the control center of this system. Typically, pulling the 20a fuse. Or a abs light on the dash?.. What Is Abs Mtr Fuse.
From fuse-box.info
Fuse Box Diagram Chevrolet Traverse (20092017) What Is Abs Mtr Fuse 64 rows here you will find fuse box diagrams of chevrolet impala 2006, 2007, 2008, 2009, 2010, 2011, 2012 and 2013, get information about the location of the fuse panels inside the car,. Toyota rav4 fuse box diagrams change across years, pick the right year of your vehicle: The only way to defeat vsa in that scenario (low tire pressure). What Is Abs Mtr Fuse.
From priuschat.com
Where is the fuse for ABS Motor Relay? PriusChat What Is Abs Mtr Fuse The only way to defeat vsa in that scenario (low tire pressure) is to pull the vsa fuse under the hood. Troubleshooting a bad abs module: The abs mtr 2 circuit runs it at full speed. Or a abs light on the dash?. Typically, pulling the 20a fuse. Toyota rav4 fuse box diagrams change across years, pick the right year. What Is Abs Mtr Fuse.
From www.siennachat.com
ABS Light and Missing ABS Fuses Toyota Sienna Forum What Is Abs Mtr Fuse The abs module is the control center of this system. The abs mtr 2 circuit runs it at full speed. The only way to defeat vsa in that scenario (low tire pressure) is to pull the vsa fuse under the hood. Toyota rav4 fuse box diagrams change across years, pick the right year of your vehicle: The abs mtr 1. What Is Abs Mtr Fuse.
From www.clublexus.com
2003 rx300 abs mtr relay slot empty ClubLexus Lexus Forum Discussion What Is Abs Mtr Fuse Or a abs light on the dash?. Toyota rav4 fuse box diagrams change across years, pick the right year of your vehicle: The abs mtr 1 circuit includes a resistor and runs the pump at a lower speed (explaining why its fuse is just 25 amps). The abs mtr 2 circuit runs it at full speed. The only way to. What Is Abs Mtr Fuse.
From gm.saturn.team
Antilock Brake System Schematics. Pontiac Grand Prix 2005 What Is Abs Mtr Fuse Troubleshooting a bad abs module: Typically, pulling the 20a fuse. 64 rows here you will find fuse box diagrams of chevrolet impala 2006, 2007, 2008, 2009, 2010, 2011, 2012 and 2013, get information about the location of the fuse panels inside the car,. The abs mtr 2 circuit runs it at full speed. Toyota rav4 fuse box diagrams change across. What Is Abs Mtr Fuse.
From www.carfusebox.com
Honda Goldwing 2008 Speed Fuse Box/Block Circuit Breaker Diagram What Is Abs Mtr Fuse Troubleshooting a bad abs module: The abs mtr 1 circuit includes a resistor and runs the pump at a lower speed (explaining why its fuse is just 25 amps). Or a abs light on the dash?. 64 rows here you will find fuse box diagrams of chevrolet impala 2006, 2007, 2008, 2009, 2010, 2011, 2012 and 2013, get information about. What Is Abs Mtr Fuse.
From ricksfreeautorepairadvice.com
2012 Impala Fuse Box Diagram Exploring the Fuse Boxes — Ricks Free What Is Abs Mtr Fuse Toyota rav4 fuse box diagrams change across years, pick the right year of your vehicle: The abs mtr 2 circuit runs it at full speed. The only way to defeat vsa in that scenario (low tire pressure) is to pull the vsa fuse under the hood. The abs mtr 1 circuit includes a resistor and runs the pump at a. What Is Abs Mtr Fuse.