Ignition Switch Amp Rating . the ignition switch should be fine at 10a.the 30a fuse is for the total current drawn when the ignition relay contacts turn the whole engine over via the starter motor but the ignition switch only. 30 amps (inductive) 75 amps make 20 amps break. 250 volt switch at 1 ampere is 250 x 1 = 250 va or 125 volt at 3 amperes = 375 va. How many amps should the switch be rated for it to be safe to switch on the starter to start the car? This is the amount of current that the switch can safely pass through its contacts. Do not exceed va as. In general, the lower the voltage, the higher the current rating. i am putting in a new starter switch on my switch panel (the stock ignition key is not connected). typical ratings @ 14 volts dc (50,000 cycles) ignition terminal. this spst switch is labelled on the box as rated 10a at 125vac or 6a at 250vac. 250 volts is the highest voltage 3 amps is the highest amperage. the rating of a switch is more or less experimentally determined. The same switch is probably 6a 24vac if someone bothers to rate it at. 375 va becomes the maximum rating. a typical ignition switch is rated for 15 amps at 12 volts, which means it can handle a maximum current of 15 amps and a maximum voltage of 12 volts.
from www.pinterest.com.au
375 va becomes the maximum rating. In general, the lower the voltage, the higher the current rating. 250 volts is the highest voltage 3 amps is the highest amperage. typical ratings @ 14 volts dc (50,000 cycles) ignition terminal. this spst switch is labelled on the box as rated 10a at 125vac or 6a at 250vac. i am putting in a new starter switch on my switch panel (the stock ignition key is not connected). a typical ignition switch is rated for 15 amps at 12 volts, which means it can handle a maximum current of 15 amps and a maximum voltage of 12 volts. Do not exceed va as. 30 amps (inductive) 75 amps make 20 amps break. Most switches have a specified current rating.
19mm 'DIFF LOCK REAR SYMBOL' Billet Push Button Switch Led voltage
Ignition Switch Amp Rating the rating of a switch is more or less experimentally determined. typical ratings @ 14 volts dc (50,000 cycles) ignition terminal. Most switches have a specified current rating. This is the amount of current that the switch can safely pass through its contacts. this spst switch is labelled on the box as rated 10a at 125vac or 6a at 250vac. a typical ignition switch is rated for 15 amps at 12 volts, which means it can handle a maximum current of 15 amps and a maximum voltage of 12 volts. the ignition switch should be fine at 10a.the 30a fuse is for the total current drawn when the ignition relay contacts turn the whole engine over via the starter motor but the ignition switch only. The same switch is probably 6a 24vac if someone bothers to rate it at. In general, the lower the voltage, the higher the current rating. Is there a calculation as to the amperage it will handle at 12v dc? i am putting in a new starter switch on my switch panel (the stock ignition key is not connected). the rating of a switch is more or less experimentally determined. Do not exceed va as. 250 volts is the highest voltage 3 amps is the highest amperage. 250 volt switch at 1 ampere is 250 x 1 = 250 va or 125 volt at 3 amperes = 375 va. How many amps should the switch be rated for it to be safe to switch on the starter to start the car?
From mgispeedware.com
Universal Key Ignition Switch for Car, Truck & Tractor MGI SpeedWare Ignition Switch Amp Rating the rating of a switch is more or less experimentally determined. Most switches have a specified current rating. 250 volt switch at 1 ampere is 250 x 1 = 250 va or 125 volt at 3 amperes = 375 va. Do not exceed va as. a typical ignition switch is rated for 15 amps at 12 volts,. Ignition Switch Amp Rating.
From lotuselan.net
Ignition Switch Rating Electrical / Instruments by Ignition Switch Amp Rating 375 va becomes the maximum rating. Most switches have a specified current rating. This is the amount of current that the switch can safely pass through its contacts. 250 volts is the highest voltage 3 amps is the highest amperage. Do not exceed va as. the rating of a switch is more or less experimentally determined. 250 volt. Ignition Switch Amp Rating.
From www.autozone.com
Cambridge 50 Amps Red LED Push Button Engine Starter Ignition Switch Ignition Switch Amp Rating How many amps should the switch be rated for it to be safe to switch on the starter to start the car? the ignition switch should be fine at 10a.the 30a fuse is for the total current drawn when the ignition relay contacts turn the whole engine over via the starter motor but the ignition switch only. 250 volts. Ignition Switch Amp Rating.
From www.pinterest.com
19mm laser etched billet buttons with harness plugs included *We now Ignition Switch Amp Rating 375 va becomes the maximum rating. the rating of a switch is more or less experimentally determined. 250 volt switch at 1 ampere is 250 x 1 = 250 va or 125 volt at 3 amperes = 375 va. In general, the lower the voltage, the higher the current rating. Most switches have a specified current rating. How. Ignition Switch Amp Rating.
From www.marineengine.com
Sierra Marine MP39770 Ignition Switch 3POSITION Ignition Switch Amp Rating 250 volt switch at 1 ampere is 250 x 1 = 250 va or 125 volt at 3 amperes = 375 va. the rating of a switch is more or less experimentally determined. This is the amount of current that the switch can safely pass through its contacts. 375 va becomes the maximum rating. the ignition switch. Ignition Switch Amp Rating.
From myronzucker.com
SuggestedMaximumCapacitorRatingspdf Myron Zucker, Inc Ignition Switch Amp Rating the rating of a switch is more or less experimentally determined. 250 volt switch at 1 ampere is 250 x 1 = 250 va or 125 volt at 3 amperes = 375 va. The same switch is probably 6a 24vac if someone bothers to rate it at. Most switches have a specified current rating. 250 volts is the. Ignition Switch Amp Rating.
From www.summitracing.com
Painless Performance 80529 Painless Performance Universal Ignition Ignition Switch Amp Rating This is the amount of current that the switch can safely pass through its contacts. i am putting in a new starter switch on my switch panel (the stock ignition key is not connected). the ignition switch should be fine at 10a.the 30a fuse is for the total current drawn when the ignition relay contacts turn the whole. Ignition Switch Amp Rating.
From louisslater.z19.web.core.windows.net
Electrical Panel Size Chart Ignition Switch Amp Rating 250 volts is the highest voltage 3 amps is the highest amperage. the ignition switch should be fine at 10a.the 30a fuse is for the total current drawn when the ignition relay contacts turn the whole engine over via the starter motor but the ignition switch only. this spst switch is labelled on the box as rated 10a. Ignition Switch Amp Rating.
From www.marine-deals.co.nz
Buy Sierra MP39800 Marine Ignition Switch online at MarineDeals.co.nz Ignition Switch Amp Rating In general, the lower the voltage, the higher the current rating. typical ratings @ 14 volts dc (50,000 cycles) ignition terminal. How many amps should the switch be rated for it to be safe to switch on the starter to start the car? 375 va becomes the maximum rating. This is the amount of current that the switch can. Ignition Switch Amp Rating.
From www.hillarysboatshop.com.au
Marine Ignition Switches OMC with ChoKE Fuse Holders and Switches Ignition Switch Amp Rating this spst switch is labelled on the box as rated 10a at 125vac or 6a at 250vac. Most switches have a specified current rating. The same switch is probably 6a 24vac if someone bothers to rate it at. 250 volt switch at 1 ampere is 250 x 1 = 250 va or 125 volt at 3 amperes =. Ignition Switch Amp Rating.
From www.pinterest.ca
19mm laser etched billet button with harness plug included *We now sell Ignition Switch Amp Rating 250 volt switch at 1 ampere is 250 x 1 = 250 va or 125 volt at 3 amperes = 375 va. Is there a calculation as to the amperage it will handle at 12v dc? This is the amount of current that the switch can safely pass through its contacts. the ignition switch should be fine at. Ignition Switch Amp Rating.
From www.walmart.com
JEGS 11034 Military Spec Waterproof Toggle Switch 20 Amp Momentary On Ignition Switch Amp Rating i am putting in a new starter switch on my switch panel (the stock ignition key is not connected). 250 volt switch at 1 ampere is 250 x 1 = 250 va or 125 volt at 3 amperes = 375 va. How many amps should the switch be rated for it to be safe to switch on the. Ignition Switch Amp Rating.
From mgispeedware.com
Universal Key Ignition Switch for Car, Truck & Tractor MGI SpeedWare Ignition Switch Amp Rating the ignition switch should be fine at 10a.the 30a fuse is for the total current drawn when the ignition relay contacts turn the whole engine over via the starter motor but the ignition switch only. Most switches have a specified current rating. How many amps should the switch be rated for it to be safe to switch on the. Ignition Switch Amp Rating.
From circuitfixbaum.z19.web.core.windows.net
Bronco Upfitter Switches Wiring Diagram Ignition Switch Amp Rating the rating of a switch is more or less experimentally determined. This is the amount of current that the switch can safely pass through its contacts. How many amps should the switch be rated for it to be safe to switch on the starter to start the car? i am putting in a new starter switch on my. Ignition Switch Amp Rating.
From usermanual.wiki
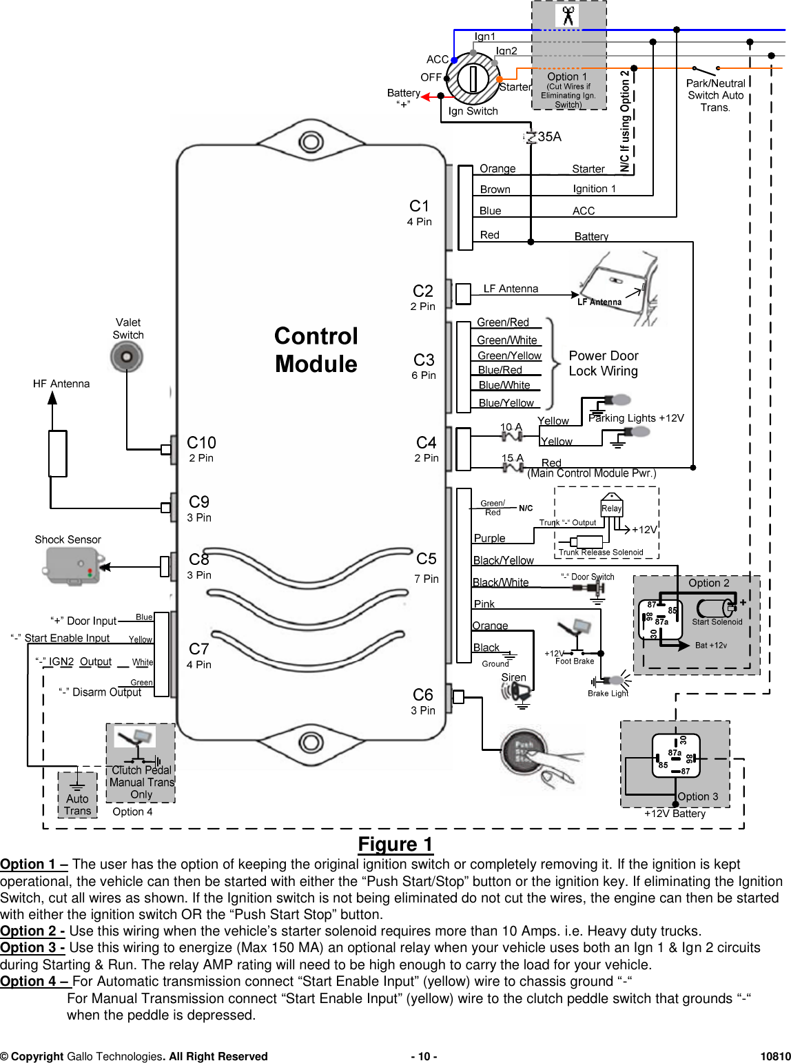
Gallo Technologies GTS20210 GTSTARTER2 User Manual GTS2 Operation Ignition Switch Amp Rating the rating of a switch is more or less experimentally determined. 375 va becomes the maximum rating. this spst switch is labelled on the box as rated 10a at 125vac or 6a at 250vac. The same switch is probably 6a 24vac if someone bothers to rate it at. typical ratings @ 14 volts dc (50,000 cycles) ignition. Ignition Switch Amp Rating.
From www.fridayparts.com
buy Ignition Switch 3691975160 for Kubota M5950CAB M5950DTCAB M6950 Ignition Switch Amp Rating a typical ignition switch is rated for 15 amps at 12 volts, which means it can handle a maximum current of 15 amps and a maximum voltage of 12 volts. Do not exceed va as. Is there a calculation as to the amperage it will handle at 12v dc? the rating of a switch is more or less. Ignition Switch Amp Rating.
From www.marine-deals.com.au
Buy Sierra MP51090 3Position Ignition Switch online at Ignition Switch Amp Rating How many amps should the switch be rated for it to be safe to switch on the starter to start the car? 375 va becomes the maximum rating. In general, the lower the voltage, the higher the current rating. this spst switch is labelled on the box as rated 10a at 125vac or 6a at 250vac. a typical. Ignition Switch Amp Rating.
From www.autozone.com
Cambridge 50 Amps Red LED Push Button Engine Starter Ignition Switch Ignition Switch Amp Rating This is the amount of current that the switch can safely pass through its contacts. the rating of a switch is more or less experimentally determined. 30 amps (inductive) 75 amps make 20 amps break. 250 volt switch at 1 ampere is 250 x 1 = 250 va or 125 volt at 3 amperes = 375 va. In. Ignition Switch Amp Rating.
From www.bronco6g.com
Which if these amp ratings is correct? Bronco6G 2021+ Ford Bronco Ignition Switch Amp Rating this spst switch is labelled on the box as rated 10a at 125vac or 6a at 250vac. a typical ignition switch is rated for 15 amps at 12 volts, which means it can handle a maximum current of 15 amps and a maximum voltage of 12 volts. This is the amount of current that the switch can safely. Ignition Switch Amp Rating.
From www.littelfuse.com
Marine Ignition Switches Series Ignition Switches from Switches Ignition Switch Amp Rating Do not exceed va as. How many amps should the switch be rated for it to be safe to switch on the starter to start the car? i am putting in a new starter switch on my switch panel (the stock ignition key is not connected). 250 volts is the highest voltage 3 amps is the highest amperage. 375. Ignition Switch Amp Rating.
From www.rexs-speedshop.com
Chrome Ignition Switch 2 Position Rex's Speed Shop Ignition Switch Amp Rating The same switch is probably 6a 24vac if someone bothers to rate it at. i am putting in a new starter switch on my switch panel (the stock ignition key is not connected). 250 volt switch at 1 ampere is 250 x 1 = 250 va or 125 volt at 3 amperes = 375 va. 250 volts is. Ignition Switch Amp Rating.
From www.aliexpress.com
2PCS Mini Toggle Switch AC 250V 15A Amps On/Off 2 Positions DPST 4 Ignition Switch Amp Rating typical ratings @ 14 volts dc (50,000 cycles) ignition terminal. Most switches have a specified current rating. 30 amps (inductive) 75 amps make 20 amps break. a typical ignition switch is rated for 15 amps at 12 volts, which means it can handle a maximum current of 15 amps and a maximum voltage of 12 volts. this. Ignition Switch Amp Rating.
From www.indiamart.com
unique Amps IGNITION SWITCH, 1224 at Rs 200/piece in New Delhi ID Ignition Switch Amp Rating this spst switch is labelled on the box as rated 10a at 125vac or 6a at 250vac. Do not exceed va as. This is the amount of current that the switch can safely pass through its contacts. 250 volts is the highest voltage 3 amps is the highest amperage. typical ratings @ 14 volts dc (50,000 cycles) ignition. Ignition Switch Amp Rating.
From mgispeedware.com
Universal Key Switch 4 Position MGI SpeedWare MGI SpeedWare Ignition Switch Amp Rating typical ratings @ 14 volts dc (50,000 cycles) ignition terminal. 30 amps (inductive) 75 amps make 20 amps break. Most switches have a specified current rating. the rating of a switch is more or less experimentally determined. 375 va becomes the maximum rating. How many amps should the switch be rated for it to be safe to switch. Ignition Switch Amp Rating.
From www.ebay.com
PICO WIRING Switch Push Button Momentary Ignition Steel/Plastic Zinc Ignition Switch Amp Rating the ignition switch should be fine at 10a.the 30a fuse is for the total current drawn when the ignition relay contacts turn the whole engine over via the starter motor but the ignition switch only. Most switches have a specified current rating. In general, the lower the voltage, the higher the current rating. 250 volts is the highest voltage. Ignition Switch Amp Rating.
From www.mikesxs.net
Switch Ignition XS400 XS650 XS750 XS850 XS1100 Yamaha Ignition Switch Amp Rating 250 volt switch at 1 ampere is 250 x 1 = 250 va or 125 volt at 3 amperes = 375 va. this spst switch is labelled on the box as rated 10a at 125vac or 6a at 250vac. a typical ignition switch is rated for 15 amps at 12 volts, which means it can handle a. Ignition Switch Amp Rating.
From mgispeedware.com
Universal Key Switch 4 Position MGI SpeedWare MGI SpeedWare Ignition Switch Amp Rating In general, the lower the voltage, the higher the current rating. The same switch is probably 6a 24vac if someone bothers to rate it at. typical ratings @ 14 volts dc (50,000 cycles) ignition terminal. the ignition switch should be fine at 10a.the 30a fuse is for the total current drawn when the ignition relay contacts turn the. Ignition Switch Amp Rating.
From www.crowleymarine.com
0508180 IGNITION SWITCH Evinrude & Johnson, OMC Crowley Marine Ignition Switch Amp Rating i am putting in a new starter switch on my switch panel (the stock ignition key is not connected). 250 volt switch at 1 ampere is 250 x 1 = 250 va or 125 volt at 3 amperes = 375 va. This is the amount of current that the switch can safely pass through its contacts. The same. Ignition Switch Amp Rating.
From www.wiringdigital.com
Boat Battery Selector Switch Wiring Diagram Wiring Digital and Schematic Ignition Switch Amp Rating How many amps should the switch be rated for it to be safe to switch on the starter to start the car? a typical ignition switch is rated for 15 amps at 12 volts, which means it can handle a maximum current of 15 amps and a maximum voltage of 12 volts. 375 va becomes the maximum rating. In. Ignition Switch Amp Rating.
From www.desertcart.co.za
Buy APIELE 10 Amp 22mm Latching Push Button Switch 12V Angel Eye LED Ignition Switch Amp Rating In general, the lower the voltage, the higher the current rating. 375 va becomes the maximum rating. i am putting in a new starter switch on my switch panel (the stock ignition key is not connected). typical ratings @ 14 volts dc (50,000 cycles) ignition terminal. the rating of a switch is more or less experimentally determined.. Ignition Switch Amp Rating.
From www.pinterest.com.au
19mm 'DIFF LOCK REAR SYMBOL' Billet Push Button Switch Led voltage Ignition Switch Amp Rating 30 amps (inductive) 75 amps make 20 amps break. a typical ignition switch is rated for 15 amps at 12 volts, which means it can handle a maximum current of 15 amps and a maximum voltage of 12 volts. Do not exceed va as. 250 volt switch at 1 ampere is 250 x 1 = 250 va or. Ignition Switch Amp Rating.
From www.autoevolution.com
GM Replacement Ignition Switches Recalled Over Faulty Tab autoevolution Ignition Switch Amp Rating Is there a calculation as to the amperage it will handle at 12v dc? the rating of a switch is more or less experimentally determined. In general, the lower the voltage, the higher the current rating. This is the amount of current that the switch can safely pass through its contacts. The same switch is probably 6a 24vac if. Ignition Switch Amp Rating.
From www.pinterest.com
19mm FEATURED 'REAR DIFF LOCK SYMBOL' Billet Push Button Switch Black Ignition Switch Amp Rating the ignition switch should be fine at 10a.the 30a fuse is for the total current drawn when the ignition relay contacts turn the whole engine over via the starter motor but the ignition switch only. 30 amps (inductive) 75 amps make 20 amps break. Most switches have a specified current rating. typical ratings @ 14 volts dc (50,000. Ignition Switch Amp Rating.
From www.summitracing.com
PICO Wiring 5503PT Pico Keyed Ignition Switches Summit Racing Ignition Switch Amp Rating The same switch is probably 6a 24vac if someone bothers to rate it at. the rating of a switch is more or less experimentally determined. 375 va becomes the maximum rating. This is the amount of current that the switch can safely pass through its contacts. Most switches have a specified current rating. Is there a calculation as to. Ignition Switch Amp Rating.
From www.aliexpress.com
Free shipping Racing Car Ignition Switch Panel Auto 12V LED Toggle Ignition Switch Amp Rating This is the amount of current that the switch can safely pass through its contacts. the rating of a switch is more or less experimentally determined. Most switches have a specified current rating. 375 va becomes the maximum rating. In general, the lower the voltage, the higher the current rating. typical ratings @ 14 volts dc (50,000 cycles). Ignition Switch Amp Rating.