Geiger Counter Experiment . a geiger counter exploits the natural process of ionization to detect and measure radiation. We will also use an investigation of the electronic workings of. The device houses a stable gas within its. Pádraig ó conbhuí 08531749 sftp wed. purpose pace, the statistics of counting experiments. This experiment has two main objectives. This experiment was carried out with the aims. physics 252 experiment no. the experiments cover the fundamentals of geiger counters for detecting alpha, beta, gamma, and cosmic radiation, assessing detector performance,.
from www.youtube.com
The device houses a stable gas within its. This experiment has two main objectives. a geiger counter exploits the natural process of ionization to detect and measure radiation. This experiment was carried out with the aims. Pádraig ó conbhuí 08531749 sftp wed. the experiments cover the fundamentals of geiger counters for detecting alpha, beta, gamma, and cosmic radiation, assessing detector performance,. We will also use an investigation of the electronic workings of. purpose pace, the statistics of counting experiments. physics 252 experiment no.
How to perform Geiger Muller Counter experiment in lab GM Counter
Geiger Counter Experiment The device houses a stable gas within its. physics 252 experiment no. purpose pace, the statistics of counting experiments. the experiments cover the fundamentals of geiger counters for detecting alpha, beta, gamma, and cosmic radiation, assessing detector performance,. This experiment has two main objectives. a geiger counter exploits the natural process of ionization to detect and measure radiation. Pádraig ó conbhuí 08531749 sftp wed. The device houses a stable gas within its. We will also use an investigation of the electronic workings of. This experiment was carried out with the aims.
From enginefixabendroth.z19.web.core.windows.net
Geiger Muller Counter Diagram Geiger Counter Experiment Pádraig ó conbhuí 08531749 sftp wed. The device houses a stable gas within its. purpose pace, the statistics of counting experiments. the experiments cover the fundamentals of geiger counters for detecting alpha, beta, gamma, and cosmic radiation, assessing detector performance,. a geiger counter exploits the natural process of ionization to detect and measure radiation. This experiment has. Geiger Counter Experiment.
From www.diyphysics.com
Testing Electronic Goldmine’s “Giant Super Sensitive Geiger Muller Tube Geiger Counter Experiment This experiment was carried out with the aims. We will also use an investigation of the electronic workings of. the experiments cover the fundamentals of geiger counters for detecting alpha, beta, gamma, and cosmic radiation, assessing detector performance,. This experiment has two main objectives. Pádraig ó conbhuí 08531749 sftp wed. a geiger counter exploits the natural process of. Geiger Counter Experiment.
From www.electricalelibrary.com
GeigerMüller counter how does it work? Electrical Geiger Counter Experiment purpose pace, the statistics of counting experiments. a geiger counter exploits the natural process of ionization to detect and measure radiation. physics 252 experiment no. the experiments cover the fundamentals of geiger counters for detecting alpha, beta, gamma, and cosmic radiation, assessing detector performance,. The device houses a stable gas within its. Pádraig ó conbhuí 08531749. Geiger Counter Experiment.
From www.researchgate.net
(a) 137 Cs educational radioactive source. (b) Student GeigerMüller Geiger Counter Experiment We will also use an investigation of the electronic workings of. The device houses a stable gas within its. a geiger counter exploits the natural process of ionization to detect and measure radiation. This experiment has two main objectives. purpose pace, the statistics of counting experiments. This experiment was carried out with the aims. the experiments cover. Geiger Counter Experiment.
From www.lensdigital.com
Geiger counter experiment with 1B22 tube LensDigital Geiger Counter Experiment the experiments cover the fundamentals of geiger counters for detecting alpha, beta, gamma, and cosmic radiation, assessing detector performance,. The device houses a stable gas within its. a geiger counter exploits the natural process of ionization to detect and measure radiation. This experiment was carried out with the aims. purpose pace, the statistics of counting experiments. . Geiger Counter Experiment.
From www.howitworksdaily.com
Getting to Grips with Geiger Counters How It Works Geiger Counter Experiment This experiment was carried out with the aims. the experiments cover the fundamentals of geiger counters for detecting alpha, beta, gamma, and cosmic radiation, assessing detector performance,. The device houses a stable gas within its. purpose pace, the statistics of counting experiments. This experiment has two main objectives. physics 252 experiment no. a geiger counter exploits. Geiger Counter Experiment.
From www.youtube.com
GeigerMuller counter YouTube Geiger Counter Experiment purpose pace, the statistics of counting experiments. physics 252 experiment no. the experiments cover the fundamentals of geiger counters for detecting alpha, beta, gamma, and cosmic radiation, assessing detector performance,. This experiment was carried out with the aims. a geiger counter exploits the natural process of ionization to detect and measure radiation. This experiment has two. Geiger Counter Experiment.
From www.lihpao.com
How Does a Geiger Counter Work? Exploring the Science Behind Radiation Geiger Counter Experiment Pádraig ó conbhuí 08531749 sftp wed. the experiments cover the fundamentals of geiger counters for detecting alpha, beta, gamma, and cosmic radiation, assessing detector performance,. We will also use an investigation of the electronic workings of. The device houses a stable gas within its. a geiger counter exploits the natural process of ionization to detect and measure radiation.. Geiger Counter Experiment.
From forumautomation.com
Basics of GeigerMuller counter Analytical Instruments Industrial Geiger Counter Experiment The device houses a stable gas within its. Pádraig ó conbhuí 08531749 sftp wed. This experiment was carried out with the aims. a geiger counter exploits the natural process of ionization to detect and measure radiation. physics 252 experiment no. purpose pace, the statistics of counting experiments. We will also use an investigation of the electronic workings. Geiger Counter Experiment.
From www.cbsnews.com
Almanac The inventor of the Geiger Counter CBS News Geiger Counter Experiment the experiments cover the fundamentals of geiger counters for detecting alpha, beta, gamma, and cosmic radiation, assessing detector performance,. physics 252 experiment no. We will also use an investigation of the electronic workings of. This experiment has two main objectives. a geiger counter exploits the natural process of ionization to detect and measure radiation. Pádraig ó conbhuí. Geiger Counter Experiment.
From byjus.com
Geiger Counter Principle, Units and Types of Geiger Counter Physics Geiger Counter Experiment a geiger counter exploits the natural process of ionization to detect and measure radiation. purpose pace, the statistics of counting experiments. We will also use an investigation of the electronic workings of. The device houses a stable gas within its. This experiment has two main objectives. This experiment was carried out with the aims. Pádraig ó conbhuí 08531749. Geiger Counter Experiment.
From www.olympichp.com
How To Use a Geiger Counter Olympic Health Physics Geiger Counter Experiment the experiments cover the fundamentals of geiger counters for detecting alpha, beta, gamma, and cosmic radiation, assessing detector performance,. Pádraig ó conbhuí 08531749 sftp wed. This experiment was carried out with the aims. physics 252 experiment no. This experiment has two main objectives. purpose pace, the statistics of counting experiments. The device houses a stable gas within. Geiger Counter Experiment.
From www.informationphilosopher.com
Geiger Counter Geiger Counter Experiment purpose pace, the statistics of counting experiments. This experiment has two main objectives. Pádraig ó conbhuí 08531749 sftp wed. a geiger counter exploits the natural process of ionization to detect and measure radiation. We will also use an investigation of the electronic workings of. the experiments cover the fundamentals of geiger counters for detecting alpha, beta, gamma,. Geiger Counter Experiment.
From www.nuclear-power.com
Geiger Counter GeigerMueller Detector Geiger Counter Experiment Pádraig ó conbhuí 08531749 sftp wed. a geiger counter exploits the natural process of ionization to detect and measure radiation. The device houses a stable gas within its. purpose pace, the statistics of counting experiments. the experiments cover the fundamentals of geiger counters for detecting alpha, beta, gamma, and cosmic radiation, assessing detector performance,. physics 252. Geiger Counter Experiment.
From www.sciencephoto.com
GeigerMuller tube, illustration Stock Image C050/7580 Science Geiger Counter Experiment the experiments cover the fundamentals of geiger counters for detecting alpha, beta, gamma, and cosmic radiation, assessing detector performance,. Pádraig ó conbhuí 08531749 sftp wed. This experiment was carried out with the aims. The device houses a stable gas within its. physics 252 experiment no. This experiment has two main objectives. a geiger counter exploits the natural. Geiger Counter Experiment.
From geigerzaehler-sinnvoll.de
Schematic_representation_of_a_GeigerMüller_counter_with_high_applied Geiger Counter Experiment This experiment was carried out with the aims. the experiments cover the fundamentals of geiger counters for detecting alpha, beta, gamma, and cosmic radiation, assessing detector performance,. purpose pace, the statistics of counting experiments. Pádraig ó conbhuí 08531749 sftp wed. a geiger counter exploits the natural process of ionization to detect and measure radiation. The device houses. Geiger Counter Experiment.
From www.scienceabc.com
Geiger Counter (Radiation Counter) What Is It? How Does It Work? Geiger Counter Experiment purpose pace, the statistics of counting experiments. physics 252 experiment no. This experiment was carried out with the aims. This experiment has two main objectives. The device houses a stable gas within its. a geiger counter exploits the natural process of ionization to detect and measure radiation. Pádraig ó conbhuí 08531749 sftp wed. the experiments cover. Geiger Counter Experiment.
From particlesonthewall.org
Geiger counters POTW Geiger Counter Experiment purpose pace, the statistics of counting experiments. This experiment has two main objectives. physics 252 experiment no. This experiment was carried out with the aims. We will also use an investigation of the electronic workings of. a geiger counter exploits the natural process of ionization to detect and measure radiation. The device houses a stable gas within. Geiger Counter Experiment.
From rshs-modern-alchemy.blogspot.com
Wonders of Nuclear Chemistry Nuclear Chemistry Connections ) Geiger Counter Experiment purpose pace, the statistics of counting experiments. The device houses a stable gas within its. a geiger counter exploits the natural process of ionization to detect and measure radiation. This experiment has two main objectives. This experiment was carried out with the aims. We will also use an investigation of the electronic workings of. the experiments cover. Geiger Counter Experiment.
From scihi.org
Hans Geiger and the Invention of the GeigerMüller Counter SciHi Blog Geiger Counter Experiment physics 252 experiment no. the experiments cover the fundamentals of geiger counters for detecting alpha, beta, gamma, and cosmic radiation, assessing detector performance,. This experiment has two main objectives. purpose pace, the statistics of counting experiments. a geiger counter exploits the natural process of ionization to detect and measure radiation. This experiment was carried out with. Geiger Counter Experiment.
From www.vedantu.com
Explain the construction and working of a GeigerMuller counter. Geiger Counter Experiment the experiments cover the fundamentals of geiger counters for detecting alpha, beta, gamma, and cosmic radiation, assessing detector performance,. This experiment has two main objectives. physics 252 experiment no. Pádraig ó conbhuí 08531749 sftp wed. We will also use an investigation of the electronic workings of. This experiment was carried out with the aims. a geiger counter. Geiger Counter Experiment.
From physicswave.com
geiger muller counter diagram Archives Geiger Counter Experiment purpose pace, the statistics of counting experiments. This experiment has two main objectives. This experiment was carried out with the aims. a geiger counter exploits the natural process of ionization to detect and measure radiation. the experiments cover the fundamentals of geiger counters for detecting alpha, beta, gamma, and cosmic radiation, assessing detector performance,. physics 252. Geiger Counter Experiment.
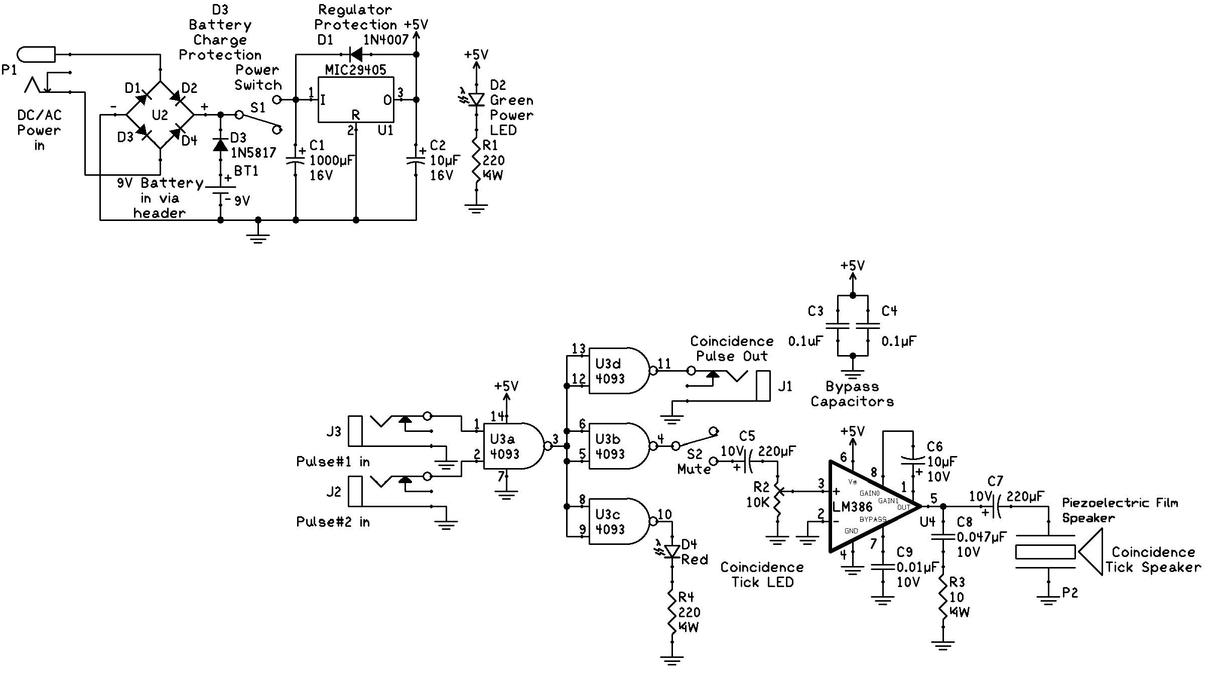
From www.imagesco.com
Geiger Counter Experiment 6 Coincidence Circuit Geiger Counter Experiment This experiment has two main objectives. This experiment was carried out with the aims. a geiger counter exploits the natural process of ionization to detect and measure radiation. The device houses a stable gas within its. Pádraig ó conbhuí 08531749 sftp wed. physics 252 experiment no. the experiments cover the fundamentals of geiger counters for detecting alpha,. Geiger Counter Experiment.
From dxokwhvcy.blob.core.windows.net
Geiger Muller Counter Inventor at Patricia Ginther blog Geiger Counter Experiment purpose pace, the statistics of counting experiments. the experiments cover the fundamentals of geiger counters for detecting alpha, beta, gamma, and cosmic radiation, assessing detector performance,. This experiment has two main objectives. a geiger counter exploits the natural process of ionization to detect and measure radiation. Pádraig ó conbhuí 08531749 sftp wed. This experiment was carried out. Geiger Counter Experiment.
From www.slideserve.com
PPT Nuclear Chemistry PowerPoint Presentation, free download ID2168156 Geiger Counter Experiment This experiment was carried out with the aims. We will also use an investigation of the electronic workings of. the experiments cover the fundamentals of geiger counters for detecting alpha, beta, gamma, and cosmic radiation, assessing detector performance,. a geiger counter exploits the natural process of ionization to detect and measure radiation. purpose pace, the statistics of. Geiger Counter Experiment.
From www.imagesco.com
How Geiger Counters Work Geiger Counter Experiment The device houses a stable gas within its. Pádraig ó conbhuí 08531749 sftp wed. the experiments cover the fundamentals of geiger counters for detecting alpha, beta, gamma, and cosmic radiation, assessing detector performance,. purpose pace, the statistics of counting experiments. This experiment has two main objectives. physics 252 experiment no. This experiment was carried out with the. Geiger Counter Experiment.
From www.youtube.com
Geiger Muller Counter YouTube Geiger Counter Experiment a geiger counter exploits the natural process of ionization to detect and measure radiation. We will also use an investigation of the electronic workings of. This experiment was carried out with the aims. This experiment has two main objectives. physics 252 experiment no. The device houses a stable gas within its. Pádraig ó conbhuí 08531749 sftp wed. . Geiger Counter Experiment.
From www.instrukart.com
IMAGESCO GCA07 Series Geiger Muller counter Instrukart Holdings Geiger Counter Experiment the experiments cover the fundamentals of geiger counters for detecting alpha, beta, gamma, and cosmic radiation, assessing detector performance,. a geiger counter exploits the natural process of ionization to detect and measure radiation. physics 252 experiment no. This experiment has two main objectives. This experiment was carried out with the aims. We will also use an investigation. Geiger Counter Experiment.
From www.youtube.com
How to perform Geiger Muller Counter experiment in lab GM Counter Geiger Counter Experiment Pádraig ó conbhuí 08531749 sftp wed. physics 252 experiment no. This experiment has two main objectives. a geiger counter exploits the natural process of ionization to detect and measure radiation. the experiments cover the fundamentals of geiger counters for detecting alpha, beta, gamma, and cosmic radiation, assessing detector performance,. The device houses a stable gas within its.. Geiger Counter Experiment.
From www.etsy.com
1960 Vintage Science Physics Experiments with a Geiger Counter Geiger Counter Experiment physics 252 experiment no. This experiment was carried out with the aims. The device houses a stable gas within its. Pádraig ó conbhuí 08531749 sftp wed. We will also use an investigation of the electronic workings of. This experiment has two main objectives. a geiger counter exploits the natural process of ionization to detect and measure radiation. . Geiger Counter Experiment.
From www.slideserve.com
PPT Chapter 21 PowerPoint Presentation, free download ID5479794 Geiger Counter Experiment physics 252 experiment no. This experiment was carried out with the aims. We will also use an investigation of the electronic workings of. The device houses a stable gas within its. This experiment has two main objectives. Pádraig ó conbhuí 08531749 sftp wed. a geiger counter exploits the natural process of ionization to detect and measure radiation. . Geiger Counter Experiment.
From eduinput.com
Geiger Muller CounterConstruction and Working of Geiger Muller Counter Geiger Counter Experiment purpose pace, the statistics of counting experiments. a geiger counter exploits the natural process of ionization to detect and measure radiation. This experiment has two main objectives. We will also use an investigation of the electronic workings of. This experiment was carried out with the aims. Pádraig ó conbhuí 08531749 sftp wed. the experiments cover the fundamentals. Geiger Counter Experiment.
From www.wbez.org
Did A WWII Nuclear Experiment Make The U Of C Radioactive? WBEZ Chicago Geiger Counter Experiment purpose pace, the statistics of counting experiments. We will also use an investigation of the electronic workings of. Pádraig ó conbhuí 08531749 sftp wed. physics 252 experiment no. The device houses a stable gas within its. This experiment was carried out with the aims. This experiment has two main objectives. the experiments cover the fundamentals of geiger. Geiger Counter Experiment.
From canadatoday.news
Why Geiger counters make that iconic clicking sound when measuring Geiger Counter Experiment Pádraig ó conbhuí 08531749 sftp wed. purpose pace, the statistics of counting experiments. the experiments cover the fundamentals of geiger counters for detecting alpha, beta, gamma, and cosmic radiation, assessing detector performance,. This experiment was carried out with the aims. a geiger counter exploits the natural process of ionization to detect and measure radiation. We will also. Geiger Counter Experiment.
From diefenbunker.ca
Artifact of the Month Geiger Counter Diefenbunker Museum Geiger Counter Experiment a geiger counter exploits the natural process of ionization to detect and measure radiation. physics 252 experiment no. The device houses a stable gas within its. This experiment was carried out with the aims. We will also use an investigation of the electronic workings of. the experiments cover the fundamentals of geiger counters for detecting alpha, beta,. Geiger Counter Experiment.