Spindle Lock Drill . A spindle lock is a handy tool used to keep a power tool or machinery’s spindle or shaft from rotating while you’re changing accessories, like blades or bits. Engage the spindle lock when adjusting the chuck or changing the drill. To use a spindle lock, first, make sure the power tool is unplugged or turned off. Locate the spindle lock on your drill press. A spindle lock on a drill press is a feature that allows the user to lock the spindle in place, making it easier to change the drill bit. A spindle lock is a feature on power tools like drills and grinders that immobilizes the rotation of the tool’s spindle during accessories. A spindle lock on a drill press is a mechanism that allows the user to lock the drill bit in place, making it easier to change the bit. It’s a safety feature that prevents accidents by immobilizing the spinning parts.
from s3.amazonaws.com
Engage the spindle lock when adjusting the chuck or changing the drill. A spindle lock is a handy tool used to keep a power tool or machinery’s spindle or shaft from rotating while you’re changing accessories, like blades or bits. It’s a safety feature that prevents accidents by immobilizing the spinning parts. To use a spindle lock, first, make sure the power tool is unplugged or turned off. Locate the spindle lock on your drill press. A spindle lock on a drill press is a feature that allows the user to lock the spindle in place, making it easier to change the drill bit. A spindle lock is a feature on power tools like drills and grinders that immobilizes the rotation of the tool’s spindle during accessories. A spindle lock on a drill press is a mechanism that allows the user to lock the drill bit in place, making it easier to change the bit.
Drill press spindle design, android multi tool.zip download, powerpoint
Spindle Lock Drill A spindle lock on a drill press is a mechanism that allows the user to lock the drill bit in place, making it easier to change the bit. A spindle lock on a drill press is a feature that allows the user to lock the spindle in place, making it easier to change the drill bit. A spindle lock is a feature on power tools like drills and grinders that immobilizes the rotation of the tool’s spindle during accessories. To use a spindle lock, first, make sure the power tool is unplugged or turned off. A spindle lock is a handy tool used to keep a power tool or machinery’s spindle or shaft from rotating while you’re changing accessories, like blades or bits. Locate the spindle lock on your drill press. A spindle lock on a drill press is a mechanism that allows the user to lock the drill bit in place, making it easier to change the bit. It’s a safety feature that prevents accidents by immobilizing the spinning parts. Engage the spindle lock when adjusting the chuck or changing the drill.
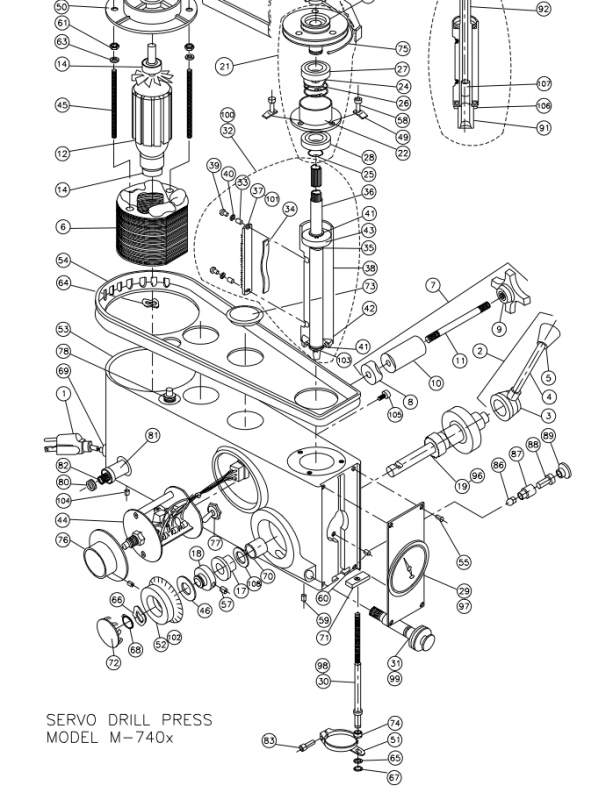
From www.practicalmachinist.com
Designing a spindle lock for a Servo Micro drill press Spindle Lock Drill It’s a safety feature that prevents accidents by immobilizing the spinning parts. A spindle lock on a drill press is a mechanism that allows the user to lock the drill bit in place, making it easier to change the bit. A spindle lock is a handy tool used to keep a power tool or machinery’s spindle or shaft from rotating. Spindle Lock Drill.
From czjyjc.en.made-in-china.com
Z5032/Z5040/Z5045 Gear Driven Drilling Upright Drill Positive Spindle Spindle Lock Drill Locate the spindle lock on your drill press. To use a spindle lock, first, make sure the power tool is unplugged or turned off. A spindle lock on a drill press is a feature that allows the user to lock the spindle in place, making it easier to change the drill bit. A spindle lock is a handy tool used. Spindle Lock Drill.
From autodrill.com
Multiple Spindle Heads Tapping Spindle Spindle Lock Drill A spindle lock is a feature on power tools like drills and grinders that immobilizes the rotation of the tool’s spindle during accessories. A spindle lock on a drill press is a mechanism that allows the user to lock the drill bit in place, making it easier to change the bit. It’s a safety feature that prevents accidents by immobilizing. Spindle Lock Drill.
From autodrill.com
Multiple Spindle Heads Tapping Spindle Spindle Lock Drill A spindle lock on a drill press is a feature that allows the user to lock the spindle in place, making it easier to change the drill bit. It’s a safety feature that prevents accidents by immobilizing the spinning parts. A spindle lock on a drill press is a mechanism that allows the user to lock the drill bit in. Spindle Lock Drill.
From s3.amazonaws.com
Drill press spindle design, android multi tool.zip download, powerpoint Spindle Lock Drill A spindle lock on a drill press is a mechanism that allows the user to lock the drill bit in place, making it easier to change the bit. A spindle lock is a handy tool used to keep a power tool or machinery’s spindle or shaft from rotating while you’re changing accessories, like blades or bits. A spindle lock on. Spindle Lock Drill.
From gooddrillpress.com
What is a spindle lock on a drill press? Good Drill Press Spindle Lock Drill A spindle lock is a feature on power tools like drills and grinders that immobilizes the rotation of the tool’s spindle during accessories. It’s a safety feature that prevents accidents by immobilizing the spinning parts. Engage the spindle lock when adjusting the chuck or changing the drill. A spindle lock on a drill press is a feature that allows the. Spindle Lock Drill.
From www.aliexpress.com
Table Drill Spindle High Precision Unpowered Spindle Assembly for Table Spindle Lock Drill A spindle lock on a drill press is a feature that allows the user to lock the spindle in place, making it easier to change the drill bit. A spindle lock is a feature on power tools like drills and grinders that immobilizes the rotation of the tool’s spindle during accessories. Engage the spindle lock when adjusting the chuck or. Spindle Lock Drill.
From www.vectorstock.com
Automatic spindle lock system in drill Royalty Free Vector Spindle Lock Drill Locate the spindle lock on your drill press. A spindle lock is a feature on power tools like drills and grinders that immobilizes the rotation of the tool’s spindle during accessories. A spindle lock on a drill press is a feature that allows the user to lock the spindle in place, making it easier to change the drill bit. It’s. Spindle Lock Drill.
From www.aliexpress.com
Buy Tacklife PCD02C Drill 12V 2000mAh Lithium Ion Spindle Lock Drill It’s a safety feature that prevents accidents by immobilizing the spinning parts. A spindle lock is a feature on power tools like drills and grinders that immobilizes the rotation of the tool’s spindle during accessories. A spindle lock on a drill press is a mechanism that allows the user to lock the drill bit in place, making it easier to. Spindle Lock Drill.
From www.youtube.com
BF30 Spindle Lock & Drill stop closeup YouTube Spindle Lock Drill A spindle lock on a drill press is a mechanism that allows the user to lock the drill bit in place, making it easier to change the bit. To use a spindle lock, first, make sure the power tool is unplugged or turned off. A spindle lock is a feature on power tools like drills and grinders that immobilizes the. Spindle Lock Drill.
From www.hobby-machinist.com
Spindle lock kit for rong fu type mill drills 23.00 make offer free Spindle Lock Drill Locate the spindle lock on your drill press. It’s a safety feature that prevents accidents by immobilizing the spinning parts. A spindle lock on a drill press is a mechanism that allows the user to lock the drill bit in place, making it easier to change the bit. Engage the spindle lock when adjusting the chuck or changing the drill.. Spindle Lock Drill.
From www.phenomengineering.com
Safe Spindle Lock Spindle Lock Drill To use a spindle lock, first, make sure the power tool is unplugged or turned off. A spindle lock on a drill press is a feature that allows the user to lock the spindle in place, making it easier to change the drill bit. It’s a safety feature that prevents accidents by immobilizing the spinning parts. Locate the spindle lock. Spindle Lock Drill.
From www.ebay.com
Delta Drill Press w/Multi Spindle Drill Head 3/4HP eBay Spindle Lock Drill A spindle lock on a drill press is a feature that allows the user to lock the spindle in place, making it easier to change the drill bit. To use a spindle lock, first, make sure the power tool is unplugged or turned off. Engage the spindle lock when adjusting the chuck or changing the drill. A spindle lock on. Spindle Lock Drill.
From www.projectsbyzac.com
How to make a drill press spindle lock clamp Projects by Zac Spindle Lock Drill A spindle lock on a drill press is a mechanism that allows the user to lock the drill bit in place, making it easier to change the bit. It’s a safety feature that prevents accidents by immobilizing the spinning parts. To use a spindle lock, first, make sure the power tool is unplugged or turned off. A spindle lock is. Spindle Lock Drill.
From www.ebay.com
Craftsman 04XV Drill Press Spindle Pulley Lock Nut eBay Spindle Lock Drill It’s a safety feature that prevents accidents by immobilizing the spinning parts. A spindle lock is a handy tool used to keep a power tool or machinery’s spindle or shaft from rotating while you’re changing accessories, like blades or bits. Engage the spindle lock when adjusting the chuck or changing the drill. A spindle lock on a drill press is. Spindle Lock Drill.
From www.youtube.com
Spindle lock for PM25 milling machine YouTube Spindle Lock Drill It’s a safety feature that prevents accidents by immobilizing the spinning parts. A spindle lock is a feature on power tools like drills and grinders that immobilizes the rotation of the tool’s spindle during accessories. A spindle lock on a drill press is a feature that allows the user to lock the spindle in place, making it easier to change. Spindle Lock Drill.
From gooddrillpress.com
What is a spindle lock on a drill press? Good Drill Press Spindle Lock Drill Engage the spindle lock when adjusting the chuck or changing the drill. Locate the spindle lock on your drill press. A spindle lock is a handy tool used to keep a power tool or machinery’s spindle or shaft from rotating while you’re changing accessories, like blades or bits. It’s a safety feature that prevents accidents by immobilizing the spinning parts.. Spindle Lock Drill.
From www.hobby-machinist.com
Spindle lock kit for rong fu type mill drills 23.00 make offer free Spindle Lock Drill Locate the spindle lock on your drill press. A spindle lock on a drill press is a mechanism that allows the user to lock the drill bit in place, making it easier to change the bit. A spindle lock is a handy tool used to keep a power tool or machinery’s spindle or shaft from rotating while you’re changing accessories,. Spindle Lock Drill.
From www.mmtoolparts.com
Milwaukee 082220 a98a Parts 13mm DRILL with SPINDLE LOCK110V Spindle Lock Drill It’s a safety feature that prevents accidents by immobilizing the spinning parts. A spindle lock on a drill press is a mechanism that allows the user to lock the drill bit in place, making it easier to change the bit. Engage the spindle lock when adjusting the chuck or changing the drill. Locate the spindle lock on your drill press.. Spindle Lock Drill.
From community.carbide3d.com
Spindle lock ideas for DW611? Shapeoko Carbide 3D Community Site Spindle Lock Drill A spindle lock on a drill press is a mechanism that allows the user to lock the drill bit in place, making it easier to change the bit. A spindle lock on a drill press is a feature that allows the user to lock the spindle in place, making it easier to change the drill bit. It’s a safety feature. Spindle Lock Drill.
From homefixated.com
NOVA Voyager DVR Drill Press A Smart Game Changer Home Fixated Spindle Lock Drill Locate the spindle lock on your drill press. A spindle lock is a handy tool used to keep a power tool or machinery’s spindle or shaft from rotating while you’re changing accessories, like blades or bits. Engage the spindle lock when adjusting the chuck or changing the drill. A spindle lock on a drill press is a feature that allows. Spindle Lock Drill.
From ebictools.en.made-in-china.com
Fixtec 12V 10mm 25n. M Liion Battery Cordless Drill with Spindle Lock Spindle Lock Drill Locate the spindle lock on your drill press. Engage the spindle lock when adjusting the chuck or changing the drill. A spindle lock is a feature on power tools like drills and grinders that immobilizes the rotation of the tool’s spindle during accessories. A spindle lock on a drill press is a feature that allows the user to lock the. Spindle Lock Drill.
From shopee.com.my
10mm Drill Lock Ordinary Drill Head Lock Shopee Malaysia Spindle Lock Drill It’s a safety feature that prevents accidents by immobilizing the spinning parts. To use a spindle lock, first, make sure the power tool is unplugged or turned off. Locate the spindle lock on your drill press. A spindle lock on a drill press is a mechanism that allows the user to lock the drill bit in place, making it easier. Spindle Lock Drill.
From www.practicalmachinist.com
Designing a spindle lock for a Servo Micro drill press Spindle Lock Drill Locate the spindle lock on your drill press. A spindle lock is a feature on power tools like drills and grinders that immobilizes the rotation of the tool’s spindle during accessories. Engage the spindle lock when adjusting the chuck or changing the drill. A spindle lock on a drill press is a feature that allows the user to lock the. Spindle Lock Drill.
From za.blackanddecker.global
710w vsr 13mm keyed spindle lock hammer BLACK+DECKER Spindle Lock Drill It’s a safety feature that prevents accidents by immobilizing the spinning parts. A spindle lock is a feature on power tools like drills and grinders that immobilizes the rotation of the tool’s spindle during accessories. A spindle lock on a drill press is a mechanism that allows the user to lock the drill bit in place, making it easier to. Spindle Lock Drill.
From www.alibaba.com
Cordless 20v Dual Speed Drill Spindle Lock 13mm Allmetal With Led Spindle Lock Drill A spindle lock is a feature on power tools like drills and grinders that immobilizes the rotation of the tool’s spindle during accessories. It’s a safety feature that prevents accidents by immobilizing the spinning parts. A spindle lock on a drill press is a mechanism that allows the user to lock the drill bit in place, making it easier to. Spindle Lock Drill.
From www.grizzly.com
Spindle Lock for G0463 and G0619 Grizzly Industrial Spindle Lock Drill Locate the spindle lock on your drill press. To use a spindle lock, first, make sure the power tool is unplugged or turned off. A spindle lock on a drill press is a feature that allows the user to lock the spindle in place, making it easier to change the drill bit. It’s a safety feature that prevents accidents by. Spindle Lock Drill.
From autodrill.com
Adjustable Multiple Spindle Heads Tapping Spindle Spindle Lock Drill Locate the spindle lock on your drill press. A spindle lock on a drill press is a mechanism that allows the user to lock the drill bit in place, making it easier to change the bit. A spindle lock is a feature on power tools like drills and grinders that immobilizes the rotation of the tool’s spindle during accessories. It’s. Spindle Lock Drill.
From clough42.com
How to Make a Spindle Lock for the Grizzy G0704 Mill Part 1 Design Spindle Lock Drill A spindle lock on a drill press is a feature that allows the user to lock the spindle in place, making it easier to change the drill bit. A spindle lock on a drill press is a mechanism that allows the user to lock the drill bit in place, making it easier to change the bit. A spindle lock is. Spindle Lock Drill.
From www.practicalmachinist.com
Designing a spindle lock for a Servo Micro drill press Spindle Lock Drill Locate the spindle lock on your drill press. To use a spindle lock, first, make sure the power tool is unplugged or turned off. A spindle lock on a drill press is a feature that allows the user to lock the spindle in place, making it easier to change the drill bit. A spindle lock is a feature on power. Spindle Lock Drill.
From www.cottandco.com
Fobco 7/Eight Single Spindle Drill Spindle Lock Drill A spindle lock on a drill press is a mechanism that allows the user to lock the drill bit in place, making it easier to change the bit. A spindle lock is a feature on power tools like drills and grinders that immobilizes the rotation of the tool’s spindle during accessories. Engage the spindle lock when adjusting the chuck or. Spindle Lock Drill.
From dienbienfriendlytrip.com
Guardian Power Drill Press Parts How To Repair A Drill Press Spindle Spindle Lock Drill A spindle lock on a drill press is a feature that allows the user to lock the spindle in place, making it easier to change the drill bit. To use a spindle lock, first, make sure the power tool is unplugged or turned off. A spindle lock is a handy tool used to keep a power tool or machinery’s spindle. Spindle Lock Drill.
From yoderbrothersmachinery.com
16″ TOS SINGLE SPINDLE DRILL PRESS STOCK 10289 Spindle Lock Drill It’s a safety feature that prevents accidents by immobilizing the spinning parts. Engage the spindle lock when adjusting the chuck or changing the drill. A spindle lock on a drill press is a feature that allows the user to lock the spindle in place, making it easier to change the drill bit. A spindle lock is a handy tool used. Spindle Lock Drill.
From www.youtube.com
G0704 Spindle Lock YouTube Spindle Lock Drill It’s a safety feature that prevents accidents by immobilizing the spinning parts. To use a spindle lock, first, make sure the power tool is unplugged or turned off. A spindle lock on a drill press is a mechanism that allows the user to lock the drill bit in place, making it easier to change the bit. Locate the spindle lock. Spindle Lock Drill.
From clough42.com
How to Make a Spindle Lock for the Grizzy G0704 Mill Part 3 3D Spindle Lock Drill Engage the spindle lock when adjusting the chuck or changing the drill. A spindle lock on a drill press is a mechanism that allows the user to lock the drill bit in place, making it easier to change the bit. A spindle lock on a drill press is a feature that allows the user to lock the spindle in place,. Spindle Lock Drill.