Motor Bell Housing Definition . Below are listed standard society of automotive engineers (sae) adaptation configurations. It comes in two types, removable and integrated bellhousing. How to use bell housing in a. A engine or motor bell housing is a critical component that serves as a protective. The bell housing is essentially a metal casing located near the back end of your engine. Sae housing & flywheel dimensions. Bellhousing is a housing that connect the engine, transmission, and clutch together. A bell housing is an important car part that links the transmission to the engine, ensuring they line up correctly and work well together. What is a bell housing, and what role does it play? It houses several components including the.
from timalco.com.au
It comes in two types, removable and integrated bellhousing. A engine or motor bell housing is a critical component that serves as a protective. A bell housing is an important car part that links the transmission to the engine, ensuring they line up correctly and work well together. How to use bell housing in a. Below are listed standard society of automotive engineers (sae) adaptation configurations. It houses several components including the. The bell housing is essentially a metal casing located near the back end of your engine. What is a bell housing, and what role does it play? Sae housing & flywheel dimensions. Bellhousing is a housing that connect the engine, transmission, and clutch together.
TH1825A Timalco Hydraulics
Motor Bell Housing Definition The bell housing is essentially a metal casing located near the back end of your engine. It comes in two types, removable and integrated bellhousing. The bell housing is essentially a metal casing located near the back end of your engine. Bellhousing is a housing that connect the engine, transmission, and clutch together. It houses several components including the. A bell housing is an important car part that links the transmission to the engine, ensuring they line up correctly and work well together. A engine or motor bell housing is a critical component that serves as a protective. Sae housing & flywheel dimensions. How to use bell housing in a. Below are listed standard society of automotive engineers (sae) adaptation configurations. What is a bell housing, and what role does it play?
From www.hydraulic-components.net
OMT Bell Housing Fits 5.5KW 7.5KW 132 Frame Motor To Group 3.5 Pump OMT Bell Housing Fits 5 Motor Bell Housing Definition The bell housing is essentially a metal casing located near the back end of your engine. It houses several components including the. A engine or motor bell housing is a critical component that serves as a protective. Below are listed standard society of automotive engineers (sae) adaptation configurations. How to use bell housing in a. Bellhousing is a housing that. Motor Bell Housing Definition.
From timalco.com.au
Electric Motor Bell Housings Timalco Hydraulics Motor Bell Housing Definition Sae housing & flywheel dimensions. It comes in two types, removable and integrated bellhousing. Bellhousing is a housing that connect the engine, transmission, and clutch together. A engine or motor bell housing is a critical component that serves as a protective. It houses several components including the. A bell housing is an important car part that links the transmission to. Motor Bell Housing Definition.
From loganclutch.com
Bell Housing Power TakeOff Clutches Motor Bell Housing Definition It houses several components including the. How to use bell housing in a. A engine or motor bell housing is a critical component that serves as a protective. The bell housing is essentially a metal casing located near the back end of your engine. A bell housing is an important car part that links the transmission to the engine, ensuring. Motor Bell Housing Definition.
From astafluid.com
Bell Housing BH 3/5HP0P/1P,AL Asta Fluid Motor Bell Housing Definition A engine or motor bell housing is a critical component that serves as a protective. It comes in two types, removable and integrated bellhousing. What is a bell housing, and what role does it play? Sae housing & flywheel dimensions. It houses several components including the. How to use bell housing in a. A bell housing is an important car. Motor Bell Housing Definition.
From www.ebay.com.au
Electric Motor Bell Housing Hydraulic Pump SAE Flange Mount Variety of Sizes eBay Motor Bell Housing Definition Bellhousing is a housing that connect the engine, transmission, and clutch together. A bell housing is an important car part that links the transmission to the engine, ensuring they line up correctly and work well together. How to use bell housing in a. Sae housing & flywheel dimensions. It comes in two types, removable and integrated bellhousing. A engine or. Motor Bell Housing Definition.
From www.crosshydraulics.com.au
ISO Pump Bell Housings Cross Hydraulics Motor Bell Housing Definition A bell housing is an important car part that links the transmission to the engine, ensuring they line up correctly and work well together. Below are listed standard society of automotive engineers (sae) adaptation configurations. Bellhousing is a housing that connect the engine, transmission, and clutch together. Sae housing & flywheel dimensions. A engine or motor bell housing is a. Motor Bell Housing Definition.
From answertion.com
How does bell housing guarantee the concentricity of the shafts? Q&A Answertion Motor Bell Housing Definition A engine or motor bell housing is a critical component that serves as a protective. How to use bell housing in a. It houses several components including the. Sae housing & flywheel dimensions. Bellhousing is a housing that connect the engine, transmission, and clutch together. The bell housing is essentially a metal casing located near the back end of your. Motor Bell Housing Definition.
From shopping.drive-couplings.com
Die Casting Electric Motor Bellhousing Aluminum Hydraulic Pump Bell Housing Rc400 Motor Bell Housing Definition A bell housing is an important car part that links the transmission to the engine, ensuring they line up correctly and work well together. A engine or motor bell housing is a critical component that serves as a protective. Bellhousing is a housing that connect the engine, transmission, and clutch together. What is a bell housing, and what role does. Motor Bell Housing Definition.
From www.crosshydraulics.com.au
ISO Pump Bell Housings Cross Hydraulics Motor Bell Housing Definition What is a bell housing, and what role does it play? A engine or motor bell housing is a critical component that serves as a protective. Below are listed standard society of automotive engineers (sae) adaptation configurations. It houses several components including the. The bell housing is essentially a metal casing located near the back end of your engine. Sae. Motor Bell Housing Definition.
From www.drive-couplings.com
NEMA Electric Motor Bellhousing Aluminum Alloy Hydraulic Bell Housing RC250 Motor Bell Housing Definition What is a bell housing, and what role does it play? The bell housing is essentially a metal casing located near the back end of your engine. Sae housing & flywheel dimensions. It houses several components including the. A engine or motor bell housing is a critical component that serves as a protective. Bellhousing is a housing that connect the. Motor Bell Housing Definition.
From www.hydraulicsnetwork.com.au
Power Transmission Bell Housings (Electric Motors SAE Pumps) Motor Bell Housing Definition Sae housing & flywheel dimensions. The bell housing is essentially a metal casing located near the back end of your engine. It comes in two types, removable and integrated bellhousing. Bellhousing is a housing that connect the engine, transmission, and clutch together. Below are listed standard society of automotive engineers (sae) adaptation configurations. A engine or motor bell housing is. Motor Bell Housing Definition.
From dutaflow.com
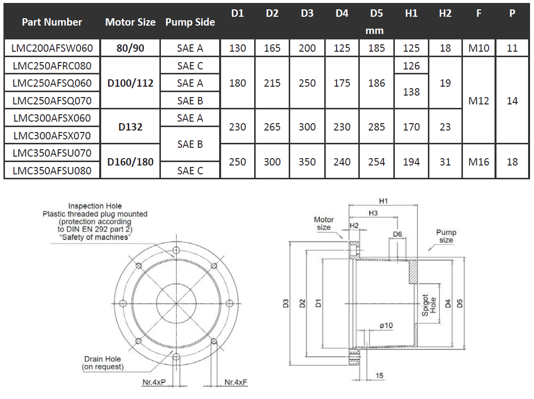
Bell Housing type LMC series Dutaflow Hydrolik Motor Bell Housing Definition The bell housing is essentially a metal casing located near the back end of your engine. A bell housing is an important car part that links the transmission to the engine, ensuring they line up correctly and work well together. A engine or motor bell housing is a critical component that serves as a protective. Sae housing & flywheel dimensions.. Motor Bell Housing Definition.
From www.mpfiltri.com
Pump bell housings (connection with IEC electric motors) Motor Bell Housing Definition Bellhousing is a housing that connect the engine, transmission, and clutch together. The bell housing is essentially a metal casing located near the back end of your engine. Sae housing & flywheel dimensions. A engine or motor bell housing is a critical component that serves as a protective. What is a bell housing, and what role does it play? A. Motor Bell Housing Definition.
From www.mpfiltriusa.com
Pump bell housings (connection with IEC electric motors) MP Filtri USA Motor Bell Housing Definition Below are listed standard society of automotive engineers (sae) adaptation configurations. Sae housing & flywheel dimensions. How to use bell housing in a. It houses several components including the. A bell housing is an important car part that links the transmission to the engine, ensuring they line up correctly and work well together. What is a bell housing, and what. Motor Bell Housing Definition.
From www.flowfitonline.com
Petrol Engine Bell Housing & Drive Couplings Flowfit Motor Bell Housing Definition It houses several components including the. The bell housing is essentially a metal casing located near the back end of your engine. What is a bell housing, and what role does it play? It comes in two types, removable and integrated bellhousing. How to use bell housing in a. Below are listed standard society of automotive engineers (sae) adaptation configurations.. Motor Bell Housing Definition.
From www.mpfiltri.com
Pump bell housings (connection with IEC electric motors) Motor Bell Housing Definition It comes in two types, removable and integrated bellhousing. It houses several components including the. The bell housing is essentially a metal casing located near the back end of your engine. A engine or motor bell housing is a critical component that serves as a protective. Sae housing & flywheel dimensions. Bellhousing is a housing that connect the engine, transmission,. Motor Bell Housing Definition.
From www.karlkustoms.com
Bell Housing Kit LT Engine Motor Bell Housing Definition The bell housing is essentially a metal casing located near the back end of your engine. A bell housing is an important car part that links the transmission to the engine, ensuring they line up correctly and work well together. Below are listed standard society of automotive engineers (sae) adaptation configurations. Sae housing & flywheel dimensions. It houses several components. Motor Bell Housing Definition.
From www.drive-couplings.com
Die Casting Electric Motor Bellhousing Aluminum Hydraulic Pump Bell Housing Rc400 Motor Bell Housing Definition Bellhousing is a housing that connect the engine, transmission, and clutch together. Sae housing & flywheel dimensions. It comes in two types, removable and integrated bellhousing. A bell housing is an important car part that links the transmission to the engine, ensuring they line up correctly and work well together. A engine or motor bell housing is a critical component. Motor Bell Housing Definition.
From loganclutch.com
Bell Housing Power TakeOff Clutches Motor Bell Housing Definition It houses several components including the. A bell housing is an important car part that links the transmission to the engine, ensuring they line up correctly and work well together. Sae housing & flywheel dimensions. It comes in two types, removable and integrated bellhousing. The bell housing is essentially a metal casing located near the back end of your engine.. Motor Bell Housing Definition.
From electrohydraulicscontrols.com
Jacktech Bell Housing Aluminium; Motor 3 HP & 5 HP Electro Hydraulics Controls Motor Bell Housing Definition A engine or motor bell housing is a critical component that serves as a protective. A bell housing is an important car part that links the transmission to the engine, ensuring they line up correctly and work well together. How to use bell housing in a. What is a bell housing, and what role does it play? It comes in. Motor Bell Housing Definition.
From timalco.com.au
TH1825A Timalco Hydraulics Motor Bell Housing Definition A engine or motor bell housing is a critical component that serves as a protective. Below are listed standard society of automotive engineers (sae) adaptation configurations. It houses several components including the. What is a bell housing, and what role does it play? It comes in two types, removable and integrated bellhousing. How to use bell housing in a. A. Motor Bell Housing Definition.
From www.hydraulicsnetwork.com.au
Power Transmission Bell Housings (Engine) Motor Bell Housing Definition What is a bell housing, and what role does it play? A engine or motor bell housing is a critical component that serves as a protective. How to use bell housing in a. A bell housing is an important car part that links the transmission to the engine, ensuring they line up correctly and work well together. It comes in. Motor Bell Housing Definition.
From www.jpcracing.com
REID Coyote/ Mod Motor Bell Housing for Superglide / TH400 Justin's Performance Center Motor Bell Housing Definition It houses several components including the. Sae housing & flywheel dimensions. It comes in two types, removable and integrated bellhousing. How to use bell housing in a. A bell housing is an important car part that links the transmission to the engine, ensuring they line up correctly and work well together. The bell housing is essentially a metal casing located. Motor Bell Housing Definition.
From loganclutch.com
Bell Housing Power TakeOff Clutches Motor Bell Housing Definition It houses several components including the. It comes in two types, removable and integrated bellhousing. How to use bell housing in a. Sae housing & flywheel dimensions. A bell housing is an important car part that links the transmission to the engine, ensuring they line up correctly and work well together. The bell housing is essentially a metal casing located. Motor Bell Housing Definition.
From tiltonracing.com
bell housing Tilton Engineering Motor Bell Housing Definition It comes in two types, removable and integrated bellhousing. Sae housing & flywheel dimensions. The bell housing is essentially a metal casing located near the back end of your engine. A bell housing is an important car part that links the transmission to the engine, ensuring they line up correctly and work well together. Bellhousing is a housing that connect. Motor Bell Housing Definition.
From grabcad.com
Free CAD Designs, Files & 3D Models The GrabCAD Community Library Motor Bell Housing Definition Bellhousing is a housing that connect the engine, transmission, and clutch together. Sae housing & flywheel dimensions. What is a bell housing, and what role does it play? The bell housing is essentially a metal casing located near the back end of your engine. It houses several components including the. How to use bell housing in a. Below are listed. Motor Bell Housing Definition.
From www.hwl.co.nz
OMT SAE BELL HOUSINGS HWL GROUP Motor Bell Housing Definition Below are listed standard society of automotive engineers (sae) adaptation configurations. How to use bell housing in a. It houses several components including the. A engine or motor bell housing is a critical component that serves as a protective. It comes in two types, removable and integrated bellhousing. Sae housing & flywheel dimensions. The bell housing is essentially a metal. Motor Bell Housing Definition.
From www.directindustry.com
Electric motor bellhousing OMT Group aluminum alloy Motor Bell Housing Definition Sae housing & flywheel dimensions. How to use bell housing in a. Bellhousing is a housing that connect the engine, transmission, and clutch together. The bell housing is essentially a metal casing located near the back end of your engine. Below are listed standard society of automotive engineers (sae) adaptation configurations. A bell housing is an important car part that. Motor Bell Housing Definition.
From wiki.opensourceecology.org
Bell Housing Pump Mounting Detail Concept Open Source Ecology Motor Bell Housing Definition Bellhousing is a housing that connect the engine, transmission, and clutch together. Below are listed standard society of automotive engineers (sae) adaptation configurations. The bell housing is essentially a metal casing located near the back end of your engine. Sae housing & flywheel dimensions. A engine or motor bell housing is a critical component that serves as a protective. How. Motor Bell Housing Definition.
From www.hydroma.eu
BELL HOUSING Motor Bell Housing Definition The bell housing is essentially a metal casing located near the back end of your engine. Sae housing & flywheel dimensions. Below are listed standard society of automotive engineers (sae) adaptation configurations. It comes in two types, removable and integrated bellhousing. It houses several components including the. A bell housing is an important car part that links the transmission to. Motor Bell Housing Definition.
From www.tradeindia.com
Motor Bell Housing Force Hydraulic at Best Price in Ahmedabad Yashvant Hydraulic Equipments Motor Bell Housing Definition The bell housing is essentially a metal casing located near the back end of your engine. What is a bell housing, and what role does it play? Bellhousing is a housing that connect the engine, transmission, and clutch together. A bell housing is an important car part that links the transmission to the engine, ensuring they line up correctly and. Motor Bell Housing Definition.
From www.acardiecastingmold.com
AC MOTORS BELL HOUSING from China Motor Bell Housing Definition Below are listed standard society of automotive engineers (sae) adaptation configurations. How to use bell housing in a. It houses several components including the. The bell housing is essentially a metal casing located near the back end of your engine. A engine or motor bell housing is a critical component that serves as a protective. What is a bell housing,. Motor Bell Housing Definition.
From www.hydraulicsnetwork.com.au
Power Transmission Bell Housings (Engine) Motor Bell Housing Definition It comes in two types, removable and integrated bellhousing. Bellhousing is a housing that connect the engine, transmission, and clutch together. It houses several components including the. A engine or motor bell housing is a critical component that serves as a protective. Below are listed standard society of automotive engineers (sae) adaptation configurations. Sae housing & flywheel dimensions. What is. Motor Bell Housing Definition.
From www.youtube.com
Bell housing and Drive Coupling YouTube Motor Bell Housing Definition Sae housing & flywheel dimensions. Below are listed standard society of automotive engineers (sae) adaptation configurations. What is a bell housing, and what role does it play? The bell housing is essentially a metal casing located near the back end of your engine. How to use bell housing in a. Bellhousing is a housing that connect the engine, transmission, and. Motor Bell Housing Definition.
From www.indiamart.com
Bell Housing at Rs 1000/piece Bell Housing in Chennai ID 12977295788 Motor Bell Housing Definition Bellhousing is a housing that connect the engine, transmission, and clutch together. Below are listed standard society of automotive engineers (sae) adaptation configurations. The bell housing is essentially a metal casing located near the back end of your engine. How to use bell housing in a. Sae housing & flywheel dimensions. It comes in two types, removable and integrated bellhousing.. Motor Bell Housing Definition.