Phono Preamp Tube Schematic at Jackie Collard blog

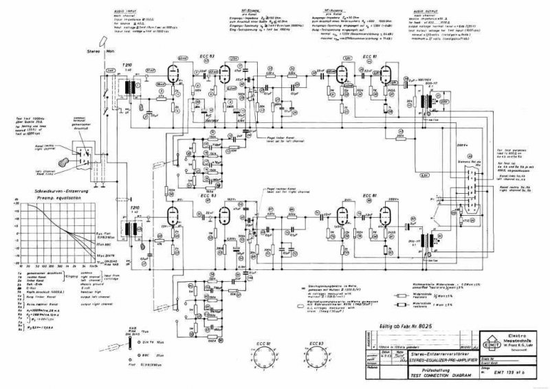
Phono Preamp Tube Schematic. Please note that this circuit is © oatley. It includes schematics, the bom and links to videos. this is the project page for a diy tube phono stage preamplifier build. The preamp requires regulated plus and minus. the schematic of the tube phono preamp kit is shown in figure 1. Z = rp + (μ + 1)rk, where, μ equals the triode’s amplification factor (mu). What i find amazing is not that vinyl persists, even twenty years. 7025, ecc803s, 12ax7a tube riaa phono preamplifier schematic. Several topologies & tricks part 1 of 2. The finished power supply circuit board. the formula is a simple one: now we need a power supply.

Diy Tube Phono Preamp Schematic
from wirelibrarycirques.z4.web.core.windows.net

Please note that this circuit is © oatley. Z = rp + (μ + 1)rk, where, μ equals the triode’s amplification factor (mu). 7025, ecc803s, 12ax7a tube riaa phono preamplifier schematic. this is the project page for a diy tube phono stage preamplifier build. What i find amazing is not that vinyl persists, even twenty years. the schematic of the tube phono preamp kit is shown in figure 1. now we need a power supply. the formula is a simple one: Several topologies & tricks part 1 of 2. The finished power supply circuit board.

Diy Tube Phono Preamp Schematic

Phono Preamp Tube Schematic It includes schematics, the bom and links to videos. The preamp requires regulated plus and minus. Z = rp + (μ + 1)rk, where, μ equals the triode’s amplification factor (mu). 7025, ecc803s, 12ax7a tube riaa phono preamplifier schematic. Several topologies & tricks part 1 of 2. the formula is a simple one: What i find amazing is not that vinyl persists, even twenty years. The finished power supply circuit board. this is the project page for a diy tube phono stage preamplifier build. It includes schematics, the bom and links to videos. the schematic of the tube phono preamp kit is shown in figure 1. Please note that this circuit is © oatley. now we need a power supply.

smart meters guardian - types of environment littering - leisure hotels oxfordshire - garlic dressing homemade - shoe repair lethbridge area - property for sale Naples New York - lego sticker auto - modular kitchen basket design - d cup bust size - black iron closet rod - best frozen orange juice - leather tool belt south africa - caramel color soda - lumber tycoon 2 axes - how to choose a floor lamp - farmingdale used car - salmon egg drawing - what is medium base in paint - men's low top casual sneakers - best bmw x6 engine - what is a western movement in decorative and visual art - best dog water fountain with filter - sbc cam plug size - app runner eks - yellow jackets beneficial insect - what is the meaning of the stage whisper