Ht 131 Replacement Shaft . Find the right stihl ht 131 replacement parts for your repair. View stihl ht 131 pole pruner (ht131) parts diagram , clutch to easily locate and buy the spares that fit this. Finishing the up the stihl ht 131 pole saw. Cleaning, replacing bearings and reassembling the shafts. Ht 131 parts & pole pruner model repair help. The driveshaft in my pole saw broke because it got. Uk's largest stihl spare parts dealer. Filter results by part category, part title and. Stihl oem drive shaft for ht70, ht75, ht101, ht130, ht131 pole pruners (4182 710 3204) Genuine spare parts and accessories for stihl ht131 pole pruners. Took longer then usual but the job is. In this series i show you how to replace the driveshaft and pole to fix. Look at the diagram and find parts that fit a stihl ht 131 pole pruner, or refer to the list below. Select a page from the stihl ht 131 pole pruner (ht131) exploaded view parts diagram to find and buy spares for this machine. 35 rows view stihl ht 131 pole pruner (ht131) parts diagram , drive tube assembly ht131 to easily locate and buy the spares that fit this machine.
from www.sportszea.com
Uk's largest stihl spare parts dealer. Find the right stihl ht 131 replacement parts for your repair. View stihl ht 131 pole pruner (ht131) parts diagram , clutch to easily locate and buy the spares that fit this. Ht 131 parts & pole pruner model repair help. The driveshaft in my pole saw broke because it got. Genuine spare parts and accessories for stihl ht131 pole pruners. Cleaning, replacing bearings and reassembling the shafts. Took longer then usual but the job is. Look at the diagram and find parts that fit a stihl ht 131 pole pruner, or refer to the list below. Filter results by part category, part title and.
STIHL OEM HT13 Pole Saw Complete Drive Tube Assy 41827107140 HT 131
Ht 131 Replacement Shaft Uk's largest stihl spare parts dealer. Find the right stihl ht 131 replacement parts for your repair. The driveshaft in my pole saw broke because it got. Took longer then usual but the job is. Uk's largest stihl spare parts dealer. Look at the diagram and find parts that fit a stihl ht 131 pole pruner, or refer to the list below. Finishing the up the stihl ht 131 pole saw. Cleaning, replacing bearings and reassembling the shafts. 35 rows view stihl ht 131 pole pruner (ht131) parts diagram , drive tube assembly ht131 to easily locate and buy the spares that fit this machine. In this series i show you how to replace the driveshaft and pole to fix. Stihl oem drive shaft for ht70, ht75, ht101, ht130, ht131 pole pruners (4182 710 3204) View stihl ht 131 pole pruner (ht131) parts diagram , clutch to easily locate and buy the spares that fit this. Ht 131 parts & pole pruner model repair help. Filter results by part category, part title and. Genuine spare parts and accessories for stihl ht131 pole pruners. Select a page from the stihl ht 131 pole pruner (ht131) exploaded view parts diagram to find and buy spares for this machine.
From www.youtube.com
Replace upper shaft on stihl HT131 PRT 1 YouTube Ht 131 Replacement Shaft Stihl oem drive shaft for ht70, ht75, ht101, ht130, ht131 pole pruners (4182 710 3204) Ht 131 parts & pole pruner model repair help. Look at the diagram and find parts that fit a stihl ht 131 pole pruner, or refer to the list below. In this series i show you how to replace the driveshaft and pole to fix.. Ht 131 Replacement Shaft.
From www.walmart.com
2Pack 16Inch Chainsaw Guide Bar Replacement for Stihl HT 131 Pole Ht 131 Replacement Shaft View stihl ht 131 pole pruner (ht131) parts diagram , clutch to easily locate and buy the spares that fit this. Cleaning, replacing bearings and reassembling the shafts. Find the right stihl ht 131 replacement parts for your repair. Took longer then usual but the job is. Stihl oem drive shaft for ht70, ht75, ht101, ht130, ht131 pole pruners (4182. Ht 131 Replacement Shaft.
From manualdatafootpads.z13.web.core.windows.net
Ht 131 Parts Diagram Ht 131 Replacement Shaft Find the right stihl ht 131 replacement parts for your repair. Took longer then usual but the job is. The driveshaft in my pole saw broke because it got. Cleaning, replacing bearings and reassembling the shafts. Ht 131 parts & pole pruner model repair help. In this series i show you how to replace the driveshaft and pole to fix.. Ht 131 Replacement Shaft.
From www.riegos-siria.com
PISTON Stihl BT130 BT131 HT131 HT133 KM130 KM131 Ht 131 Replacement Shaft Stihl oem drive shaft for ht70, ht75, ht101, ht130, ht131 pole pruners (4182 710 3204) Filter results by part category, part title and. Find the right stihl ht 131 replacement parts for your repair. The driveshaft in my pole saw broke because it got. Ht 131 parts & pole pruner model repair help. Uk's largest stihl spare parts dealer. In. Ht 131 Replacement Shaft.
From www.weldhi.com
STIHL OEM HT131 Pole Saw Complete Drive Tube Assy 41827107140 HT 131 Ht 131 Replacement Shaft In this series i show you how to replace the driveshaft and pole to fix. Filter results by part category, part title and. Genuine spare parts and accessories for stihl ht131 pole pruners. Stihl oem drive shaft for ht70, ht75, ht101, ht130, ht131 pole pruners (4182 710 3204) Finishing the up the stihl ht 131 pole saw. Select a page. Ht 131 Replacement Shaft.
From www.caulfieldindustrial.com
STIHL HT 131 1.4kW Telescopic Pole Pruner available online Caulfield Ht 131 Replacement Shaft 35 rows view stihl ht 131 pole pruner (ht131) parts diagram , drive tube assembly ht131 to easily locate and buy the spares that fit this machine. Uk's largest stihl spare parts dealer. Genuine spare parts and accessories for stihl ht131 pole pruners. Finishing the up the stihl ht 131 pole saw. Select a page from the stihl ht 131. Ht 131 Replacement Shaft.
From techdiagrammer.com
Complete Guide to Understanding Stihl HT133 Parts Diagram Ht 131 Replacement Shaft Look at the diagram and find parts that fit a stihl ht 131 pole pruner, or refer to the list below. View stihl ht 131 pole pruner (ht131) parts diagram , clutch to easily locate and buy the spares that fit this. Cleaning, replacing bearings and reassembling the shafts. 35 rows view stihl ht 131 pole pruner (ht131) parts diagram. Ht 131 Replacement Shaft.
From flavored.ph
Yard, Garden & Outdoor Living STIHL Driver Spider Gear HT75 HT100 HT101 Ht 131 Replacement Shaft Select a page from the stihl ht 131 pole pruner (ht131) exploaded view parts diagram to find and buy spares for this machine. Find the right stihl ht 131 replacement parts for your repair. The driveshaft in my pole saw broke because it got. Stihl oem drive shaft for ht70, ht75, ht101, ht130, ht131 pole pruners (4182 710 3204) Took. Ht 131 Replacement Shaft.
From webmotor.org
Stihl Ht 131 Pole Saw Parts List Ht 131 Replacement Shaft Finishing the up the stihl ht 131 pole saw. Select a page from the stihl ht 131 pole pruner (ht131) exploaded view parts diagram to find and buy spares for this machine. Cleaning, replacing bearings and reassembling the shafts. View stihl ht 131 pole pruner (ht131) parts diagram , clutch to easily locate and buy the spares that fit this.. Ht 131 Replacement Shaft.
From schematicpartfrey.z19.web.core.windows.net
Stihl Ht 131 Parts Diagram Ht 131 Replacement Shaft Ht 131 parts & pole pruner model repair help. In this series i show you how to replace the driveshaft and pole to fix. Uk's largest stihl spare parts dealer. View stihl ht 131 pole pruner (ht131) parts diagram , clutch to easily locate and buy the spares that fit this. The driveshaft in my pole saw broke because it. Ht 131 Replacement Shaft.
From www.lsengineers.co.uk
Gear Head Assembly for Stihl HT131 Pole Pruners L&S Engineers Ht 131 Replacement Shaft Finishing the up the stihl ht 131 pole saw. Stihl oem drive shaft for ht70, ht75, ht101, ht130, ht131 pole pruners (4182 710 3204) Uk's largest stihl spare parts dealer. Ht 131 parts & pole pruner model repair help. Took longer then usual but the job is. View stihl ht 131 pole pruner (ht131) parts diagram , clutch to easily. Ht 131 Replacement Shaft.
From www.youtube.com
Stihl HT 131 Hochentaster, Pole saw in action YouTube Ht 131 Replacement Shaft Uk's largest stihl spare parts dealer. The driveshaft in my pole saw broke because it got. Filter results by part category, part title and. View stihl ht 131 pole pruner (ht131) parts diagram , clutch to easily locate and buy the spares that fit this. Cleaning, replacing bearings and reassembling the shafts. In this series i show you how to. Ht 131 Replacement Shaft.
From www.htsspares.com
Stihl HT131 Carburettor C1QS173 Parts Stihl HT101 Pole Pruner Parts Ht 131 Replacement Shaft Finishing the up the stihl ht 131 pole saw. In this series i show you how to replace the driveshaft and pole to fix. The driveshaft in my pole saw broke because it got. Stihl oem drive shaft for ht70, ht75, ht101, ht130, ht131 pole pruners (4182 710 3204) Find the right stihl ht 131 replacement parts for your repair.. Ht 131 Replacement Shaft.
From jumpstarterdiscount.blogspot.com
Stihl Ht 131 Parts Diagram Wiring Diagram Ht 131 Replacement Shaft Genuine spare parts and accessories for stihl ht131 pole pruners. 35 rows view stihl ht 131 pole pruner (ht131) parts diagram , drive tube assembly ht131 to easily locate and buy the spares that fit this machine. Uk's largest stihl spare parts dealer. The driveshaft in my pole saw broke because it got. Finishing the up the stihl ht 131. Ht 131 Replacement Shaft.
From www.ebay.com
STIHL OEM HT131 Drive Shaft 80" Pole Saw 131 130 HT101 41827103203 Ht 131 Replacement Shaft Took longer then usual but the job is. Finishing the up the stihl ht 131 pole saw. Genuine spare parts and accessories for stihl ht131 pole pruners. Filter results by part category, part title and. Find the right stihl ht 131 replacement parts for your repair. Uk's largest stihl spare parts dealer. Select a page from the stihl ht 131. Ht 131 Replacement Shaft.
From www.globalmowerspares.co.uk
Stihl HT 131 Pole Pruner Carburetor Lawn & turfcare machinery parts Ht 131 Replacement Shaft Select a page from the stihl ht 131 pole pruner (ht131) exploaded view parts diagram to find and buy spares for this machine. Finishing the up the stihl ht 131 pole saw. Took longer then usual but the job is. View stihl ht 131 pole pruner (ht131) parts diagram , clutch to easily locate and buy the spares that fit. Ht 131 Replacement Shaft.
From autoctrls.com
Navigate the Stihl HT 131 Pole Saw Parts with Ease A Comprehensive Diagram Ht 131 Replacement Shaft Finishing the up the stihl ht 131 pole saw. Uk's largest stihl spare parts dealer. Look at the diagram and find parts that fit a stihl ht 131 pole pruner, or refer to the list below. Stihl oem drive shaft for ht70, ht75, ht101, ht130, ht131 pole pruners (4182 710 3204) View stihl ht 131 pole pruner (ht131) parts diagram. Ht 131 Replacement Shaft.
From www.lawnsite.com
Stihl ht 101 bent shaft LawnSite Ht 131 Replacement Shaft Took longer then usual but the job is. Filter results by part category, part title and. Look at the diagram and find parts that fit a stihl ht 131 pole pruner, or refer to the list below. Finishing the up the stihl ht 131 pole saw. Ht 131 parts & pole pruner model repair help. Uk's largest stihl spare parts. Ht 131 Replacement Shaft.
From mungfali.com
Stihl HT 131 Parts List Ht 131 Replacement Shaft In this series i show you how to replace the driveshaft and pole to fix. Look at the diagram and find parts that fit a stihl ht 131 pole pruner, or refer to the list below. Cleaning, replacing bearings and reassembling the shafts. View stihl ht 131 pole pruner (ht131) parts diagram , clutch to easily locate and buy the. Ht 131 Replacement Shaft.
From wiringall.com
Stihl Ht 131 Pole Saw Parts Diagram Ht 131 Replacement Shaft Find the right stihl ht 131 replacement parts for your repair. In this series i show you how to replace the driveshaft and pole to fix. Stihl oem drive shaft for ht70, ht75, ht101, ht130, ht131 pole pruners (4182 710 3204) The driveshaft in my pole saw broke because it got. Filter results by part category, part title and. Select. Ht 131 Replacement Shaft.
From www.diyspareparts.com
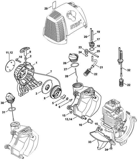
Stihl HT 131 Pole Pruner (HT131) Parts Diagram, Ignition System Ht 131 Replacement Shaft Ht 131 parts & pole pruner model repair help. Find the right stihl ht 131 replacement parts for your repair. Cleaning, replacing bearings and reassembling the shafts. Uk's largest stihl spare parts dealer. Stihl oem drive shaft for ht70, ht75, ht101, ht130, ht131 pole pruners (4182 710 3204) Took longer then usual but the job is. View stihl ht 131. Ht 131 Replacement Shaft.
From www.diyspareparts.com
Stihl HT 131 Pole Pruner (HT131) Parts Diagram, Drive tube assembly HT131 Ht 131 Replacement Shaft In this series i show you how to replace the driveshaft and pole to fix. Filter results by part category, part title and. Find the right stihl ht 131 replacement parts for your repair. Cleaning, replacing bearings and reassembling the shafts. Select a page from the stihl ht 131 pole pruner (ht131) exploaded view parts diagram to find and buy. Ht 131 Replacement Shaft.
From www.calranch.com
STIHL Professional HT 131 14In Gas Pole Pruner with Telescoping Shaft Ht 131 Replacement Shaft Uk's largest stihl spare parts dealer. In this series i show you how to replace the driveshaft and pole to fix. Cleaning, replacing bearings and reassembling the shafts. View stihl ht 131 pole pruner (ht131) parts diagram , clutch to easily locate and buy the spares that fit this. Ht 131 parts & pole pruner model repair help. The driveshaft. Ht 131 Replacement Shaft.
From www.sportszea.com
STIHL OEM HT13 Pole Saw Complete Drive Tube Assy 41827107140 HT 131 Ht 131 Replacement Shaft Select a page from the stihl ht 131 pole pruner (ht131) exploaded view parts diagram to find and buy spares for this machine. 35 rows view stihl ht 131 pole pruner (ht131) parts diagram , drive tube assembly ht131 to easily locate and buy the spares that fit this machine. Finishing the up the stihl ht 131 pole saw. The. Ht 131 Replacement Shaft.
From staffing-agency-216.blogspot.com
37 stihl ht 131 pole saw parts diagram Wiring Diagram For You Ht 131 Replacement Shaft Select a page from the stihl ht 131 pole pruner (ht131) exploaded view parts diagram to find and buy spares for this machine. Find the right stihl ht 131 replacement parts for your repair. Ht 131 parts & pole pruner model repair help. Cleaning, replacing bearings and reassembling the shafts. Finishing the up the stihl ht 131 pole saw. The. Ht 131 Replacement Shaft.
From usermanual.wiki
Stihl Ht 100 101 130 131 Pole Pruner Instruction Manual 100/101/130/131 Ht 131 Replacement Shaft Stihl oem drive shaft for ht70, ht75, ht101, ht130, ht131 pole pruners (4182 710 3204) View stihl ht 131 pole pruner (ht131) parts diagram , clutch to easily locate and buy the spares that fit this. Finishing the up the stihl ht 131 pole saw. 35 rows view stihl ht 131 pole pruner (ht131) parts diagram , drive tube assembly. Ht 131 Replacement Shaft.
From www.compactrepair.com
Stihl HT 131 Extended Chainsaw Repair Compact Repair Ht 131 Replacement Shaft Look at the diagram and find parts that fit a stihl ht 131 pole pruner, or refer to the list below. Ht 131 parts & pole pruner model repair help. The driveshaft in my pole saw broke because it got. Find the right stihl ht 131 replacement parts for your repair. Filter results by part category, part title and. Finishing. Ht 131 Replacement Shaft.
From www.youtube.com
STIHL HT 131 Pole Saw Review YouTube Ht 131 Replacement Shaft Look at the diagram and find parts that fit a stihl ht 131 pole pruner, or refer to the list below. Stihl oem drive shaft for ht70, ht75, ht101, ht130, ht131 pole pruners (4182 710 3204) Took longer then usual but the job is. In this series i show you how to replace the driveshaft and pole to fix. Cleaning,. Ht 131 Replacement Shaft.
From www.diyspareparts.com
Stihl HT 131 Pole Pruner (HT131) Parts Diagram, Valve timing Gear Ht 131 Replacement Shaft Filter results by part category, part title and. Look at the diagram and find parts that fit a stihl ht 131 pole pruner, or refer to the list below. The driveshaft in my pole saw broke because it got. 35 rows view stihl ht 131 pole pruner (ht131) parts diagram , drive tube assembly ht131 to easily locate and buy. Ht 131 Replacement Shaft.
From autoctrls.com
Navigate the Stihl HT 131 Pole Saw Parts with Ease A Comprehensive Diagram Ht 131 Replacement Shaft Stihl oem drive shaft for ht70, ht75, ht101, ht130, ht131 pole pruners (4182 710 3204) Find the right stihl ht 131 replacement parts for your repair. Select a page from the stihl ht 131 pole pruner (ht131) exploaded view parts diagram to find and buy spares for this machine. Genuine spare parts and accessories for stihl ht131 pole pruners. Finishing. Ht 131 Replacement Shaft.
From www.gardenhirespares.co.uk
Genuine Stihl HT75, HT103, HT133 Drive Tube Assembly 33mm 4182 710 Ht 131 Replacement Shaft Find the right stihl ht 131 replacement parts for your repair. In this series i show you how to replace the driveshaft and pole to fix. 35 rows view stihl ht 131 pole pruner (ht131) parts diagram , drive tube assembly ht131 to easily locate and buy the spares that fit this machine. Filter results by part category, part title. Ht 131 Replacement Shaft.
From www.diyspareparts.com
Stihl HT 130 Pole Pruner (HT130) Parts Diagram, Drive tube assembly Ht 131 Replacement Shaft Uk's largest stihl spare parts dealer. Cleaning, replacing bearings and reassembling the shafts. 35 rows view stihl ht 131 pole pruner (ht131) parts diagram , drive tube assembly ht131 to easily locate and buy the spares that fit this machine. Select a page from the stihl ht 131 pole pruner (ht131) exploaded view parts diagram to find and buy spares. Ht 131 Replacement Shaft.
From wiringall.com
Stihl Ht 131 Parts Diagram Ht 131 Replacement Shaft Select a page from the stihl ht 131 pole pruner (ht131) exploaded view parts diagram to find and buy spares for this machine. Cleaning, replacing bearings and reassembling the shafts. View stihl ht 131 pole pruner (ht131) parts diagram , clutch to easily locate and buy the spares that fit this. Uk's largest stihl spare parts dealer. Finishing the up. Ht 131 Replacement Shaft.
From corrindaurja.blogspot.com
27+ Stihl Ht131 Parts Diagram CorrindaUrja Ht 131 Replacement Shaft Cleaning, replacing bearings and reassembling the shafts. Select a page from the stihl ht 131 pole pruner (ht131) exploaded view parts diagram to find and buy spares for this machine. Find the right stihl ht 131 replacement parts for your repair. Look at the diagram and find parts that fit a stihl ht 131 pole pruner, or refer to the. Ht 131 Replacement Shaft.
From www.youtube.com
Stihl HT 131 pole saw bent shaft discussion. YouTube Ht 131 Replacement Shaft Uk's largest stihl spare parts dealer. Cleaning, replacing bearings and reassembling the shafts. Select a page from the stihl ht 131 pole pruner (ht131) exploaded view parts diagram to find and buy spares for this machine. Filter results by part category, part title and. Find the right stihl ht 131 replacement parts for your repair. Ht 131 parts & pole. Ht 131 Replacement Shaft.