Brake Light Bulb Diagram . Connecting the wiring to the brake lights may be as simple as unplugging the. Some tips on how to fix a broken brake light include preparing the. Open the trunk and look directly behind the tail light lens with the malfunctioning bulb. It helps by giving you a diagram of where. At the other end is the. Bulbs in sockets connected to a wiring harness. The brake light wiring system in most cars is not overly complex. If your brake repair problem is with the brake light sockets, you may have to replace one or more of them. A brake light wiring diagram is a visual representation of the electrical circuitry that connects the brake lights on a vehicle. It shows the various components and connections involved in. However, before jumping in, be sure to look at your car’s owner’s manual. Learn how the brake light schematic diagram works, including the different components and their connections in a typical brake light circuit. To diagnose broken brake lights, you can check the bulbs, sockets, fuse block, and brake light switch. Use your head lamp or. At one end, you have the lights themselves:
from wiringdiagram.2bitboer.com
However, before jumping in, be sure to look at your car’s owner’s manual. Learn how the brake light schematic diagram works, including the different components and their connections in a typical brake light circuit. Use your head lamp or. To diagnose broken brake lights, you can check the bulbs, sockets, fuse block, and brake light switch. If your brake repair problem is with the brake light sockets, you may have to replace one or more of them. At the other end is the. You’ll see the wires and a plastic base where each tail light bulb is located. Connecting the wiring to the brake lights may be as simple as unplugging the. Open the trunk and look directly behind the tail light lens with the malfunctioning bulb. Bulbs in sockets connected to a wiring harness.
1995 Chevy Silverado Brake Light Wiring Diagram Wiring Diagram
Brake Light Bulb Diagram At the other end is the. You’ll see the wires and a plastic base where each tail light bulb is located. Learn how the brake light schematic diagram works, including the different components and their connections in a typical brake light circuit. Replacing your car’s brake light is a straightforward task you can manage yourself. At one end, you have the lights themselves: To diagnose broken brake lights, you can check the bulbs, sockets, fuse block, and brake light switch. Use your head lamp or. Bulbs in sockets connected to a wiring harness. Some tips on how to fix a broken brake light include preparing the. Connecting the wiring to the brake lights may be as simple as unplugging the. At the other end is the. It shows the various components and connections involved in. However, before jumping in, be sure to look at your car’s owner’s manual. The brake light wiring system in most cars is not overly complex. Open the trunk and look directly behind the tail light lens with the malfunctioning bulb. It helps by giving you a diagram of where.
From wiringdiagram.2bitboer.com
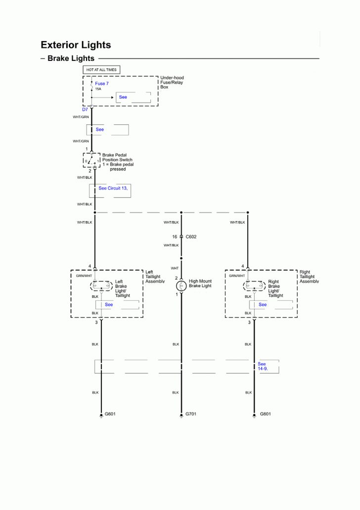
97 Chevy 1500 Brake Light Wiring Diagram Wiring Diagram Brake Light Bulb Diagram The brake light wiring system in most cars is not overly complex. Bulbs in sockets connected to a wiring harness. Connecting the wiring to the brake lights may be as simple as unplugging the. Some tips on how to fix a broken brake light include preparing the. You’ll see the wires and a plastic base where each tail light bulb. Brake Light Bulb Diagram.
From mechanicevileminem2010v.z21.web.core.windows.net
03 Chevy Silverado 1500 Head And Tail Lights Brake Light Bulb Diagram It helps by giving you a diagram of where. At one end, you have the lights themselves: Some tips on how to fix a broken brake light include preparing the. A brake light wiring diagram is a visual representation of the electrical circuitry that connects the brake lights on a vehicle. Use your head lamp or. If your brake repair. Brake Light Bulb Diagram.
From www.infinitybox.com
Turn Signals & Brake Lights Infinitybox Brake Light Bulb Diagram Bulbs in sockets connected to a wiring harness. To diagnose broken brake lights, you can check the bulbs, sockets, fuse block, and brake light switch. Connecting the wiring to the brake lights may be as simple as unplugging the. At one end, you have the lights themselves: Some tips on how to fix a broken brake light include preparing the.. Brake Light Bulb Diagram.
From www.2carpros.com
Brake Light Wiring Diagrams Please? so the Two Side Brake Lights Brake Light Bulb Diagram The brake light wiring system in most cars is not overly complex. A brake light wiring diagram is a visual representation of the electrical circuitry that connects the brake lights on a vehicle. Open the trunk and look directly behind the tail light lens with the malfunctioning bulb. Connecting the wiring to the brake lights may be as simple as. Brake Light Bulb Diagram.
From cucv-wiring-diagram92.blogspot.com
3 Wire Led Tail Light Wiring Diagram 3 Wire Led Tail Light Wiring Brake Light Bulb Diagram Open the trunk and look directly behind the tail light lens with the malfunctioning bulb. It helps by giving you a diagram of where. Connecting the wiring to the brake lights may be as simple as unplugging the. The brake light wiring system in most cars is not overly complex. Use your head lamp or. To diagnose broken brake lights,. Brake Light Bulb Diagram.
From wiringmanualmaier.z19.web.core.windows.net
Brake Light Wiring Diagram Brake Light Bulb Diagram Learn how the brake light schematic diagram works, including the different components and their connections in a typical brake light circuit. If your brake repair problem is with the brake light sockets, you may have to replace one or more of them. It shows the various components and connections involved in. At one end, you have the lights themselves: Open. Brake Light Bulb Diagram.
From 2020cadillac.com
Brake Lights Wiring Diagram Cadician's Blog Brake Light Bulb Diagram At one end, you have the lights themselves: Bulbs in sockets connected to a wiring harness. Use your head lamp or. Some tips on how to fix a broken brake light include preparing the. The brake light wiring system in most cars is not overly complex. It helps by giving you a diagram of where. Replacing your car’s brake light. Brake Light Bulb Diagram.
From fixlistsally.z21.web.core.windows.net
Brake Light Bulb Wiring Diagram Car Brake Light Bulb Diagram Connecting the wiring to the brake lights may be as simple as unplugging the. The brake light wiring system in most cars is not overly complex. At the other end is the. Learn how the brake light schematic diagram works, including the different components and their connections in a typical brake light circuit. If your brake repair problem is with. Brake Light Bulb Diagram.
From www.youtube.com
BRAKE LIGHT WIRING DIAGRAM YouTube Brake Light Bulb Diagram It shows the various components and connections involved in. If your brake repair problem is with the brake light sockets, you may have to replace one or more of them. It helps by giving you a diagram of where. At the other end is the. A brake light wiring diagram is a visual representation of the electrical circuitry that connects. Brake Light Bulb Diagram.
From 2020cadillac.com
Brake Lights Wiring Diagram Cadician's Blog Brake Light Bulb Diagram Use your head lamp or. Replacing your car’s brake light is a straightforward task you can manage yourself. At the other end is the. It shows the various components and connections involved in. However, before jumping in, be sure to look at your car’s owner’s manual. A brake light wiring diagram is a visual representation of the electrical circuitry that. Brake Light Bulb Diagram.
From shellysavonlea.net
How To Replace Tail Light Bulb Volvo Xc90 Shelly Lighting Brake Light Bulb Diagram A brake light wiring diagram is a visual representation of the electrical circuitry that connects the brake lights on a vehicle. Open the trunk and look directly behind the tail light lens with the malfunctioning bulb. Replacing your car’s brake light is a straightforward task you can manage yourself. To diagnose broken brake lights, you can check the bulbs, sockets,. Brake Light Bulb Diagram.
From guidefixbikegirlnyct1.z22.web.core.windows.net
Tail Light Wire Diagram Brake Light Bulb Diagram Learn how the brake light schematic diagram works, including the different components and their connections in a typical brake light circuit. If your brake repair problem is with the brake light sockets, you may have to replace one or more of them. At one end, you have the lights themselves: However, before jumping in, be sure to look at your. Brake Light Bulb Diagram.
From www.pinterest.ie
Pin on Chevy silverado Brake Light Bulb Diagram Use your head lamp or. Learn how the brake light schematic diagram works, including the different components and their connections in a typical brake light circuit. Bulbs in sockets connected to a wiring harness. At one end, you have the lights themselves: To diagnose broken brake lights, you can check the bulbs, sockets, fuse block, and brake light switch. If. Brake Light Bulb Diagram.
From 2020cadillac.com
Repair Guides Wiring Diagrams Wiring Diagrams (1 Of 30 Brake Brake Light Bulb Diagram At the other end is the. Some tips on how to fix a broken brake light include preparing the. However, before jumping in, be sure to look at your car’s owner’s manual. It shows the various components and connections involved in. Use your head lamp or. You’ll see the wires and a plastic base where each tail light bulb is. Brake Light Bulb Diagram.
From guidediagramscholiasts.z14.web.core.windows.net
Brake Light Switch Diagram Brake Light Bulb Diagram A brake light wiring diagram is a visual representation of the electrical circuitry that connects the brake lights on a vehicle. You’ll see the wires and a plastic base where each tail light bulb is located. Connecting the wiring to the brake lights may be as simple as unplugging the. The brake light wiring system in most cars is not. Brake Light Bulb Diagram.
From www.youtube.com
How to change light bulb for brake or turn signal on 2015 to 2022 Chevy Brake Light Bulb Diagram It shows the various components and connections involved in. At the other end is the. Bulbs in sockets connected to a wiring harness. It helps by giving you a diagram of where. Open the trunk and look directly behind the tail light lens with the malfunctioning bulb. Replacing your car’s brake light is a straightforward task you can manage yourself.. Brake Light Bulb Diagram.
From wiringdiagram.2bitboer.com
2003 Chevy S10 Brake Light Wiring Diagram Wiring Diagram Brake Light Bulb Diagram The brake light wiring system in most cars is not overly complex. To diagnose broken brake lights, you can check the bulbs, sockets, fuse block, and brake light switch. However, before jumping in, be sure to look at your car’s owner’s manual. If your brake repair problem is with the brake light sockets, you may have to replace one or. Brake Light Bulb Diagram.
From diagramlibraryflew.z13.web.core.windows.net
How To Wire A Brake Light Brake Light Bulb Diagram Learn how the brake light schematic diagram works, including the different components and their connections in a typical brake light circuit. You’ll see the wires and a plastic base where each tail light bulb is located. If your brake repair problem is with the brake light sockets, you may have to replace one or more of them. Connecting the wiring. Brake Light Bulb Diagram.
From www.oznium.com
How To Wire Tail Light On Motorcycle Led Brake Lights Brake Light Bulb Diagram Some tips on how to fix a broken brake light include preparing the. It helps by giving you a diagram of where. Replacing your car’s brake light is a straightforward task you can manage yourself. Bulbs in sockets connected to a wiring harness. It shows the various components and connections involved in. However, before jumping in, be sure to look. Brake Light Bulb Diagram.
From guidemanualagistments.z14.web.core.windows.net
E36 Tail Light Wiring Diagram Brake Light Bulb Diagram Connecting the wiring to the brake lights may be as simple as unplugging the. It helps by giving you a diagram of where. However, before jumping in, be sure to look at your car’s owner’s manual. At one end, you have the lights themselves: Use your head lamp or. To diagnose broken brake lights, you can check the bulbs, sockets,. Brake Light Bulb Diagram.
From userfixeisenhower.z19.web.core.windows.net
Simple Brake Light Circuit Brake Light Bulb Diagram Learn how the brake light schematic diagram works, including the different components and their connections in a typical brake light circuit. To diagnose broken brake lights, you can check the bulbs, sockets, fuse block, and brake light switch. Replacing your car’s brake light is a straightforward task you can manage yourself. Bulbs in sockets connected to a wiring harness. However,. Brake Light Bulb Diagram.
From repairhuber99.z19.web.core.windows.net
2003 Chevrolet Silverado Brake Light Bulb Brake Light Bulb Diagram However, before jumping in, be sure to look at your car’s owner’s manual. Bulbs in sockets connected to a wiring harness. It helps by giving you a diagram of where. Use your head lamp or. At one end, you have the lights themselves: If your brake repair problem is with the brake light sockets, you may have to replace one. Brake Light Bulb Diagram.
From enginelibraryschmid.z19.web.core.windows.net
Brake Lights Wiring Diagram Brake Light Bulb Diagram If your brake repair problem is with the brake light sockets, you may have to replace one or more of them. However, before jumping in, be sure to look at your car’s owner’s manual. Connecting the wiring to the brake lights may be as simple as unplugging the. Some tips on how to fix a broken brake light include preparing. Brake Light Bulb Diagram.
From mechanicheike77.z19.web.core.windows.net
Brake Light Bulb For 2002 Chevy Silverado Brake Light Bulb Diagram Bulbs in sockets connected to a wiring harness. However, before jumping in, be sure to look at your car’s owner’s manual. If your brake repair problem is with the brake light sockets, you may have to replace one or more of them. A brake light wiring diagram is a visual representation of the electrical circuitry that connects the brake lights. Brake Light Bulb Diagram.
From axleaddict.com
Why Don't My Brake Lights Work? AxleAddict Brake Light Bulb Diagram If your brake repair problem is with the brake light sockets, you may have to replace one or more of them. The brake light wiring system in most cars is not overly complex. To diagnose broken brake lights, you can check the bulbs, sockets, fuse block, and brake light switch. At the other end is the. Some tips on how. Brake Light Bulb Diagram.
From repairfixbrandt55.z19.web.core.windows.net
2011 Chevy Silverado Third Brake Light Brake Light Bulb Diagram A brake light wiring diagram is a visual representation of the electrical circuitry that connects the brake lights on a vehicle. It shows the various components and connections involved in. Open the trunk and look directly behind the tail light lens with the malfunctioning bulb. If your brake repair problem is with the brake light sockets, you may have to. Brake Light Bulb Diagram.
From circuitlistgoldschmidt.z19.web.core.windows.net
Brake Light Circuit Diagram Brake Light Bulb Diagram Learn how the brake light schematic diagram works, including the different components and their connections in a typical brake light circuit. Some tips on how to fix a broken brake light include preparing the. Connecting the wiring to the brake lights may be as simple as unplugging the. Use your head lamp or. To diagnose broken brake lights, you can. Brake Light Bulb Diagram.
From wiringdiagram.2bitboer.com
1995 Chevy Silverado Brake Light Wiring Diagram Wiring Diagram Brake Light Bulb Diagram Use your head lamp or. At the other end is the. However, before jumping in, be sure to look at your car’s owner’s manual. It shows the various components and connections involved in. At one end, you have the lights themselves: It helps by giving you a diagram of where. You’ll see the wires and a plastic base where each. Brake Light Bulb Diagram.
From wiringmanualmaier.z19.web.core.windows.net
Brake Light Diagram Brake Light Bulb Diagram Use your head lamp or. Connecting the wiring to the brake lights may be as simple as unplugging the. You’ll see the wires and a plastic base where each tail light bulb is located. Some tips on how to fix a broken brake light include preparing the. However, before jumping in, be sure to look at your car’s owner’s manual.. Brake Light Bulb Diagram.
From homeminimalisite.com
How To Know Brake Light Switch Is Bad Brake Light Bulb Diagram A brake light wiring diagram is a visual representation of the electrical circuitry that connects the brake lights on a vehicle. Learn how the brake light schematic diagram works, including the different components and their connections in a typical brake light circuit. Open the trunk and look directly behind the tail light lens with the malfunctioning bulb. At the other. Brake Light Bulb Diagram.
From www.aiophotoz.com
Wiring Diagram For Led Tail Lights Images and Photos finder Brake Light Bulb Diagram Use your head lamp or. Connecting the wiring to the brake lights may be as simple as unplugging the. A brake light wiring diagram is a visual representation of the electrical circuitry that connects the brake lights on a vehicle. Open the trunk and look directly behind the tail light lens with the malfunctioning bulb. If your brake repair problem. Brake Light Bulb Diagram.
From circuitlistgoldschmidt.z19.web.core.windows.net
Brake And Tail Light Wiring Diagram Brake Light Bulb Diagram It shows the various components and connections involved in. Replacing your car’s brake light is a straightforward task you can manage yourself. The brake light wiring system in most cars is not overly complex. A brake light wiring diagram is a visual representation of the electrical circuitry that connects the brake lights on a vehicle. Connecting the wiring to the. Brake Light Bulb Diagram.
From auto.howstuffworks.com
Brake Light Wiring Diagram HowStuffWorks Brake Light Bulb Diagram To diagnose broken brake lights, you can check the bulbs, sockets, fuse block, and brake light switch. A brake light wiring diagram is a visual representation of the electrical circuitry that connects the brake lights on a vehicle. Open the trunk and look directly behind the tail light lens with the malfunctioning bulb. It helps by giving you a diagram. Brake Light Bulb Diagram.
From www.freeasestudyguides.com
Learn About Brake Light Diagnosis and Troubleshooting Brake Light Bulb Diagram A brake light wiring diagram is a visual representation of the electrical circuitry that connects the brake lights on a vehicle. Replacing your car’s brake light is a straightforward task you can manage yourself. Connecting the wiring to the brake lights may be as simple as unplugging the. The brake light wiring system in most cars is not overly complex.. Brake Light Bulb Diagram.
From www.etrailer.com
How to Wire a Third Brake Light on Trailer Brake Light Bulb Diagram It shows the various components and connections involved in. Use your head lamp or. Some tips on how to fix a broken brake light include preparing the. At one end, you have the lights themselves: If your brake repair problem is with the brake light sockets, you may have to replace one or more of them. Bulbs in sockets connected. Brake Light Bulb Diagram.