How To Adjust Rear Shocks On Polaris Sportsman . Rotate the adjuster 1 either clockwise or. This is a short video on how to adjust the shocks on a 2020 polaris sportsman 850. Full tutorial and guide on how to setup your. Learn how to tune your the shocks for your polaris rzr, ranger, sportsman or gene. To adjust the compression dampening, do the following: You may notice that at the end i broke the. 64k views 3 years ago. Turn the clicker clockwise to increase compression damping. The factory preload settings are 15.75 inches (40 cm) on the front suspension and 15.56 inches (39.5 cm) on the rear suspension. How to adjust rear shocks on 2020 polaris sportsman 570. The front and rear shock absorber springs are adjustable to increase or decrease spring tension.
        
        from www.youtube.com 
     
        
        To adjust the compression dampening, do the following: Learn how to tune your the shocks for your polaris rzr, ranger, sportsman or gene. The front and rear shock absorber springs are adjustable to increase or decrease spring tension. Rotate the adjuster 1 either clockwise or. You may notice that at the end i broke the. Turn the clicker clockwise to increase compression damping. How to adjust rear shocks on 2020 polaris sportsman 570. This is a short video on how to adjust the shocks on a 2020 polaris sportsman 850. 64k views 3 years ago. The factory preload settings are 15.75 inches (40 cm) on the front suspension and 15.56 inches (39.5 cm) on the rear suspension.
    
    	
            
	
		 
         
    How to adjust shocks on a Polaris Ranger YouTube 
    How To Adjust Rear Shocks On Polaris Sportsman  Full tutorial and guide on how to setup your. The front and rear shock absorber springs are adjustable to increase or decrease spring tension. Rotate the adjuster 1 either clockwise or. Learn how to tune your the shocks for your polaris rzr, ranger, sportsman or gene. How to adjust rear shocks on 2020 polaris sportsman 570. You may notice that at the end i broke the. This is a short video on how to adjust the shocks on a 2020 polaris sportsman 850. Full tutorial and guide on how to setup your. To adjust the compression dampening, do the following: The factory preload settings are 15.75 inches (40 cm) on the front suspension and 15.56 inches (39.5 cm) on the rear suspension. Turn the clicker clockwise to increase compression damping. 64k views 3 years ago.
            
	
		 
         
 
    
        From muffsmotorsports.com 
                    14 Polaris Sportsman Ace 325 4x4 Rear Shocks Suspension How To Adjust Rear Shocks On Polaris Sportsman  The front and rear shock absorber springs are adjustable to increase or decrease spring tension. This is a short video on how to adjust the shocks on a 2020 polaris sportsman 850. Turn the clicker clockwise to increase compression damping. Rotate the adjuster 1 either clockwise or. 64k views 3 years ago. You may notice that at the end i. How To Adjust Rear Shocks On Polaris Sportsman.
     
    
        From muffsmotorsports.com 
                    06 Polaris Sportsman 800 EFI 4x4 Rear Shocks Suspension How To Adjust Rear Shocks On Polaris Sportsman  The factory preload settings are 15.75 inches (40 cm) on the front suspension and 15.56 inches (39.5 cm) on the rear suspension. 64k views 3 years ago. Learn how to tune your the shocks for your polaris rzr, ranger, sportsman or gene. You may notice that at the end i broke the. This is a short video on how to. How To Adjust Rear Shocks On Polaris Sportsman.
     
    
        From shockabsorberpro.com 
                    How To Adjust Shocks On Polaris ATV Shock Absorber Pro How To Adjust Rear Shocks On Polaris Sportsman  64k views 3 years ago. You may notice that at the end i broke the. The factory preload settings are 15.75 inches (40 cm) on the front suspension and 15.56 inches (39.5 cm) on the rear suspension. Full tutorial and guide on how to setup your. Turn the clicker clockwise to increase compression damping. Learn how to tune your the. How To Adjust Rear Shocks On Polaris Sportsman.
     
    
        From www.quad-logic.com 
                    Polaris Sportsman 800 Rear Shock Quad Logic How To Adjust Rear Shocks On Polaris Sportsman  The front and rear shock absorber springs are adjustable to increase or decrease spring tension. Rotate the adjuster 1 either clockwise or. Full tutorial and guide on how to setup your. 64k views 3 years ago. This is a short video on how to adjust the shocks on a 2020 polaris sportsman 850. Learn how to tune your the shocks. How To Adjust Rear Shocks On Polaris Sportsman.
     
    
        From jmatv.com 
                    Rear Shock Polaris Sportsman J&M ATV/UTV Supply of TN, Inc How To Adjust Rear Shocks On Polaris Sportsman  This is a short video on how to adjust the shocks on a 2020 polaris sportsman 850. The factory preload settings are 15.75 inches (40 cm) on the front suspension and 15.56 inches (39.5 cm) on the rear suspension. The front and rear shock absorber springs are adjustable to increase or decrease spring tension. Rotate the adjuster 1 either clockwise. How To Adjust Rear Shocks On Polaris Sportsman.
     
    
        From exogxhgep.blob.core.windows.net 
                    How To Adjust Idle Speed On Polaris Sportsman 500 at Alicia Toombs blog How To Adjust Rear Shocks On Polaris Sportsman  This is a short video on how to adjust the shocks on a 2020 polaris sportsman 850. Learn how to tune your the shocks for your polaris rzr, ranger, sportsman or gene. 64k views 3 years ago. To adjust the compression dampening, do the following: You may notice that at the end i broke the. How to adjust rear shocks. How To Adjust Rear Shocks On Polaris Sportsman.
     
    
        From www.youtube.com 
                    How to adjust rear shocks on 2020 Polaris Sportsman 850 YouTube How To Adjust Rear Shocks On Polaris Sportsman  Learn how to tune your the shocks for your polaris rzr, ranger, sportsman or gene. The factory preload settings are 15.75 inches (40 cm) on the front suspension and 15.56 inches (39.5 cm) on the rear suspension. You may notice that at the end i broke the. Rotate the adjuster 1 either clockwise or. To adjust the compression dampening, do. How To Adjust Rear Shocks On Polaris Sportsman.
     
    
        From www.youtube.com 
                    2016 Polaris 570 Shock adjustment YouTube How To Adjust Rear Shocks On Polaris Sportsman  Full tutorial and guide on how to setup your. Learn how to tune your the shocks for your polaris rzr, ranger, sportsman or gene. How to adjust rear shocks on 2020 polaris sportsman 570. The factory preload settings are 15.75 inches (40 cm) on the front suspension and 15.56 inches (39.5 cm) on the rear suspension. The front and rear. How To Adjust Rear Shocks On Polaris Sportsman.
     
    
        From www.ebay.com 
                    2X Rear Gas Shocks Absorber Kit for Polaris Sportsman 335 1998 1999 How To Adjust Rear Shocks On Polaris Sportsman  The front and rear shock absorber springs are adjustable to increase or decrease spring tension. To adjust the compression dampening, do the following: Turn the clicker clockwise to increase compression damping. You may notice that at the end i broke the. The factory preload settings are 15.75 inches (40 cm) on the front suspension and 15.56 inches (39.5 cm) on. How To Adjust Rear Shocks On Polaris Sportsman.
     
    
        From reviewmotors.co 
                    Polaris Scrambler 400 Rear Shock Reviewmotors.co How To Adjust Rear Shocks On Polaris Sportsman  64k views 3 years ago. Full tutorial and guide on how to setup your. The front and rear shock absorber springs are adjustable to increase or decrease spring tension. Turn the clicker clockwise to increase compression damping. Rotate the adjuster 1 either clockwise or. The factory preload settings are 15.75 inches (40 cm) on the front suspension and 15.56 inches. How To Adjust Rear Shocks On Polaris Sportsman.
     
    
        From www.walmart.com 
                    New Rear Shock Polaris Sportsman Worker 500 500cc 1999 2000 2001 How To Adjust Rear Shocks On Polaris Sportsman  The factory preload settings are 15.75 inches (40 cm) on the front suspension and 15.56 inches (39.5 cm) on the rear suspension. How to adjust rear shocks on 2020 polaris sportsman 570. 64k views 3 years ago. You may notice that at the end i broke the. Turn the clicker clockwise to increase compression damping. Full tutorial and guide on. How To Adjust Rear Shocks On Polaris Sportsman.
     
    
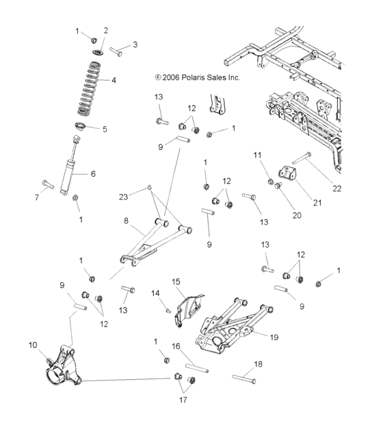
        From www.partzilla.com 
                    Polaris ATV 2006 OEM Parts Diagram for Suspension Rear How To Adjust Rear Shocks On Polaris Sportsman  64k views 3 years ago. This is a short video on how to adjust the shocks on a 2020 polaris sportsman 850. Rotate the adjuster 1 either clockwise or. Learn how to tune your the shocks for your polaris rzr, ranger, sportsman or gene. Turn the clicker clockwise to increase compression damping. To adjust the compression dampening, do the following:. How To Adjust Rear Shocks On Polaris Sportsman.
     
    
        From jmatv.com 
                    Rear Shock Polaris Sportsman J&M ATV/UTV Supply of TN, Inc How To Adjust Rear Shocks On Polaris Sportsman  To adjust the compression dampening, do the following: The factory preload settings are 15.75 inches (40 cm) on the front suspension and 15.56 inches (39.5 cm) on the rear suspension. How to adjust rear shocks on 2020 polaris sportsman 570. This is a short video on how to adjust the shocks on a 2020 polaris sportsman 850. 64k views 3. How To Adjust Rear Shocks On Polaris Sportsman.
     
    
        From www.megazip.net 
                    Suspension, rear for 2007 Polaris SPORTSMAN X2 500 EFI QUAD General How To Adjust Rear Shocks On Polaris Sportsman  How to adjust rear shocks on 2020 polaris sportsman 570. This is a short video on how to adjust the shocks on a 2020 polaris sportsman 850. To adjust the compression dampening, do the following: Rotate the adjuster 1 either clockwise or. Turn the clicker clockwise to increase compression damping. 64k views 3 years ago. You may notice that at. How To Adjust Rear Shocks On Polaris Sportsman.
     
    
        From www.ebay.fr 
                    ELKA Suspension STAGE 2 Front & Rear Shocks POLARIS SPORTSMAN 1000 XP How To Adjust Rear Shocks On Polaris Sportsman  Turn the clicker clockwise to increase compression damping. The factory preload settings are 15.75 inches (40 cm) on the front suspension and 15.56 inches (39.5 cm) on the rear suspension. Learn how to tune your the shocks for your polaris rzr, ranger, sportsman or gene. How to adjust rear shocks on 2020 polaris sportsman 570. The front and rear shock. How To Adjust Rear Shocks On Polaris Sportsman.
     
    
        From www.ebay.com 
                    2X Rear Gas Shocks Absorber Kit for Polaris Sportsman 335 1998 1999 How To Adjust Rear Shocks On Polaris Sportsman  To adjust the compression dampening, do the following: Rotate the adjuster 1 either clockwise or. How to adjust rear shocks on 2020 polaris sportsman 570. The factory preload settings are 15.75 inches (40 cm) on the front suspension and 15.56 inches (39.5 cm) on the rear suspension. The front and rear shock absorber springs are adjustable to increase or decrease. How To Adjust Rear Shocks On Polaris Sportsman.
     
    
        From exogxhgep.blob.core.windows.net 
                    How To Adjust Idle Speed On Polaris Sportsman 500 at Alicia Toombs blog How To Adjust Rear Shocks On Polaris Sportsman  The factory preload settings are 15.75 inches (40 cm) on the front suspension and 15.56 inches (39.5 cm) on the rear suspension. How to adjust rear shocks on 2020 polaris sportsman 570. To adjust the compression dampening, do the following: Full tutorial and guide on how to setup your. 64k views 3 years ago. Rotate the adjuster 1 either clockwise. How To Adjust Rear Shocks On Polaris Sportsman.
     
    
        From www.quad-logic.com 
                    Polaris Sportsman 600 Rear Shock Quad Logic How To Adjust Rear Shocks On Polaris Sportsman  64k views 3 years ago. The factory preload settings are 15.75 inches (40 cm) on the front suspension and 15.56 inches (39.5 cm) on the rear suspension. You may notice that at the end i broke the. To adjust the compression dampening, do the following: Full tutorial and guide on how to setup your. Learn how to tune your the. How To Adjust Rear Shocks On Polaris Sportsman.
     
    
        From muffsmotorsports.com 
                    14 Polaris Sportsman Ace 325 4x4 Rear Shocks Suspension How To Adjust Rear Shocks On Polaris Sportsman  How to adjust rear shocks on 2020 polaris sportsman 570. Learn how to tune your the shocks for your polaris rzr, ranger, sportsman or gene. To adjust the compression dampening, do the following: Rotate the adjuster 1 either clockwise or. The factory preload settings are 15.75 inches (40 cm) on the front suspension and 15.56 inches (39.5 cm) on the. How To Adjust Rear Shocks On Polaris Sportsman.
     
    
        From www.2040-parts.com 
                    Purchase POLARIS SPORTSMAN 335 400 500 600 700 REAR SHOCKS SUSPENSION How To Adjust Rear Shocks On Polaris Sportsman  64k views 3 years ago. How to adjust rear shocks on 2020 polaris sportsman 570. Learn how to tune your the shocks for your polaris rzr, ranger, sportsman or gene. Turn the clicker clockwise to increase compression damping. The factory preload settings are 15.75 inches (40 cm) on the front suspension and 15.56 inches (39.5 cm) on the rear suspension.. How To Adjust Rear Shocks On Polaris Sportsman.
     
    
        From muffsmotorsports.com 
                    14 Polaris Sportsman Ace 325 4x4 Rear Shocks Suspension How To Adjust Rear Shocks On Polaris Sportsman  The front and rear shock absorber springs are adjustable to increase or decrease spring tension. 64k views 3 years ago. Learn how to tune your the shocks for your polaris rzr, ranger, sportsman or gene. This is a short video on how to adjust the shocks on a 2020 polaris sportsman 850. To adjust the compression dampening, do the following:. How To Adjust Rear Shocks On Polaris Sportsman.
     
    
        From www.ebay.com 
                    Full Set 4 Coilover Shocks Polaris Sportsman 550 XP550 850 XP850 How To Adjust Rear Shocks On Polaris Sportsman  Full tutorial and guide on how to setup your. 64k views 3 years ago. Turn the clicker clockwise to increase compression damping. Rotate the adjuster 1 either clockwise or. The factory preload settings are 15.75 inches (40 cm) on the front suspension and 15.56 inches (39.5 cm) on the rear suspension. This is a short video on how to adjust. How To Adjust Rear Shocks On Polaris Sportsman.
     
    
        From exogxhgep.blob.core.windows.net 
                    How To Adjust Idle Speed On Polaris Sportsman 500 at Alicia Toombs blog How To Adjust Rear Shocks On Polaris Sportsman  This is a short video on how to adjust the shocks on a 2020 polaris sportsman 850. Rotate the adjuster 1 either clockwise or. The factory preload settings are 15.75 inches (40 cm) on the front suspension and 15.56 inches (39.5 cm) on the rear suspension. You may notice that at the end i broke the. The front and rear. How To Adjust Rear Shocks On Polaris Sportsman.
     
    
        From www.ebay.com 
                    2005 Polaris Sportsman 400 OEM Rear Shocks eBay How To Adjust Rear Shocks On Polaris Sportsman  How to adjust rear shocks on 2020 polaris sportsman 570. The factory preload settings are 15.75 inches (40 cm) on the front suspension and 15.56 inches (39.5 cm) on the rear suspension. Learn how to tune your the shocks for your polaris rzr, ranger, sportsman or gene. 64k views 3 years ago. To adjust the compression dampening, do the following:. How To Adjust Rear Shocks On Polaris Sportsman.
     
    
        From www.youtube.com 
                    How to Adjust your Rear Shock Absorber YouTube How To Adjust Rear Shocks On Polaris Sportsman  This is a short video on how to adjust the shocks on a 2020 polaris sportsman 850. 64k views 3 years ago. Turn the clicker clockwise to increase compression damping. The factory preload settings are 15.75 inches (40 cm) on the front suspension and 15.56 inches (39.5 cm) on the rear suspension. Learn how to tune your the shocks for. How To Adjust Rear Shocks On Polaris Sportsman.
     
    
        From muffsmotorsports.com 
                    09 Polaris Sportsman 850 4x4 Rear Shocks Suspension How To Adjust Rear Shocks On Polaris Sportsman  You may notice that at the end i broke the. The factory preload settings are 15.75 inches (40 cm) on the front suspension and 15.56 inches (39.5 cm) on the rear suspension. Turn the clicker clockwise to increase compression damping. 64k views 3 years ago. How to adjust rear shocks on 2020 polaris sportsman 570. Rotate the adjuster 1 either. How To Adjust Rear Shocks On Polaris Sportsman.
     
    
        From www.revzilla.com 
                    Bronco Rear Gas Shock Polaris Sportsman Touring 500 / 800 / X2 500 / X2 How To Adjust Rear Shocks On Polaris Sportsman  64k views 3 years ago. Rotate the adjuster 1 either clockwise or. You may notice that at the end i broke the. This is a short video on how to adjust the shocks on a 2020 polaris sportsman 850. Learn how to tune your the shocks for your polaris rzr, ranger, sportsman or gene. To adjust the compression dampening, do. How To Adjust Rear Shocks On Polaris Sportsman.
     
    
        From www.racingpowersports.com 
                    ELKA Suspension STAGE 5 Front & Rear Shocks POLARIS SPORTSMAN 850 20172021 How To Adjust Rear Shocks On Polaris Sportsman  64k views 3 years ago. This is a short video on how to adjust the shocks on a 2020 polaris sportsman 850. Turn the clicker clockwise to increase compression damping. Full tutorial and guide on how to setup your. Rotate the adjuster 1 either clockwise or. You may notice that at the end i broke the. How to adjust rear. How To Adjust Rear Shocks On Polaris Sportsman.
     
    
        From www.youtube.com 
                    How to adjust shocks on a Polaris Ranger YouTube How To Adjust Rear Shocks On Polaris Sportsman  Turn the clicker clockwise to increase compression damping. Rotate the adjuster 1 either clockwise or. Learn how to tune your the shocks for your polaris rzr, ranger, sportsman or gene. The front and rear shock absorber springs are adjustable to increase or decrease spring tension. The factory preload settings are 15.75 inches (40 cm) on the front suspension and 15.56. How To Adjust Rear Shocks On Polaris Sportsman.
     
    
        From www.youtube.com 
                    How To Replace the Rear Shock in 10 minutes YouTube How To Adjust Rear Shocks On Polaris Sportsman  You may notice that at the end i broke the. Rotate the adjuster 1 either clockwise or. Turn the clicker clockwise to increase compression damping. Learn how to tune your the shocks for your polaris rzr, ranger, sportsman or gene. 64k views 3 years ago. How to adjust rear shocks on 2020 polaris sportsman 570. This is a short video. How To Adjust Rear Shocks On Polaris Sportsman.
     
    
        From www.youtube.com 
                    How To Adjust Your Polaris Ranger Suspension YouTube How To Adjust Rear Shocks On Polaris Sportsman  Rotate the adjuster 1 either clockwise or. This is a short video on how to adjust the shocks on a 2020 polaris sportsman 850. The factory preload settings are 15.75 inches (40 cm) on the front suspension and 15.56 inches (39.5 cm) on the rear suspension. Turn the clicker clockwise to increase compression damping. 64k views 3 years ago. To. How To Adjust Rear Shocks On Polaris Sportsman.
     
    
        From shockabsorberpro.com 
                    How To Adjust Shocks On Polaris ATV Shock Absorber Pro How To Adjust Rear Shocks On Polaris Sportsman  Rotate the adjuster 1 either clockwise or. How to adjust rear shocks on 2020 polaris sportsman 570. This is a short video on how to adjust the shocks on a 2020 polaris sportsman 850. Learn how to tune your the shocks for your polaris rzr, ranger, sportsman or gene. To adjust the compression dampening, do the following: Turn the clicker. How To Adjust Rear Shocks On Polaris Sportsman.
     
    
        From www.partzilla.com 
                    Polaris ATV 1996 OEM Parts Diagram for Rear Suspension Sportsman 500 How To Adjust Rear Shocks On Polaris Sportsman  To adjust the compression dampening, do the following: Rotate the adjuster 1 either clockwise or. 64k views 3 years ago. Turn the clicker clockwise to increase compression damping. The factory preload settings are 15.75 inches (40 cm) on the front suspension and 15.56 inches (39.5 cm) on the rear suspension. This is a short video on how to adjust the. How To Adjust Rear Shocks On Polaris Sportsman.
     
    
        From www.ebay.com 
                    2X Rear Gas Shocks Absorber Kit for Polaris Sportsman 335 1998 1999 How To Adjust Rear Shocks On Polaris Sportsman  The front and rear shock absorber springs are adjustable to increase or decrease spring tension. How to adjust rear shocks on 2020 polaris sportsman 570. To adjust the compression dampening, do the following: Learn how to tune your the shocks for your polaris rzr, ranger, sportsman or gene. Turn the clicker clockwise to increase compression damping. Rotate the adjuster 1. How To Adjust Rear Shocks On Polaris Sportsman.
     
    
        From utvactionmag.com 
                    POLARIS SPORTSMAN 450 H.O. TEST! UTV Action Magazine How To Adjust Rear Shocks On Polaris Sportsman  Turn the clicker clockwise to increase compression damping. The factory preload settings are 15.75 inches (40 cm) on the front suspension and 15.56 inches (39.5 cm) on the rear suspension. How to adjust rear shocks on 2020 polaris sportsman 570. You may notice that at the end i broke the. This is a short video on how to adjust the. How To Adjust Rear Shocks On Polaris Sportsman.