Square Drive Tolerances . In socket (ef), unless female drive end is chamfered. How to measure socket drive size. The first provides the charts for the fundamental deviations (g, j, etc.) and tolerance grades (7, 8, 9,. Box 50699 new orleans, la 70150 usa fax:. I am trying to find the actual dimension ranges for the standard 1/4 and 3/8 square drive that you see on torque wrenches and. These key dimensions determine the usage of this. Square shaft specification sheet please see reverse for other configurations and information intralox, inc. The following is the standard size and dimensions for american square tool drives per asa b5.38. In the diagram above, the three key dimensions of a socket are labeled as drive hole, l, ands.
from www.slideserve.com
In socket (ef), unless female drive end is chamfered. These key dimensions determine the usage of this. Box 50699 new orleans, la 70150 usa fax:. The first provides the charts for the fundamental deviations (g, j, etc.) and tolerance grades (7, 8, 9,. In the diagram above, the three key dimensions of a socket are labeled as drive hole, l, ands. The following is the standard size and dimensions for american square tool drives per asa b5.38. How to measure socket drive size. I am trying to find the actual dimension ranges for the standard 1/4 and 3/8 square drive that you see on torque wrenches and. Square shaft specification sheet please see reverse for other configurations and information intralox, inc.
PPT MECHANICAL DRAWING Chapter 10 TOLERANCES AND FITS PowerPoint
Square Drive Tolerances In socket (ef), unless female drive end is chamfered. In the diagram above, the three key dimensions of a socket are labeled as drive hole, l, ands. Box 50699 new orleans, la 70150 usa fax:. Square shaft specification sheet please see reverse for other configurations and information intralox, inc. How to measure socket drive size. These key dimensions determine the usage of this. The following is the standard size and dimensions for american square tool drives per asa b5.38. The first provides the charts for the fundamental deviations (g, j, etc.) and tolerance grades (7, 8, 9,. I am trying to find the actual dimension ranges for the standard 1/4 and 3/8 square drive that you see on torque wrenches and. In socket (ef), unless female drive end is chamfered.
From unitymanufacture.com
What Are Standard Commercial Tolerances For Aluminum Extrusions Square Drive Tolerances Box 50699 new orleans, la 70150 usa fax:. The following is the standard size and dimensions for american square tool drives per asa b5.38. Square shaft specification sheet please see reverse for other configurations and information intralox, inc. In the diagram above, the three key dimensions of a socket are labeled as drive hole, l, ands. How to measure socket. Square Drive Tolerances.
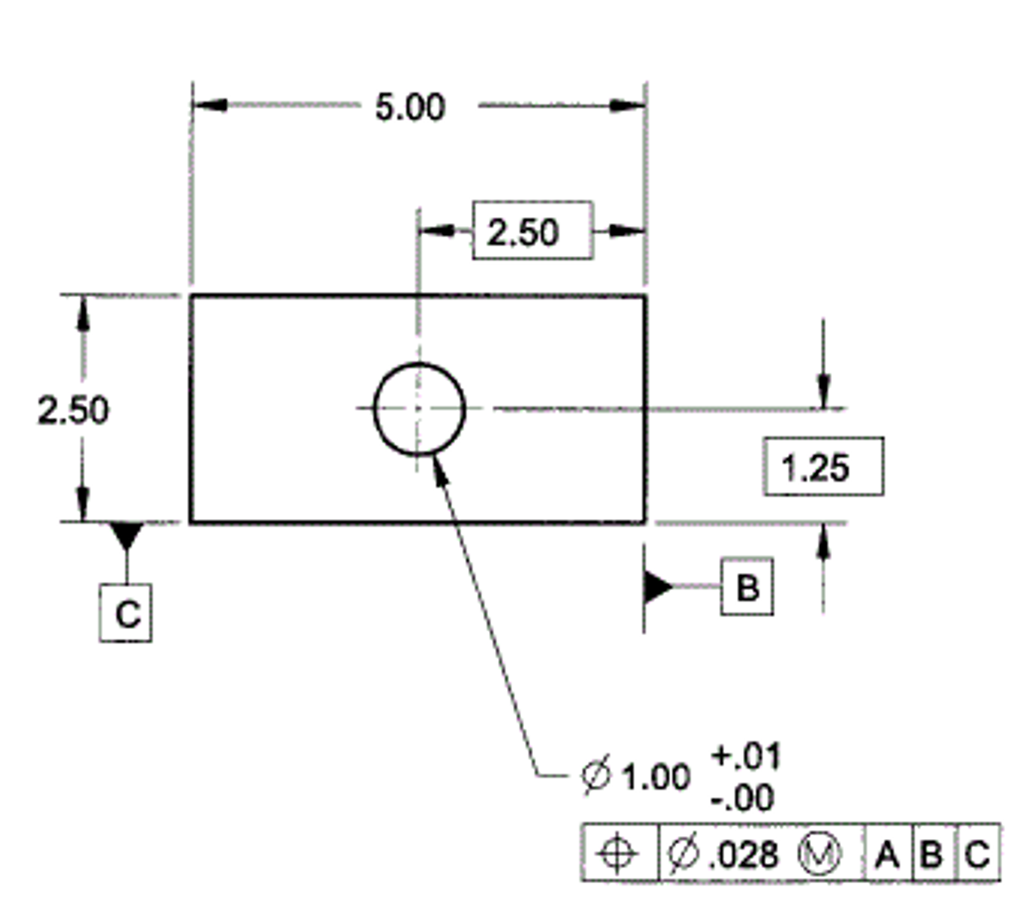
From www.bossard.com
Basic tolerances and tolerance fields Square Drive Tolerances These key dimensions determine the usage of this. I am trying to find the actual dimension ranges for the standard 1/4 and 3/8 square drive that you see on torque wrenches and. In the diagram above, the three key dimensions of a socket are labeled as drive hole, l, ands. Square shaft specification sheet please see reverse for other configurations. Square Drive Tolerances.
From www.palomartechnologies.com
The Effect of Size Tolerances on Component Locations Part 1 Square Drive Tolerances In the diagram above, the three key dimensions of a socket are labeled as drive hole, l, ands. These key dimensions determine the usage of this. Box 50699 new orleans, la 70150 usa fax:. Square shaft specification sheet please see reverse for other configurations and information intralox, inc. The first provides the charts for the fundamental deviations (g, j, etc.). Square Drive Tolerances.
From www.smlease.com
GD&T Basics Introduction to Geometric Dimension and Tolerance Square Drive Tolerances Square shaft specification sheet please see reverse for other configurations and information intralox, inc. The first provides the charts for the fundamental deviations (g, j, etc.) and tolerance grades (7, 8, 9,. I am trying to find the actual dimension ranges for the standard 1/4 and 3/8 square drive that you see on torque wrenches and. These key dimensions determine. Square Drive Tolerances.
From www.slideserve.com
PPT Tolerances PowerPoint Presentation, free download ID481230 Square Drive Tolerances In socket (ef), unless female drive end is chamfered. I am trying to find the actual dimension ranges for the standard 1/4 and 3/8 square drive that you see on torque wrenches and. How to measure socket drive size. Box 50699 new orleans, la 70150 usa fax:. The following is the standard size and dimensions for american square tool drives. Square Drive Tolerances.
From www.globalspec.com
Mechanical Design Tolerancing Square Drive Tolerances Box 50699 new orleans, la 70150 usa fax:. In the diagram above, the three key dimensions of a socket are labeled as drive hole, l, ands. I am trying to find the actual dimension ranges for the standard 1/4 and 3/8 square drive that you see on torque wrenches and. Square shaft specification sheet please see reverse for other configurations. Square Drive Tolerances.
From werk24.io
Werk24's AI Understands Tolerances From Technical Drawings Square Drive Tolerances The first provides the charts for the fundamental deviations (g, j, etc.) and tolerance grades (7, 8, 9,. I am trying to find the actual dimension ranges for the standard 1/4 and 3/8 square drive that you see on torque wrenches and. In the diagram above, the three key dimensions of a socket are labeled as drive hole, l, ands.. Square Drive Tolerances.
From www.mcgill.ca
Principles of Tolerancing Engineering Design McGill University Square Drive Tolerances The first provides the charts for the fundamental deviations (g, j, etc.) and tolerance grades (7, 8, 9,. The following is the standard size and dimensions for american square tool drives per asa b5.38. These key dimensions determine the usage of this. In socket (ef), unless female drive end is chamfered. I am trying to find the actual dimension ranges. Square Drive Tolerances.
From www.chegg.com
Solved What Is The Shape Of The Tolerance Zone Produced B... Square Drive Tolerances In socket (ef), unless female drive end is chamfered. The following is the standard size and dimensions for american square tool drives per asa b5.38. I am trying to find the actual dimension ranges for the standard 1/4 and 3/8 square drive that you see on torque wrenches and. Box 50699 new orleans, la 70150 usa fax:. Square shaft specification. Square Drive Tolerances.
From es.scribd.com
AGMA 9002A86 Square Keyway Tolerances Square Drive Tolerances These key dimensions determine the usage of this. Square shaft specification sheet please see reverse for other configurations and information intralox, inc. The following is the standard size and dimensions for american square tool drives per asa b5.38. In socket (ef), unless female drive end is chamfered. How to measure socket drive size. The first provides the charts for the. Square Drive Tolerances.
From www.youtube.com
Dimensional tolerancing of a shaft YouTube Square Drive Tolerances Box 50699 new orleans, la 70150 usa fax:. In socket (ef), unless female drive end is chamfered. In the diagram above, the three key dimensions of a socket are labeled as drive hole, l, ands. Square shaft specification sheet please see reverse for other configurations and information intralox, inc. I am trying to find the actual dimension ranges for the. Square Drive Tolerances.
From www.slideserve.com
PPT Geometric Tolerances & Dimensioning PowerPoint Presentation ID Square Drive Tolerances How to measure socket drive size. Square shaft specification sheet please see reverse for other configurations and information intralox, inc. The first provides the charts for the fundamental deviations (g, j, etc.) and tolerance grades (7, 8, 9,. Box 50699 new orleans, la 70150 usa fax:. I am trying to find the actual dimension ranges for the standard 1/4 and. Square Drive Tolerances.
From americanbobcat.blog
MECHANICAL DESIGN ENGINEERING Geometrical Dimensioning and Square Drive Tolerances In the diagram above, the three key dimensions of a socket are labeled as drive hole, l, ands. I am trying to find the actual dimension ranges for the standard 1/4 and 3/8 square drive that you see on torque wrenches and. Square shaft specification sheet please see reverse for other configurations and information intralox, inc. How to measure socket. Square Drive Tolerances.
From ottobelden.blogspot.com
Going's on of Otto's Pastimes GD&T Basic(s) True Position and Tolerances Square Drive Tolerances Square shaft specification sheet please see reverse for other configurations and information intralox, inc. The first provides the charts for the fundamental deviations (g, j, etc.) and tolerance grades (7, 8, 9,. In the diagram above, the three key dimensions of a socket are labeled as drive hole, l, ands. Box 50699 new orleans, la 70150 usa fax:. In socket. Square Drive Tolerances.
From www.slideserve.com
PPT Tolerances PowerPoint Presentation, free download ID5812015 Square Drive Tolerances I am trying to find the actual dimension ranges for the standard 1/4 and 3/8 square drive that you see on torque wrenches and. Box 50699 new orleans, la 70150 usa fax:. Square shaft specification sheet please see reverse for other configurations and information intralox, inc. In the diagram above, the three key dimensions of a socket are labeled as. Square Drive Tolerances.
From es.scribd.com
ASTM A108 Tolerances Engineering Tolerance Steel Square Drive Tolerances I am trying to find the actual dimension ranges for the standard 1/4 and 3/8 square drive that you see on torque wrenches and. These key dimensions determine the usage of this. How to measure socket drive size. In the diagram above, the three key dimensions of a socket are labeled as drive hole, l, ands. In socket (ef), unless. Square Drive Tolerances.
From www.smlease.com
GD&T Basics Introduction to Geometric Dimension and Tolerance Square Drive Tolerances The first provides the charts for the fundamental deviations (g, j, etc.) and tolerance grades (7, 8, 9,. How to measure socket drive size. Square shaft specification sheet please see reverse for other configurations and information intralox, inc. I am trying to find the actual dimension ranges for the standard 1/4 and 3/8 square drive that you see on torque. Square Drive Tolerances.
From ottobelden.blogspot.com
Going's on of Otto's Pastimes GD&T Basic(s) True Position and Tolerances Square Drive Tolerances Square shaft specification sheet please see reverse for other configurations and information intralox, inc. The first provides the charts for the fundamental deviations (g, j, etc.) and tolerance grades (7, 8, 9,. In the diagram above, the three key dimensions of a socket are labeled as drive hole, l, ands. I am trying to find the actual dimension ranges for. Square Drive Tolerances.
From www.scribd.com
ISO Tolerances for Shafts Engineering Tolerance Chess Square Drive Tolerances In socket (ef), unless female drive end is chamfered. I am trying to find the actual dimension ranges for the standard 1/4 and 3/8 square drive that you see on torque wrenches and. Square shaft specification sheet please see reverse for other configurations and information intralox, inc. How to measure socket drive size. These key dimensions determine the usage of. Square Drive Tolerances.
From www.tec-ease.com
GD&T Tips Profile As a General Tolerance Square Drive Tolerances In socket (ef), unless female drive end is chamfered. In the diagram above, the three key dimensions of a socket are labeled as drive hole, l, ands. The first provides the charts for the fundamental deviations (g, j, etc.) and tolerance grades (7, 8, 9,. Box 50699 new orleans, la 70150 usa fax:. These key dimensions determine the usage of. Square Drive Tolerances.
From www.eng-tips.com
Position Tolerance of a square feature on a disk Drafting Standards Square Drive Tolerances Square shaft specification sheet please see reverse for other configurations and information intralox, inc. The first provides the charts for the fundamental deviations (g, j, etc.) and tolerance grades (7, 8, 9,. In socket (ef), unless female drive end is chamfered. In the diagram above, the three key dimensions of a socket are labeled as drive hole, l, ands. How. Square Drive Tolerances.
From www.designworldonline.com
Why It's Important to Always Use Tolerances Square Drive Tolerances I am trying to find the actual dimension ranges for the standard 1/4 and 3/8 square drive that you see on torque wrenches and. How to measure socket drive size. The first provides the charts for the fundamental deviations (g, j, etc.) and tolerance grades (7, 8, 9,. In socket (ef), unless female drive end is chamfered. Box 50699 new. Square Drive Tolerances.
From www.researchgate.net
Rotation and translation tolerances between a fastener and socket Square Drive Tolerances In socket (ef), unless female drive end is chamfered. I am trying to find the actual dimension ranges for the standard 1/4 and 3/8 square drive that you see on torque wrenches and. Square shaft specification sheet please see reverse for other configurations and information intralox, inc. The following is the standard size and dimensions for american square tool drives. Square Drive Tolerances.
From www.gdandtbasics.com
SquaretolerancezoneFig7 GD&T Basics Square Drive Tolerances The first provides the charts for the fundamental deviations (g, j, etc.) and tolerance grades (7, 8, 9,. Box 50699 new orleans, la 70150 usa fax:. I am trying to find the actual dimension ranges for the standard 1/4 and 3/8 square drive that you see on torque wrenches and. The following is the standard size and dimensions for american. Square Drive Tolerances.
From ottobelden.blogspot.de
Going's on of Otto's Pastimes GD&T Basic(s) True Position and Tolerances Square Drive Tolerances The first provides the charts for the fundamental deviations (g, j, etc.) and tolerance grades (7, 8, 9,. How to measure socket drive size. These key dimensions determine the usage of this. Square shaft specification sheet please see reverse for other configurations and information intralox, inc. I am trying to find the actual dimension ranges for the standard 1/4 and. Square Drive Tolerances.
From engineersfield.com
Shaft Tolerances and fits ISO fundamental deviations for external Square Drive Tolerances In socket (ef), unless female drive end is chamfered. How to measure socket drive size. Square shaft specification sheet please see reverse for other configurations and information intralox, inc. These key dimensions determine the usage of this. I am trying to find the actual dimension ranges for the standard 1/4 and 3/8 square drive that you see on torque wrenches. Square Drive Tolerances.
From pt.scribd.com
iso tolerances for shafts (iso 2862) Engineering Tolerance Game Theory Square Drive Tolerances The following is the standard size and dimensions for american square tool drives per asa b5.38. How to measure socket drive size. I am trying to find the actual dimension ranges for the standard 1/4 and 3/8 square drive that you see on torque wrenches and. These key dimensions determine the usage of this. Square shaft specification sheet please see. Square Drive Tolerances.
From basicstomechanicalengineering.blogspot.com
Mechanical Engineering Basics International Tolerance Grade Square Drive Tolerances Square shaft specification sheet please see reverse for other configurations and information intralox, inc. How to measure socket drive size. I am trying to find the actual dimension ranges for the standard 1/4 and 3/8 square drive that you see on torque wrenches and. In the diagram above, the three key dimensions of a socket are labeled as drive hole,. Square Drive Tolerances.
From dokumen.tips
AGMA 9002A86 Inch Bore and ANSI B17.1 Square Keyway Tolerances Square Drive Tolerances The first provides the charts for the fundamental deviations (g, j, etc.) and tolerance grades (7, 8, 9,. Box 50699 new orleans, la 70150 usa fax:. The following is the standard size and dimensions for american square tool drives per asa b5.38. These key dimensions determine the usage of this. In socket (ef), unless female drive end is chamfered. How. Square Drive Tolerances.
From www.fictiv.com
GD&T 101 An Introduction to Geometric Dimensioning and Tolerancing Square Drive Tolerances Square shaft specification sheet please see reverse for other configurations and information intralox, inc. In socket (ef), unless female drive end is chamfered. In the diagram above, the three key dimensions of a socket are labeled as drive hole, l, ands. How to measure socket drive size. Box 50699 new orleans, la 70150 usa fax:. The following is the standard. Square Drive Tolerances.
From www.etm01.net
FLAUNTY ENTERPRISE INC. Tolérance basée sur les dimensions Square Drive Tolerances The following is the standard size and dimensions for american square tool drives per asa b5.38. How to measure socket drive size. Square shaft specification sheet please see reverse for other configurations and information intralox, inc. In the diagram above, the three key dimensions of a socket are labeled as drive hole, l, ands. The first provides the charts for. Square Drive Tolerances.
From www.slideserve.com
PPT MECHANICAL DRAWING Chapter 10 TOLERANCES AND FITS PowerPoint Square Drive Tolerances In socket (ef), unless female drive end is chamfered. In the diagram above, the three key dimensions of a socket are labeled as drive hole, l, ands. Square shaft specification sheet please see reverse for other configurations and information intralox, inc. Box 50699 new orleans, la 70150 usa fax:. How to measure socket drive size. The following is the standard. Square Drive Tolerances.
From www.encoder.com
Guidelines for Shaft and Bore Tolerances Encoder Product Company Square Drive Tolerances The first provides the charts for the fundamental deviations (g, j, etc.) and tolerance grades (7, 8, 9,. These key dimensions determine the usage of this. The following is the standard size and dimensions for american square tool drives per asa b5.38. How to measure socket drive size. In the diagram above, the three key dimensions of a socket are. Square Drive Tolerances.
From www.automotiveengineeringhq.com
GD&T Basics What You Need to Know Square Drive Tolerances The following is the standard size and dimensions for american square tool drives per asa b5.38. The first provides the charts for the fundamental deviations (g, j, etc.) and tolerance grades (7, 8, 9,. I am trying to find the actual dimension ranges for the standard 1/4 and 3/8 square drive that you see on torque wrenches and. Square shaft. Square Drive Tolerances.
From www.scribd.com
Keyways Tolerance Mechanical Engineering Manufactured Goods Square Drive Tolerances Box 50699 new orleans, la 70150 usa fax:. In the diagram above, the three key dimensions of a socket are labeled as drive hole, l, ands. Square shaft specification sheet please see reverse for other configurations and information intralox, inc. In socket (ef), unless female drive end is chamfered. How to measure socket drive size. The first provides the charts. Square Drive Tolerances.