Logarithm Analog Circuit . It is possible to design circuits with logarithmic response. A number of instrumentation applications can benefit from the use of logarithmic or exponential signal processing techniques. The basic output equation of a log amplifier is v vout = k ln. Take the logarithms for analog circuits (analog integrated circuits) worksheet. Logarithms have interesting properties, which we may exploit in electronic circuits to perform certain complex operations. Recalling your logarithm fundamentals, remember that processes such as multiplication and division turn. Basic log amp concepts and terminology. The term logarithmic amplifier (generally abbreviated to log amp) is something of a misnomer, and logarithmic converter would be. The design and use of logarithmic/exponential circuits. These questions & answers will help you master the topic! The results generated by the logarithmic or log amplifier is. Log amplifier is a linear circuit in which the output voltage will be a constant times the natural logarithm of the input. The logarithm of any number is the power that has such a number at the base that results in this number.
from www.seekic.com
Log amplifier is a linear circuit in which the output voltage will be a constant times the natural logarithm of the input. These questions & answers will help you master the topic! Recalling your logarithm fundamentals, remember that processes such as multiplication and division turn. A number of instrumentation applications can benefit from the use of logarithmic or exponential signal processing techniques. The basic output equation of a log amplifier is v vout = k ln. Logarithms have interesting properties, which we may exploit in electronic circuits to perform certain complex operations. It is possible to design circuits with logarithmic response. Basic log amp concepts and terminology. The term logarithmic amplifier (generally abbreviated to log amp) is something of a misnomer, and logarithmic converter would be. The logarithm of any number is the power that has such a number at the base that results in this number.
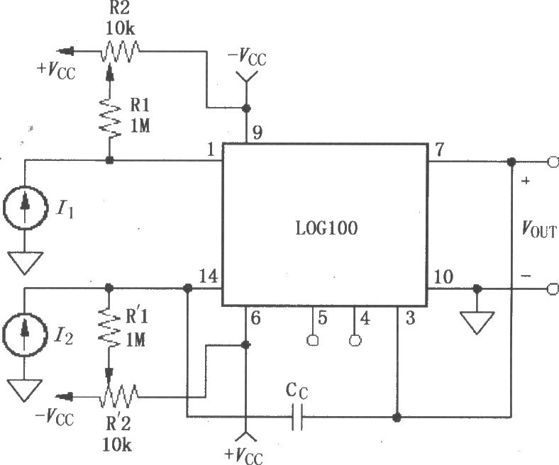
The bias zeroing circuit of logarithm and logarithmic ratio amplifier
Logarithm Analog Circuit Logarithms have interesting properties, which we may exploit in electronic circuits to perform certain complex operations. The design and use of logarithmic/exponential circuits. Take the logarithms for analog circuits (analog integrated circuits) worksheet. Log amplifier is a linear circuit in which the output voltage will be a constant times the natural logarithm of the input. The basic output equation of a log amplifier is v vout = k ln. The logarithm of any number is the power that has such a number at the base that results in this number. A number of instrumentation applications can benefit from the use of logarithmic or exponential signal processing techniques. Logarithms have interesting properties, which we may exploit in electronic circuits to perform certain complex operations. It is possible to design circuits with logarithmic response. Basic log amp concepts and terminology. These questions & answers will help you master the topic! The term logarithmic amplifier (generally abbreviated to log amp) is something of a misnomer, and logarithmic converter would be. The results generated by the logarithmic or log amplifier is. Recalling your logarithm fundamentals, remember that processes such as multiplication and division turn.
From www.wikiwand.com
Natural logarithm Wikiwand Logarithm Analog Circuit The basic output equation of a log amplifier is v vout = k ln. The design and use of logarithmic/exponential circuits. Basic log amp concepts and terminology. These questions & answers will help you master the topic! A number of instrumentation applications can benefit from the use of logarithmic or exponential signal processing techniques. Log amplifier is a linear circuit. Logarithm Analog Circuit.
From www.coursehero.com
[Solved] Expanding and Condensing Logarithms Expand each logarithm. 2 Logarithm Analog Circuit Take the logarithms for analog circuits (analog integrated circuits) worksheet. It is possible to design circuits with logarithmic response. The basic output equation of a log amplifier is v vout = k ln. A number of instrumentation applications can benefit from the use of logarithmic or exponential signal processing techniques. The term logarithmic amplifier (generally abbreviated to log amp) is. Logarithm Analog Circuit.
From klaumqywo.blob.core.windows.net
Logarithmic Amplifier Using OpAmp at Jeffrey Bradley blog Logarithm Analog Circuit It is possible to design circuits with logarithmic response. Basic log amp concepts and terminology. The results generated by the logarithmic or log amplifier is. The logarithm of any number is the power that has such a number at the base that results in this number. Log amplifier is a linear circuit in which the output voltage will be a. Logarithm Analog Circuit.
From cs.stackexchange.com
circuits Binary logarithm of binary number using logic gates Logarithm Analog Circuit The basic output equation of a log amplifier is v vout = k ln. Basic log amp concepts and terminology. These questions & answers will help you master the topic! Recalling your logarithm fundamentals, remember that processes such as multiplication and division turn. A number of instrumentation applications can benefit from the use of logarithmic or exponential signal processing techniques.. Logarithm Analog Circuit.
From www.easysevens.com
Laws of Exponents and Logarithms Easy Sevens Education Logarithm Analog Circuit These questions & answers will help you master the topic! The results generated by the logarithmic or log amplifier is. The term logarithmic amplifier (generally abbreviated to log amp) is something of a misnomer, and logarithmic converter would be. The basic output equation of a log amplifier is v vout = k ln. Take the logarithms for analog circuits (analog. Logarithm Analog Circuit.
From www.youtube.com
Analog Logarithm Calculator with Op Amp and Diode YouTube Logarithm Analog Circuit The design and use of logarithmic/exponential circuits. Recalling your logarithm fundamentals, remember that processes such as multiplication and division turn. These questions & answers will help you master the topic! The results generated by the logarithmic or log amplifier is. The basic output equation of a log amplifier is v vout = k ln. The logarithm of any number is. Logarithm Analog Circuit.
From www.savemyexams.com
Laws of Logarithms CIE IGCSE Additional Maths Revision Notes 2025 Logarithm Analog Circuit These questions & answers will help you master the topic! The results generated by the logarithmic or log amplifier is. The logarithm of any number is the power that has such a number at the base that results in this number. The design and use of logarithmic/exponential circuits. Log amplifier is a linear circuit in which the output voltage will. Logarithm Analog Circuit.
From www.scribd.com
Logarithmic Amplifier Amplifier Logarithm Logarithm Analog Circuit The logarithm of any number is the power that has such a number at the base that results in this number. Basic log amp concepts and terminology. It is possible to design circuits with logarithmic response. A number of instrumentation applications can benefit from the use of logarithmic or exponential signal processing techniques. Logarithms have interesting properties, which we may. Logarithm Analog Circuit.
From learn.sparkfun.com
Analog vs. Digital SparkFun Learn Logarithm Analog Circuit A number of instrumentation applications can benefit from the use of logarithmic or exponential signal processing techniques. Log amplifier is a linear circuit in which the output voltage will be a constant times the natural logarithm of the input. The logarithm of any number is the power that has such a number at the base that results in this number.. Logarithm Analog Circuit.
From www.circuits-diy.com
Simple Log Amplifier Circuit Logarithm Analog Circuit Recalling your logarithm fundamentals, remember that processes such as multiplication and division turn. The basic output equation of a log amplifier is v vout = k ln. Basic log amp concepts and terminology. Log amplifier is a linear circuit in which the output voltage will be a constant times the natural logarithm of the input. The logarithm of any number. Logarithm Analog Circuit.
From www.seekic.com
LOGARITHMIC_RATIO Basic_Circuit Circuit Diagram Logarithm Analog Circuit The design and use of logarithmic/exponential circuits. Logarithms have interesting properties, which we may exploit in electronic circuits to perform certain complex operations. Basic log amp concepts and terminology. The results generated by the logarithmic or log amplifier is. Recalling your logarithm fundamentals, remember that processes such as multiplication and division turn. The logarithm of any number is the power. Logarithm Analog Circuit.
From exovhwkfv.blob.core.windows.net
Analog Integrated Circuit Design By Simulation Techniques Tools And Logarithm Analog Circuit The design and use of logarithmic/exponential circuits. Logarithms have interesting properties, which we may exploit in electronic circuits to perform certain complex operations. A number of instrumentation applications can benefit from the use of logarithmic or exponential signal processing techniques. The logarithm of any number is the power that has such a number at the base that results in this. Logarithm Analog Circuit.
From www.seekic.com
The bias zeroing circuit of logarithm and logarithmic ratio amplifier Logarithm Analog Circuit The basic output equation of a log amplifier is v vout = k ln. These questions & answers will help you master the topic! The design and use of logarithmic/exponential circuits. The term logarithmic amplifier (generally abbreviated to log amp) is something of a misnomer, and logarithmic converter would be. Logarithms have interesting properties, which we may exploit in electronic. Logarithm Analog Circuit.
From www.eleccircuit.com
Signal amplifier circuit diagram with set inputoutput ratio Logarithm Analog Circuit The logarithm of any number is the power that has such a number at the base that results in this number. The results generated by the logarithmic or log amplifier is. The design and use of logarithmic/exponential circuits. Recalling your logarithm fundamentals, remember that processes such as multiplication and division turn. The term logarithmic amplifier (generally abbreviated to log amp). Logarithm Analog Circuit.
From slideplayer.com
BLM Circuit Theory Prof. Dr. Nizamettin AYDIN ppt download Logarithm Analog Circuit These questions & answers will help you master the topic! Logarithms have interesting properties, which we may exploit in electronic circuits to perform certain complex operations. The term logarithmic amplifier (generally abbreviated to log amp) is something of a misnomer, and logarithmic converter would be. Basic log amp concepts and terminology. The results generated by the logarithmic or log amplifier. Logarithm Analog Circuit.
From circuitdiagramsfree.blogspot.com
Logarithmic Amplifier Circuit Diagram CIRCUIT DIAGRAMS FREE Logarithm Analog Circuit The results generated by the logarithmic or log amplifier is. The design and use of logarithmic/exponential circuits. Basic log amp concepts and terminology. Take the logarithms for analog circuits (analog integrated circuits) worksheet. Logarithms have interesting properties, which we may exploit in electronic circuits to perform certain complex operations. These questions & answers will help you master the topic! It. Logarithm Analog Circuit.
From phys.org
Using analog computation circuits, engineers design cells that can Logarithm Analog Circuit Basic log amp concepts and terminology. Recalling your logarithm fundamentals, remember that processes such as multiplication and division turn. The design and use of logarithmic/exponential circuits. The results generated by the logarithmic or log amplifier is. Logarithms have interesting properties, which we may exploit in electronic circuits to perform certain complex operations. These questions & answers will help you master. Logarithm Analog Circuit.
From schematicscolia.z13.web.core.windows.net
Introduction To Analog Circuits Logarithm Analog Circuit A number of instrumentation applications can benefit from the use of logarithmic or exponential signal processing techniques. Basic log amp concepts and terminology. The results generated by the logarithmic or log amplifier is. Take the logarithms for analog circuits (analog integrated circuits) worksheet. It is possible to design circuits with logarithmic response. The logarithm of any number is the power. Logarithm Analog Circuit.
From www.youtube.com
Analog Logarithm Computer with Op Amp How does it work? YouTube Logarithm Analog Circuit Logarithms have interesting properties, which we may exploit in electronic circuits to perform certain complex operations. The results generated by the logarithmic or log amplifier is. The logarithm of any number is the power that has such a number at the base that results in this number. The basic output equation of a log amplifier is v vout = k. Logarithm Analog Circuit.
From www.youtube.com
Logarithm Analog Computer Design with Op Amps and Transistors YouTube Logarithm Analog Circuit Recalling your logarithm fundamentals, remember that processes such as multiplication and division turn. The results generated by the logarithmic or log amplifier is. The term logarithmic amplifier (generally abbreviated to log amp) is something of a misnomer, and logarithmic converter would be. The basic output equation of a log amplifier is v vout = k ln. These questions & answers. Logarithm Analog Circuit.
From www.researchgate.net
Architecture of the logarithm operator. Download Scientific Diagram Logarithm Analog Circuit The basic output equation of a log amplifier is v vout = k ln. The results generated by the logarithmic or log amplifier is. The design and use of logarithmic/exponential circuits. Log amplifier is a linear circuit in which the output voltage will be a constant times the natural logarithm of the input. The logarithm of any number is the. Logarithm Analog Circuit.
From www.researchgate.net
Analogue electronic circuits. a, Inverting amplifier, b, integrating Logarithm Analog Circuit It is possible to design circuits with logarithmic response. These questions & answers will help you master the topic! A number of instrumentation applications can benefit from the use of logarithmic or exponential signal processing techniques. Recalling your logarithm fundamentals, remember that processes such as multiplication and division turn. Logarithms have interesting properties, which we may exploit in electronic circuits. Logarithm Analog Circuit.
From www.youtube.com
logarithm formula proof logarithm formula derivation logarithm Logarithm Analog Circuit Basic log amp concepts and terminology. The term logarithmic amplifier (generally abbreviated to log amp) is something of a misnomer, and logarithmic converter would be. The design and use of logarithmic/exponential circuits. These questions & answers will help you master the topic! The results generated by the logarithmic or log amplifier is. The basic output equation of a log amplifier. Logarithm Analog Circuit.
From www.researchgate.net
Vectormatrix multiplication circuit of the gate Download Logarithm Analog Circuit The basic output equation of a log amplifier is v vout = k ln. The design and use of logarithmic/exponential circuits. Recalling your logarithm fundamentals, remember that processes such as multiplication and division turn. Basic log amp concepts and terminology. The term logarithmic amplifier (generally abbreviated to log amp) is something of a misnomer, and logarithmic converter would be. The. Logarithm Analog Circuit.
From www.youtube.com
Analog Computer Logarithm Amplifier (Log calculator) YouTube Logarithm Analog Circuit Take the logarithms for analog circuits (analog integrated circuits) worksheet. Basic log amp concepts and terminology. These questions & answers will help you master the topic! Logarithms have interesting properties, which we may exploit in electronic circuits to perform certain complex operations. The basic output equation of a log amplifier is v vout = k ln. Log amplifier is a. Logarithm Analog Circuit.
From joilywbwa.blob.core.windows.net
Differential Op Amp Applications at Rozella Blackwood blog Logarithm Analog Circuit A number of instrumentation applications can benefit from the use of logarithmic or exponential signal processing techniques. The term logarithmic amplifier (generally abbreviated to log amp) is something of a misnomer, and logarithmic converter would be. The design and use of logarithmic/exponential circuits. It is possible to design circuits with logarithmic response. The logarithm of any number is the power. Logarithm Analog Circuit.
From xi8.me
LOG AND ANTILOG AMPLIFIER PDF Logarithm Analog Circuit The design and use of logarithmic/exponential circuits. Recalling your logarithm fundamentals, remember that processes such as multiplication and division turn. The term logarithmic amplifier (generally abbreviated to log amp) is something of a misnomer, and logarithmic converter would be. Take the logarithms for analog circuits (analog integrated circuits) worksheet. The basic output equation of a log amplifier is v vout. Logarithm Analog Circuit.
From sketchfab.com
Mechanization of the logarithm function Download Free 3D model by C Logarithm Analog Circuit It is possible to design circuits with logarithmic response. The results generated by the logarithmic or log amplifier is. These questions & answers will help you master the topic! The basic output equation of a log amplifier is v vout = k ln. The logarithm of any number is the power that has such a number at the base that. Logarithm Analog Circuit.
From www.electronicsandyou.com
Basic Analog Circuit Tutorial and Overview Electronics and You Logarithm Analog Circuit Recalling your logarithm fundamentals, remember that processes such as multiplication and division turn. These questions & answers will help you master the topic! It is possible to design circuits with logarithmic response. Take the logarithms for analog circuits (analog integrated circuits) worksheet. The logarithm of any number is the power that has such a number at the base that results. Logarithm Analog Circuit.
From www.chegg.com
Physics Archive November 28, 2017 Logarithm Analog Circuit The term logarithmic amplifier (generally abbreviated to log amp) is something of a misnomer, and logarithmic converter would be. The logarithm of any number is the power that has such a number at the base that results in this number. Take the logarithms for analog circuits (analog integrated circuits) worksheet. It is possible to design circuits with logarithmic response. Log. Logarithm Analog Circuit.
From cs.stackexchange.com
fuzzy logic How do analogue computers perform logical operations Logarithm Analog Circuit The results generated by the logarithmic or log amplifier is. Logarithms have interesting properties, which we may exploit in electronic circuits to perform certain complex operations. It is possible to design circuits with logarithmic response. The logarithm of any number is the power that has such a number at the base that results in this number. Log amplifier is a. Logarithm Analog Circuit.
From electronics.stackexchange.com
diodes Logarithm circuit using opamp not working Electrical Logarithm Analog Circuit It is possible to design circuits with logarithmic response. The design and use of logarithmic/exponential circuits. Recalling your logarithm fundamentals, remember that processes such as multiplication and division turn. The results generated by the logarithmic or log amplifier is. The logarithm of any number is the power that has such a number at the base that results in this number.. Logarithm Analog Circuit.
From electev.blogspot.com
Electronics Evolution Logarithmic Converter, Control Voltage to Logarithm Analog Circuit The term logarithmic amplifier (generally abbreviated to log amp) is something of a misnomer, and logarithmic converter would be. Recalling your logarithm fundamentals, remember that processes such as multiplication and division turn. These questions & answers will help you master the topic! A number of instrumentation applications can benefit from the use of logarithmic or exponential signal processing techniques. The. Logarithm Analog Circuit.
From wiki.analog.com
Chapter 7 Diode application topics [Analog Devices Wiki] Logarithm Analog Circuit These questions & answers will help you master the topic! Log amplifier is a linear circuit in which the output voltage will be a constant times the natural logarithm of the input. Logarithms have interesting properties, which we may exploit in electronic circuits to perform certain complex operations. Take the logarithms for analog circuits (analog integrated circuits) worksheet. The logarithm. Logarithm Analog Circuit.
From www.rbjlabs.com
Logarithms Characteristics, Properties and Examples Logarithm Analog Circuit Logarithms have interesting properties, which we may exploit in electronic circuits to perform certain complex operations. The term logarithmic amplifier (generally abbreviated to log amp) is something of a misnomer, and logarithmic converter would be. The basic output equation of a log amplifier is v vout = k ln. A number of instrumentation applications can benefit from the use of. Logarithm Analog Circuit.