P0571 Brake Light Switch Circuit . This code is often accompanied by symptoms such as the inability to shift gears, cruise control not working, or the brake lights not turning on. The p0571 diagnostic trouble code (dtc) indicates a problem with the cruise control brake switch circuit. Look out for signs like erratic cruise control or a lit check engine light. The fault code p0571 can be caused by a faulty brake pedal position sensor, a misadjusted brake pedal position sensor, an open or shorted brake pedal position sensor harness, a poor electrical connection in the brake pedal position sensor circuit, or a faulty body control module (bcm). The diagnostic trouble code (dtc) p0571 indicates “cruise control/brake switch a circuit malfunction.” the powertrain control module (pcm) will log this code when. All related to the brake switch malfunction that messes with cruise control or shifter knob or. This code is set when the. Using a multimeter, test circuit continuity, adjust the brake pedal for proper engagement, and visually. The p0571 code is a generic powertrain code that indicates a problem with the brake switch circuit.
from www.autonationmobileservice.com
This code is often accompanied by symptoms such as the inability to shift gears, cruise control not working, or the brake lights not turning on. Look out for signs like erratic cruise control or a lit check engine light. All related to the brake switch malfunction that messes with cruise control or shifter knob or. The diagnostic trouble code (dtc) p0571 indicates “cruise control/brake switch a circuit malfunction.” the powertrain control module (pcm) will log this code when. The p0571 code is a generic powertrain code that indicates a problem with the brake switch circuit. This code is set when the. Using a multimeter, test circuit continuity, adjust the brake pedal for proper engagement, and visually. The p0571 diagnostic trouble code (dtc) indicates a problem with the cruise control brake switch circuit. The fault code p0571 can be caused by a faulty brake pedal position sensor, a misadjusted brake pedal position sensor, an open or shorted brake pedal position sensor harness, a poor electrical connection in the brake pedal position sensor circuit, or a faulty body control module (bcm).
P0571 Cruise Control / Brake Switch A Circuit Malfunction AutoNation
P0571 Brake Light Switch Circuit The p0571 code is a generic powertrain code that indicates a problem with the brake switch circuit. The p0571 code is a generic powertrain code that indicates a problem with the brake switch circuit. The fault code p0571 can be caused by a faulty brake pedal position sensor, a misadjusted brake pedal position sensor, an open or shorted brake pedal position sensor harness, a poor electrical connection in the brake pedal position sensor circuit, or a faulty body control module (bcm). The diagnostic trouble code (dtc) p0571 indicates “cruise control/brake switch a circuit malfunction.” the powertrain control module (pcm) will log this code when. Look out for signs like erratic cruise control or a lit check engine light. All related to the brake switch malfunction that messes with cruise control or shifter knob or. Using a multimeter, test circuit continuity, adjust the brake pedal for proper engagement, and visually. This code is often accompanied by symptoms such as the inability to shift gears, cruise control not working, or the brake lights not turning on. The p0571 diagnostic trouble code (dtc) indicates a problem with the cruise control brake switch circuit. This code is set when the.
From www.dodge-dart.org
Reoccurring p0571 code. ESC and check engine need help P0571 Brake Light Switch Circuit The p0571 diagnostic trouble code (dtc) indicates a problem with the cruise control brake switch circuit. This code is set when the. This code is often accompanied by symptoms such as the inability to shift gears, cruise control not working, or the brake lights not turning on. Using a multimeter, test circuit continuity, adjust the brake pedal for proper engagement,. P0571 Brake Light Switch Circuit.
From www.dieselmechanic.info
GM/Detroit 6.5L ENGINE CONTROLS DTC P0571 Cruise Control Brake Switch P0571 Brake Light Switch Circuit This code is often accompanied by symptoms such as the inability to shift gears, cruise control not working, or the brake lights not turning on. The fault code p0571 can be caused by a faulty brake pedal position sensor, a misadjusted brake pedal position sensor, an open or shorted brake pedal position sensor harness, a poor electrical connection in the. P0571 Brake Light Switch Circuit.
From themotorguy.com
Solving Motorcycle Error Code P0571 A Guide to Brake Switch Circuit P0571 Brake Light Switch Circuit The diagnostic trouble code (dtc) p0571 indicates “cruise control/brake switch a circuit malfunction.” the powertrain control module (pcm) will log this code when. All related to the brake switch malfunction that messes with cruise control or shifter knob or. This code is often accompanied by symptoms such as the inability to shift gears, cruise control not working, or the brake. P0571 Brake Light Switch Circuit.
From www.ttguide.net
Toyota (20152018) Service Manual Brake Switch "A" Circuit P0571 Brake Light Switch Circuit This code is set when the. Using a multimeter, test circuit continuity, adjust the brake pedal for proper engagement, and visually. The p0571 diagnostic trouble code (dtc) indicates a problem with the cruise control brake switch circuit. The diagnostic trouble code (dtc) p0571 indicates “cruise control/brake switch a circuit malfunction.” the powertrain control module (pcm) will log this code when.. P0571 Brake Light Switch Circuit.
From exoimqwbx.blob.core.windows.net
Code P0571 Brake Switch at Raven McGuire blog P0571 Brake Light Switch Circuit Using a multimeter, test circuit continuity, adjust the brake pedal for proper engagement, and visually. The fault code p0571 can be caused by a faulty brake pedal position sensor, a misadjusted brake pedal position sensor, an open or shorted brake pedal position sensor harness, a poor electrical connection in the brake pedal position sensor circuit, or a faulty body control. P0571 Brake Light Switch Circuit.
From www.autonationmobileservice.com
P0571 Cruise Control / Brake Switch A Circuit Malfunction AutoNation P0571 Brake Light Switch Circuit All related to the brake switch malfunction that messes with cruise control or shifter knob or. The p0571 code is a generic powertrain code that indicates a problem with the brake switch circuit. Using a multimeter, test circuit continuity, adjust the brake pedal for proper engagement, and visually. The diagnostic trouble code (dtc) p0571 indicates “cruise control/brake switch a circuit. P0571 Brake Light Switch Circuit.
From carmodnerd.com
[SOLVED] P0571 Code Fix Cruise Control Brake Switch Circuit For Smooth P0571 Brake Light Switch Circuit This code is often accompanied by symptoms such as the inability to shift gears, cruise control not working, or the brake lights not turning on. Look out for signs like erratic cruise control or a lit check engine light. The fault code p0571 can be caused by a faulty brake pedal position sensor, a misadjusted brake pedal position sensor, an. P0571 Brake Light Switch Circuit.
From themotorguy.com
Solving Motorcycle Error Code P0571 A Guide to Brake Switch Circuit P0571 Brake Light Switch Circuit All related to the brake switch malfunction that messes with cruise control or shifter knob or. The fault code p0571 can be caused by a faulty brake pedal position sensor, a misadjusted brake pedal position sensor, an open or shorted brake pedal position sensor harness, a poor electrical connection in the brake pedal position sensor circuit, or a faulty body. P0571 Brake Light Switch Circuit.
From fr.thptnganamst.edu.vn
Actualiser 63+ imagen cruise brake switch a circ malfunction fr P0571 Brake Light Switch Circuit All related to the brake switch malfunction that messes with cruise control or shifter knob or. Look out for signs like erratic cruise control or a lit check engine light. This code is often accompanied by symptoms such as the inability to shift gears, cruise control not working, or the brake lights not turning on. The p0571 code is a. P0571 Brake Light Switch Circuit.
From www.dieselmechanic.info
GM/Detroit 6.5L ENGINE CONTROLS DTC P0571 Cruise Control Brake Switch P0571 Brake Light Switch Circuit Using a multimeter, test circuit continuity, adjust the brake pedal for proper engagement, and visually. This code is set when the. All related to the brake switch malfunction that messes with cruise control or shifter knob or. Look out for signs like erratic cruise control or a lit check engine light. This code is often accompanied by symptoms such as. P0571 Brake Light Switch Circuit.
From www.briskoda.net
I AM DESPERATE!! PLEASE HELP. ERRORCODE P0571 Brakelight switch P0571 Brake Light Switch Circuit The fault code p0571 can be caused by a faulty brake pedal position sensor, a misadjusted brake pedal position sensor, an open or shorted brake pedal position sensor harness, a poor electrical connection in the brake pedal position sensor circuit, or a faulty body control module (bcm). All related to the brake switch malfunction that messes with cruise control or. P0571 Brake Light Switch Circuit.
From www.carparts.com
P0571 Code Cruise Control / Brake Switch A Circuit Malfunction In P0571 Brake Light Switch Circuit The diagnostic trouble code (dtc) p0571 indicates “cruise control/brake switch a circuit malfunction.” the powertrain control module (pcm) will log this code when. This code is set when the. Using a multimeter, test circuit continuity, adjust the brake pedal for proper engagement, and visually. The p0571 diagnostic trouble code (dtc) indicates a problem with the cruise control brake switch circuit.. P0571 Brake Light Switch Circuit.
From www.youtube.com
Chrysler, P0571 brake switch code, how to diagnose a brake switch P0571 Brake Light Switch Circuit Look out for signs like erratic cruise control or a lit check engine light. This code is often accompanied by symptoms such as the inability to shift gears, cruise control not working, or the brake lights not turning on. The diagnostic trouble code (dtc) p0571 indicates “cruise control/brake switch a circuit malfunction.” the powertrain control module (pcm) will log this. P0571 Brake Light Switch Circuit.
From schematicdiagramsleeve.z13.web.core.windows.net
Wiring A Brake Light Switch P0571 Brake Light Switch Circuit The diagnostic trouble code (dtc) p0571 indicates “cruise control/brake switch a circuit malfunction.” the powertrain control module (pcm) will log this code when. All related to the brake switch malfunction that messes with cruise control or shifter knob or. This code is set when the. Look out for signs like erratic cruise control or a lit check engine light. The. P0571 Brake Light Switch Circuit.
From exoimqwbx.blob.core.windows.net
Code P0571 Brake Switch at Raven McGuire blog P0571 Brake Light Switch Circuit This code is set when the. The diagnostic trouble code (dtc) p0571 indicates “cruise control/brake switch a circuit malfunction.” the powertrain control module (pcm) will log this code when. The p0571 code is a generic powertrain code that indicates a problem with the brake switch circuit. Using a multimeter, test circuit continuity, adjust the brake pedal for proper engagement, and. P0571 Brake Light Switch Circuit.
From www.justanswer.com
VW Passat 2005, Fault found 16955 brake light switch implausible signal P0571 Brake Light Switch Circuit The p0571 code is a generic powertrain code that indicates a problem with the brake switch circuit. The p0571 diagnostic trouble code (dtc) indicates a problem with the cruise control brake switch circuit. This code is often accompanied by symptoms such as the inability to shift gears, cruise control not working, or the brake lights not turning on. Using a. P0571 Brake Light Switch Circuit.
From realjenius.com
Jeep JK Wrangler Code P0571 Brake Switch Fix · P0571 Brake Light Switch Circuit The fault code p0571 can be caused by a faulty brake pedal position sensor, a misadjusted brake pedal position sensor, an open or shorted brake pedal position sensor harness, a poor electrical connection in the brake pedal position sensor circuit, or a faulty body control module (bcm). This code is set when the. The diagnostic trouble code (dtc) p0571 indicates. P0571 Brake Light Switch Circuit.
From exoimqwbx.blob.core.windows.net
Code P0571 Brake Switch at Raven McGuire blog P0571 Brake Light Switch Circuit Look out for signs like erratic cruise control or a lit check engine light. This code is often accompanied by symptoms such as the inability to shift gears, cruise control not working, or the brake lights not turning on. This code is set when the. The p0571 diagnostic trouble code (dtc) indicates a problem with the cruise control brake switch. P0571 Brake Light Switch Circuit.
From www.autocodes.com
2008 Chevrolet 2500hd Diesel with engine code P0571, what is the P0571 Brake Light Switch Circuit The fault code p0571 can be caused by a faulty brake pedal position sensor, a misadjusted brake pedal position sensor, an open or shorted brake pedal position sensor harness, a poor electrical connection in the brake pedal position sensor circuit, or a faulty body control module (bcm). This code is often accompanied by symptoms such as the inability to shift. P0571 Brake Light Switch Circuit.
From realjenius.com
Jeep JK Wrangler Code P0571 Brake Switch Fix · P0571 Brake Light Switch Circuit The diagnostic trouble code (dtc) p0571 indicates “cruise control/brake switch a circuit malfunction.” the powertrain control module (pcm) will log this code when. Using a multimeter, test circuit continuity, adjust the brake pedal for proper engagement, and visually. All related to the brake switch malfunction that messes with cruise control or shifter knob or. The p0571 code is a generic. P0571 Brake Light Switch Circuit.
From www.youtube.com
jeep dodge Chrysler ram code p0571 brake switch fault, Check engine P0571 Brake Light Switch Circuit Look out for signs like erratic cruise control or a lit check engine light. The diagnostic trouble code (dtc) p0571 indicates “cruise control/brake switch a circuit malfunction.” the powertrain control module (pcm) will log this code when. All related to the brake switch malfunction that messes with cruise control or shifter knob or. This code is often accompanied by symptoms. P0571 Brake Light Switch Circuit.
From kdi-ppi.com
The Complete Guide to Understanding the 1990 Chevy Silverado Brake P0571 Brake Light Switch Circuit The fault code p0571 can be caused by a faulty brake pedal position sensor, a misadjusted brake pedal position sensor, an open or shorted brake pedal position sensor harness, a poor electrical connection in the brake pedal position sensor circuit, or a faulty body control module (bcm). Look out for signs like erratic cruise control or a lit check engine. P0571 Brake Light Switch Circuit.
From www.scribd.com
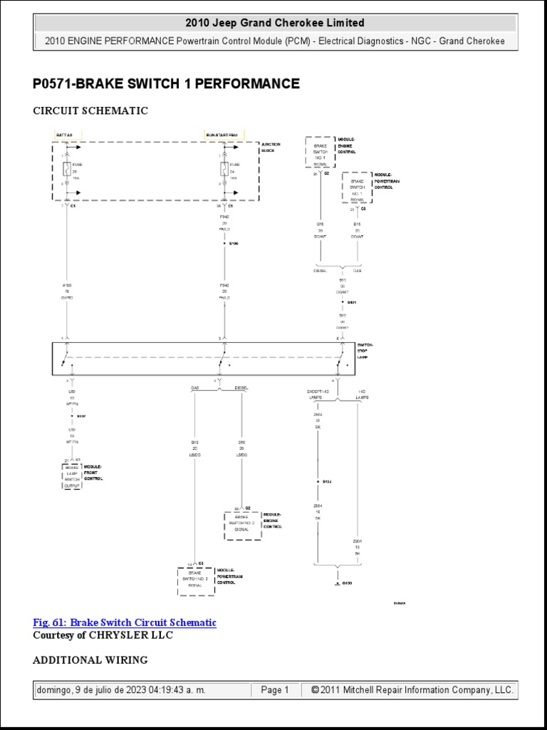
P0571Brake Switch 1 Performance 2010 Jeep Grand Cherokee Limited 2010 P0571 Brake Light Switch Circuit All related to the brake switch malfunction that messes with cruise control or shifter knob or. The diagnostic trouble code (dtc) p0571 indicates “cruise control/brake switch a circuit malfunction.” the powertrain control module (pcm) will log this code when. The p0571 code is a generic powertrain code that indicates a problem with the brake switch circuit. Look out for signs. P0571 Brake Light Switch Circuit.
From auto-master.su
CRUISE CONTROL Dtc P0571 Stop Light Switch Circuit Malfunction P0571 Brake Light Switch Circuit The p0571 code is a generic powertrain code that indicates a problem with the brake switch circuit. This code is often accompanied by symptoms such as the inability to shift gears, cruise control not working, or the brake lights not turning on. The fault code p0571 can be caused by a faulty brake pedal position sensor, a misadjusted brake pedal. P0571 Brake Light Switch Circuit.
From themotorguy.com
Solving Motorcycle Error Code P0571 A Guide to Brake Switch Circuit P0571 Brake Light Switch Circuit Look out for signs like erratic cruise control or a lit check engine light. Using a multimeter, test circuit continuity, adjust the brake pedal for proper engagement, and visually. The diagnostic trouble code (dtc) p0571 indicates “cruise control/brake switch a circuit malfunction.” the powertrain control module (pcm) will log this code when. The p0571 code is a generic powertrain code. P0571 Brake Light Switch Circuit.
From www.youtube.com
P0571 Brake Light Switch Circuit YouTube P0571 Brake Light Switch Circuit This code is set when the. The p0571 code is a generic powertrain code that indicates a problem with the brake switch circuit. The diagnostic trouble code (dtc) p0571 indicates “cruise control/brake switch a circuit malfunction.” the powertrain control module (pcm) will log this code when. Look out for signs like erratic cruise control or a lit check engine light.. P0571 Brake Light Switch Circuit.
From www.lexunx.com
Lexus NX Stop Light Switch Circuit (P0571) Dynamic Radar Cruise P0571 Brake Light Switch Circuit The p0571 code is a generic powertrain code that indicates a problem with the brake switch circuit. All related to the brake switch malfunction that messes with cruise control or shifter knob or. This code is often accompanied by symptoms such as the inability to shift gears, cruise control not working, or the brake lights not turning on. The diagnostic. P0571 Brake Light Switch Circuit.
From realjenius.com
Jeep JK Wrangler Code P0571 Brake Switch Fix · P0571 Brake Light Switch Circuit The p0571 diagnostic trouble code (dtc) indicates a problem with the cruise control brake switch circuit. The diagnostic trouble code (dtc) p0571 indicates “cruise control/brake switch a circuit malfunction.” the powertrain control module (pcm) will log this code when. All related to the brake switch malfunction that messes with cruise control or shifter knob or. The p0571 code is a. P0571 Brake Light Switch Circuit.
From www.justanswer.com
Jeep Patriot P0571 Q&A on Brake Switch Performance JustAnswer P0571 Brake Light Switch Circuit Look out for signs like erratic cruise control or a lit check engine light. The p0571 code is a generic powertrain code that indicates a problem with the brake switch circuit. This code is often accompanied by symptoms such as the inability to shift gears, cruise control not working, or the brake lights not turning on. All related to the. P0571 Brake Light Switch Circuit.
From schematicfixlankier.z21.web.core.windows.net
Brake Light Wiring Switch P0571 Brake Light Switch Circuit The fault code p0571 can be caused by a faulty brake pedal position sensor, a misadjusted brake pedal position sensor, an open or shorted brake pedal position sensor harness, a poor electrical connection in the brake pedal position sensor circuit, or a faulty body control module (bcm). Using a multimeter, test circuit continuity, adjust the brake pedal for proper engagement,. P0571 Brake Light Switch Circuit.
From www.scribd.com
DTC P0571/52 Brake Switch "A" Circuit PDF Switch Traffic Light P0571 Brake Light Switch Circuit The p0571 diagnostic trouble code (dtc) indicates a problem with the cruise control brake switch circuit. The fault code p0571 can be caused by a faulty brake pedal position sensor, a misadjusted brake pedal position sensor, an open or shorted brake pedal position sensor harness, a poor electrical connection in the brake pedal position sensor circuit, or a faulty body. P0571 Brake Light Switch Circuit.
From www.obd-codes.com
P0571 Cruise Control/Brake Switch A Circuit Malfunction P0571 Brake Light Switch Circuit Look out for signs like erratic cruise control or a lit check engine light. This code is often accompanied by symptoms such as the inability to shift gears, cruise control not working, or the brake lights not turning on. The diagnostic trouble code (dtc) p0571 indicates “cruise control/brake switch a circuit malfunction.” the powertrain control module (pcm) will log this. P0571 Brake Light Switch Circuit.
From www.justanswer.com
VW Passat 2005, Fault found 16955 brake light switch implausible signal P0571 Brake Light Switch Circuit The fault code p0571 can be caused by a faulty brake pedal position sensor, a misadjusted brake pedal position sensor, an open or shorted brake pedal position sensor harness, a poor electrical connection in the brake pedal position sensor circuit, or a faulty body control module (bcm). All related to the brake switch malfunction that messes with cruise control or. P0571 Brake Light Switch Circuit.
From www.youtube.com
VW T4 P0571 Wiring Fault FIXED Brake Light Switch Implausible Signal P0571 Brake Light Switch Circuit All related to the brake switch malfunction that messes with cruise control or shifter knob or. This code is set when the. Look out for signs like erratic cruise control or a lit check engine light. Using a multimeter, test circuit continuity, adjust the brake pedal for proper engagement, and visually. The p0571 diagnostic trouble code (dtc) indicates a problem. P0571 Brake Light Switch Circuit.
From www.carparts.com
P0571 Code Cruise Control / Brake Switch A Circuit Malfunction In P0571 Brake Light Switch Circuit This code is set when the. The diagnostic trouble code (dtc) p0571 indicates “cruise control/brake switch a circuit malfunction.” the powertrain control module (pcm) will log this code when. This code is often accompanied by symptoms such as the inability to shift gears, cruise control not working, or the brake lights not turning on. All related to the brake switch. P0571 Brake Light Switch Circuit.