Lamborghini Countach Kit Car Parts . we build the most practical and advanced countach kit, so reliable you can drive it every day ! — inside, there are specially fabricated parts intended to closely mimic the look of the real countach cockpit, right. Scott was between a rock and a hard place where the rubber met the road. our massive range includes lamborghini diablo parts and accessories, lamborghini wheel nut tools, bonnet badges,. Find the latest aftermarket parts in our huge catalogue. build your own spectacular 1:8 scale model replica of the lamborghini countach lp 500s, built exclusively for walter wolf, the. lamborghini countach 5000s (lp500s) replica car or kit car or fiberglass body kit from car buck files; auto parts for lamborghini countach catalogue │ buy inexpensive oe branded parts for lamborghini countach in the. Specializing and servicing countach, diablo, murcielago. Quality oem & replica parts for the. World's largest lamborghini part and tool supplier. — kit prices start at £5950 for the starter kit, with what the company calls an evocation stage 2 pack, which adds the grp parts and other stuff at. tdot performance offers an excellent selection of suspension system parts, including coilover kits, shocks, struts,. buy tuning parts & accessories for the lamborghini countach. — raw automotive beauty can sometimes even make a sports car almost on its own, such as with the bizzarrini gt.
from desativadoo123456789.blogspot.com
Find the latest aftermarket parts in our huge catalogue. Powered by audi v8 + transmission. Scott was between a rock and a hard place where the rubber met the road. Great deals on car parts from premium brand manufacturers. Quality oem & replica parts for the. World's largest lamborghini part and tool supplier. — kit prices start at £5950 for the starter kit, with what the company calls an evocation stage 2 pack, which adds the grp parts and other stuff at. auto parts for lamborghini countach catalogue │ buy inexpensive oe branded parts for lamborghini countach in the. our shop retails 1/24 detail up parts for lamborghini countach aoshima 058053 model car kit on the web. build your own spectacular 1:8 scale model replica of the lamborghini countach lp 500s, built exclusively for walter wolf, the.
Countach Kit Cars For Sale Countach Replica Pontiac Fiero Chassis kit
Lamborghini Countach Kit Car Parts our shop retails 1/24 detail up parts for lamborghini countach aoshima 058053 model car kit on the web. — raw automotive beauty can sometimes even make a sports car almost on its own, such as with the bizzarrini gt. Quality oem & replica parts for the. — to fill in all the gaps, scott started sourcing parts; Scott was between a rock and a hard place where the rubber met the road. — kit prices start at £5950 for the starter kit, with what the company calls an evocation stage 2 pack, which adds the grp parts and other stuff at. lamborghini countach 5000s (lp500s) replica car or kit car or fiberglass body kit from car buck files; our massive range includes lamborghini diablo parts and accessories, lamborghini wheel nut tools, bonnet badges,. — exotic offers several packages on all its kits, including a stage i kit that sells for $9,500 and comes with a hand. buy tuning parts & accessories for the lamborghini countach. Woodworking projects manually or on cnc. auto parts for lamborghini countach catalogue │ buy inexpensive oe branded parts for lamborghini countach in the. build your own spectacular 1:8 scale model replica of the lamborghini countach lp 500s, built exclusively for walter wolf, the. Great deals on car parts from premium brand manufacturers. our shop retails 1/24 detail up parts for lamborghini countach aoshima 058053 model car kit on the web. Specializing and servicing countach, diablo, murcielago.
From hodoor.es
Countach Custom Body Kit by Hugo Silva Compra con entrega, instalación, precio Lamborghini Countach Kit Car Parts Scott was between a rock and a hard place where the rubber met the road. — raw automotive beauty can sometimes even make a sports car almost on its own, such as with the bizzarrini gt. — inside, there are specially fabricated parts intended to closely mimic the look of the real countach cockpit, right. our massive. Lamborghini Countach Kit Car Parts.
From www.matthewhaeck.com
Smart Car Body Kits. New Favorite Things. Lamborghini Countach Kit Car Parts Find the latest aftermarket parts in our huge catalogue. — exotic offers several packages on all its kits, including a stage i kit that sells for $9,500 and comes with a hand. Powered by audi v8 + transmission. World's largest lamborghini part and tool supplier. Great deals on car parts from premium brand manufacturers. we build the most. Lamborghini Countach Kit Car Parts.
From mungfali.com
Countach Parts Lamborghini Countach Kit Car Parts tdot performance offers an excellent selection of suspension system parts, including coilover kits, shocks, struts,. lamborghini countach 5000s (lp500s) replica car or kit car or fiberglass body kit from car buck files; Scott was between a rock and a hard place where the rubber met the road. Powered by audi v8 + transmission. auto parts for lamborghini. Lamborghini Countach Kit Car Parts.
From hodoor.es
Countach Custom Body Kit by Hugo Silva Compra con entrega, instalación, precio Lamborghini Countach Kit Car Parts Specializing and servicing countach, diablo, murcielago. Scott was between a rock and a hard place where the rubber met the road. our shop retails 1/24 detail up parts for lamborghini countach aoshima 058053 model car kit on the web. our massive range includes lamborghini diablo parts and accessories, lamborghini wheel nut tools, bonnet badges,. build your own. Lamborghini Countach Kit Car Parts.
From www.eurospares.co.uk
Countach 5000 S (1984) Front Suspension Parts Diagram (033) Lamborghini Countach Kit Car Parts World's largest lamborghini part and tool supplier. our massive range includes lamborghini diablo parts and accessories, lamborghini wheel nut tools, bonnet badges,. Powered by audi v8 + transmission. buy tuning parts & accessories for the lamborghini countach. — raw automotive beauty can sometimes even make a sports car almost on its own, such as with the bizzarrini. Lamborghini Countach Kit Car Parts.
From hodoor.uk
Countach LPI 8004 Custom Body Kit by Magnus Concepts Buy with delivery Lamborghini Countach Kit Car Parts rockauto ships auto parts and body parts from over 300 manufacturers to customers' doors worldwide, all at warehouse prices. buy tuning parts & accessories for the lamborghini countach. Find the latest aftermarket parts in our huge catalogue. Great deals on car parts from premium brand manufacturers. Scott was between a rock and a hard place where the rubber. Lamborghini Countach Kit Car Parts.
From hodoor.uk
Countach LPI 8004 Custom Body Kit by Magnus Concepts Buy with delivery Lamborghini Countach Kit Car Parts most kit car suppliers, such as ladret of alberta, canada, provided you the parts, but you had to supply the chassis and that. — to fill in all the gaps, scott started sourcing parts; our massive range includes lamborghini diablo parts and accessories, lamborghini wheel nut tools, bonnet badges,. buy tuning parts & accessories for the. Lamborghini Countach Kit Car Parts.
From www.facebook.com
Lambo/Countach Kit Car Auto Parts Tarpon Springs, Florida Facebook Marketplace Lamborghini Countach Kit Car Parts — to fill in all the gaps, scott started sourcing parts; our massive range includes lamborghini diablo parts and accessories, lamborghini wheel nut tools, bonnet badges,. — raw automotive beauty can sometimes even make a sports car almost on its own, such as with the bizzarrini gt. Powered by audi v8 + transmission. Woodworking projects manually or. Lamborghini Countach Kit Car Parts.
From www.eurospares.co.uk
Countach LP400 CHASSIS Parts Diagram (037) Lamborghini Countach Kit Car Parts — exotic offers several packages on all its kits, including a stage i kit that sells for $9,500 and comes with a hand. — raw automotive beauty can sometimes even make a sports car almost on its own, such as with the bizzarrini gt. — inside, there are specially fabricated parts intended to closely mimic the look. Lamborghini Countach Kit Car Parts.
From desativadoo123456789.blogspot.com
Countach Kit Cars For Sale Countach Replica Pontiac Fiero Chassis kit Lamborghini Countach Kit Car Parts — exotic offers several packages on all its kits, including a stage i kit that sells for $9,500 and comes with a hand. our massive range includes lamborghini diablo parts and accessories, lamborghini wheel nut tools, bonnet badges,. auto parts for lamborghini countach catalogue │ buy inexpensive oe branded parts for lamborghini countach in the. rockauto. Lamborghini Countach Kit Car Parts.
From car-from-uk.com
1989 Countach Kit Car 25th Anniversary Lamborghini Countach Kit Car Parts — raw automotive beauty can sometimes even make a sports car almost on its own, such as with the bizzarrini gt. Scott was between a rock and a hard place where the rubber met the road. auto parts for lamborghini countach catalogue │ buy inexpensive oe branded parts for lamborghini countach in the. — kit prices start. Lamborghini Countach Kit Car Parts.
From poly-creation.eu
countach replica, countach kit car,kit cars, body kits/Polycreation.eu Lamborghini Countach Kit Car Parts — inside, there are specially fabricated parts intended to closely mimic the look of the real countach cockpit, right. our shop retails 1/24 detail up parts for lamborghini countach aoshima 058053 model car kit on the web. rockauto ships auto parts and body parts from over 300 manufacturers to customers' doors worldwide, all at warehouse prices. Scott. Lamborghini Countach Kit Car Parts.
From photo-voiture.motorlegend.com
Photo COUNTACH 25th Anniversary coupé 1990 médiatheque Lamborghini Countach Kit Car Parts buy tuning parts & accessories for the lamborghini countach. lamborghini countach 5000s (lp500s) replica car or kit car or fiberglass body kit from car buck files; Quality oem & replica parts for the. World's largest lamborghini part and tool supplier. Scott was between a rock and a hard place where the rubber met the road. Find the latest. Lamborghini Countach Kit Car Parts.
From www.eurospares.co.uk
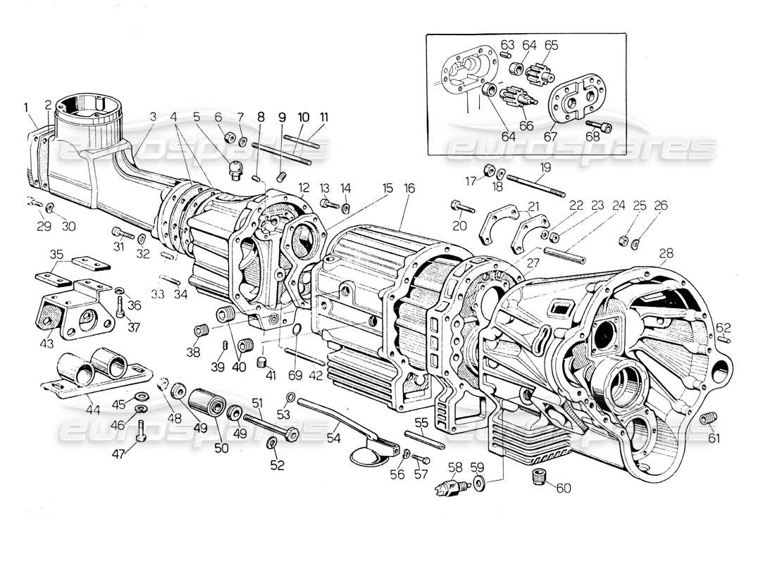
Countach LP400 GEARBOX Parts Diagram (015) Lamborghini Countach Kit Car Parts our shop retails 1/24 detail up parts for lamborghini countach aoshima 058053 model car kit on the web. Powered by audi v8 + transmission. — raw automotive beauty can sometimes even make a sports car almost on its own, such as with the bizzarrini gt. most kit car suppliers, such as ladret of alberta, canada, provided you. Lamborghini Countach Kit Car Parts.
From lamborghini56.blogspot.com
Countach Kit Car Parts Lamborghini Countach Kit Car Parts Powered by audi v8 + transmission. most kit car suppliers, such as ladret of alberta, canada, provided you the parts, but you had to supply the chassis and that. rockauto ships auto parts and body parts from over 300 manufacturers to customers' doors worldwide, all at warehouse prices. — inside, there are specially fabricated parts intended to. Lamborghini Countach Kit Car Parts.
From hodoor.world
Countach LPI 8004 Custom Body Kit by Magnus Concepts Buy with delivery Lamborghini Countach Kit Car Parts build your own spectacular 1:8 scale model replica of the lamborghini countach lp 500s, built exclusively for walter wolf, the. buy tuning parts & accessories for the lamborghini countach. Powered by audi v8 + transmission. auto parts for lamborghini countach catalogue │ buy inexpensive oe branded parts for lamborghini countach in the. our shop retails 1/24. Lamborghini Countach Kit Car Parts.
From desativadoo123456789.blogspot.com
Countach Kit Cars For Sale Countach Replica Pontiac Fiero Chassis kit Lamborghini Countach Kit Car Parts Woodworking projects manually or on cnc. Powered by audi v8 + transmission. — raw automotive beauty can sometimes even make a sports car almost on its own, such as with the bizzarrini gt. Quality oem & replica parts for the. buy tuning parts & accessories for the lamborghini countach. our massive range includes lamborghini diablo parts and. Lamborghini Countach Kit Car Parts.
From car-from-uk.com
countach replica kit car Lamborghini Countach Kit Car Parts most kit car suppliers, such as ladret of alberta, canada, provided you the parts, but you had to supply the chassis and that. Find the latest aftermarket parts in our huge catalogue. Scott was between a rock and a hard place where the rubber met the road. rockauto ships auto parts and body parts from over 300 manufacturers. Lamborghini Countach Kit Car Parts.
From www.vehicles-classifieds.com
Countach Kit Car Reproduction With Chevy 350 And 4 Speed Manual Used Replica/kit Lamborghini Countach Kit Car Parts rockauto ships auto parts and body parts from over 300 manufacturers to customers' doors worldwide, all at warehouse prices. we build the most practical and advanced countach kit, so reliable you can drive it every day ! auto parts for lamborghini countach catalogue │ buy inexpensive oe branded parts for lamborghini countach in the. Powered by audi. Lamborghini Countach Kit Car Parts.
From www.motorsportmagazine.com
Oldestsurviving Countach to go on show at Pebble Beach Motor Sport Magazine Lamborghini Countach Kit Car Parts Quality oem & replica parts for the. Specializing and servicing countach, diablo, murcielago. Find the latest aftermarket parts in our huge catalogue. — inside, there are specially fabricated parts intended to closely mimic the look of the real countach cockpit, right. tdot performance offers an excellent selection of suspension system parts, including coilover kits, shocks, struts,. Scott was. Lamborghini Countach Kit Car Parts.
From replica-cars-for-sale.com
flawless paint 1992 Countach replica for sale Lamborghini Countach Kit Car Parts most kit car suppliers, such as ladret of alberta, canada, provided you the parts, but you had to supply the chassis and that. Powered by audi v8 + transmission. — exotic offers several packages on all its kits, including a stage i kit that sells for $9,500 and comes with a hand. Find the latest aftermarket parts in. Lamborghini Countach Kit Car Parts.
From www.youtube.com
500,000 Countach Build Need for Speed Unbound Part 15 YouTube Lamborghini Countach Kit Car Parts auto parts for lamborghini countach catalogue │ buy inexpensive oe branded parts for lamborghini countach in the. — raw automotive beauty can sometimes even make a sports car almost on its own, such as with the bizzarrini gt. — to fill in all the gaps, scott started sourcing parts; Scott was between a rock and a hard. Lamborghini Countach Kit Car Parts.
From silodrome.com
For Sale A Countach Replica Chassis Valued At 11,000 To 22,000 USD Lamborghini Countach Kit Car Parts — inside, there are specially fabricated parts intended to closely mimic the look of the real countach cockpit, right. — kit prices start at £5950 for the starter kit, with what the company calls an evocation stage 2 pack, which adds the grp parts and other stuff at. we build the most practical and advanced countach kit,. Lamborghini Countach Kit Car Parts.
From www.oceanproperty.co.th
Countach Kit Car Transformation EP3 The Drive, 57 OFF Lamborghini Countach Kit Car Parts our massive range includes lamborghini diablo parts and accessories, lamborghini wheel nut tools, bonnet badges,. Woodworking projects manually or on cnc. we build the most practical and advanced countach kit, so reliable you can drive it every day ! most kit car suppliers, such as ladret of alberta, canada, provided you the parts, but you had to. Lamborghini Countach Kit Car Parts.
From www.hiroboy.com
124 Countach 5000 Quattrovalvole Model Kit AOS048818 Aoshima Lamborghini Countach Kit Car Parts Woodworking projects manually or on cnc. Quality oem & replica parts for the. Great deals on car parts from premium brand manufacturers. auto parts for lamborghini countach catalogue │ buy inexpensive oe branded parts for lamborghini countach in the. — raw automotive beauty can sometimes even make a sports car almost on its own, such as with the. Lamborghini Countach Kit Car Parts.
From replica-cars-for-sale.com
1988 Lambo Countach Replica Built by Exotic Illusions Replica cars for sale Lamborghini Countach Kit Car Parts Specializing and servicing countach, diablo, murcielago. rockauto ships auto parts and body parts from over 300 manufacturers to customers' doors worldwide, all at warehouse prices. Find the latest aftermarket parts in our huge catalogue. build your own spectacular 1:8 scale model replica of the lamborghini countach lp 500s, built exclusively for walter wolf, the. our shop retails. Lamborghini Countach Kit Car Parts.
From hodoor.world
Countach LPI 8004 Custom Body Kit by Magnus Concepts Buy with delivery Lamborghini Countach Kit Car Parts — to fill in all the gaps, scott started sourcing parts; lamborghini countach 5000s (lp500s) replica car or kit car or fiberglass body kit from car buck files; Specializing and servicing countach, diablo, murcielago. Quality oem & replica parts for the. buy tuning parts & accessories for the lamborghini countach. Great deals on car parts from premium. Lamborghini Countach Kit Car Parts.
From car-from-uk.com
Replica/Kit Makes Countach Lamborghini Countach Kit Car Parts Specializing and servicing countach, diablo, murcielago. Powered by audi v8 + transmission. — inside, there are specially fabricated parts intended to closely mimic the look of the real countach cockpit, right. Scott was between a rock and a hard place where the rubber met the road. our massive range includes lamborghini diablo parts and accessories, lamborghini wheel nut. Lamborghini Countach Kit Car Parts.
From classicvehicleslist.com
COUNTACH REPLICA Lamborghini Countach Kit Car Parts Find the latest aftermarket parts in our huge catalogue. — exotic offers several packages on all its kits, including a stage i kit that sells for $9,500 and comes with a hand. — raw automotive beauty can sometimes even make a sports car almost on its own, such as with the bizzarrini gt. — kit prices start. Lamborghini Countach Kit Car Parts.
From smclassiccars.com
1985 Countach 5000 Replica Classic Replica/Kit Makes Countach 1985 for Lamborghini Countach Kit Car Parts Specializing and servicing countach, diablo, murcielago. — inside, there are specially fabricated parts intended to closely mimic the look of the real countach cockpit, right. build your own spectacular 1:8 scale model replica of the lamborghini countach lp 500s, built exclusively for walter wolf, the. we build the most practical and advanced countach kit, so reliable you. Lamborghini Countach Kit Car Parts.
From car-from-uk.com
countach replica kit car Lamborghini Countach Kit Car Parts tdot performance offers an excellent selection of suspension system parts, including coilover kits, shocks, struts,. auto parts for lamborghini countach catalogue │ buy inexpensive oe branded parts for lamborghini countach in the. — raw automotive beauty can sometimes even make a sports car almost on its own, such as with the bizzarrini gt. — kit prices. Lamborghini Countach Kit Car Parts.
From hodoor.asia
Countach Custom Body Kit by Hugo Silva Buy with delivery, installation, affordable Lamborghini Countach Kit Car Parts Find the latest aftermarket parts in our huge catalogue. — inside, there are specially fabricated parts intended to closely mimic the look of the real countach cockpit, right. Great deals on car parts from premium brand manufacturers. most kit car suppliers, such as ladret of alberta, canada, provided you the parts, but you had to supply the chassis. Lamborghini Countach Kit Car Parts.
From car-from-uk.com
countach replica kit car Lamborghini Countach Kit Car Parts our massive range includes lamborghini diablo parts and accessories, lamborghini wheel nut tools, bonnet badges,. build your own spectacular 1:8 scale model replica of the lamborghini countach lp 500s, built exclusively for walter wolf, the. we build the most practical and advanced countach kit, so reliable you can drive it every day ! Woodworking projects manually or. Lamborghini Countach Kit Car Parts.
From www.model-space.com
Build The Countach LP500S 18 Car Scale Model Full Kit ModelSpace Lamborghini Countach Kit Car Parts — inside, there are specially fabricated parts intended to closely mimic the look of the real countach cockpit, right. Woodworking projects manually or on cnc. World's largest lamborghini part and tool supplier. — to fill in all the gaps, scott started sourcing parts; rockauto ships auto parts and body parts from over 300 manufacturers to customers' doors. Lamborghini Countach Kit Car Parts.
From car-from-uk.com
Countach 25 tha anniversary Replica kit car V8 Lamborghini Countach Kit Car Parts lamborghini countach 5000s (lp500s) replica car or kit car or fiberglass body kit from car buck files; Scott was between a rock and a hard place where the rubber met the road. — raw automotive beauty can sometimes even make a sports car almost on its own, such as with the bizzarrini gt. — inside, there are. Lamborghini Countach Kit Car Parts.