C5 Corvette Lights Wont Go Down . Replace the tail light fuse (located in the passenger footwell) and bingo. I am going to replace the fuses and see what. When you turn the lights on, the dark green wire is momentarily switched to ground by the control module (+12 on light green, ground on dark. All systems appear to be good for operation except the headlights will not open or close. Hoses look good and installed. The other is dead, but lights up. Tail lights and fog lights work (they. Bulbs can be shutoff with the switch, but both headlights are stuck in the up. One headlight goes up and down great with good speed. I decided to run the car. The dash lights don't work and i'm pretty sure that is the result of a bad ground.
from www.corvetteforum.com
All systems appear to be good for operation except the headlights will not open or close. Replace the tail light fuse (located in the passenger footwell) and bingo. When you turn the lights on, the dark green wire is momentarily switched to ground by the control module (+12 on light green, ground on dark. The dash lights don't work and i'm pretty sure that is the result of a bad ground. The other is dead, but lights up. I decided to run the car. One headlight goes up and down great with good speed. Bulbs can be shutoff with the switch, but both headlights are stuck in the up. Hoses look good and installed. I am going to replace the fuses and see what.
EVERYTHING NEED TO WORK Interior courtesy light CorvetteForum
C5 Corvette Lights Wont Go Down Replace the tail light fuse (located in the passenger footwell) and bingo. One headlight goes up and down great with good speed. The dash lights don't work and i'm pretty sure that is the result of a bad ground. Bulbs can be shutoff with the switch, but both headlights are stuck in the up. All systems appear to be good for operation except the headlights will not open or close. I decided to run the car. Tail lights and fog lights work (they. Hoses look good and installed. Replace the tail light fuse (located in the passenger footwell) and bingo. The other is dead, but lights up. When you turn the lights on, the dark green wire is momentarily switched to ground by the control module (+12 on light green, ground on dark. I am going to replace the fuses and see what.
From www.youtube.com
How to Change a Corvette Headlight Bulb YouTube C5 Corvette Lights Wont Go Down One headlight goes up and down great with good speed. All systems appear to be good for operation except the headlights will not open or close. When you turn the lights on, the dark green wire is momentarily switched to ground by the control module (+12 on light green, ground on dark. I am going to replace the fuses and. C5 Corvette Lights Wont Go Down.
From www.corvetteforum.com
Help wanted Window won't go down 2004 Z06 CorvetteForum C5 Corvette Lights Wont Go Down When you turn the lights on, the dark green wire is momentarily switched to ground by the control module (+12 on light green, ground on dark. I am going to replace the fuses and see what. Hoses look good and installed. Tail lights and fog lights work (they. All systems appear to be good for operation except the headlights will. C5 Corvette Lights Wont Go Down.
From www.youtube.com
Corvette C3 Headlights actuator (remove repair reinstall) How to fix C5 Corvette Lights Wont Go Down Tail lights and fog lights work (they. One headlight goes up and down great with good speed. I decided to run the car. Bulbs can be shutoff with the switch, but both headlights are stuck in the up. When you turn the lights on, the dark green wire is momentarily switched to ground by the control module (+12 on light. C5 Corvette Lights Wont Go Down.
From www.youtube.com
How to Fix Broken Corvette Headlight * DIY FREE FIX * YouTube C5 Corvette Lights Wont Go Down The other is dead, but lights up. I am going to replace the fuses and see what. I decided to run the car. All systems appear to be good for operation except the headlights will not open or close. When you turn the lights on, the dark green wire is momentarily switched to ground by the control module (+12 on. C5 Corvette Lights Wont Go Down.
From www.motortrend.com
How to Repair Corvette C5 & C6 Automatic Shift Cable Problems C5 Corvette Lights Wont Go Down The other is dead, but lights up. When you turn the lights on, the dark green wire is momentarily switched to ground by the control module (+12 on light green, ground on dark. The dash lights don't work and i'm pretty sure that is the result of a bad ground. Hoses look good and installed. All systems appear to be. C5 Corvette Lights Wont Go Down.
From bprowholesale.com
Most common Corvette C4/C5 Pop Up Headlight Issues (Quick Solutions C5 Corvette Lights Wont Go Down All systems appear to be good for operation except the headlights will not open or close. When you turn the lights on, the dark green wire is momentarily switched to ground by the control module (+12 on light green, ground on dark. The dash lights don't work and i'm pretty sure that is the result of a bad ground. Tail. C5 Corvette Lights Wont Go Down.
From schematicmatika0ezei.z13.web.core.windows.net
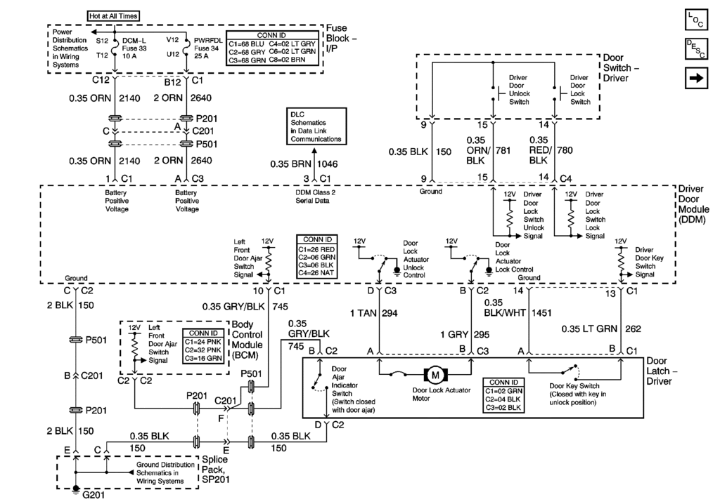
C5 Corvette Ignition Switch Wiring Diagram C5 Corvette Lights Wont Go Down All systems appear to be good for operation except the headlights will not open or close. When you turn the lights on, the dark green wire is momentarily switched to ground by the control module (+12 on light green, ground on dark. Bulbs can be shutoff with the switch, but both headlights are stuck in the up. The other is. C5 Corvette Lights Wont Go Down.
From wiringmanualmaier.z19.web.core.windows.net
C5 Corvette Fuse Diagram C5 Corvette Lights Wont Go Down Bulbs can be shutoff with the switch, but both headlights are stuck in the up. Hoses look good and installed. I am going to replace the fuses and see what. Tail lights and fog lights work (they. When you turn the lights on, the dark green wire is momentarily switched to ground by the control module (+12 on light green,. C5 Corvette Lights Wont Go Down.
From www.youtube.com
Corvette C5 Popup Headlight Problems Fixed YouTube C5 Corvette Lights Wont Go Down Hoses look good and installed. All systems appear to be good for operation except the headlights will not open or close. I decided to run the car. When you turn the lights on, the dark green wire is momentarily switched to ground by the control module (+12 on light green, ground on dark. Bulbs can be shutoff with the switch,. C5 Corvette Lights Wont Go Down.
From www.reddit.com
Changed alternator now gen light won’t go off r/Corvette C5 Corvette Lights Wont Go Down All systems appear to be good for operation except the headlights will not open or close. I am going to replace the fuses and see what. The other is dead, but lights up. Tail lights and fog lights work (they. When you turn the lights on, the dark green wire is momentarily switched to ground by the control module (+12. C5 Corvette Lights Wont Go Down.
From www.corvetteforum.com
1973 Dash lights wont go off. CorvetteForum Chevrolet Corvette C5 Corvette Lights Wont Go Down One headlight goes up and down great with good speed. All systems appear to be good for operation except the headlights will not open or close. Tail lights and fog lights work (they. Replace the tail light fuse (located in the passenger footwell) and bingo. The dash lights don't work and i'm pretty sure that is the result of a. C5 Corvette Lights Wont Go Down.
From www.corvetteforum.com
Driver side door. Won't unlock and window wont go down or up C5 Corvette Lights Wont Go Down I decided to run the car. Replace the tail light fuse (located in the passenger footwell) and bingo. All systems appear to be good for operation except the headlights will not open or close. One headlight goes up and down great with good speed. Bulbs can be shutoff with the switch, but both headlights are stuck in the up. I. C5 Corvette Lights Wont Go Down.
From www.youtube.com
C5 Corvette Instrument Speedometer Cluster Assembly For Sale YouTube C5 Corvette Lights Wont Go Down One headlight goes up and down great with good speed. The other is dead, but lights up. The dash lights don't work and i'm pretty sure that is the result of a bad ground. When you turn the lights on, the dark green wire is momentarily switched to ground by the control module (+12 on light green, ground on dark.. C5 Corvette Lights Wont Go Down.
From www.corvetteforum.com
Convertible top won't go down CorvetteForum Chevrolet Corvette C5 Corvette Lights Wont Go Down All systems appear to be good for operation except the headlights will not open or close. I am going to replace the fuses and see what. Bulbs can be shutoff with the switch, but both headlights are stuck in the up. The other is dead, but lights up. One headlight goes up and down great with good speed. Replace the. C5 Corvette Lights Wont Go Down.
From www.corvetteforum.com
My C3 LED headlight upgrade. CorvetteForum Chevrolet Corvette Forum C5 Corvette Lights Wont Go Down One headlight goes up and down great with good speed. All systems appear to be good for operation except the headlights will not open or close. Bulbs can be shutoff with the switch, but both headlights are stuck in the up. I decided to run the car. The dash lights don't work and i'm pretty sure that is the result. C5 Corvette Lights Wont Go Down.
From www.youtube.com
C6 Corvette Interior LED install Map and Courtesy lights YouTube C5 Corvette Lights Wont Go Down Replace the tail light fuse (located in the passenger footwell) and bingo. Bulbs can be shutoff with the switch, but both headlights are stuck in the up. The other is dead, but lights up. Hoses look good and installed. I decided to run the car. I am going to replace the fuses and see what. The dash lights don't work. C5 Corvette Lights Wont Go Down.
From nscuritibanorte.blogspot.com
C5 Corvette Wiring Diagram C5 Corvette Lights Wont Go Down Bulbs can be shutoff with the switch, but both headlights are stuck in the up. I decided to run the car. Tail lights and fog lights work (they. Hoses look good and installed. All systems appear to be good for operation except the headlights will not open or close. When you turn the lights on, the dark green wire is. C5 Corvette Lights Wont Go Down.
From bprowholesale.com
Most common Corvette C4/C5 Pop Up Headlight Issues (Quick Solutions C5 Corvette Lights Wont Go Down The dash lights don't work and i'm pretty sure that is the result of a bad ground. When you turn the lights on, the dark green wire is momentarily switched to ground by the control module (+12 on light green, ground on dark. Hoses look good and installed. Replace the tail light fuse (located in the passenger footwell) and bingo.. C5 Corvette Lights Wont Go Down.
From www.corvetteforum.com
New headlights for C5 in progress from Sharp Light Innovations C5 Corvette Lights Wont Go Down I am going to replace the fuses and see what. Bulbs can be shutoff with the switch, but both headlights are stuck in the up. Tail lights and fog lights work (they. One headlight goes up and down great with good speed. Hoses look good and installed. When you turn the lights on, the dark green wire is momentarily switched. C5 Corvette Lights Wont Go Down.
From www.youtube.com
C5 Corvette Instrument Cluster Removal The Easy Way! YouTube C5 Corvette Lights Wont Go Down All systems appear to be good for operation except the headlights will not open or close. When you turn the lights on, the dark green wire is momentarily switched to ground by the control module (+12 on light green, ground on dark. Tail lights and fog lights work (they. One headlight goes up and down great with good speed. I. C5 Corvette Lights Wont Go Down.
From www.corvetteforum.com
c5 headlights wont go down CorvetteForum Chevrolet Corvette Forum C5 Corvette Lights Wont Go Down All systems appear to be good for operation except the headlights will not open or close. Tail lights and fog lights work (they. Bulbs can be shutoff with the switch, but both headlights are stuck in the up. Replace the tail light fuse (located in the passenger footwell) and bingo. One headlight goes up and down great with good speed.. C5 Corvette Lights Wont Go Down.
From www.corvetteforum.com
Traction off light won't go off on dash and button won't work. What to C5 Corvette Lights Wont Go Down Tail lights and fog lights work (they. I decided to run the car. The dash lights don't work and i'm pretty sure that is the result of a bad ground. All systems appear to be good for operation except the headlights will not open or close. The other is dead, but lights up. One headlight goes up and down great. C5 Corvette Lights Wont Go Down.
From www.corvettemagazine.com
C3 Corvette Vacuum Headlight Diagnosis and Repair Corvette Magazine C5 Corvette Lights Wont Go Down All systems appear to be good for operation except the headlights will not open or close. The dash lights don't work and i'm pretty sure that is the result of a bad ground. Replace the tail light fuse (located in the passenger footwell) and bingo. The other is dead, but lights up. I decided to run the car. When you. C5 Corvette Lights Wont Go Down.
From www.pinterest.com
Chevrolet Corvette PopUp Headlights The 10 Most Identifiable Car C5 Corvette Lights Wont Go Down Bulbs can be shutoff with the switch, but both headlights are stuck in the up. Tail lights and fog lights work (they. I am going to replace the fuses and see what. Hoses look good and installed. When you turn the lights on, the dark green wire is momentarily switched to ground by the control module (+12 on light green,. C5 Corvette Lights Wont Go Down.
From mechanictremebundaa7.z13.web.core.windows.net
Key Won't Go In Lock C5 Corvette Lights Wont Go Down Tail lights and fog lights work (they. Replace the tail light fuse (located in the passenger footwell) and bingo. Hoses look good and installed. I am going to replace the fuses and see what. All systems appear to be good for operation except the headlights will not open or close. The other is dead, but lights up. I decided to. C5 Corvette Lights Wont Go Down.
From www.corvetteforum.com
My headlights won't go down... CorvetteForum Chevrolet Corvette C5 Corvette Lights Wont Go Down One headlight goes up and down great with good speed. Tail lights and fog lights work (they. I am going to replace the fuses and see what. When you turn the lights on, the dark green wire is momentarily switched to ground by the control module (+12 on light green, ground on dark. All systems appear to be good for. C5 Corvette Lights Wont Go Down.
From www.reddit.com
ABS light won’t go off. r/Corvette C5 Corvette Lights Wont Go Down Tail lights and fog lights work (they. I decided to run the car. All systems appear to be good for operation except the headlights will not open or close. Bulbs can be shutoff with the switch, but both headlights are stuck in the up. When you turn the lights on, the dark green wire is momentarily switched to ground by. C5 Corvette Lights Wont Go Down.
From www.corvetteforum.com
1973 Dash lights wont go off. CorvetteForum Chevrolet Corvette C5 Corvette Lights Wont Go Down All systems appear to be good for operation except the headlights will not open or close. Bulbs can be shutoff with the switch, but both headlights are stuck in the up. When you turn the lights on, the dark green wire is momentarily switched to ground by the control module (+12 on light green, ground on dark. Tail lights and. C5 Corvette Lights Wont Go Down.
From www.youtube.com
C5 corvette security light on no start YouTube C5 Corvette Lights Wont Go Down The other is dead, but lights up. Tail lights and fog lights work (they. Hoses look good and installed. When you turn the lights on, the dark green wire is momentarily switched to ground by the control module (+12 on light green, ground on dark. I decided to run the car. Bulbs can be shutoff with the switch, but both. C5 Corvette Lights Wont Go Down.
From www.reddit.com
Changed alternator now gen light won’t go off r/Corvette C5 Corvette Lights Wont Go Down All systems appear to be good for operation except the headlights will not open or close. Tail lights and fog lights work (they. I decided to run the car. The other is dead, but lights up. The dash lights don't work and i'm pretty sure that is the result of a bad ground. Hoses look good and installed. Bulbs can. C5 Corvette Lights Wont Go Down.
From ls1tech.com
Corvette Headlight Assembly Passenger Side 19972004 C5 Flip Up C5 Corvette Lights Wont Go Down The other is dead, but lights up. Bulbs can be shutoff with the switch, but both headlights are stuck in the up. Hoses look good and installed. One headlight goes up and down great with good speed. Replace the tail light fuse (located in the passenger footwell) and bingo. The dash lights don't work and i'm pretty sure that is. C5 Corvette Lights Wont Go Down.
From enginecrib.com
Interior Car Lights Won't Turn off? [Causes & How to Fix] C5 Corvette Lights Wont Go Down One headlight goes up and down great with good speed. I decided to run the car. All systems appear to be good for operation except the headlights will not open or close. Bulbs can be shutoff with the switch, but both headlights are stuck in the up. Tail lights and fog lights work (they. The other is dead, but lights. C5 Corvette Lights Wont Go Down.
From www.corvetteforum.com
1973 Dash lights wont go off. CorvetteForum Chevrolet Corvette C5 Corvette Lights Wont Go Down Hoses look good and installed. The other is dead, but lights up. Replace the tail light fuse (located in the passenger footwell) and bingo. Tail lights and fog lights work (they. One headlight goes up and down great with good speed. When you turn the lights on, the dark green wire is momentarily switched to ground by the control module. C5 Corvette Lights Wont Go Down.
From www.corvetteforum.com
EVERYTHING NEED TO WORK Interior courtesy light CorvetteForum C5 Corvette Lights Wont Go Down Hoses look good and installed. The other is dead, but lights up. Tail lights and fog lights work (they. Bulbs can be shutoff with the switch, but both headlights are stuck in the up. Replace the tail light fuse (located in the passenger footwell) and bingo. The dash lights don't work and i'm pretty sure that is the result of. C5 Corvette Lights Wont Go Down.
From www.corvetteforum.com
brake light wont go out, even it the ebrake is all the down C5 Corvette Lights Wont Go Down Hoses look good and installed. I decided to run the car. Bulbs can be shutoff with the switch, but both headlights are stuck in the up. Tail lights and fog lights work (they. The dash lights don't work and i'm pretty sure that is the result of a bad ground. All systems appear to be good for operation except the. C5 Corvette Lights Wont Go Down.