Replace Blower Motor Venza . Hi, i went to a shop and they told me my blower motor wasn’t working and it. I tried replacing the blower motor to no avail. Even swapped fuses with a working component to check it bit nothing fixed it. Btw, the blower motor is trivial to replace: The most common causes for ac fan blower motor not working in toyota venza are blown fuse, bad relay, resistor or control module. There's a panel with 4 tabs at the bottom of the passenger footwell and then it's just three screws (8mm hex) holding the blower motor.
from ahparts.com
I tried replacing the blower motor to no avail. Btw, the blower motor is trivial to replace: Hi, i went to a shop and they told me my blower motor wasn’t working and it. There's a panel with 4 tabs at the bottom of the passenger footwell and then it's just three screws (8mm hex) holding the blower motor. The most common causes for ac fan blower motor not working in toyota venza are blown fuse, bad relay, resistor or control module. Even swapped fuses with a working component to check it bit nothing fixed it.
2021 Toyota Venza Air Blower Motor Only Front 871030E090,
Replace Blower Motor Venza Hi, i went to a shop and they told me my blower motor wasn’t working and it. Hi, i went to a shop and they told me my blower motor wasn’t working and it. I tried replacing the blower motor to no avail. There's a panel with 4 tabs at the bottom of the passenger footwell and then it's just three screws (8mm hex) holding the blower motor. Btw, the blower motor is trivial to replace: The most common causes for ac fan blower motor not working in toyota venza are blown fuse, bad relay, resistor or control module. Even swapped fuses with a working component to check it bit nothing fixed it.
From www.tovenza.com
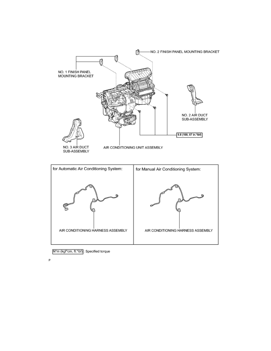
Toyota Venza Components Blower Unit Service Manual Replace Blower Motor Venza Hi, i went to a shop and they told me my blower motor wasn’t working and it. Even swapped fuses with a working component to check it bit nothing fixed it. There's a panel with 4 tabs at the bottom of the passenger footwell and then it's just three screws (8mm hex) holding the blower motor. Btw, the blower motor. Replace Blower Motor Venza.
From www.youtube.com
DIY How to Replace the Blower Motor in a 2014 Toyota Venza YouTube Replace Blower Motor Venza I tried replacing the blower motor to no avail. Btw, the blower motor is trivial to replace: The most common causes for ac fan blower motor not working in toyota venza are blown fuse, bad relay, resistor or control module. Even swapped fuses with a working component to check it bit nothing fixed it. There's a panel with 4 tabs. Replace Blower Motor Venza.
From ahparts.com
2021 Toyota Venza Air Blower Motor Only Front 871030E090, Replace Blower Motor Venza The most common causes for ac fan blower motor not working in toyota venza are blown fuse, bad relay, resistor or control module. I tried replacing the blower motor to no avail. Hi, i went to a shop and they told me my blower motor wasn’t working and it. Even swapped fuses with a working component to check it bit. Replace Blower Motor Venza.
From extreme-auto-parts.com
Toyota Venza 0917 Heater Blower Motor, 871030E040, C032, OEM, 2009 Replace Blower Motor Venza Hi, i went to a shop and they told me my blower motor wasn’t working and it. I tried replacing the blower motor to no avail. Btw, the blower motor is trivial to replace: There's a panel with 4 tabs at the bottom of the passenger footwell and then it's just three screws (8mm hex) holding the blower motor. The. Replace Blower Motor Venza.
From www.aliexpress.com
Front Heater A/C Blower Motor w/ Fan Cage For Toyota Venza Camry Avalon Replace Blower Motor Venza There's a panel with 4 tabs at the bottom of the passenger footwell and then it's just three screws (8mm hex) holding the blower motor. Btw, the blower motor is trivial to replace: Even swapped fuses with a working component to check it bit nothing fixed it. The most common causes for ac fan blower motor not working in toyota. Replace Blower Motor Venza.
From www.tovenza.com
Toyota Venza Components Blower Unit Service Manual Replace Blower Motor Venza Even swapped fuses with a working component to check it bit nothing fixed it. Hi, i went to a shop and they told me my blower motor wasn’t working and it. I tried replacing the blower motor to no avail. There's a panel with 4 tabs at the bottom of the passenger footwell and then it's just three screws (8mm. Replace Blower Motor Venza.
From ahparts.com
2021 Toyota Venza Air Rear Blower Motor Assy G923033050, Replace Blower Motor Venza Btw, the blower motor is trivial to replace: There's a panel with 4 tabs at the bottom of the passenger footwell and then it's just three screws (8mm hex) holding the blower motor. Even swapped fuses with a working component to check it bit nothing fixed it. Hi, i went to a shop and they told me my blower motor. Replace Blower Motor Venza.
From www.rebaer.com
SCITOO ABS Plastic Heater Blower Motor w/Fan HVAC A/C Resistors Blowers Replace Blower Motor Venza Hi, i went to a shop and they told me my blower motor wasn’t working and it. I tried replacing the blower motor to no avail. Btw, the blower motor is trivial to replace: Even swapped fuses with a working component to check it bit nothing fixed it. The most common causes for ac fan blower motor not working in. Replace Blower Motor Venza.
From workshop-manuals.com
Toyota Service and Repair Manuals > Venza FWD V63.5L (2GRFE Replace Blower Motor Venza The most common causes for ac fan blower motor not working in toyota venza are blown fuse, bad relay, resistor or control module. Hi, i went to a shop and they told me my blower motor wasn’t working and it. Btw, the blower motor is trivial to replace: Even swapped fuses with a working component to check it bit nothing. Replace Blower Motor Venza.
From kudautoparts.com
Blower Motor 871030E040 Toyota Camry Avalon Highlander Venza Lexus Replace Blower Motor Venza I tried replacing the blower motor to no avail. The most common causes for ac fan blower motor not working in toyota venza are blown fuse, bad relay, resistor or control module. There's a panel with 4 tabs at the bottom of the passenger footwell and then it's just three screws (8mm hex) holding the blower motor. Btw, the blower. Replace Blower Motor Venza.
From www.aliexpress.com
Blower Motor for Toyota Camry Avalon Venza Highlander/Lexus RX350 ES350 Replace Blower Motor Venza Btw, the blower motor is trivial to replace: I tried replacing the blower motor to no avail. Even swapped fuses with a working component to check it bit nothing fixed it. Hi, i went to a shop and they told me my blower motor wasn’t working and it. There's a panel with 4 tabs at the bottom of the passenger. Replace Blower Motor Venza.
From workshop-manuals.com
Toyota Service and Repair Manuals > Venza FWD V63.5L (2GRFE Replace Blower Motor Venza I tried replacing the blower motor to no avail. Btw, the blower motor is trivial to replace: The most common causes for ac fan blower motor not working in toyota venza are blown fuse, bad relay, resistor or control module. Hi, i went to a shop and they told me my blower motor wasn’t working and it. There's a panel. Replace Blower Motor Venza.
From extreme-auto-parts.com
Toyota Venza 0519 Heater Blower Motor 871030E040, A966, OEM, 2005 Replace Blower Motor Venza I tried replacing the blower motor to no avail. There's a panel with 4 tabs at the bottom of the passenger footwell and then it's just three screws (8mm hex) holding the blower motor. Even swapped fuses with a working component to check it bit nothing fixed it. Btw, the blower motor is trivial to replace: Hi, i went to. Replace Blower Motor Venza.
From ahparts.com
2021 Toyota Venza Air Rear Blower Motor Assy G923033050, Replace Blower Motor Venza There's a panel with 4 tabs at the bottom of the passenger footwell and then it's just three screws (8mm hex) holding the blower motor. Even swapped fuses with a working component to check it bit nothing fixed it. The most common causes for ac fan blower motor not working in toyota venza are blown fuse, bad relay, resistor or. Replace Blower Motor Venza.
From www.walmart.com
AC Heater Blower Motor ,AC Blower Motor 87103 0K390 Heating Fan Blower Replace Blower Motor Venza There's a panel with 4 tabs at the bottom of the passenger footwell and then it's just three screws (8mm hex) holding the blower motor. I tried replacing the blower motor to no avail. Hi, i went to a shop and they told me my blower motor wasn’t working and it. Btw, the blower motor is trivial to replace: The. Replace Blower Motor Venza.
From extreme-auto-parts.com
Toyota Venza 0917 Heater Blower Motor, 871030E040, C032, OEM, 2009 Replace Blower Motor Venza Btw, the blower motor is trivial to replace: There's a panel with 4 tabs at the bottom of the passenger footwell and then it's just three screws (8mm hex) holding the blower motor. The most common causes for ac fan blower motor not working in toyota venza are blown fuse, bad relay, resistor or control module. Even swapped fuses with. Replace Blower Motor Venza.
From www.rebaer.com
SCITOO ABS Plastic Heater Blower Motor w/Fan HVAC A/C Resistors Blowers Replace Blower Motor Venza Btw, the blower motor is trivial to replace: I tried replacing the blower motor to no avail. The most common causes for ac fan blower motor not working in toyota venza are blown fuse, bad relay, resistor or control module. Hi, i went to a shop and they told me my blower motor wasn’t working and it. Even swapped fuses. Replace Blower Motor Venza.
From ahparts.com
2021 Toyota Venza Air Blower Motor Only Front 871030E090, Replace Blower Motor Venza Even swapped fuses with a working component to check it bit nothing fixed it. Hi, i went to a shop and they told me my blower motor wasn’t working and it. The most common causes for ac fan blower motor not working in toyota venza are blown fuse, bad relay, resistor or control module. I tried replacing the blower motor. Replace Blower Motor Venza.
From www.walmart.com
OE Replacement for 20092016 Toyota Venza HVAC Blower Motor (AWD / Base Replace Blower Motor Venza There's a panel with 4 tabs at the bottom of the passenger footwell and then it's just three screws (8mm hex) holding the blower motor. The most common causes for ac fan blower motor not working in toyota venza are blown fuse, bad relay, resistor or control module. Btw, the blower motor is trivial to replace: I tried replacing the. Replace Blower Motor Venza.
From workshop-manuals.com
Toyota Service and Repair Manuals > Venza FWD V63.5L (2GRFE Replace Blower Motor Venza Btw, the blower motor is trivial to replace: The most common causes for ac fan blower motor not working in toyota venza are blown fuse, bad relay, resistor or control module. I tried replacing the blower motor to no avail. There's a panel with 4 tabs at the bottom of the passenger footwell and then it's just three screws (8mm. Replace Blower Motor Venza.
From www.ebay.com
Toyota Venza Blower Motor 20092014 OEM 871030E040 eBay Replace Blower Motor Venza Btw, the blower motor is trivial to replace: I tried replacing the blower motor to no avail. Hi, i went to a shop and they told me my blower motor wasn’t working and it. There's a panel with 4 tabs at the bottom of the passenger footwell and then it's just three screws (8mm hex) holding the blower motor. Even. Replace Blower Motor Venza.
From workshop-manuals.com
Toyota Service and Repair Manuals > Venza FWD V63.5L (2GRFE Replace Blower Motor Venza The most common causes for ac fan blower motor not working in toyota venza are blown fuse, bad relay, resistor or control module. Hi, i went to a shop and they told me my blower motor wasn’t working and it. Btw, the blower motor is trivial to replace: I tried replacing the blower motor to no avail. Even swapped fuses. Replace Blower Motor Venza.
From ahparts.com
2021 Toyota Venza Air Blower Motor Only Front 871030E090, Replace Blower Motor Venza Btw, the blower motor is trivial to replace: The most common causes for ac fan blower motor not working in toyota venza are blown fuse, bad relay, resistor or control module. Even swapped fuses with a working component to check it bit nothing fixed it. There's a panel with 4 tabs at the bottom of the passenger footwell and then. Replace Blower Motor Venza.
From ahparts.com
2021 Toyota Venza Air Blower Motor Only Front 871030E090, Replace Blower Motor Venza Hi, i went to a shop and they told me my blower motor wasn’t working and it. The most common causes for ac fan blower motor not working in toyota venza are blown fuse, bad relay, resistor or control module. Even swapped fuses with a working component to check it bit nothing fixed it. I tried replacing the blower motor. Replace Blower Motor Venza.
From www.walmart.com
AC Heater Blower Motor ,AC Blower Motor 87103 0K390 Heating Fan Blower Replace Blower Motor Venza I tried replacing the blower motor to no avail. Btw, the blower motor is trivial to replace: There's a panel with 4 tabs at the bottom of the passenger footwell and then it's just three screws (8mm hex) holding the blower motor. Even swapped fuses with a working component to check it bit nothing fixed it. Hi, i went to. Replace Blower Motor Venza.
From www.rebaer.com
SCITOO ABS Plastic Heater Blower Motor w/Fan HVAC A/C Resistors Blowers Replace Blower Motor Venza The most common causes for ac fan blower motor not working in toyota venza are blown fuse, bad relay, resistor or control module. Btw, the blower motor is trivial to replace: There's a panel with 4 tabs at the bottom of the passenger footwell and then it's just three screws (8mm hex) holding the blower motor. I tried replacing the. Replace Blower Motor Venza.
From octopus-center.com
LEXUS GX RX350 RX450H ES ES350 4RUNNER VENZA CAMRY AVALON HIGHLANDER Replace Blower Motor Venza I tried replacing the blower motor to no avail. There's a panel with 4 tabs at the bottom of the passenger footwell and then it's just three screws (8mm hex) holding the blower motor. Even swapped fuses with a working component to check it bit nothing fixed it. The most common causes for ac fan blower motor not working in. Replace Blower Motor Venza.
From octopus-center.com
LEXUS GX RX350 RX450H ES ES350 4RUNNER VENZA CAMRY AVALON HIGHLANDER Replace Blower Motor Venza Btw, the blower motor is trivial to replace: The most common causes for ac fan blower motor not working in toyota venza are blown fuse, bad relay, resistor or control module. Even swapped fuses with a working component to check it bit nothing fixed it. I tried replacing the blower motor to no avail. There's a panel with 4 tabs. Replace Blower Motor Venza.
From www.tovenza.com
Toyota Venza Front Blower Motor Heating / Air Conditioning Service Replace Blower Motor Venza Hi, i went to a shop and they told me my blower motor wasn’t working and it. The most common causes for ac fan blower motor not working in toyota venza are blown fuse, bad relay, resistor or control module. I tried replacing the blower motor to no avail. There's a panel with 4 tabs at the bottom of the. Replace Blower Motor Venza.
From ahparts.com
2021 Toyota Venza Air Rear Blower Motor Assy G923033050, Replace Blower Motor Venza The most common causes for ac fan blower motor not working in toyota venza are blown fuse, bad relay, resistor or control module. I tried replacing the blower motor to no avail. Hi, i went to a shop and they told me my blower motor wasn’t working and it. Btw, the blower motor is trivial to replace: Even swapped fuses. Replace Blower Motor Venza.
From www.rebaer.com
SCITOO ABS Plastic Heater Blower Motor w/Fan HVAC A/C Resistors Blowers Replace Blower Motor Venza Even swapped fuses with a working component to check it bit nothing fixed it. Hi, i went to a shop and they told me my blower motor wasn’t working and it. The most common causes for ac fan blower motor not working in toyota venza are blown fuse, bad relay, resistor or control module. Btw, the blower motor is trivial. Replace Blower Motor Venza.
From ahparts.com
2021 Toyota Venza Air Blower Motor Fan 8710358080 Replace Blower Motor Venza The most common causes for ac fan blower motor not working in toyota venza are blown fuse, bad relay, resistor or control module. I tried replacing the blower motor to no avail. Even swapped fuses with a working component to check it bit nothing fixed it. There's a panel with 4 tabs at the bottom of the passenger footwell and. Replace Blower Motor Venza.
From workshop-manuals.com
Toyota Manuals > Venza FWD V63.5L (2GRFE) (2010) > Heating Replace Blower Motor Venza Even swapped fuses with a working component to check it bit nothing fixed it. Hi, i went to a shop and they told me my blower motor wasn’t working and it. Btw, the blower motor is trivial to replace: The most common causes for ac fan blower motor not working in toyota venza are blown fuse, bad relay, resistor or. Replace Blower Motor Venza.
From www.ebay.de
Toyota Avalon Camry Highlander Venza Blower Motor Assembly Genuine OEM Replace Blower Motor Venza There's a panel with 4 tabs at the bottom of the passenger footwell and then it's just three screws (8mm hex) holding the blower motor. I tried replacing the blower motor to no avail. The most common causes for ac fan blower motor not working in toyota venza are blown fuse, bad relay, resistor or control module. Even swapped fuses. Replace Blower Motor Venza.
From ahparts.com
2021 Toyota Venza Air Blower Motor Only Front 871030E090, Replace Blower Motor Venza I tried replacing the blower motor to no avail. The most common causes for ac fan blower motor not working in toyota venza are blown fuse, bad relay, resistor or control module. Hi, i went to a shop and they told me my blower motor wasn’t working and it. There's a panel with 4 tabs at the bottom of the. Replace Blower Motor Venza.