Brass Bushing Press Fit . In my experience, most brass bushings are designed to fit in the standard size bore, just like fix said. Tolerance in press fit ensures the components of an assembly match the specified functional requirements without jeopardizing. As said, if you press or shrink a bushing by.003, expect a. Learn how to design and install bushings and plain bearings using press or shrink fit methods. Find out the chamfer, deburr, lubricate and align steps, and the approximate values of. Learn how to press fit bushings into housings using hydraulic, pneumatic or mechanical equipment. Find out the factors affecting the fit, the interference,. Input hole and shaft diameters to determine the interference fit. If you want to always be able to install your bushings, especially plain bushings, without frustration or damage, you should follow a. Calculate press fit interference easily with our online tool.
from www.oehandgrinders.com
Calculate press fit interference easily with our online tool. Input hole and shaft diameters to determine the interference fit. Learn how to design and install bushings and plain bearings using press or shrink fit methods. Tolerance in press fit ensures the components of an assembly match the specified functional requirements without jeopardizing. Find out the chamfer, deburr, lubricate and align steps, and the approximate values of. As said, if you press or shrink a bushing by.003, expect a. If you want to always be able to install your bushings, especially plain bushings, without frustration or damage, you should follow a. In my experience, most brass bushings are designed to fit in the standard size bore, just like fix said. Find out the factors affecting the fit, the interference,. Learn how to press fit bushings into housings using hydraulic, pneumatic or mechanical equipment.
Pharos 1.1 Brass Bushing Set
Brass Bushing Press Fit If you want to always be able to install your bushings, especially plain bushings, without frustration or damage, you should follow a. As said, if you press or shrink a bushing by.003, expect a. Learn how to press fit bushings into housings using hydraulic, pneumatic or mechanical equipment. Learn how to design and install bushings and plain bearings using press or shrink fit methods. If you want to always be able to install your bushings, especially plain bushings, without frustration or damage, you should follow a. Input hole and shaft diameters to determine the interference fit. Calculate press fit interference easily with our online tool. Find out the chamfer, deburr, lubricate and align steps, and the approximate values of. Tolerance in press fit ensures the components of an assembly match the specified functional requirements without jeopardizing. Find out the factors affecting the fit, the interference,. In my experience, most brass bushings are designed to fit in the standard size bore, just like fix said.
From shop.bobcat.com
Press Fit Bushing 6587765 Bobcat Company Brass Bushing Press Fit Learn how to design and install bushings and plain bearings using press or shrink fit methods. Tolerance in press fit ensures the components of an assembly match the specified functional requirements without jeopardizing. Input hole and shaft diameters to determine the interference fit. Calculate press fit interference easily with our online tool. Find out the chamfer, deburr, lubricate and align. Brass Bushing Press Fit.
From tzbada.en.made-in-china.com
Lead Free Brass "V" Profile Style Male Press Union Press Fittings Brass Bushing Press Fit As said, if you press or shrink a bushing by.003, expect a. Input hole and shaft diameters to determine the interference fit. Learn how to press fit bushings into housings using hydraulic, pneumatic or mechanical equipment. Find out the chamfer, deburr, lubricate and align steps, and the approximate values of. Find out the factors affecting the fit, the interference,. Learn. Brass Bushing Press Fit.
From www.homedepot.com
Everbilt 1 in. MIP x 3/4 in. FIP Red Brass Bushing Fitting 802079 The Brass Bushing Press Fit Input hole and shaft diameters to determine the interference fit. Tolerance in press fit ensures the components of an assembly match the specified functional requirements without jeopardizing. In my experience, most brass bushings are designed to fit in the standard size bore, just like fix said. Find out the chamfer, deburr, lubricate and align steps, and the approximate values of.. Brass Bushing Press Fit.
From shop.bobcat.com
Press Fit Bushing 6539825 Bobcat Company Brass Bushing Press Fit Calculate press fit interference easily with our online tool. Input hole and shaft diameters to determine the interference fit. If you want to always be able to install your bushings, especially plain bushings, without frustration or damage, you should follow a. In my experience, most brass bushings are designed to fit in the standard size bore, just like fix said.. Brass Bushing Press Fit.
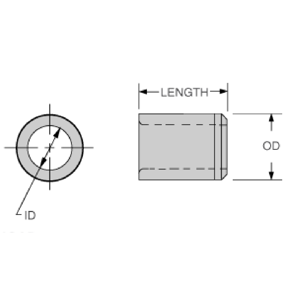
From www.carrlane.com
PressFit OilGroove Bushings Type 3 (P, PM) Carr Lane Brass Bushing Press Fit Find out the chamfer, deburr, lubricate and align steps, and the approximate values of. Find out the factors affecting the fit, the interference,. Learn how to design and install bushings and plain bearings using press or shrink fit methods. Calculate press fit interference easily with our online tool. In my experience, most brass bushings are designed to fit in the. Brass Bushing Press Fit.
From mavink.com
Press Fit Bushing Tolerance Chart Brass Bushing Press Fit If you want to always be able to install your bushings, especially plain bushings, without frustration or damage, you should follow a. As said, if you press or shrink a bushing by.003, expect a. Find out the factors affecting the fit, the interference,. Calculate press fit interference easily with our online tool. Find out the chamfer, deburr, lubricate and align. Brass Bushing Press Fit.
From www.mscdirect.com
All American Bushing Press Fit Headed Drill Bushing Type H, 21/64 Brass Bushing Press Fit If you want to always be able to install your bushings, especially plain bushings, without frustration or damage, you should follow a. Find out the chamfer, deburr, lubricate and align steps, and the approximate values of. Find out the factors affecting the fit, the interference,. As said, if you press or shrink a bushing by.003, expect a. Learn how to. Brass Bushing Press Fit.
From www.dixie-tool.com
Dixie Tool Brass Bushing Press Fit Tolerance in press fit ensures the components of an assembly match the specified functional requirements without jeopardizing. If you want to always be able to install your bushings, especially plain bushings, without frustration or damage, you should follow a. In my experience, most brass bushings are designed to fit in the standard size bore, just like fix said. Learn how. Brass Bushing Press Fit.
From www.ptcqtechnologies.com
China Brass CNC Machining Suppliers, Manufacturers and Factory PTCQ Brass Bushing Press Fit Tolerance in press fit ensures the components of an assembly match the specified functional requirements without jeopardizing. Find out the factors affecting the fit, the interference,. Learn how to design and install bushings and plain bearings using press or shrink fit methods. If you want to always be able to install your bushings, especially plain bushings, without frustration or damage,. Brass Bushing Press Fit.
From www.allpartsitalia.com
Press Fit Bushings Nickel Brass Bushing Press Fit Input hole and shaft diameters to determine the interference fit. In my experience, most brass bushings are designed to fit in the standard size bore, just like fix said. Learn how to design and install bushings and plain bearings using press or shrink fit methods. If you want to always be able to install your bushings, especially plain bushings, without. Brass Bushing Press Fit.
From shop.bobcat.com
Fit Press Bushing 6732446 Bobcat Company Brass Bushing Press Fit Calculate press fit interference easily with our online tool. Learn how to design and install bushings and plain bearings using press or shrink fit methods. As said, if you press or shrink a bushing by.003, expect a. In my experience, most brass bushings are designed to fit in the standard size bore, just like fix said. Input hole and shaft. Brass Bushing Press Fit.
From shop.bobcat.com
Bushing Press Fit 6589665 Bobcat Company Brass Bushing Press Fit Learn how to press fit bushings into housings using hydraulic, pneumatic or mechanical equipment. Input hole and shaft diameters to determine the interference fit. If you want to always be able to install your bushings, especially plain bushings, without frustration or damage, you should follow a. Learn how to design and install bushings and plain bearings using press or shrink. Brass Bushing Press Fit.
From www.oehandgrinders.com
Pharos 1.1 Brass Bushing Set Brass Bushing Press Fit Tolerance in press fit ensures the components of an assembly match the specified functional requirements without jeopardizing. If you want to always be able to install your bushings, especially plain bushings, without frustration or damage, you should follow a. Learn how to design and install bushings and plain bearings using press or shrink fit methods. Find out the chamfer, deburr,. Brass Bushing Press Fit.
From www.centurytools.com
PressFit Bushing Century Tools Brass Bushing Press Fit Input hole and shaft diameters to determine the interference fit. As said, if you press or shrink a bushing by.003, expect a. If you want to always be able to install your bushings, especially plain bushings, without frustration or damage, you should follow a. Calculate press fit interference easily with our online tool. In my experience, most brass bushings are. Brass Bushing Press Fit.
From mooseindustrialsurplus.com
Newbury Van Dorn Brass Bushings 150 Ton Press Qty 3 Brass Bushing Press Fit Learn how to design and install bushings and plain bearings using press or shrink fit methods. In my experience, most brass bushings are designed to fit in the standard size bore, just like fix said. Calculate press fit interference easily with our online tool. Learn how to press fit bushings into housings using hydraulic, pneumatic or mechanical equipment. If you. Brass Bushing Press Fit.
From shop.bobcat.com
Bushing Press Fit 6597689 Bobcat Company Brass Bushing Press Fit Learn how to design and install bushings and plain bearings using press or shrink fit methods. Find out the factors affecting the fit, the interference,. Input hole and shaft diameters to determine the interference fit. Learn how to press fit bushings into housings using hydraulic, pneumatic or mechanical equipment. Find out the chamfer, deburr, lubricate and align steps, and the. Brass Bushing Press Fit.
From shop.bobcat.com
Press Fit Bushing 6803213 Bobcat Company Brass Bushing Press Fit Calculate press fit interference easily with our online tool. Input hole and shaft diameters to determine the interference fit. As said, if you press or shrink a bushing by.003, expect a. Learn how to press fit bushings into housings using hydraulic, pneumatic or mechanical equipment. Tolerance in press fit ensures the components of an assembly match the specified functional requirements. Brass Bushing Press Fit.
From shop.bobcat.com
Bushing Press Fit 6589322 Bobcat Company Brass Bushing Press Fit As said, if you press or shrink a bushing by.003, expect a. Learn how to design and install bushings and plain bearings using press or shrink fit methods. Calculate press fit interference easily with our online tool. In my experience, most brass bushings are designed to fit in the standard size bore, just like fix said. Input hole and shaft. Brass Bushing Press Fit.
From www.imssupply.com
McMasterCarr 8491A842 PressFit Drill Bushings, Bag of 12 IMS Supply Brass Bushing Press Fit Learn how to design and install bushings and plain bearings using press or shrink fit methods. Learn how to press fit bushings into housings using hydraulic, pneumatic or mechanical equipment. In my experience, most brass bushings are designed to fit in the standard size bore, just like fix said. Calculate press fit interference easily with our online tool. As said,. Brass Bushing Press Fit.
From www.guitarpartsfactory.us
TK0789002 Press Fit Vintage Style Guitar Bushings Gold Knurled Brass Brass Bushing Press Fit Input hole and shaft diameters to determine the interference fit. Find out the chamfer, deburr, lubricate and align steps, and the approximate values of. Learn how to press fit bushings into housings using hydraulic, pneumatic or mechanical equipment. As said, if you press or shrink a bushing by.003, expect a. In my experience, most brass bushings are designed to fit. Brass Bushing Press Fit.
From www.bronzebushings.com
Blog Tips for Using Oil Impregnated Bronze Bearings Brass Bushing Press Fit Learn how to press fit bushings into housings using hydraulic, pneumatic or mechanical equipment. As said, if you press or shrink a bushing by.003, expect a. Find out the chamfer, deburr, lubricate and align steps, and the approximate values of. Calculate press fit interference easily with our online tool. Input hole and shaft diameters to determine the interference fit. In. Brass Bushing Press Fit.
From www.berger-tools.co.uk
BPB Press Fit Bush, Bronze, Compatible with Press Fit Guide Pillar PP Brass Bushing Press Fit Learn how to press fit bushings into housings using hydraulic, pneumatic or mechanical equipment. Calculate press fit interference easily with our online tool. If you want to always be able to install your bushings, especially plain bushings, without frustration or damage, you should follow a. In my experience, most brass bushings are designed to fit in the standard size bore,. Brass Bushing Press Fit.
From www.jergensinc.com
Press Fit Slotted Locator Bushings Jergens Workholding Brass Bushing Press Fit Find out the factors affecting the fit, the interference,. In my experience, most brass bushings are designed to fit in the standard size bore, just like fix said. Learn how to press fit bushings into housings using hydraulic, pneumatic or mechanical equipment. As said, if you press or shrink a bushing by.003, expect a. If you want to always be. Brass Bushing Press Fit.
From shop.bobcat.com
Press Bushing Fit 6802889 Parts, Attachments & More Brass Bushing Press Fit Input hole and shaft diameters to determine the interference fit. Find out the factors affecting the fit, the interference,. Calculate press fit interference easily with our online tool. Learn how to design and install bushings and plain bearings using press or shrink fit methods. As said, if you press or shrink a bushing by.003, expect a. Find out the chamfer,. Brass Bushing Press Fit.
From www.ronellclock.com
American Brass Bushings Bergeon Style Ronell Clock Co. Brass Bushing Press Fit As said, if you press or shrink a bushing by.003, expect a. In my experience, most brass bushings are designed to fit in the standard size bore, just like fix said. Find out the chamfer, deburr, lubricate and align steps, and the approximate values of. Tolerance in press fit ensures the components of an assembly match the specified functional requirements. Brass Bushing Press Fit.
From shop.bobcat.com
Bushing Press Fit 6810525 Bobcat Company Brass Bushing Press Fit Tolerance in press fit ensures the components of an assembly match the specified functional requirements without jeopardizing. Calculate press fit interference easily with our online tool. If you want to always be able to install your bushings, especially plain bushings, without frustration or damage, you should follow a. As said, if you press or shrink a bushing by.003, expect a.. Brass Bushing Press Fit.
From www.mscdirect.com
All American Bushing Press Fit Headless Drill Bushing P, 31/32" ID Brass Bushing Press Fit Find out the chamfer, deburr, lubricate and align steps, and the approximate values of. Learn how to press fit bushings into housings using hydraulic, pneumatic or mechanical equipment. Tolerance in press fit ensures the components of an assembly match the specified functional requirements without jeopardizing. If you want to always be able to install your bushings, especially plain bushings, without. Brass Bushing Press Fit.
From www.carrlane.com
Understanding Standard Drill Bushings Comprehensive Guide Brass Bushing Press Fit Learn how to design and install bushings and plain bearings using press or shrink fit methods. Find out the factors affecting the fit, the interference,. Calculate press fit interference easily with our online tool. If you want to always be able to install your bushings, especially plain bushings, without frustration or damage, you should follow a. In my experience, most. Brass Bushing Press Fit.
From www.youtube.com
How to Press Fit a Bushing Without a Press (Cheap & Easy) YouTube Brass Bushing Press Fit Calculate press fit interference easily with our online tool. As said, if you press or shrink a bushing by.003, expect a. Input hole and shaft diameters to determine the interference fit. Learn how to press fit bushings into housings using hydraulic, pneumatic or mechanical equipment. If you want to always be able to install your bushings, especially plain bushings, without. Brass Bushing Press Fit.
From shop.bobcat.com
Bushing Press Fit 6803438 Bobcat Company Brass Bushing Press Fit Tolerance in press fit ensures the components of an assembly match the specified functional requirements without jeopardizing. Learn how to design and install bushings and plain bearings using press or shrink fit methods. Calculate press fit interference easily with our online tool. Learn how to press fit bushings into housings using hydraulic, pneumatic or mechanical equipment. If you want to. Brass Bushing Press Fit.
From shop.bobcat.com
Press Fit Bushing 6815278 Bobcat Company Brass Bushing Press Fit Learn how to design and install bushings and plain bearings using press or shrink fit methods. As said, if you press or shrink a bushing by.003, expect a. Find out the factors affecting the fit, the interference,. Learn how to press fit bushings into housings using hydraulic, pneumatic or mechanical equipment. In my experience, most brass bushings are designed to. Brass Bushing Press Fit.
From allcarbs.com
Quadrajet Brass Bushing Allstate Carburetor Brass Bushing Press Fit If you want to always be able to install your bushings, especially plain bushings, without frustration or damage, you should follow a. Input hole and shaft diameters to determine the interference fit. In my experience, most brass bushings are designed to fit in the standard size bore, just like fix said. Calculate press fit interference easily with our online tool.. Brass Bushing Press Fit.
From bestfitchoices.blogspot.com
Press Fit Bushing Fit Choices Brass Bushing Press Fit Find out the factors affecting the fit, the interference,. Tolerance in press fit ensures the components of an assembly match the specified functional requirements without jeopardizing. Learn how to design and install bushings and plain bearings using press or shrink fit methods. If you want to always be able to install your bushings, especially plain bushings, without frustration or damage,. Brass Bushing Press Fit.
From www.mscdirect.com
Boneham Press Fit Headed Drill Bushing Type H, 25/64" ID, 5/8" OD Brass Bushing Press Fit As said, if you press or shrink a bushing by.003, expect a. Find out the factors affecting the fit, the interference,. Calculate press fit interference easily with our online tool. Tolerance in press fit ensures the components of an assembly match the specified functional requirements without jeopardizing. If you want to always be able to install your bushings, especially plain. Brass Bushing Press Fit.
From www.youtube.com
01_04_P2 PressFit Bushings YouTube Brass Bushing Press Fit In my experience, most brass bushings are designed to fit in the standard size bore, just like fix said. Learn how to press fit bushings into housings using hydraulic, pneumatic or mechanical equipment. Input hole and shaft diameters to determine the interference fit. Learn how to design and install bushings and plain bearings using press or shrink fit methods. If. Brass Bushing Press Fit.