D Latch Circuit Diagram . Let’s explore the ladder logic equivalent of a d latch, modified from the basic ladder. See the circuit diagram, truth table, logic gates, ic package and practical. A simple explanation of a d flip flop (or d latch). A d latch is a type of digital circuit that can store one bit of information with one input (d for data/delay) and enable signal (clk or en). We also discuss a gated d latch. D latch is obtained from sr latch by placing an inverter between s amp;& r. Learn what a d flip flop is, see the d latch truth table, and a diagram of a d flip flop circuit. The output of the latch follows the input d when clk is. The circuit diagram of d latch is shown in the following figure. This circuit has single input d and two outputs q(t) & q(t)’. In this article, we will see the definition of latches, latch types like sr, gated sr, d, gated d, jk and t with its truth table and diagrams and advantages and disadvantages of latch. To implement latches, we use different logic gates. It is commonly used as a basic building block in digital electronics to create counters or.
from www.researchgate.net
A simple explanation of a d flip flop (or d latch). Learn what a d flip flop is, see the d latch truth table, and a diagram of a d flip flop circuit. To implement latches, we use different logic gates. This circuit has single input d and two outputs q(t) & q(t)’. In this article, we will see the definition of latches, latch types like sr, gated sr, d, gated d, jk and t with its truth table and diagrams and advantages and disadvantages of latch. See the circuit diagram, truth table, logic gates, ic package and practical. It is commonly used as a basic building block in digital electronics to create counters or. D latch is obtained from sr latch by placing an inverter between s amp;& r. A d latch is a type of digital circuit that can store one bit of information with one input (d for data/delay) and enable signal (clk or en). The circuit diagram of d latch is shown in the following figure.
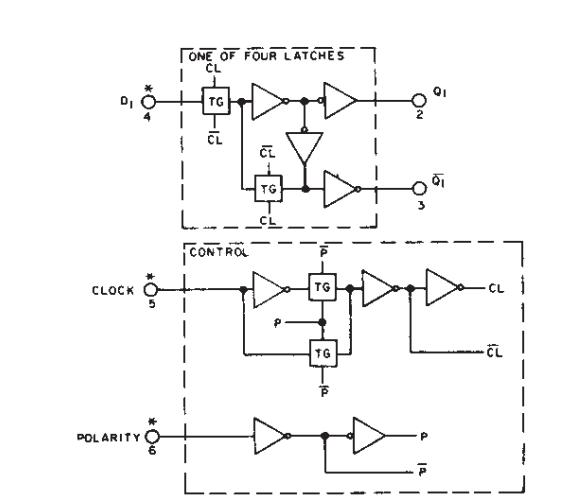
Circuit symbols for (a) leveltriggered gated D latch, (b) positive
D Latch Circuit Diagram In this article, we will see the definition of latches, latch types like sr, gated sr, d, gated d, jk and t with its truth table and diagrams and advantages and disadvantages of latch. The output of the latch follows the input d when clk is. The circuit diagram of d latch is shown in the following figure. Let’s explore the ladder logic equivalent of a d latch, modified from the basic ladder. It is commonly used as a basic building block in digital electronics to create counters or. Learn what a d flip flop is, see the d latch truth table, and a diagram of a d flip flop circuit. We also discuss a gated d latch. A d latch is a type of digital circuit that can store one bit of information with one input (d for data/delay) and enable signal (clk or en). In this article, we will see the definition of latches, latch types like sr, gated sr, d, gated d, jk and t with its truth table and diagrams and advantages and disadvantages of latch. This circuit has single input d and two outputs q(t) & q(t)’. D latch is obtained from sr latch by placing an inverter between s amp;& r. To implement latches, we use different logic gates. See the circuit diagram, truth table, logic gates, ic package and practical. A simple explanation of a d flip flop (or d latch).
From www.numerade.com
1 the d latch of fig56 is constructed with four nand gates and an D Latch Circuit Diagram To implement latches, we use different logic gates. The circuit diagram of d latch is shown in the following figure. We also discuss a gated d latch. Learn what a d flip flop is, see the d latch truth table, and a diagram of a d flip flop circuit. A d latch is a type of digital circuit that can. D Latch Circuit Diagram.
From www.circuitdiagram.co
D Latch Circuit Diagram D Latch Circuit Diagram See the circuit diagram, truth table, logic gates, ic package and practical. Learn what a d flip flop is, see the d latch truth table, and a diagram of a d flip flop circuit. D latch is obtained from sr latch by placing an inverter between s amp;& r. To implement latches, we use different logic gates. Let’s explore the. D Latch Circuit Diagram.
From www.chegg.com
Solved A circuit for a gated D latch is shown below. Assume D Latch Circuit Diagram See the circuit diagram, truth table, logic gates, ic package and practical. This circuit has single input d and two outputs q(t) & q(t)’. Learn what a d flip flop is, see the d latch truth table, and a diagram of a d flip flop circuit. Let’s explore the ladder logic equivalent of a d latch, modified from the basic. D Latch Circuit Diagram.
From loejfdbiz.blob.core.windows.net
Electric Circuit Latch at Ronald Hoggan blog D Latch Circuit Diagram In this article, we will see the definition of latches, latch types like sr, gated sr, d, gated d, jk and t with its truth table and diagrams and advantages and disadvantages of latch. A simple explanation of a d flip flop (or d latch). We also discuss a gated d latch. See the circuit diagram, truth table, logic gates,. D Latch Circuit Diagram.
From cse14-iiith.vlabs.ac.in
Virtual Labs D Latch Circuit Diagram A d latch is a type of digital circuit that can store one bit of information with one input (d for data/delay) and enable signal (clk or en). It is commonly used as a basic building block in digital electronics to create counters or. A simple explanation of a d flip flop (or d latch). Learn what a d flip. D Latch Circuit Diagram.
From mydiagram.online
[DIAGRAM] D Latch Circuit Diagram D Latch Circuit Diagram A d latch is a type of digital circuit that can store one bit of information with one input (d for data/delay) and enable signal (clk or en). To implement latches, we use different logic gates. The circuit diagram of d latch is shown in the following figure. A simple explanation of a d flip flop (or d latch). We. D Latch Circuit Diagram.
From mydiagram.online
[DIAGRAM] D Latch Circuit Diagram D Latch Circuit Diagram It is commonly used as a basic building block in digital electronics to create counters or. In this article, we will see the definition of latches, latch types like sr, gated sr, d, gated d, jk and t with its truth table and diagrams and advantages and disadvantages of latch. D latch is obtained from sr latch by placing an. D Latch Circuit Diagram.
From www.circuitdiagram.co
Electronic Latch Circuit Diagram Circuit Diagram D Latch Circuit Diagram It is commonly used as a basic building block in digital electronics to create counters or. Learn what a d flip flop is, see the d latch truth table, and a diagram of a d flip flop circuit. The output of the latch follows the input d when clk is. The circuit diagram of d latch is shown in the. D Latch Circuit Diagram.
From circuitwiringstefanie.z19.web.core.windows.net
Sr Latch Circuit Diagram D Latch Circuit Diagram Let’s explore the ladder logic equivalent of a d latch, modified from the basic ladder. The output of the latch follows the input d when clk is. Learn what a d flip flop is, see the d latch truth table, and a diagram of a d flip flop circuit. In this article, we will see the definition of latches, latch. D Latch Circuit Diagram.
From schematiclibraryjeffrey.z21.web.core.windows.net
D Latch Circuit Diagram D Latch Circuit Diagram A simple explanation of a d flip flop (or d latch). A d latch is a type of digital circuit that can store one bit of information with one input (d for data/delay) and enable signal (clk or en). The output of the latch follows the input d when clk is. See the circuit diagram, truth table, logic gates, ic. D Latch Circuit Diagram.
From courses.stephenmarz.com
Sequential Logic Stephen Marz D Latch Circuit Diagram The output of the latch follows the input d when clk is. Let’s explore the ladder logic equivalent of a d latch, modified from the basic ladder. To implement latches, we use different logic gates. We also discuss a gated d latch. The circuit diagram of d latch is shown in the following figure. This circuit has single input d. D Latch Circuit Diagram.
From diagramlibkrumbholc040.z13.web.core.windows.net
Circuits With Latches In Digital Electronics D Latch Circuit Diagram A simple explanation of a d flip flop (or d latch). The output of the latch follows the input d when clk is. Let’s explore the ladder logic equivalent of a d latch, modified from the basic ladder. It is commonly used as a basic building block in digital electronics to create counters or. D latch is obtained from sr. D Latch Circuit Diagram.
From userfixabt.z19.web.core.windows.net
D Latch Circuit Diagram D Latch Circuit Diagram In this article, we will see the definition of latches, latch types like sr, gated sr, d, gated d, jk and t with its truth table and diagrams and advantages and disadvantages of latch. A simple explanation of a d flip flop (or d latch). To implement latches, we use different logic gates. Learn what a d flip flop is,. D Latch Circuit Diagram.
From www.wellpcb.com
Transistor Latch A Comprehensive Guide That Explains Everything D Latch Circuit Diagram The output of the latch follows the input d when clk is. To implement latches, we use different logic gates. Let’s explore the ladder logic equivalent of a d latch, modified from the basic ladder. See the circuit diagram, truth table, logic gates, ic package and practical. We also discuss a gated d latch. A simple explanation of a d. D Latch Circuit Diagram.
From diagramlibkrumbholc040.z13.web.core.windows.net
Circuits With Latches In Digital Electronics D Latch Circuit Diagram It is commonly used as a basic building block in digital electronics to create counters or. See the circuit diagram, truth table, logic gates, ic package and practical. We also discuss a gated d latch. This circuit has single input d and two outputs q(t) & q(t)’. To implement latches, we use different logic gates. Learn what a d flip. D Latch Circuit Diagram.
From www.easybom.com
CD4042BE D Latch What You Need to Know Easybom D Latch Circuit Diagram This circuit has single input d and two outputs q(t) & q(t)’. We also discuss a gated d latch. The output of the latch follows the input d when clk is. The circuit diagram of d latch is shown in the following figure. Learn what a d flip flop is, see the d latch truth table, and a diagram of. D Latch Circuit Diagram.
From www.circuitdiagram.co
d latch circuit diagram Circuit Diagram D Latch Circuit Diagram It is commonly used as a basic building block in digital electronics to create counters or. To implement latches, we use different logic gates. A simple explanation of a d flip flop (or d latch). We also discuss a gated d latch. D latch is obtained from sr latch by placing an inverter between s amp;& r. Learn what a. D Latch Circuit Diagram.
From guidemanuallubricated.z21.web.core.windows.net
What Is A Latching Circuit D Latch Circuit Diagram It is commonly used as a basic building block in digital electronics to create counters or. To implement latches, we use different logic gates. A d latch is a type of digital circuit that can store one bit of information with one input (d for data/delay) and enable signal (clk or en). This circuit has single input d and two. D Latch Circuit Diagram.
From www.researchgate.net
Schematic of resettable Dlatch. Download Scientific Diagram D Latch Circuit Diagram Learn what a d flip flop is, see the d latch truth table, and a diagram of a d flip flop circuit. This circuit has single input d and two outputs q(t) & q(t)’. See the circuit diagram, truth table, logic gates, ic package and practical. We also discuss a gated d latch. To implement latches, we use different logic. D Latch Circuit Diagram.
From www.build-electronic-circuits.com
The D Latch (Quickstart Tutorial) D Latch Circuit Diagram The circuit diagram of d latch is shown in the following figure. Learn what a d flip flop is, see the d latch truth table, and a diagram of a d flip flop circuit. See the circuit diagram, truth table, logic gates, ic package and practical. Let’s explore the ladder logic equivalent of a d latch, modified from the basic. D Latch Circuit Diagram.
From www.researchgate.net
Schematics of latch and D flipflop. (a) Latch. (b) D flipflop D Latch Circuit Diagram D latch is obtained from sr latch by placing an inverter between s amp;& r. Learn what a d flip flop is, see the d latch truth table, and a diagram of a d flip flop circuit. See the circuit diagram, truth table, logic gates, ic package and practical. The circuit diagram of d latch is shown in the following. D Latch Circuit Diagram.
From schematicluggie.z19.web.core.windows.net
D Latch Circuit Time Diagram D Latch Circuit Diagram See the circuit diagram, truth table, logic gates, ic package and practical. To implement latches, we use different logic gates. This circuit has single input d and two outputs q(t) & q(t)’. Let’s explore the ladder logic equivalent of a d latch, modified from the basic ladder. A simple explanation of a d flip flop (or d latch). It is. D Latch Circuit Diagram.
From www.zpag.net
Dlatch D Latch Circuit Diagram In this article, we will see the definition of latches, latch types like sr, gated sr, d, gated d, jk and t with its truth table and diagrams and advantages and disadvantages of latch. This circuit has single input d and two outputs q(t) & q(t)’. The output of the latch follows the input d when clk is. To implement. D Latch Circuit Diagram.
From userdiagramwaxiest.z21.web.core.windows.net
D Latch Circuit Time Diagram D Latch Circuit Diagram This circuit has single input d and two outputs q(t) & q(t)’. See the circuit diagram, truth table, logic gates, ic package and practical. We also discuss a gated d latch. In this article, we will see the definition of latches, latch types like sr, gated sr, d, gated d, jk and t with its truth table and diagrams and. D Latch Circuit Diagram.
From circuitdatablockboard.z21.web.core.windows.net
Sr Latch Circuit Diagram D Latch Circuit Diagram We also discuss a gated d latch. To implement latches, we use different logic gates. Let’s explore the ladder logic equivalent of a d latch, modified from the basic ladder. A d latch is a type of digital circuit that can store one bit of information with one input (d for data/delay) and enable signal (clk or en). A simple. D Latch Circuit Diagram.
From klabnjljo.blob.core.windows.net
Latch Principle Example at Sheila Stidham blog D Latch Circuit Diagram Learn what a d flip flop is, see the d latch truth table, and a diagram of a d flip flop circuit. A d latch is a type of digital circuit that can store one bit of information with one input (d for data/delay) and enable signal (clk or en). See the circuit diagram, truth table, logic gates, ic package. D Latch Circuit Diagram.
From mydiagram.online
[DIAGRAM] D Latch Circuit Diagram D Latch Circuit Diagram We also discuss a gated d latch. It is commonly used as a basic building block in digital electronics to create counters or. This circuit has single input d and two outputs q(t) & q(t)’. See the circuit diagram, truth table, logic gates, ic package and practical. A d latch is a type of digital circuit that can store one. D Latch Circuit Diagram.
From www.slideserve.com
PPT Chapter 8 PowerPoint Presentation, free download ID5180002 D Latch Circuit Diagram The circuit diagram of d latch is shown in the following figure. This circuit has single input d and two outputs q(t) & q(t)’. In this article, we will see the definition of latches, latch types like sr, gated sr, d, gated d, jk and t with its truth table and diagrams and advantages and disadvantages of latch. Learn what. D Latch Circuit Diagram.
From www.researchgate.net
Schematic of the simulated Dlatch. Download Scientific Diagram D Latch Circuit Diagram A simple explanation of a d flip flop (or d latch). Let’s explore the ladder logic equivalent of a d latch, modified from the basic ladder. D latch is obtained from sr latch by placing an inverter between s amp;& r. In this article, we will see the definition of latches, latch types like sr, gated sr, d, gated d,. D Latch Circuit Diagram.
From www.youtube.com
What is the D latch? D latch circuit diagram D Latch Working D D Latch Circuit Diagram See the circuit diagram, truth table, logic gates, ic package and practical. It is commonly used as a basic building block in digital electronics to create counters or. This circuit has single input d and two outputs q(t) & q(t)’. Let’s explore the ladder logic equivalent of a d latch, modified from the basic ladder. The circuit diagram of d. D Latch Circuit Diagram.
From www.researchgate.net
Circuit symbols for (a) leveltriggered gated D latch, (b) positive D Latch Circuit Diagram Let’s explore the ladder logic equivalent of a d latch, modified from the basic ladder. The circuit diagram of d latch is shown in the following figure. A simple explanation of a d flip flop (or d latch). See the circuit diagram, truth table, logic gates, ic package and practical. This circuit has single input d and two outputs q(t). D Latch Circuit Diagram.
From manuallibraryduerr.z6.web.core.windows.net
D Latch Circuit Diagram D Latch Circuit Diagram See the circuit diagram, truth table, logic gates, ic package and practical. In this article, we will see the definition of latches, latch types like sr, gated sr, d, gated d, jk and t with its truth table and diagrams and advantages and disadvantages of latch. We also discuss a gated d latch. Learn what a d flip flop is,. D Latch Circuit Diagram.
From www.researchgate.net
Design and characteristics of a CNTbased Dlatch circuit.(a) Circuit D Latch Circuit Diagram A simple explanation of a d flip flop (or d latch). We also discuss a gated d latch. It is commonly used as a basic building block in digital electronics to create counters or. See the circuit diagram, truth table, logic gates, ic package and practical. The output of the latch follows the input d when clk is. In this. D Latch Circuit Diagram.
From www.researchgate.net
Memristorbased nonvolatile D latch circuit Download Scientific Diagram D Latch Circuit Diagram Let’s explore the ladder logic equivalent of a d latch, modified from the basic ladder. See the circuit diagram, truth table, logic gates, ic package and practical. D latch is obtained from sr latch by placing an inverter between s amp;& r. This circuit has single input d and two outputs q(t) & q(t)’. To implement latches, we use different. D Latch Circuit Diagram.
From fixmanualadrianna.z21.web.core.windows.net
Sr Latch Circuit Diagram D Latch Circuit Diagram See the circuit diagram, truth table, logic gates, ic package and practical. We also discuss a gated d latch. D latch is obtained from sr latch by placing an inverter between s amp;& r. A d latch is a type of digital circuit that can store one bit of information with one input (d for data/delay) and enable signal (clk. D Latch Circuit Diagram.