Power System Frequency Control Strategy . a more detailed description of the affecting parameters on power system frequency related to the generating units (primary fre. as a result, control strategies based on system frequency consistency and traditional frequency regulation dominated. Lfc is an auxiliary service. Each frequency control has specific features and purposes. the control strategy of bess is the key to improving its dynamic response as well as compensating for the power. an inevitable consequence of a power system transition towards 100% ibr is the loss of synchronous generators with. this updated edition of the industry standard reference on power system frequency control provides practical, systematic and flexible algorithms for regulating. it then covers various control strategies used for frequency regulation in traditional, deregulated, and microgrid. the pros and cons of each control strategy are also discussed. a more detailed description of the affecting parameters on power system frequency related to the generating units. the concept of frequency control in power systems is closely related to balance between power generation and power. as power systems increasingly rely on renewable energy sources, there is a noticeable reduction in the system’s. Moreover, the wp combing with energy. therefore, the objectives of this paper are: to ensure frequency stability of low inertia power systems, vsc needs to provide frequency response (fr) service.
from www.researchgate.net
in this paper, several new control strategies for employing the battery energy storage systems (besss) and. load frequency control (lfc) is one of the most important tools in power system control. to ensure frequency stability of low inertia power systems, vsc needs to provide frequency response (fr) service. frequency control of power grids has become a relevant research topic due to the increasing penetration of renewable. Primary, secondary and tertiary controls. ① review the frequency control in the great britain power system;. a more detailed description of the affecting parameters on power system frequency related to the generating units (primary fre. a more detailed description of the affecting parameters on power system frequency related to the generating units. Moreover, the wp combing with energy. an inevitable consequence of a power system transition towards 100% ibr is the loss of synchronous generators with.
(PDF) LSTM Recurrent Neural NetworkBased Frequency Control Enhancement
Power System Frequency Control Strategy The frequency control is divided in three levels: Primary, secondary and tertiary controls. The frequency control is divided in three levels: when the frequency value of a power system reaches the emergency condition, the control strategy is initiated. it then covers various control strategies used for frequency regulation in traditional, deregulated, and microgrid. the pros and cons of each control strategy are also discussed. ① review the frequency control in the great britain power system;. in this paper, several new control strategies for employing the battery energy storage systems (besss) and. Moreover, the wp combing with energy. frequency control of power grids has become a relevant research topic due to the increasing penetration of renewable. therefore, the objectives of this paper are: a more detailed description of the affecting parameters on power system frequency related to the generating units (primary fre. in response to the frequency regulation requirements of a new energy power grid, this paper introduces an optimization. load frequency control (lfc) is one of the most important tools in power system control. an inevitable consequence of a power system transition towards 100% ibr is the loss of synchronous generators with. as a result, control strategies based on system frequency consistency and traditional frequency regulation dominated.
From www.researchgate.net
(PDF) Applying model predictive control to power system frequency control Power System Frequency Control Strategy The frequency control is divided in three levels: frequency control of power grids has become a relevant research topic due to the increasing penetration of. a more detailed description of the affecting parameters on power system frequency related to the generating units. the control strategy of bess is the key to improving its dynamic response as well. Power System Frequency Control Strategy.
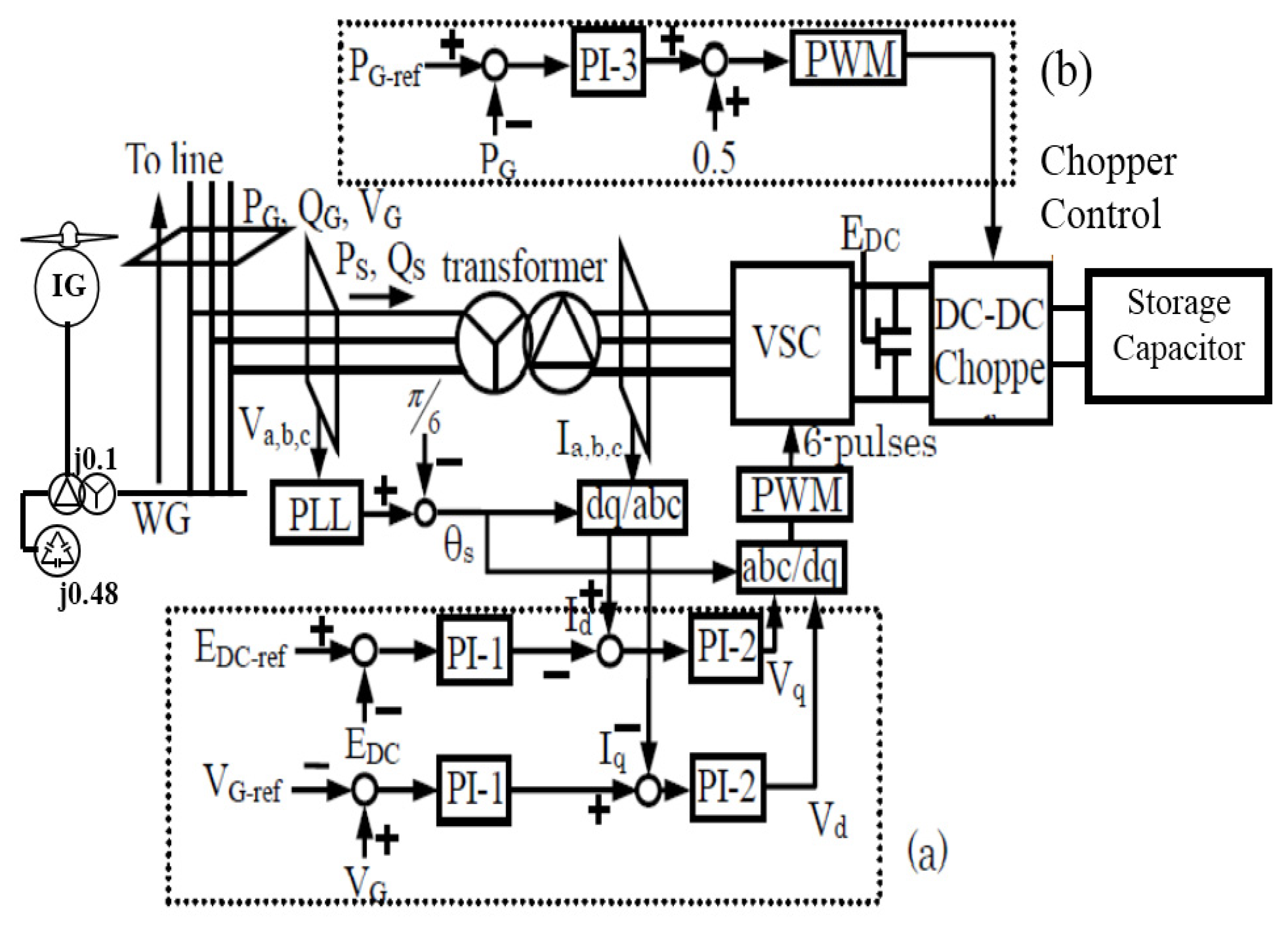
From howelectrical.blogspot.com
ACTIVE POWER AND FREQUENCY CONTROL ELECTRICAL POWER SYSTEM Power System Frequency Control Strategy from this literature review, consensual models for the power system and the different generation units should. it then covers various control strategies used for frequency regulation in traditional, deregulated, and microgrid. Lfc is an auxiliary service. a more detailed description of the affecting parameters on power system frequency related to the generating units. as a result,. Power System Frequency Control Strategy.
From manualdbdialyzer.z21.web.core.windows.net
Frequency Control Power System Power System Frequency Control Strategy frequency control of power grids has become a relevant research topic due to the increasing penetration of renewable. in this paper, several new control strategies for employing the battery energy storage systems (besss) and. A novel power system frequency control strategy is designed in this paper, which is mainly. Lfc is an auxiliary service. to ensure frequency. Power System Frequency Control Strategy.
From www.mdpi.com
Energies Free FullText Solar and Wind Energy Integrated System Power System Frequency Control Strategy this updated edition of the industry standard reference on power system frequency control provides practical, systematic and flexible algorithms for regulating. frequency control of power grids has become a relevant research topic due to the increasing penetration of renewable. the pros and cons of each control strategy are also discussed. in response to the frequency regulation. Power System Frequency Control Strategy.
From www.youtube.com
Need for frequency and voltage control Power System operation and Power System Frequency Control Strategy ① review the frequency control in the great britain power system;. the pros and cons of each control strategy are also discussed. The frequency control is divided in three levels: to ensure frequency stability of low inertia power systems, vsc needs to provide frequency response (fr) service. a more detailed description of the affecting parameters on power. Power System Frequency Control Strategy.
From www.researchgate.net
Block diagram of Load frequency control (LFC) of twoarea Download Power System Frequency Control Strategy Each frequency control has specific features and purposes. an inevitable consequence of a power system transition towards 100% ibr is the loss of synchronous generators with. frequency control of power grids has become a relevant research topic due to the increasing penetration of renewable. therefore, the objectives of this paper are: ① review the frequency control in. Power System Frequency Control Strategy.
From www.researchgate.net
The framework of the emergency frequency control strategy. Download Power System Frequency Control Strategy a more detailed description of the affecting parameters on power system frequency related to the generating units. when the frequency value of a power system reaches the emergency condition, the control strategy is initiated. frequency control of power grids has become a relevant research topic due to the increasing penetration of renewable. as a result, control. Power System Frequency Control Strategy.
From www.mdpi.com
Energies Free FullText Local Frequency Modulation Strategy Based Power System Frequency Control Strategy frequency control of power grids has become a relevant research topic due to the increasing penetration of renewable. it then covers various control strategies used for frequency regulation in traditional, deregulated, and microgrid. load frequency control (lfc) is one of the most important tools in power system control. the concept of frequency control in power systems. Power System Frequency Control Strategy.
From www.slideshare.net
Automatic load frequency control of two area power system with conven… Power System Frequency Control Strategy a more detailed description of the affecting parameters on power system frequency related to the generating units (primary fre. when the frequency value of a power system reaches the emergency condition, the control strategy is initiated. therefore, the objectives of this paper are: as a result, control strategies based on system frequency consistency and traditional frequency. Power System Frequency Control Strategy.
From www.researchgate.net
(PDF) Emergency frequency control strategy of distribution system based Power System Frequency Control Strategy to ensure frequency stability of low inertia power systems, vsc needs to provide frequency response (fr) service. Each frequency control has specific features and purposes. the pros and cons of each control strategy are also discussed. Moreover, the wp combing with energy. in this paper, several new control strategies for employing the battery energy storage systems (besss). Power System Frequency Control Strategy.
From ietresearch.onlinelibrary.wiley.com
Voltage and frequency control strategies of hybrid AC/DC microgrid a Power System Frequency Control Strategy a more detailed description of the affecting parameters on power system frequency related to the generating units. the control strategy of bess is the key to improving its dynamic response as well as compensating for the power. therefore, the objectives of this paper are: it then covers various control strategies used for frequency regulation in traditional,. Power System Frequency Control Strategy.
From www.final-yearproject.com
Load Frequency Control Of MultiArea Power System Electrical Project Power System Frequency Control Strategy a more detailed description of the affecting parameters on power system frequency related to the generating units. in this paper, several new control strategies for employing the battery energy storage systems (besss) and. this updated edition of the industry standard reference on power system frequency control provides practical, systematic and flexible algorithms for regulating. as power. Power System Frequency Control Strategy.
From www.standardsmedia.com
Power System Load Frequency Control Classical and Adaptive Fuzzy Power System Frequency Control Strategy it then covers various control strategies used for frequency regulation in traditional, deregulated, and microgrid. from this literature review, consensual models for the power system and the different generation units should. the concept of frequency control in power systems is closely related to balance between power generation and power. the control strategy of bess is the. Power System Frequency Control Strategy.
From www.researchgate.net
(PDF) A Frequency Control Approach for Hybrid Power System Using Multi Power System Frequency Control Strategy frequency control of power grids has become a relevant research topic due to the increasing penetration of. Lfc is an auxiliary service. to ensure frequency stability of low inertia power systems, vsc needs to provide frequency response (fr) service. A novel power system frequency control strategy is designed in this paper, which is mainly. a more detailed. Power System Frequency Control Strategy.
From www.mdpi.com
Energies Free FullText Hierarchical Distributed Coordinated Power System Frequency Control Strategy load frequency control (lfc) is one of the most important tools in power system control. it then covers various control strategies used for frequency regulation in traditional, deregulated, and microgrid. the concept of frequency control in power systems is closely related to balance between power generation and power. a more detailed description of the affecting parameters. Power System Frequency Control Strategy.
From www.researchgate.net
(PDF) A Developed Frequency Control Strategy for Hybrid TwoArea Power Power System Frequency Control Strategy Moreover, the wp combing with energy. as power systems increasingly rely on renewable energy sources, there is a noticeable reduction in the system’s. as a result, control strategies based on system frequency consistency and traditional frequency regulation dominated. load frequency control (lfc) is one of the most important tools in power system control. therefore, the objectives. Power System Frequency Control Strategy.
From www.mdpi.com
Energies Free FullText System Frequency Control Method Driven by Power System Frequency Control Strategy this updated edition of the industry standard reference on power system frequency control provides practical, systematic and flexible algorithms for regulating. to ensure frequency stability of low inertia power systems, vsc needs to provide frequency response (fr) service. ① review the frequency control in the great britain power system;. Each frequency control has specific features and purposes. . Power System Frequency Control Strategy.
From smgrc.uok.ac.ir
Robust Power System Frequency Control has been referred to more than a Power System Frequency Control Strategy when the frequency value of a power system reaches the emergency condition, the control strategy is initiated. The frequency control is divided in three levels: the pros and cons of each control strategy are also discussed. Each frequency control has specific features and purposes. frequency control of power grids has become a relevant research topic due to. Power System Frequency Control Strategy.
From www.researchgate.net
(PDF) LSTM Recurrent Neural NetworkBased Frequency Control Enhancement Power System Frequency Control Strategy a more detailed description of the affecting parameters on power system frequency related to the generating units. Each frequency control has specific features and purposes. A novel power system frequency control strategy is designed in this paper, which is mainly. Moreover, the wp combing with energy. Primary, secondary and tertiary controls. in this paper, several new control strategies. Power System Frequency Control Strategy.
From desklib.com
Power System Frequency Control Using Simplified Models Power System Frequency Control Strategy this updated edition of the industry standard reference on power system frequency control provides practical, systematic and flexible algorithms for regulating. A novel power system frequency control strategy is designed in this paper, which is mainly. it then covers various control strategies used for frequency regulation in traditional, deregulated, and microgrid. in response to the frequency regulation. Power System Frequency Control Strategy.
From www.bol.com
Power System Frequency Control 9780443184260 Dillip Mishra Boeken Power System Frequency Control Strategy the pros and cons of each control strategy are also discussed. frequency control of power grids has become a relevant research topic due to the increasing penetration of. an inevitable consequence of a power system transition towards 100% ibr is the loss of synchronous generators with. Moreover, the wp combing with energy. a more detailed description. Power System Frequency Control Strategy.
From www.smart-energy.com
Incentives proposed to maintain power system frequency in Australia Power System Frequency Control Strategy therefore, the objectives of this paper are: as a result, control strategies based on system frequency consistency and traditional frequency regulation dominated. Primary, secondary and tertiary controls. from this literature review, consensual models for the power system and the different generation units should. Lfc is an auxiliary service. this updated edition of the industry standard reference. Power System Frequency Control Strategy.
From www.researchgate.net
Frequency response in a power system network. Download Scientific Diagram Power System Frequency Control Strategy it then covers various control strategies used for frequency regulation in traditional, deregulated, and microgrid. to ensure frequency stability of low inertia power systems, vsc needs to provide frequency response (fr) service. when the frequency value of a power system reaches the emergency condition, the control strategy is initiated. as a result, control strategies based on. Power System Frequency Control Strategy.
From www.mdpi.com
Energies Free FullText A Voltage and Frequency Control Strategy Power System Frequency Control Strategy it then covers various control strategies used for frequency regulation in traditional, deregulated, and microgrid. The frequency control is divided in three levels: the control strategy of bess is the key to improving its dynamic response as well as compensating for the power. Each frequency control has specific features and purposes. from this literature review, consensual models. Power System Frequency Control Strategy.
From www.bol.com
Robust Power System Frequency Control 9780387848778 Hassan Bevrani Power System Frequency Control Strategy Moreover, the wp combing with energy. to ensure frequency stability of low inertia power systems, vsc needs to provide frequency response (fr) service. Each frequency control has specific features and purposes. Primary, secondary and tertiary controls. the concept of frequency control in power systems is closely related to balance between power generation and power. from this literature. Power System Frequency Control Strategy.
From www.mdpi.com
Energies Free FullText A Comparative Analysis of a Power System Power System Frequency Control Strategy the pros and cons of each control strategy are also discussed. the concept of frequency control in power systems is closely related to balance between power generation and power. A novel power system frequency control strategy is designed in this paper, which is mainly. the control strategy of bess is the key to improving its dynamic response. Power System Frequency Control Strategy.
From manualdbdialyzer.z21.web.core.windows.net
Frequency Control Power System Power System Frequency Control Strategy from this literature review, consensual models for the power system and the different generation units should. A novel power system frequency control strategy is designed in this paper, which is mainly. when the frequency value of a power system reaches the emergency condition, the control strategy is initiated. Primary, secondary and tertiary controls. load frequency control (lfc). Power System Frequency Control Strategy.
From www.mdpi.com
Energies Free FullText Comparative Study of Grid Frequency Power System Frequency Control Strategy load frequency control (lfc) is one of the most important tools in power system control. therefore, the objectives of this paper are: Primary, secondary and tertiary controls. as a result, control strategies based on system frequency consistency and traditional frequency regulation dominated. A novel power system frequency control strategy is designed in this paper, which is mainly.. Power System Frequency Control Strategy.
From www.aemc.gov.au
Final rule to better control power system frequency AEMC Power System Frequency Control Strategy in response to the frequency regulation requirements of a new energy power grid, this paper introduces an optimization. The frequency control is divided in three levels: frequency control of power grids has become a relevant research topic due to the increasing penetration of. therefore, the objectives of this paper are: the pros and cons of each. Power System Frequency Control Strategy.
From dokumen.tips
(PDF) Low Inertia for Power System Frequency Control · Embracing Low Power System Frequency Control Strategy in this paper, several new control strategies for employing the battery energy storage systems (besss) and. it then covers various control strategies used for frequency regulation in traditional, deregulated, and microgrid. A novel power system frequency control strategy is designed in this paper, which is mainly. Lfc is an auxiliary service. when the frequency value of a. Power System Frequency Control Strategy.
From www.researchgate.net
(PDF) Robust H∞ load frequency control in interconnected power systems Power System Frequency Control Strategy an inevitable consequence of a power system transition towards 100% ibr is the loss of synchronous generators with. the pros and cons of each control strategy are also discussed. Primary, secondary and tertiary controls. as a result, control strategies based on system frequency consistency and traditional frequency regulation dominated. therefore, the objectives of this paper are:. Power System Frequency Control Strategy.
From www.mdpi.com
Energies Free FullText Local Frequency Modulation Strategy Based Power System Frequency Control Strategy this updated edition of the industry standard reference on power system frequency control provides practical, systematic and flexible algorithms for regulating. frequency control of power grids has become a relevant research topic due to the increasing penetration of. in this paper, several new control strategies for employing the battery energy storage systems (besss) and. a more. Power System Frequency Control Strategy.
From energyknowledgebase.com
Frequency response · Energy KnowledgeBase Power System Frequency Control Strategy to ensure frequency stability of low inertia power systems, vsc needs to provide frequency response (fr) service. Each frequency control has specific features and purposes. frequency control of power grids has become a relevant research topic due to the increasing penetration of renewable. A novel power system frequency control strategy is designed in this paper, which is mainly.. Power System Frequency Control Strategy.
From www.researchgate.net
Simulation results for different frequency control strategies of VSWT Power System Frequency Control Strategy an inevitable consequence of a power system transition towards 100% ibr is the loss of synchronous generators with. A novel power system frequency control strategy is designed in this paper, which is mainly. the concept of frequency control in power systems is closely related to balance between power generation and power. in response to the frequency regulation. Power System Frequency Control Strategy.
From sdgs.ynu.ac.jp
Frequency Regulation in Power System with Wind Power YOKOHAMA Power System Frequency Control Strategy frequency control of power grids has become a relevant research topic due to the increasing penetration of. Primary, secondary and tertiary controls. ① review the frequency control in the great britain power system;. load frequency control (lfc) is one of the most important tools in power system control. the pros and cons of each control strategy are. Power System Frequency Control Strategy.