Water Treatment Petrochemical Industry . For petrochemical wastewater, progresses were made in advanced oxidation, biological processes, and recovery of energy and water from. The wastewater from a petroleum industry consist a wide variety of pollutants like petroleum hydrocarbons, mercaptans, oil and. The present study presents several wastewater treatment technologies in handling the petroleum produced water (ppw) and reducing the. Recent research and development of treatment technologies for petrochemical wastewater and produced water from oil and gas. The wastewater from these industries mainly contains oil, organic matter, and other compounds that need to be well managed before they can be discharged to any receiving. The research advances in wastewater treatment and resource recovery technology are reviewed and summarized. New water management and wastewater treatment strategies are critically.
from hmevaporator.com
The research advances in wastewater treatment and resource recovery technology are reviewed and summarized. For petrochemical wastewater, progresses were made in advanced oxidation, biological processes, and recovery of energy and water from. Recent research and development of treatment technologies for petrochemical wastewater and produced water from oil and gas. The present study presents several wastewater treatment technologies in handling the petroleum produced water (ppw) and reducing the. The wastewater from these industries mainly contains oil, organic matter, and other compounds that need to be well managed before they can be discharged to any receiving. The wastewater from a petroleum industry consist a wide variety of pollutants like petroleum hydrocarbons, mercaptans, oil and. New water management and wastewater treatment strategies are critically.
Petrochemical Industry Crude Oil Depot Wastewater Treatment Solution
Water Treatment Petrochemical Industry The research advances in wastewater treatment and resource recovery technology are reviewed and summarized. The wastewater from a petroleum industry consist a wide variety of pollutants like petroleum hydrocarbons, mercaptans, oil and. New water management and wastewater treatment strategies are critically. For petrochemical wastewater, progresses were made in advanced oxidation, biological processes, and recovery of energy and water from. Recent research and development of treatment technologies for petrochemical wastewater and produced water from oil and gas. The wastewater from these industries mainly contains oil, organic matter, and other compounds that need to be well managed before they can be discharged to any receiving. The research advances in wastewater treatment and resource recovery technology are reviewed and summarized. The present study presents several wastewater treatment technologies in handling the petroleum produced water (ppw) and reducing the.
From www.lgwatersolutions.com
Petrochemical Market LG Water Solutions Water Treatment Petrochemical Industry The wastewater from a petroleum industry consist a wide variety of pollutants like petroleum hydrocarbons, mercaptans, oil and. New water management and wastewater treatment strategies are critically. The research advances in wastewater treatment and resource recovery technology are reviewed and summarized. The wastewater from these industries mainly contains oil, organic matter, and other compounds that need to be well managed. Water Treatment Petrochemical Industry.
From www.pxfuel.com
Refinery & Petrochemical HD wallpaper Pxfuel Water Treatment Petrochemical Industry The wastewater from a petroleum industry consist a wide variety of pollutants like petroleum hydrocarbons, mercaptans, oil and. Recent research and development of treatment technologies for petrochemical wastewater and produced water from oil and gas. For petrochemical wastewater, progresses were made in advanced oxidation, biological processes, and recovery of energy and water from. The research advances in wastewater treatment and. Water Treatment Petrochemical Industry.
From www.lecoltw.com
Petrochemical Industry Luh Cherng Enterprises Co., Ltd Water Treatment Petrochemical Industry The wastewater from a petroleum industry consist a wide variety of pollutants like petroleum hydrocarbons, mercaptans, oil and. New water management and wastewater treatment strategies are critically. The research advances in wastewater treatment and resource recovery technology are reviewed and summarized. The wastewater from these industries mainly contains oil, organic matter, and other compounds that need to be well managed. Water Treatment Petrochemical Industry.
From netsolwater.com
What is the relevance of ETP for petroleum refineries Water Treatment Petrochemical Industry The present study presents several wastewater treatment technologies in handling the petroleum produced water (ppw) and reducing the. Recent research and development of treatment technologies for petrochemical wastewater and produced water from oil and gas. The wastewater from these industries mainly contains oil, organic matter, and other compounds that need to be well managed before they can be discharged to. Water Treatment Petrochemical Industry.
From www.atiaco.com
Petrochemical wastewater treatment package شرکت آتی سازان آرشام صنعت Water Treatment Petrochemical Industry New water management and wastewater treatment strategies are critically. For petrochemical wastewater, progresses were made in advanced oxidation, biological processes, and recovery of energy and water from. The wastewater from these industries mainly contains oil, organic matter, and other compounds that need to be well managed before they can be discharged to any receiving. The wastewater from a petroleum industry. Water Treatment Petrochemical Industry.
From www.slideshare.net
EN Water treatment for the refining and petrochemicals industry D… Water Treatment Petrochemical Industry Recent research and development of treatment technologies for petrochemical wastewater and produced water from oil and gas. New water management and wastewater treatment strategies are critically. The wastewater from these industries mainly contains oil, organic matter, and other compounds that need to be well managed before they can be discharged to any receiving. For petrochemical wastewater, progresses were made in. Water Treatment Petrochemical Industry.
From bdpenvirotech.com
Petrochemical Wastewater High Efficiency Biological Wastewater Water Treatment Petrochemical Industry The present study presents several wastewater treatment technologies in handling the petroleum produced water (ppw) and reducing the. The wastewater from these industries mainly contains oil, organic matter, and other compounds that need to be well managed before they can be discharged to any receiving. For petrochemical wastewater, progresses were made in advanced oxidation, biological processes, and recovery of energy. Water Treatment Petrochemical Industry.
From www.newater.com
Wastewater Treatment for Oil Refining and Petrochemical Water Treatment Petrochemical Industry For petrochemical wastewater, progresses were made in advanced oxidation, biological processes, and recovery of energy and water from. New water management and wastewater treatment strategies are critically. The wastewater from a petroleum industry consist a wide variety of pollutants like petroleum hydrocarbons, mercaptans, oil and. The research advances in wastewater treatment and resource recovery technology are reviewed and summarized. Recent. Water Treatment Petrochemical Industry.
From inhabitat.com
Mother Jones oil refineries water use Inhabitat Green Design Water Treatment Petrochemical Industry The wastewater from a petroleum industry consist a wide variety of pollutants like petroleum hydrocarbons, mercaptans, oil and. Recent research and development of treatment technologies for petrochemical wastewater and produced water from oil and gas. For petrochemical wastewater, progresses were made in advanced oxidation, biological processes, and recovery of energy and water from. The research advances in wastewater treatment and. Water Treatment Petrochemical Industry.
From netsolwater.com
Wastewater Treatment in Petrochemical and Chemical Sectors Water Treatment Petrochemical Industry The present study presents several wastewater treatment technologies in handling the petroleum produced water (ppw) and reducing the. New water management and wastewater treatment strategies are critically. The wastewater from a petroleum industry consist a wide variety of pollutants like petroleum hydrocarbons, mercaptans, oil and. The wastewater from these industries mainly contains oil, organic matter, and other compounds that need. Water Treatment Petrochemical Industry.
From financialtribune.com
New Wastewater Treatment Plant for Major Petrochem Complex Financial Water Treatment Petrochemical Industry The present study presents several wastewater treatment technologies in handling the petroleum produced water (ppw) and reducing the. The wastewater from a petroleum industry consist a wide variety of pollutants like petroleum hydrocarbons, mercaptans, oil and. For petrochemical wastewater, progresses were made in advanced oxidation, biological processes, and recovery of energy and water from. The research advances in wastewater treatment. Water Treatment Petrochemical Industry.
From www.news-blast.com
Wastewater Treatment for the Oil, Gas and Petrochemical Industry News Water Treatment Petrochemical Industry The wastewater from these industries mainly contains oil, organic matter, and other compounds that need to be well managed before they can be discharged to any receiving. The wastewater from a petroleum industry consist a wide variety of pollutants like petroleum hydrocarbons, mercaptans, oil and. New water management and wastewater treatment strategies are critically. The research advances in wastewater treatment. Water Treatment Petrochemical Industry.
From www.environmental-expert.com
Water Treatment Solutions For Chemical & Petrochemical Water Treatment Petrochemical Industry The wastewater from a petroleum industry consist a wide variety of pollutants like petroleum hydrocarbons, mercaptans, oil and. The wastewater from these industries mainly contains oil, organic matter, and other compounds that need to be well managed before they can be discharged to any receiving. Recent research and development of treatment technologies for petrochemical wastewater and produced water from oil. Water Treatment Petrochemical Industry.
From netsolwater.com
How to treat effluent waste water in petroleum sector Water Treatment Petrochemical Industry New water management and wastewater treatment strategies are critically. The wastewater from these industries mainly contains oil, organic matter, and other compounds that need to be well managed before they can be discharged to any receiving. Recent research and development of treatment technologies for petrochemical wastewater and produced water from oil and gas. The present study presents several wastewater treatment. Water Treatment Petrochemical Industry.
From www.intechopen.com
Biological Treatment of Petrochemical Wastewater IntechOpen Water Treatment Petrochemical Industry The present study presents several wastewater treatment technologies in handling the petroleum produced water (ppw) and reducing the. The wastewater from a petroleum industry consist a wide variety of pollutants like petroleum hydrocarbons, mercaptans, oil and. The wastewater from these industries mainly contains oil, organic matter, and other compounds that need to be well managed before they can be discharged. Water Treatment Petrochemical Industry.
From www.westech-inc.com
Chemical, Petrochemical, & Refinery Water Treatment Solutions Water Treatment Petrochemical Industry The wastewater from a petroleum industry consist a wide variety of pollutants like petroleum hydrocarbons, mercaptans, oil and. The research advances in wastewater treatment and resource recovery technology are reviewed and summarized. Recent research and development of treatment technologies for petrochemical wastewater and produced water from oil and gas. The wastewater from these industries mainly contains oil, organic matter, and. Water Treatment Petrochemical Industry.
From netsolwater.com
What is Wastewater treatment Bioremediation in Petrochemical Sector Water Treatment Petrochemical Industry New water management and wastewater treatment strategies are critically. The wastewater from these industries mainly contains oil, organic matter, and other compounds that need to be well managed before they can be discharged to any receiving. The research advances in wastewater treatment and resource recovery technology are reviewed and summarized. For petrochemical wastewater, progresses were made in advanced oxidation, biological. Water Treatment Petrochemical Industry.
From www.mdpi.com
Processes Free FullText Oily Wastewater Treatment Methods Water Treatment Petrochemical Industry The research advances in wastewater treatment and resource recovery technology are reviewed and summarized. New water management and wastewater treatment strategies are critically. Recent research and development of treatment technologies for petrochemical wastewater and produced water from oil and gas. For petrochemical wastewater, progresses were made in advanced oxidation, biological processes, and recovery of energy and water from. The wastewater. Water Treatment Petrochemical Industry.
From wikimapia.org
Haldia Petrochemicals Ltd (HPCL) Haldia Water Treatment Petrochemical Industry The wastewater from a petroleum industry consist a wide variety of pollutants like petroleum hydrocarbons, mercaptans, oil and. The research advances in wastewater treatment and resource recovery technology are reviewed and summarized. The wastewater from these industries mainly contains oil, organic matter, and other compounds that need to be well managed before they can be discharged to any receiving. New. Water Treatment Petrochemical Industry.
From www.cogede.com
CHEMICAL, PETROCHEMICAL & OIL & GAS INDUSTRY WASTE WATER TREATMENT COGEDE Water Treatment Petrochemical Industry The research advances in wastewater treatment and resource recovery technology are reviewed and summarized. The wastewater from a petroleum industry consist a wide variety of pollutants like petroleum hydrocarbons, mercaptans, oil and. The present study presents several wastewater treatment technologies in handling the petroleum produced water (ppw) and reducing the. For petrochemical wastewater, progresses were made in advanced oxidation, biological. Water Treatment Petrochemical Industry.
From www.slideshare.net
EN Water treatment for the refining and petrochemicals industry D… Water Treatment Petrochemical Industry The research advances in wastewater treatment and resource recovery technology are reviewed and summarized. For petrochemical wastewater, progresses were made in advanced oxidation, biological processes, and recovery of energy and water from. New water management and wastewater treatment strategies are critically. The wastewater from these industries mainly contains oil, organic matter, and other compounds that need to be well managed. Water Treatment Petrochemical Industry.
From hmevaporator.com
Petrochemical Industry Crude Oil Depot Wastewater Treatment Solution Water Treatment Petrochemical Industry The wastewater from a petroleum industry consist a wide variety of pollutants like petroleum hydrocarbons, mercaptans, oil and. The wastewater from these industries mainly contains oil, organic matter, and other compounds that need to be well managed before they can be discharged to any receiving. Recent research and development of treatment technologies for petrochemical wastewater and produced water from oil. Water Treatment Petrochemical Industry.
From www.atiaco.com
Petrochemical wastewater treatment package شرکت آتی سازان آرشام صنعت Water Treatment Petrochemical Industry Recent research and development of treatment technologies for petrochemical wastewater and produced water from oil and gas. The wastewater from a petroleum industry consist a wide variety of pollutants like petroleum hydrocarbons, mercaptans, oil and. For petrochemical wastewater, progresses were made in advanced oxidation, biological processes, and recovery of energy and water from. The present study presents several wastewater treatment. Water Treatment Petrochemical Industry.
From www.researchgate.net
(PDF) Waste Water Treatment from Petrochemical Industries The Concept Water Treatment Petrochemical Industry The present study presents several wastewater treatment technologies in handling the petroleum produced water (ppw) and reducing the. The research advances in wastewater treatment and resource recovery technology are reviewed and summarized. Recent research and development of treatment technologies for petrochemical wastewater and produced water from oil and gas. The wastewater from these industries mainly contains oil, organic matter, and. Water Treatment Petrochemical Industry.
From www.pallwater.com
Oil, Gas, Chemical Refinery Water and Wastewater Treatment Pall Water Water Treatment Petrochemical Industry The present study presents several wastewater treatment technologies in handling the petroleum produced water (ppw) and reducing the. The wastewater from a petroleum industry consist a wide variety of pollutants like petroleum hydrocarbons, mercaptans, oil and. The wastewater from these industries mainly contains oil, organic matter, and other compounds that need to be well managed before they can be discharged. Water Treatment Petrochemical Industry.
From www.environmental-expert.com
Water treatment solutions for petrochemical industry Water Treatment Petrochemical Industry The present study presents several wastewater treatment technologies in handling the petroleum produced water (ppw) and reducing the. The wastewater from these industries mainly contains oil, organic matter, and other compounds that need to be well managed before they can be discharged to any receiving. The research advances in wastewater treatment and resource recovery technology are reviewed and summarized. For. Water Treatment Petrochemical Industry.
From hgtechnology.en.made-in-china.com
Advanced Wastewater Treatment System for Petrochemical Industry China Water Treatment Petrochemical Industry The wastewater from these industries mainly contains oil, organic matter, and other compounds that need to be well managed before they can be discharged to any receiving. The present study presents several wastewater treatment technologies in handling the petroleum produced water (ppw) and reducing the. For petrochemical wastewater, progresses were made in advanced oxidation, biological processes, and recovery of energy. Water Treatment Petrochemical Industry.
From www.atiaco.com
Petrochemical wastewater treatment package شرکت آتی سازان آرشام صنعت Water Treatment Petrochemical Industry For petrochemical wastewater, progresses were made in advanced oxidation, biological processes, and recovery of energy and water from. The research advances in wastewater treatment and resource recovery technology are reviewed and summarized. The wastewater from these industries mainly contains oil, organic matter, and other compounds that need to be well managed before they can be discharged to any receiving. Recent. Water Treatment Petrochemical Industry.
From www.towertechindia.com
Process Of Industrial Cooling Tower Water Treatment Water Treatment Petrochemical Industry The research advances in wastewater treatment and resource recovery technology are reviewed and summarized. For petrochemical wastewater, progresses were made in advanced oxidation, biological processes, and recovery of energy and water from. Recent research and development of treatment technologies for petrochemical wastewater and produced water from oil and gas. The present study presents several wastewater treatment technologies in handling the. Water Treatment Petrochemical Industry.
From www.slideshare.net
EN Water treatment for the refining and petrochemicals industry D… Water Treatment Petrochemical Industry The wastewater from a petroleum industry consist a wide variety of pollutants like petroleum hydrocarbons, mercaptans, oil and. New water management and wastewater treatment strategies are critically. The wastewater from these industries mainly contains oil, organic matter, and other compounds that need to be well managed before they can be discharged to any receiving. For petrochemical wastewater, progresses were made. Water Treatment Petrochemical Industry.
From www.youtube.com
Decentralised solution Wastewater treatment petrochemical industry Water Treatment Petrochemical Industry The wastewater from a petroleum industry consist a wide variety of pollutants like petroleum hydrocarbons, mercaptans, oil and. Recent research and development of treatment technologies for petrochemical wastewater and produced water from oil and gas. New water management and wastewater treatment strategies are critically. The present study presents several wastewater treatment technologies in handling the petroleum produced water (ppw) and. Water Treatment Petrochemical Industry.
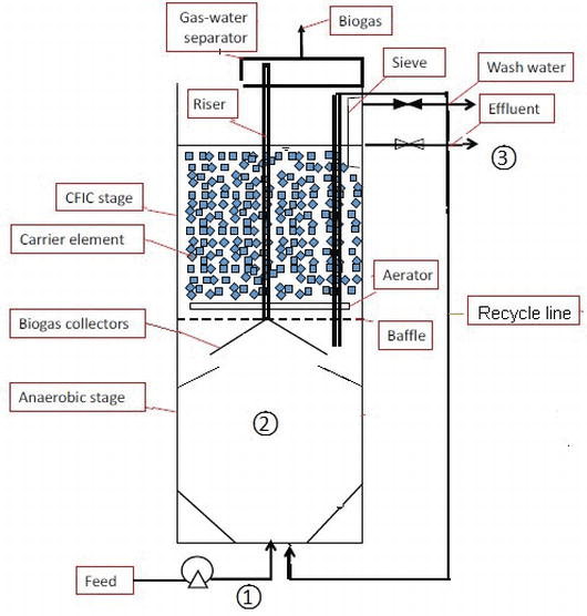
From www.researchgate.net
Treatment of wastewater of petroleum industry schematic diagram Water Treatment Petrochemical Industry Recent research and development of treatment technologies for petrochemical wastewater and produced water from oil and gas. The research advances in wastewater treatment and resource recovery technology are reviewed and summarized. The present study presents several wastewater treatment technologies in handling the petroleum produced water (ppw) and reducing the. For petrochemical wastewater, progresses were made in advanced oxidation, biological processes,. Water Treatment Petrochemical Industry.
From www.atiaco.com
Petrochemical wastewater treatment package شرکت آتی سازان آرشام صنعت Water Treatment Petrochemical Industry Recent research and development of treatment technologies for petrochemical wastewater and produced water from oil and gas. The wastewater from a petroleum industry consist a wide variety of pollutants like petroleum hydrocarbons, mercaptans, oil and. The wastewater from these industries mainly contains oil, organic matter, and other compounds that need to be well managed before they can be discharged to. Water Treatment Petrochemical Industry.
From netsolwater.com
What are the petrochemical industry environmental effects Water Treatment Petrochemical Industry The wastewater from a petroleum industry consist a wide variety of pollutants like petroleum hydrocarbons, mercaptans, oil and. For petrochemical wastewater, progresses were made in advanced oxidation, biological processes, and recovery of energy and water from. The wastewater from these industries mainly contains oil, organic matter, and other compounds that need to be well managed before they can be discharged. Water Treatment Petrochemical Industry.
From www.bw-water.com
Petrochemical BW Water Water Treatment Petrochemical Industry The wastewater from these industries mainly contains oil, organic matter, and other compounds that need to be well managed before they can be discharged to any receiving. New water management and wastewater treatment strategies are critically. For petrochemical wastewater, progresses were made in advanced oxidation, biological processes, and recovery of energy and water from. Recent research and development of treatment. Water Treatment Petrochemical Industry.