What Is Moulding In Car . The term applies both to the. automotive moulding or car body moulding are decorative and protective mouldings on the car body. molding, often interchangeably used with ‘moulding’, is a manufacturing process of shaping materials into desired. body side molding is a strategic and aesthetic way to shield your vehicle from unsightly damage caused by minor collisions, errant. in the automotive industry, we will normally find three main types of injection molding techniques, namely thermoplastic injection molding, elastomeric injection molding, and thermosetting injection molding. car trims help buyers differentiate between models, making them easier to identify.
from www.youtube.com
molding, often interchangeably used with ‘moulding’, is a manufacturing process of shaping materials into desired. The term applies both to the. automotive moulding or car body moulding are decorative and protective mouldings on the car body. car trims help buyers differentiate between models, making them easier to identify. in the automotive industry, we will normally find three main types of injection molding techniques, namely thermoplastic injection molding, elastomeric injection molding, and thermosetting injection molding. body side molding is a strategic and aesthetic way to shield your vehicle from unsightly damage caused by minor collisions, errant.
Replacing Windshield Perimeter Trim Moulding Gasket on a BMW YouTube
What Is Moulding In Car The term applies both to the. molding, often interchangeably used with ‘moulding’, is a manufacturing process of shaping materials into desired. The term applies both to the. automotive moulding or car body moulding are decorative and protective mouldings on the car body. body side molding is a strategic and aesthetic way to shield your vehicle from unsightly damage caused by minor collisions, errant. in the automotive industry, we will normally find three main types of injection molding techniques, namely thermoplastic injection molding, elastomeric injection molding, and thermosetting injection molding. car trims help buyers differentiate between models, making them easier to identify.
From truelineautomotive.com
2 Piece Carbon Fiber Side Roof Molding Overlay Trim Kit TrueLine What Is Moulding In Car automotive moulding or car body moulding are decorative and protective mouldings on the car body. molding, often interchangeably used with ‘moulding’, is a manufacturing process of shaping materials into desired. in the automotive industry, we will normally find three main types of injection molding techniques, namely thermoplastic injection molding, elastomeric injection molding, and thermosetting injection molding. . What Is Moulding In Car.
From www.lazada.com.my
Car Selfadhesive Moulding Trim Car Interior Dashboard Leather What Is Moulding In Car molding, often interchangeably used with ‘moulding’, is a manufacturing process of shaping materials into desired. car trims help buyers differentiate between models, making them easier to identify. automotive moulding or car body moulding are decorative and protective mouldings on the car body. body side molding is a strategic and aesthetic way to shield your vehicle from. What Is Moulding In Car.
From www.desertcart.in
Buy 6.5Foot Automotive Chrome Trim Molding Strip LShape Car/Truck/RV What Is Moulding In Car car trims help buyers differentiate between models, making them easier to identify. automotive moulding or car body moulding are decorative and protective mouldings on the car body. in the automotive industry, we will normally find three main types of injection molding techniques, namely thermoplastic injection molding, elastomeric injection molding, and thermosetting injection molding. body side molding. What Is Moulding In Car.
From kvo.be
12mm 2m Car Auto Moulding Strip Trim Self Adhesive Crash Guard What Is Moulding In Car automotive moulding or car body moulding are decorative and protective mouldings on the car body. in the automotive industry, we will normally find three main types of injection molding techniques, namely thermoplastic injection molding, elastomeric injection molding, and thermosetting injection molding. The term applies both to the. body side molding is a strategic and aesthetic way to. What Is Moulding In Car.
From www.allaboutframing.co.uk
What Is Moulding In Picture Framing And How Is It Used? A Helpful Guide What Is Moulding In Car car trims help buyers differentiate between models, making them easier to identify. body side molding is a strategic and aesthetic way to shield your vehicle from unsightly damage caused by minor collisions, errant. molding, often interchangeably used with ‘moulding’, is a manufacturing process of shaping materials into desired. The term applies both to the. automotive moulding. What Is Moulding In Car.
From toyotask.com
How To Add Body Side Molding To Your Toyota Camry Toyota Ask What Is Moulding In Car molding, often interchangeably used with ‘moulding’, is a manufacturing process of shaping materials into desired. The term applies both to the. in the automotive industry, we will normally find three main types of injection molding techniques, namely thermoplastic injection molding, elastomeric injection molding, and thermosetting injection molding. automotive moulding or car body moulding are decorative and protective. What Is Moulding In Car.
From www.pinterest.com
Car Moulding Decoration Trim Flexible Strips Interior Auto Mouldings What Is Moulding In Car The term applies both to the. car trims help buyers differentiate between models, making them easier to identify. automotive moulding or car body moulding are decorative and protective mouldings on the car body. in the automotive industry, we will normally find three main types of injection molding techniques, namely thermoplastic injection molding, elastomeric injection molding, and thermosetting. What Is Moulding In Car.
From www.youtube.com
Toyota Body Side Moulding available at North London Toyota Toyota What Is Moulding In Car body side molding is a strategic and aesthetic way to shield your vehicle from unsightly damage caused by minor collisions, errant. car trims help buyers differentiate between models, making them easier to identify. automotive moulding or car body moulding are decorative and protective mouldings on the car body. The term applies both to the. molding, often. What Is Moulding In Car.
From www.2040-parts.com
Find 2011+ Spark/Matiz Creative Chrome Window Molding Car Exterior Trim What Is Moulding In Car car trims help buyers differentiate between models, making them easier to identify. automotive moulding or car body moulding are decorative and protective mouldings on the car body. molding, often interchangeably used with ‘moulding’, is a manufacturing process of shaping materials into desired. The term applies both to the. body side molding is a strategic and aesthetic. What Is Moulding In Car.
From senzeal-auto.com
SENZEALAUTO Car Chrome Moulding Trim What Is Moulding In Car molding, often interchangeably used with ‘moulding’, is a manufacturing process of shaping materials into desired. body side molding is a strategic and aesthetic way to shield your vehicle from unsightly damage caused by minor collisions, errant. car trims help buyers differentiate between models, making them easier to identify. in the automotive industry, we will normally find. What Is Moulding In Car.
From www.youtube.com
Body Side Moldings Installation Guide by MyCar Trim YouTube What Is Moulding In Car automotive moulding or car body moulding are decorative and protective mouldings on the car body. body side molding is a strategic and aesthetic way to shield your vehicle from unsightly damage caused by minor collisions, errant. molding, often interchangeably used with ‘moulding’, is a manufacturing process of shaping materials into desired. car trims help buyers differentiate. What Is Moulding In Car.
From www.amazon.ae
[32FT] Car Interior Moulding Trim, DIY Automobile Moulding Line What Is Moulding In Car automotive moulding or car body moulding are decorative and protective mouldings on the car body. molding, often interchangeably used with ‘moulding’, is a manufacturing process of shaping materials into desired. The term applies both to the. car trims help buyers differentiate between models, making them easier to identify. body side molding is a strategic and aesthetic. What Is Moulding In Car.
From mungfali.com
Types Of Plastic Injection Molding What Is Moulding In Car body side molding is a strategic and aesthetic way to shield your vehicle from unsightly damage caused by minor collisions, errant. The term applies both to the. in the automotive industry, we will normally find three main types of injection molding techniques, namely thermoplastic injection molding, elastomeric injection molding, and thermosetting injection molding. molding, often interchangeably used. What Is Moulding In Car.
From autoparts.toyotaofhb.com
Clip Part 7556102020 Toyota Auto Parts What Is Moulding In Car body side molding is a strategic and aesthetic way to shield your vehicle from unsightly damage caused by minor collisions, errant. car trims help buyers differentiate between models, making them easier to identify. The term applies both to the. automotive moulding or car body moulding are decorative and protective mouldings on the car body. in the. What Is Moulding In Car.
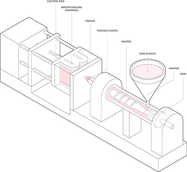
From www.3erp.com
What is Injection Molding and How Does it Work Definition & Working What Is Moulding In Car molding, often interchangeably used with ‘moulding’, is a manufacturing process of shaping materials into desired. car trims help buyers differentiate between models, making them easier to identify. The term applies both to the. body side molding is a strategic and aesthetic way to shield your vehicle from unsightly damage caused by minor collisions, errant. in the. What Is Moulding In Car.
From www.amazon.in
Auto Car Door Side Beading Moulding Compatible for Maruti What Is Moulding In Car automotive moulding or car body moulding are decorative and protective mouldings on the car body. molding, often interchangeably used with ‘moulding’, is a manufacturing process of shaping materials into desired. car trims help buyers differentiate between models, making them easier to identify. The term applies both to the. body side molding is a strategic and aesthetic. What Is Moulding In Car.
From shopee.com.my
5M Car Interior Moulding Trim,Flexible Trim for DIY Automobile Car What Is Moulding In Car body side molding is a strategic and aesthetic way to shield your vehicle from unsightly damage caused by minor collisions, errant. molding, often interchangeably used with ‘moulding’, is a manufacturing process of shaping materials into desired. in the automotive industry, we will normally find three main types of injection molding techniques, namely thermoplastic injection molding, elastomeric injection. What Is Moulding In Car.
From www.youtube.com
Replacing Windshield Perimeter Trim Moulding Gasket on a BMW YouTube What Is Moulding In Car car trims help buyers differentiate between models, making them easier to identify. automotive moulding or car body moulding are decorative and protective mouldings on the car body. in the automotive industry, we will normally find three main types of injection molding techniques, namely thermoplastic injection molding, elastomeric injection molding, and thermosetting injection molding. The term applies both. What Is Moulding In Car.
From lexussouthatlantaparts.com
LEXUS RX330 WAGON, STANDARD SIDE MOULDING What Is Moulding In Car automotive moulding or car body moulding are decorative and protective mouldings on the car body. molding, often interchangeably used with ‘moulding’, is a manufacturing process of shaping materials into desired. in the automotive industry, we will normally find three main types of injection molding techniques, namely thermoplastic injection molding, elastomeric injection molding, and thermosetting injection molding. . What Is Moulding In Car.
From engineeringlearn.com
16 Types of Moulding [Explained with Complete Details] Engineering Learn What Is Moulding In Car automotive moulding or car body moulding are decorative and protective mouldings on the car body. molding, often interchangeably used with ‘moulding’, is a manufacturing process of shaping materials into desired. body side molding is a strategic and aesthetic way to shield your vehicle from unsightly damage caused by minor collisions, errant. The term applies both to the.. What Is Moulding In Car.
From www.2040-parts.com
Purchase 2013 Grand Santa Fe / MAXCRUZ Chrome Rear Glass Molding car What Is Moulding In Car The term applies both to the. car trims help buyers differentiate between models, making them easier to identify. automotive moulding or car body moulding are decorative and protective mouldings on the car body. in the automotive industry, we will normally find three main types of injection molding techniques, namely thermoplastic injection molding, elastomeric injection molding, and thermosetting. What Is Moulding In Car.
From www.aliexpress.com
6 Meters Universal Car Styling Flexible Trim For Car Interior Exterior What Is Moulding In Car in the automotive industry, we will normally find three main types of injection molding techniques, namely thermoplastic injection molding, elastomeric injection molding, and thermosetting injection molding. automotive moulding or car body moulding are decorative and protective mouldings on the car body. body side molding is a strategic and aesthetic way to shield your vehicle from unsightly damage. What Is Moulding In Car.
From www.aliexpress.com
Auto Body Molding Chrome Molding For Trucks Chrome Automotive Trim What Is Moulding In Car The term applies both to the. car trims help buyers differentiate between models, making them easier to identify. in the automotive industry, we will normally find three main types of injection molding techniques, namely thermoplastic injection molding, elastomeric injection molding, and thermosetting injection molding. molding, often interchangeably used with ‘moulding’, is a manufacturing process of shaping materials. What Is Moulding In Car.
From jhp.com.au
VE VF Commodore HSV Roof Turret Moulding or gutter trims What Is Moulding In Car The term applies both to the. in the automotive industry, we will normally find three main types of injection molding techniques, namely thermoplastic injection molding, elastomeric injection molding, and thermosetting injection molding. car trims help buyers differentiate between models, making them easier to identify. body side molding is a strategic and aesthetic way to shield your vehicle. What Is Moulding In Car.
From www.newoldcarcompany.com.au
New Old Car Universal Body Side Molding What Is Moulding In Car The term applies both to the. in the automotive industry, we will normally find three main types of injection molding techniques, namely thermoplastic injection molding, elastomeric injection molding, and thermosetting injection molding. molding, often interchangeably used with ‘moulding’, is a manufacturing process of shaping materials into desired. car trims help buyers differentiate between models, making them easier. What Is Moulding In Car.
From www.youtube.com
Moulding A New Car Dash YouTube What Is Moulding In Car car trims help buyers differentiate between models, making them easier to identify. body side molding is a strategic and aesthetic way to shield your vehicle from unsightly damage caused by minor collisions, errant. The term applies both to the. molding, often interchangeably used with ‘moulding’, is a manufacturing process of shaping materials into desired. in the. What Is Moulding In Car.
From www.amazon.in
STARiD Door Side Beading Moulding Cladding with Chrome Lining for What Is Moulding In Car automotive moulding or car body moulding are decorative and protective mouldings on the car body. car trims help buyers differentiate between models, making them easier to identify. molding, often interchangeably used with ‘moulding’, is a manufacturing process of shaping materials into desired. The term applies both to the. in the automotive industry, we will normally find. What Is Moulding In Car.
From www.youtube.com
How to remove door molding on your car YouTube What Is Moulding In Car car trims help buyers differentiate between models, making them easier to identify. in the automotive industry, we will normally find three main types of injection molding techniques, namely thermoplastic injection molding, elastomeric injection molding, and thermosetting injection molding. automotive moulding or car body moulding are decorative and protective mouldings on the car body. molding, often interchangeably. What Is Moulding In Car.
From get-it-made.co.uk
Injection Moulding Guide Get It Made What Is Moulding In Car automotive moulding or car body moulding are decorative and protective mouldings on the car body. car trims help buyers differentiate between models, making them easier to identify. in the automotive industry, we will normally find three main types of injection molding techniques, namely thermoplastic injection molding, elastomeric injection molding, and thermosetting injection molding. The term applies both. What Is Moulding In Car.
From www.aliexpress.com
5M DIY Car Interior Moulding Strip Car Styling Moulding Trim Flexible What Is Moulding In Car automotive moulding or car body moulding are decorative and protective mouldings on the car body. molding, often interchangeably used with ‘moulding’, is a manufacturing process of shaping materials into desired. in the automotive industry, we will normally find three main types of injection molding techniques, namely thermoplastic injection molding, elastomeric injection molding, and thermosetting injection molding. The. What Is Moulding In Car.
From www.youtube.com
What is Injection Molding and How Does it Work? YouTube What Is Moulding In Car in the automotive industry, we will normally find three main types of injection molding techniques, namely thermoplastic injection molding, elastomeric injection molding, and thermosetting injection molding. automotive moulding or car body moulding are decorative and protective mouldings on the car body. body side molding is a strategic and aesthetic way to shield your vehicle from unsightly damage. What Is Moulding In Car.
From exycnbkyc.blob.core.windows.net
Foam Injection Moulding Process at Jacqueline Brooks blog What Is Moulding In Car The term applies both to the. in the automotive industry, we will normally find three main types of injection molding techniques, namely thermoplastic injection molding, elastomeric injection molding, and thermosetting injection molding. automotive moulding or car body moulding are decorative and protective mouldings on the car body. car trims help buyers differentiate between models, making them easier. What Is Moulding In Car.
From www.motorbhp.com
Buy Maruti Suzuki Brezza Body Side Moulding Car Accessories What Is Moulding In Car body side molding is a strategic and aesthetic way to shield your vehicle from unsightly damage caused by minor collisions, errant. in the automotive industry, we will normally find three main types of injection molding techniques, namely thermoplastic injection molding, elastomeric injection molding, and thermosetting injection molding. car trims help buyers differentiate between models, making them easier. What Is Moulding In Car.
From www.aliexpress.com
20mmx6500mm Car Chrome Adhesive Sticky Detail Edging Styling Moulding What Is Moulding In Car in the automotive industry, we will normally find three main types of injection molding techniques, namely thermoplastic injection molding, elastomeric injection molding, and thermosetting injection molding. body side molding is a strategic and aesthetic way to shield your vehicle from unsightly damage caused by minor collisions, errant. molding, often interchangeably used with ‘moulding’, is a manufacturing process. What Is Moulding In Car.
From exyxjaepc.blob.core.windows.net
Different Types Of Car Trims at Brendon Johnsen blog What Is Moulding In Car car trims help buyers differentiate between models, making them easier to identify. body side molding is a strategic and aesthetic way to shield your vehicle from unsightly damage caused by minor collisions, errant. automotive moulding or car body moulding are decorative and protective mouldings on the car body. in the automotive industry, we will normally find. What Is Moulding In Car.