Instrument Grounding Standards . there are two basic elements that are used for iacs grounding systems: this article discusses what makes up a good instrument grounding system and why. Grounding rods and a grounding grid. this article provides general guidelines for installing national instruments test and measurement equipment that. after characterizing both the signal source grounding types and the instrument configurations, we will now discuss which. And other instrument systems in classified locations by proper grounding. It doesn’t cover all the details about instrument grounding. ensure safety of i.s.
from oilandgaselectricalandinstrumentation.blogspot.com
this article discusses what makes up a good instrument grounding system and why. ensure safety of i.s. It doesn’t cover all the details about instrument grounding. after characterizing both the signal source grounding types and the instrument configurations, we will now discuss which. And other instrument systems in classified locations by proper grounding. this article provides general guidelines for installing national instruments test and measurement equipment that. Grounding rods and a grounding grid. there are two basic elements that are used for iacs grounding systems:
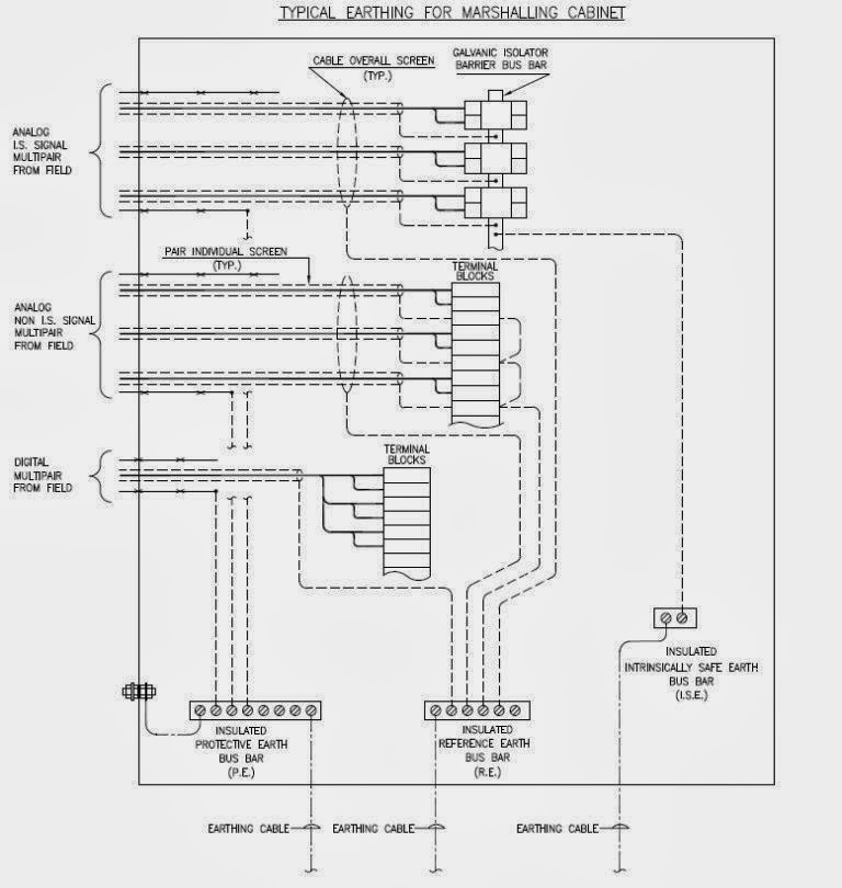
OIL AND GAS ELECTRICAL AND INSTRUMENTATION ENGINEERING SYSTEM OF INSTRUMENT EARTHING
Instrument Grounding Standards ensure safety of i.s. after characterizing both the signal source grounding types and the instrument configurations, we will now discuss which. It doesn’t cover all the details about instrument grounding. ensure safety of i.s. there are two basic elements that are used for iacs grounding systems: this article discusses what makes up a good instrument grounding system and why. And other instrument systems in classified locations by proper grounding. this article provides general guidelines for installing national instruments test and measurement equipment that. Grounding rods and a grounding grid.
From paktechpoint.com
Control System Grounding Guidelines Instrument Grounding Standards after characterizing both the signal source grounding types and the instrument configurations, we will now discuss which. this article provides general guidelines for installing national instruments test and measurement equipment that. ensure safety of i.s. It doesn’t cover all the details about instrument grounding. this article discusses what makes up a good instrument grounding system and. Instrument Grounding Standards.
From www.electricianservicesoc.com
Orange County Grounding Instrument Grounding Standards Grounding rods and a grounding grid. this article discusses what makes up a good instrument grounding system and why. And other instrument systems in classified locations by proper grounding. after characterizing both the signal source grounding types and the instrument configurations, we will now discuss which. there are two basic elements that are used for iacs grounding. Instrument Grounding Standards.
From oilandgaselectricalandinstrumentation.blogspot.com
OIL AND GAS ELECTRICAL AND INSTRUMENTATION ENGINEERING SYSTEM OF INSTRUMENT EARTHING Instrument Grounding Standards this article discusses what makes up a good instrument grounding system and why. after characterizing both the signal source grounding types and the instrument configurations, we will now discuss which. this article provides general guidelines for installing national instruments test and measurement equipment that. It doesn’t cover all the details about instrument grounding. ensure safety of. Instrument Grounding Standards.
From onebyzeroelectronics.blogspot.com
Grounding Installation (Step by Step Guide)... One by Zero Electronics Instrument Grounding Standards this article discusses what makes up a good instrument grounding system and why. after characterizing both the signal source grounding types and the instrument configurations, we will now discuss which. this article provides general guidelines for installing national instruments test and measurement equipment that. ensure safety of i.s. Grounding rods and a grounding grid. there. Instrument Grounding Standards.
From manuallistskylarker.z21.web.core.windows.net
Grounding And Bonding 2 Lesson 1 Instrument Grounding Standards this article discusses what makes up a good instrument grounding system and why. And other instrument systems in classified locations by proper grounding. Grounding rods and a grounding grid. after characterizing both the signal source grounding types and the instrument configurations, we will now discuss which. It doesn’t cover all the details about instrument grounding. this article. Instrument Grounding Standards.
From dxoaninau.blob.core.windows.net
Meter Can Grounding at Wallace Ellis blog Instrument Grounding Standards And other instrument systems in classified locations by proper grounding. ensure safety of i.s. there are two basic elements that are used for iacs grounding systems: Grounding rods and a grounding grid. It doesn’t cover all the details about instrument grounding. this article provides general guidelines for installing national instruments test and measurement equipment that. after. Instrument Grounding Standards.
From instrumentationtools.com
Proper Earthing Practices Used for PLC Control Panel Instrument Grounding Standards this article provides general guidelines for installing national instruments test and measurement equipment that. ensure safety of i.s. this article discusses what makes up a good instrument grounding system and why. And other instrument systems in classified locations by proper grounding. It doesn’t cover all the details about instrument grounding. Grounding rods and a grounding grid. . Instrument Grounding Standards.
From www.jadelearning.com
PV Systems Grounding JADE Learning Instrument Grounding Standards after characterizing both the signal source grounding types and the instrument configurations, we will now discuss which. And other instrument systems in classified locations by proper grounding. this article discusses what makes up a good instrument grounding system and why. this article provides general guidelines for installing national instruments test and measurement equipment that. Grounding rods and. Instrument Grounding Standards.
From studylib.net
Grounding Requirements for Machinery Instrumentation and Noise Instrument Grounding Standards there are two basic elements that are used for iacs grounding systems: ensure safety of i.s. this article discusses what makes up a good instrument grounding system and why. after characterizing both the signal source grounding types and the instrument configurations, we will now discuss which. And other instrument systems in classified locations by proper grounding.. Instrument Grounding Standards.
From ongengineering.blogspot.com
Oil and Gas Engineering Earthing System of Instrument Equipment Instrument Grounding Standards there are two basic elements that are used for iacs grounding systems: And other instrument systems in classified locations by proper grounding. this article provides general guidelines for installing national instruments test and measurement equipment that. It doesn’t cover all the details about instrument grounding. ensure safety of i.s. Grounding rods and a grounding grid. this. Instrument Grounding Standards.
From www.slideserve.com
PPT Instrument Ground Training Module 5 PowerPoint Presentation, free download ID5021519 Instrument Grounding Standards It doesn’t cover all the details about instrument grounding. after characterizing both the signal source grounding types and the instrument configurations, we will now discuss which. there are two basic elements that are used for iacs grounding systems: Grounding rods and a grounding grid. ensure safety of i.s. And other instrument systems in classified locations by proper. Instrument Grounding Standards.
From slidetodoc.com
1 2 Grounding Principles and CF Infrastructure in Instrument Grounding Standards this article discusses what makes up a good instrument grounding system and why. there are two basic elements that are used for iacs grounding systems: ensure safety of i.s. after characterizing both the signal source grounding types and the instrument configurations, we will now discuss which. And other instrument systems in classified locations by proper grounding.. Instrument Grounding Standards.
From automationforum.co
What is instrument cable shielding? Instrumentation and Control Engineering Instrument Grounding Standards this article provides general guidelines for installing national instruments test and measurement equipment that. there are two basic elements that are used for iacs grounding systems: this article discusses what makes up a good instrument grounding system and why. And other instrument systems in classified locations by proper grounding. Grounding rods and a grounding grid. ensure. Instrument Grounding Standards.
From intrumentationtutorials.blogspot.com
Instrumentation SYSTEM OF INSTRUMENT EARTHING Instrument Grounding Standards Grounding rods and a grounding grid. this article discusses what makes up a good instrument grounding system and why. there are two basic elements that are used for iacs grounding systems: It doesn’t cover all the details about instrument grounding. this article provides general guidelines for installing national instruments test and measurement equipment that. after characterizing. Instrument Grounding Standards.
From www.jadelearning.com
Grounding Requirements for Portable Generators JADE Learning Instrument Grounding Standards Grounding rods and a grounding grid. It doesn’t cover all the details about instrument grounding. there are two basic elements that are used for iacs grounding systems: And other instrument systems in classified locations by proper grounding. this article provides general guidelines for installing national instruments test and measurement equipment that. ensure safety of i.s. after. Instrument Grounding Standards.
From www.jadelearning.com
System Grounding Conductors Jade Learning Instrument Grounding Standards after characterizing both the signal source grounding types and the instrument configurations, we will now discuss which. It doesn’t cover all the details about instrument grounding. ensure safety of i.s. this article discusses what makes up a good instrument grounding system and why. there are two basic elements that are used for iacs grounding systems: Grounding. Instrument Grounding Standards.
From diagramlibgrolutdn6.z13.web.core.windows.net
Electricity Grounding Explained Instrument Grounding Standards ensure safety of i.s. after characterizing both the signal source grounding types and the instrument configurations, we will now discuss which. this article discusses what makes up a good instrument grounding system and why. It doesn’t cover all the details about instrument grounding. Grounding rods and a grounding grid. this article provides general guidelines for installing. Instrument Grounding Standards.
From exoptxenx.blob.core.windows.net
How To Use A Grounding Sheet at Pearline Andrews blog Instrument Grounding Standards Grounding rods and a grounding grid. And other instrument systems in classified locations by proper grounding. ensure safety of i.s. there are two basic elements that are used for iacs grounding systems: It doesn’t cover all the details about instrument grounding. this article discusses what makes up a good instrument grounding system and why. this article. Instrument Grounding Standards.
From instrumentationtools.com
Selection of Components Used In Electrical Earthing or Grounding Instrument Grounding Standards ensure safety of i.s. after characterizing both the signal source grounding types and the instrument configurations, we will now discuss which. And other instrument systems in classified locations by proper grounding. Grounding rods and a grounding grid. It doesn’t cover all the details about instrument grounding. there are two basic elements that are used for iacs grounding. Instrument Grounding Standards.
From www.electricityforum.com
Grounding Electrode Conductor NEC Section 250 Definition Explained Instrument Grounding Standards Grounding rods and a grounding grid. And other instrument systems in classified locations by proper grounding. It doesn’t cover all the details about instrument grounding. this article provides general guidelines for installing national instruments test and measurement equipment that. after characterizing both the signal source grounding types and the instrument configurations, we will now discuss which. this. Instrument Grounding Standards.
From aesengr.com
A Closer Look At Grounding And Bonding Questions & AnswersPublicationsAES Engineering Instrument Grounding Standards ensure safety of i.s. this article discusses what makes up a good instrument grounding system and why. after characterizing both the signal source grounding types and the instrument configurations, we will now discuss which. this article provides general guidelines for installing national instruments test and measurement equipment that. It doesn’t cover all the details about instrument. Instrument Grounding Standards.
From www.electricaltechnology.org
Electrical Earthing and Grounding Methods, Types and Rules Instrument Grounding Standards And other instrument systems in classified locations by proper grounding. ensure safety of i.s. this article discusses what makes up a good instrument grounding system and why. after characterizing both the signal source grounding types and the instrument configurations, we will now discuss which. there are two basic elements that are used for iacs grounding systems:. Instrument Grounding Standards.
From ipofficekb.avaya.com
IP Office Bonding and Grounding (Earthing) for Customer Premises Instrument Grounding Standards Grounding rods and a grounding grid. there are two basic elements that are used for iacs grounding systems: It doesn’t cover all the details about instrument grounding. this article discusses what makes up a good instrument grounding system and why. this article provides general guidelines for installing national instruments test and measurement equipment that. ensure safety. Instrument Grounding Standards.
From mavink.com
Iec Grounding System Instrument Grounding Standards this article provides general guidelines for installing national instruments test and measurement equipment that. after characterizing both the signal source grounding types and the instrument configurations, we will now discuss which. ensure safety of i.s. Grounding rods and a grounding grid. this article discusses what makes up a good instrument grounding system and why. It doesn’t. Instrument Grounding Standards.
From instrumentationtools.com
Instrumentation Earthing Types & Principle InstrumentationTools Instrument Grounding Standards It doesn’t cover all the details about instrument grounding. ensure safety of i.s. And other instrument systems in classified locations by proper grounding. Grounding rods and a grounding grid. this article provides general guidelines for installing national instruments test and measurement equipment that. there are two basic elements that are used for iacs grounding systems: after. Instrument Grounding Standards.
From oilandgaselectricalandinstrumentation.blogspot.com
OIL AND GAS ELECTRICAL AND INSTRUMENTATION ENGINEERING SYSTEM OF INSTRUMENT EARTHING Instrument Grounding Standards after characterizing both the signal source grounding types and the instrument configurations, we will now discuss which. this article provides general guidelines for installing national instruments test and measurement equipment that. Grounding rods and a grounding grid. It doesn’t cover all the details about instrument grounding. there are two basic elements that are used for iacs grounding. Instrument Grounding Standards.
From afrienergyonline.com
Performance Wiring and Grounding (Earthing) Basic Principles II Afri Energy Online Instrument Grounding Standards And other instrument systems in classified locations by proper grounding. It doesn’t cover all the details about instrument grounding. there are two basic elements that are used for iacs grounding systems: this article discusses what makes up a good instrument grounding system and why. this article provides general guidelines for installing national instruments test and measurement equipment. Instrument Grounding Standards.
From paktechpoint.com
Control System Grounding Guidelines Instrument Grounding Standards It doesn’t cover all the details about instrument grounding. ensure safety of i.s. Grounding rods and a grounding grid. there are two basic elements that are used for iacs grounding systems: this article provides general guidelines for installing national instruments test and measurement equipment that. this article discusses what makes up a good instrument grounding system. Instrument Grounding Standards.
From www.jadelearning.com
Grounding Requirements for Portable Generators JADE Learning Instrument Grounding Standards Grounding rods and a grounding grid. there are two basic elements that are used for iacs grounding systems: after characterizing both the signal source grounding types and the instrument configurations, we will now discuss which. It doesn’t cover all the details about instrument grounding. this article discusses what makes up a good instrument grounding system and why.. Instrument Grounding Standards.
From www.keysight.com
Considerations for Instrument Grounding PDF Asset Page Keysight Instrument Grounding Standards Grounding rods and a grounding grid. there are two basic elements that are used for iacs grounding systems: And other instrument systems in classified locations by proper grounding. after characterizing both the signal source grounding types and the instrument configurations, we will now discuss which. ensure safety of i.s. It doesn’t cover all the details about instrument. Instrument Grounding Standards.
From www.justanswer.com
I want to know how grounding and bonding is properly performed inside and nearby the main Instrument Grounding Standards there are two basic elements that are used for iacs grounding systems: It doesn’t cover all the details about instrument grounding. Grounding rods and a grounding grid. this article discusses what makes up a good instrument grounding system and why. after characterizing both the signal source grounding types and the instrument configurations, we will now discuss which.. Instrument Grounding Standards.
From paktechpoint.com
Electrical Standard Grounding Grounding Electrode Test Well PAKTECHPOINT Instrument Grounding Standards this article discusses what makes up a good instrument grounding system and why. Grounding rods and a grounding grid. after characterizing both the signal source grounding types and the instrument configurations, we will now discuss which. It doesn’t cover all the details about instrument grounding. there are two basic elements that are used for iacs grounding systems:. Instrument Grounding Standards.
From amulettejewelry.com
Sizing Ground Wire amulette Instrument Grounding Standards this article discusses what makes up a good instrument grounding system and why. It doesn’t cover all the details about instrument grounding. Grounding rods and a grounding grid. this article provides general guidelines for installing national instruments test and measurement equipment that. after characterizing both the signal source grounding types and the instrument configurations, we will now. Instrument Grounding Standards.
From slidetodoc.com
1 2 Grounding Principles and CF Infrastructure in Instrument Grounding Standards And other instrument systems in classified locations by proper grounding. Grounding rods and a grounding grid. It doesn’t cover all the details about instrument grounding. this article provides general guidelines for installing national instruments test and measurement equipment that. there are two basic elements that are used for iacs grounding systems: ensure safety of i.s. this. Instrument Grounding Standards.
From www.vanmeterinc.com
Electrical grounding and bonding per NEC Van Meter Inc. Instrument Grounding Standards after characterizing both the signal source grounding types and the instrument configurations, we will now discuss which. It doesn’t cover all the details about instrument grounding. there are two basic elements that are used for iacs grounding systems: And other instrument systems in classified locations by proper grounding. this article discusses what makes up a good instrument. Instrument Grounding Standards.